|
|
(21), (22) Заявка: 2004133988/09, 22.11.2004
(24) Дата начала отсчета срока действия патента:
22.11.2004
(45) Опубликовано: 10.03.2006
(56) Список документов, цитированных в отчете о поиске:
RU 2233027 С1, 20.07.2004. RU 2151465, C1, 20.06.2000. RU 2227370 C2, 20.04.2004. US 5077753 A, 31.12.1991. EP 0656697 A2, 07.08.1995. ВАРАКИН Л.Е., Системы связи с шумоподобными сигналами, Москва, Радио и связь, стр.6, рис.1.7.
Адрес для переписки:
394018, г.Воронеж, ул. Плехановская, 14, ФГУП Воронежский НИИ связи
|
(72) Автор(ы):
Заплетин Юрий Владимирович (RU)
(73) Патентообладатель(и):
Федеральное государственное унитарное предприятие “Воронежский научно-исследовательский институт связи” (RU)
|
(54) ЛИНИЯ РАДИОСВЯЗИ
(57) Реферат:
Изобретение относится к области передачи дискретной информации и может быть использовано в радиоканалах для осуществления передачи информации при связи с движущимися объектами, а также в обратных дуплексных радиоканалах управления и пакетных радиосетях оперативно-командной радиосвязи в незащищенных районах. Технический результат – повышение скрытности передаваемой информации за счет дополнительного закрытия информационного сигнала другим кодом Баркера. Это достигается тем, что в линию радиосвязи введены на передающей части последовательно соединенные второй генератор одиночных импульсов и вторая многоотводная линия задержки (МЛЗ), а также четвертый, пятый, шестой, седьмой, восьмой и девятый инверторы, последовательно соединенные второй сумматор и второй балансный модулятор, на приемной части – последовательно соединенные второй коррелятор и четвертый полосовой фильтр. 5 ил. 
Изобретение относится к области передачи дискретной информации и может быть использовано в радиоканалах для осуществления передачи информации при связи с движущимися объектами, а также в обратных дуплексных радиоканалах управления и пакетных радиосетях оперативно-командной радиосвязи в незащищенных районах.
Известны системы радиосвязи с шумоподобными сигналами, например [1], которая служит для передачи дискретной информации. Основным недостатком этой системы является низкая помехоустойчивость в условиях воздействия помех с сосредоточенным спектром, который обусловлен неоптимальностью алгоритма обработки сигнала по отношению к таким помехам.
Известна также широкополосная система связи [2], предназначенная для передачи дискретных сообщений. Так как в данное устройство входит согласованный фильтр, то с помощью этого устройства практически возможен только некогерентный прием ортогональных сигналов, что приводит к недостаточной помехоустойчивости информации, поскольку более высокая помехоустойчивость обеспечивается при когерентном приеме и использовании ортогональных сигналов. Кроме того, практическая реализация согласованного фильтра при больших базах сигнала представляет собой сложную техническую задачу.
Наиболее близким по технической сущности к предлагаемой является линия радиосвязи по патенту РФ № 2233027, Н 04 В 7/00 [3], принятая за прототип.
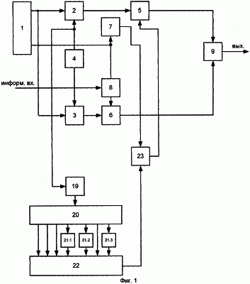
На фиг.1 и 2 приведена функциональная схема устройства-прототипа, где обозначено:
передающая часть (фиг.1)
1 – генератор колебаний несущей и тактовой частот (ГНТЧ);
2 – первый формирователь ортогональной псевдослучайной последовательности (ФОПП);
3 – первый генератор псевдослучайной последовательности (ГПП);
4 – первый блок фазирования;
5, 6 – первый и второй умножители;
7 – фазовращатель на 90°;
8 – фазовый манипулятор;
9 – блок сложения;
19 – генератор одиночных импульсов;
20 – многоотводная линия задержки;
21.1, 21.2, 21.3 – первый, второй и третий инверторы;
22 – сумматор;
23 – балансный модулятор;
приемная часть (фиг.2)
10, 11 – третий и четвертый умножители;
12 – второй формирователь ортогональной псевдослучайной последовательности (ФОПП);
13 – второй генератор псевдослучайной последовательности (ГПП);
14 – второй блок фазирования;
15 – блок синхронизации;
16, 17, 25 – первый, второй и третий полосовые фильтры;
18 – фазовый детектор;
24 – коррелятор.
Устройство-прототип состоит из передающей и приемной части.
Передающая часть содержит последовательно соединенные ФОПП 2, первый умножитель 5 и блок сложения 9, а также последовательно соединенные первый ГПП 3 и второй умножитель 6, выход которого соединен со вторым входом блока сложения 9, выход которого является выходом передающей части линии радиосвязи. При этом первый выход ГНТЧ 1 соединен с первыми входами ФОПП 2 и первого ГПП 3, вторые входы которых подсоединены к первому и второму выходам первого блока фазирования 4 соответственно. Второй выход ГНТЧ1 через фазовращатель на 90° 7 соединен с первым входом балансного модулятора 23, а через фазовый манипулятор 8 – со вторым входом второго умножителя 6. Кроме того, первый выход блока фазирования 4 через генератор одиночных импульсов 19 соединен с входом многоотводной линии задержки (МЛЗ) 20, первый, второй, третий и шестой выходы (отводы) которой соединены соответственно с первым, вторым, третьим и шестым входами сумматора 22, а четвертый, пятый и седьмой выходы МЛЗ 20 соединены соответственно через первый 21.1, второй 21.2 и третий 21.3 инверторы с четвертым, пятым и седьмым входами сумматора 22, выход которого подсоединен к второму входу балансного модулятора 23, выход которого соединен со вторым входом первого умножителя 5.
Приемная часть устройства-прототипа содержит последовательно соединенные третий умножитель 10, первый полосовой фильтр 16, коррелятор 24 и третий полосовой фильтр 25, выход которого соединен с первым входом фазового детектора 18. Кроме того, последовательно соединенные четвертый умножитель 11 и второй полосовой фильтр 17, выход которого соединен со вторым входом фазового детектора 18, выход которого является информационным выходом приемной части линии радиосвязи. При этом выход блока синхронизации 15 соединен с первыми входами второго ФОПП 12 и второго ГПП 13, вторые входы которых соединены соответственно с первым и вторым выходами второго блока фазирования 14. Выход второго ФОПП 12 соединен со вторым входом третьего умножителя 10. Выход второго ГПП 13 соединен со вторым входом четвертого умножителя 11. Вход блока синхронизации 15 и первые входы второго ФОПП 12 и второго ГПП 13 объединены и являются входом приемной части устройства-прототипа.
Работает устройство-прототип следующим образом.
На передающей части блок 1 формирует две частоты: тактовую и несущую. Тактовая частота с первого выхода блока 1 поступает на первые входы блоков 2 и 3, которые вырабатывают двоичные псевдослучайные последовательности (ПСП). Эти ПСП представляют собой совокупности биполярных импульсов постоянного тока одинаковой величины и длительности, которая определяется тактовой частотой. Законы образования ПСП выбираются так, чтобы обеспечить малую взаимную корреляцию между ПСП блоков 2 и 3 при любом фазовом сдвиге между ними (квазиортогональные двоичные ПСП). Это условие необходимо для эффективного разделения и подавления сигналов в приемной части устройства. Блок 4 устанавливает сдвиговые регистры блоков 2 и 3 в одинаковое начальное состояние так, что обеспечивается связь по фазе их ПСП. Со второго выхода блока 4 на второй вход блока 3 поступают прямоугольные синхроимпульсы (фиг.5.а – чертеж прототипа), период следования которых равен длительности сигнала Баркера Т и равен периоду следования ортогональной ПСП блока 2, а также периоду следования опорной ПСП блока 3. Число N кодовых последовательностей Баркера можно выбрать из таблицы 3.2, стр.45 [2]. В нашем случае выбираем N=7. С первого выхода блока 4 узкие прямоугольные импульсы подаются на блок 19, который формирует одиночные импульсы длительностью о и периодом Т. В нашем случае Т=7· 0, где 0 – длительность одиночного (единичного) прямоугольного импульса на выходе блока 19 (фиг.5б – чертеж прототипа). Эти одиночные прямоугольные импульсы поступают на вход блока 20, который имеет для нашего случая семь выходов (отводов), расположенных через интервалы времени, равные 0. Кодовая последовательность Баркера с N=7 имеет вид: 111-1-11-1. В этом случае импульсы с первого, второго, третьего и шестого выходов блока 20 поступают на первый, второй, третий и шестой входы блока 22 соответственно, а импульсы с четвертого, пятого и седьмого выходов блока 20 поступают на четвертый, пятый и седьмой входы блока 22 соответственно через блоки 21.1, 21.2 и 21.3, которые осуществляют изменение фазы на (180°), то есть преобразуют положительные одиночные импульсы в отрицательные. На выходе блока 22 формируется видеосигнал Баркера (фиг.5.в – чертеж прототипа), который поступает на второй вход блока 23, на первый вход которого подается радиочастотное колебание с выхода блока 7. Блок 23 осуществляет фазовую модуляцию радиочастотного колебания (фиг.5.г – чертеж прототипа) в соответствии с кодовой последовательностью Баркера (фиг.5.д – чертеж прототипа). Таким образом, с выхода блока 23 на второй вход блока 5 поступает сигнал, на который накладывается сигнал Баркера (в нашем случае сигнал Баркера с N=7). При этом осуществляется дополнительное закрытие передаваемого сигнала. С выходов блоков 5 и 6 сигналы поступают соответственно на первый и второй входы блока 9, где формируется выходной сигнал передающей части устройства, который представляет собой колебание несущей частоты с постоянной амплитудой, манипулированное по фазе на 0, 90, 180 и 270°, причем моменты манипуляции и порядок следования этих величин фаз определяются знаками элементов ПСП блоков 2 и 3 и передаваемой разностью фаз.
На приемной части входной сигнал поступает на первые входы блоков 10 и 11, аналогичные блокам 5 и 6 передающей части, а также на вход блока 15, выходной сигнал которого служит для синхронизации двоичных ПСП, вырабатываемых блоками 12 и 13 в приемной части, с двоичными ПСП принимаемого сигнала. Сигналы с первого и второго выходов блока 14, поступая на вторые входы блоков 12 и 13 соответственно, обеспечивают связь по фазе выходных последовательностей блоков 12 и 13, соответствующую связи по фазе последовательностей блоков 2 и 3 передающей части. Двоичная ПСП с выхода блока 13, аналогичного блоку 3 передающей части, поступает на второй вход блока 11, где она перемножается с входным сигналом. Сигнал с выхода блока 11 поступает на вход блока 17, где выделяется манипулированное по фазе колебание несущей частоты сигнала, которое с выхода блока 17 подается на второй вход блока 18. Двоичная ПСП с выхода блока 12, аналогичного блоку 2 передающей части, поступает на второй вход блока 10, где она перемножается с входным сигналом. Сигнал с выхода блока 10 поступает на вход блока 16, который выделяет колебание несущей частоты сигнала. С выхода блока 16 сигнал поступает на вход блока 24, где происходит обработка сигналов Баркера. С выхода блока 24 через блок 25 сигнал поступает на первый вход блока 18, который выделяет полезную информацию, поступающую на выход устройства.
Недостатком устройства-прототипа является малая скрытность передаваемой информации, так как закрытие передаваемого сигнала осуществляется с помощью кода Баркера только по пилот-сигналу.
Для устранения указанного недостатка в линию радиосвязи, содержащую на передающей части последовательно соединенные первый формирователь ортогональной псевдослучайной последовательности (ФОПП), первый умножитель и блок сложения, а также последовательно соединенные первый генератор псевдослучайной последовательности (ГПП) и второй умножитель, выход которого соединен со вторым входом блока сложения, выход которого является выходом передающей части линии радиосвязи, кроме того, генератор колебаний несущей и тактовой частоты (ГНТЧ), первый выход которого соединен с первыми входами ФОПП и первого ГПП, вторые входы которых подсоединены к первому и второму выходам первого блока фазирования соответственно, второй выход ГНТЧ соединен с входом фазовращателя на 90°, выход которого соединен с первым входом балансного модулятора, выход которого соединен со вторым входом первого умножителя, при этом выход фазового манипулятора соединен со вторым входом второго умножителя, а первый вход фазового манипулятора является информационным входом передающей части, первый выход блока фазирования через первый генератор одиночных импульсов соединен с входом первой многоотводной линии задержки (МЛЗ), первый, второй, третий и шестой выходы (отводы) которой соединены соответственно с первым, вторым, третьим и шестым входами первого сумматора, четвертый, пятый и седьмой входы которого соединены с выходами первого, второго и третьего инверторов соответственно, входы которых подсоединены к четвертому, пятому и седьмому выходам первой МЛЗ, выход первого сумматора соединен со вторым входом балансного модулятора, на приемной части – последовательно соединенные третий умножитель, первый полосовой фильтр, коррелятор и третий полосовой фильтр, выход которого соединен с первым входом фазового детектора, выход которого является информационным выходом приемной части линии радиосвязи, последовательно соединенные четвертый умножитель и второй полосовой фильтр, а также блок синхронизации, выход которого соединен с первыми входами второго ФОПП и второго ГПП, вторые входы которых соединены соответственно с первым и вторым выходами второго блока фазирования, при этом выход второго ФОПП соединен со вторым входом третьего умножителя, выход второго ГПП соединен со вторым входом четвертого умножителя, вход блока синхронизации и первые входы третьего и четвертого умножителей объединены и являются входом приемной части линии радиосвязи, согласно изобретению введены на передающей части последовательно соединенные второй генератор одиночных импульсов и вторая МЛЗ, первый, второй, третий, седьмой и десятый выводы (отводы) которой соединены с первым, вторым, третьим, седьмым и десятым входами второго сумматора соответственно, четвертый, пятый, шестой, восьмой, девятый и одиннадцатый входы которого соединены с выходами четвертого, пятого, шестого, восьмого и девятого инверторов соответственно, входы которых соединены с четвертым, пятым, шестым, восьмым, девятым и одиннадцатым выходами второй МЛЗ, причем выход второго сумматора соединен со вторым входом второго балансного модулятора, первый вход которого соединен с входом фазовращателя на 90°, а выход второго балансного модулятора – со вторым входом фазового манипулятора, кроме того, вход второго генератора одиночных импульсов соединен с входом первого генератора одиночных импульсов, на приемной части – последовательно соединенные второй коррелятор и четвертый полосовой фильтр, выход которого соединен со вторым входом фазового детектора, а вход второго коррелятора соединен с выходом второго полосового фильтра.
На фиг.3 и 4 представлена функциональная схема предлагаемого устройства, где обозначено:
передающая часть (фиг.3)
1 – генератор колебаний несущей и тактовой частот (ГНТЧ);
2 – первый формирователь ортогональной псевдослучайной последовательности (ФОПП);
3 – первый генератор псевдослучайной последовательности (ГПП);
4 – первый блок фазирования;
5, 6 – первый и второй умножители;
7 – фазовращатель на 90°;
8 – фазовый манипулятор;
9 – блок сложения;
19, 26 – первый и второй генераторы одиночных импульсов;
20, 27 – первая и вторая многоотводные линии задержки (МЛЗ);
21.1, 21.2, 21.3 – первый, второй и третий инверторы;
22, 29 – первый и второй сумматоры;
23, 30 – первый и второй балансные модуляторы;
28.4-28.9 – четвертый – шестой инверторы;
приемная часть (фиг.4)
10, 11 – третий и четвертый умножители;
12 – второй формирователь ортогональной псевдослучайной последовательности (ФОПП);
13 – второй генератор псевдослучайной последовательности (ГПП);
14 – второй блок фазирования;
15 – блок синхронизации;
16, 17, 25, 32 – первый, второй, третий и четвертый полосовые фильтры;
18 – фазовый детектор;
24, 31 – первый и второй корреляторы.
Предлагаемое устройство состоит из передающей и приемной части.
Передающая часть содержит последовательно соединенные ФОПП 2, первый умножитель 5 и блок сложения 9, а также последовательно соединенные первый ГПП 3 и второй умножитель 6, выход которого соединен со вторым входом блока сложения 9, выход которого является выходом передающей части линии радиосвязи. При этом первый выход ГНТЧ 1 соединен с первыми входами ФОПП 2 и первого ГПП 3, вторые входы которых подсоединены к первому и второму выходам первого блока фазирования 4 соответственно. Кроме того, второй выход ГНТЧ 1 соединен с входом фазовращателя на 90° 7 и первым входом второго балансного модулятора 30, выход которого через фазовый манипулятор 8 соединен со вторым входом второго умножителя 6. При этом первый вход фазового манипулятора 8 является информационным входом передающей части линии радиосвязи. Выход фазовращателя на 90° 7 соединен с первым входом первого балансного модулятора 23, выход которого соединен со вторым входом первого умножителя 5. Кроме того, выход первого генератора одиночных импульсов 19 соединен с входом первой МЛЗ 20, первый, второй, третий и шестой выводы которой соединены соответственно с первым, вторым, третьим и шестым входами первого сумматора 22, четвертый, пятый и седьмой входы которого соединены с выходами первого 21.1, второго 21.2 и третьего 21.3 инверторов соответственно, входы которых подсоединены к четвертому, пятому и седьмому выводам первой МЛЗ 20. Выход первого сумматора 22 соединен со вторым входом балансного модулятора 23. Выход второго генератора одиночных импульсов 26 соединен с входом второй МЛЗ 27, первый, второй, третий, седьмой и десятый выводы которой соединены с соответствующими входами второго сумматора 29. А четвертый, пятый, шестой, восьмой, девятый и одиннадцатый выводы второй МЛЗ 27 через четвертый 28.4, пятый 28.5, шестой 28.6, седьмой 28.7, восьмой 28.8 и девятый 28.9 инверторы соединены с четвертым, пятым, шестым, восьмым, девятым и одиннадцатым входами второго сумматора 29 соответственно. Выход второго сумматора 29 соединен со вторым входом второго балансного модулятора 30.
Приемная часть предлагаемого устройства содержит последовательно соединенные третий умножитель 10, первый полосовой фильтр 16, коррелятор 24 и третий полосовой фильтр 25, выход которого соединен с первым входом фазового детектора 18. Кроме того, последовательно соединенные четвертый умножитель 11, второй полосовой фильтр 17, второй коррелятор 31 и четвертый полосовой фильтр 32, выход которого соединен со вторым входом фазового детектора 18, выход которого является информационным выходом приемной части радиолинии связи. При этом выход блока синхронизации 15 соединен с первыми входами второго ФОПП 12 и второго ГПП 13, вторые входы которых соединены соответственно с первым и вторым выходами второго блока фазирования 14. Выход второго ФОПП 12 соединен со вторым входом третьего умножителя 10. Выход второго ГПП 13 соединен со вторым входом четвертого умножителя 11. Вход блока синхронизации 15 и первые входы второго ФОПП 12 и второго ГПП 13 объединены и являются входом приемной части предлагаемого устройства.
Предлагаемая линия радиосвязи работает следующим образом.
На передающей части блок 1 формирует две частоты – тактовую и несущую. Тактовая частота с первого выхода блока 1 подается на первые входы блоков 2 и 3, которые вырабатывают двоичные псевдослучайные последовательности (ПСП), представляющие собой совокупности биполярных импульсов постоянного тока одинаковой величины и длительности, которая определяется тактовой частотой. Законы образования ПСП выбираются таким образом, чтобы обеспечить малую взаимную корреляцию между ПСП блоков 2 и 3 при любом фазовом сдвиге между ними (квазиортогональные двоичные ПСП). Это условие необходимо для эффективного разделения и подавления сигналов на приемной части устройства. Блок 4 устанавливает сдвиговые регистры блоков 2 и 3 в одинаковое начальное состояние так, что обеспечивается связь по фазе их ПСП. Со второго выхода блока 4 на второй вход блока 3 поступают прямоугольные синхроимпульсы (фиг.5.а), период следования которых равен длительности сигнала Баркера Т и равен периоду следования ортогональной ПСП блока 2, а также периоду следования опорной ПСП блока 3. Число N кодовых последовательностей Баркера можно выбрать из таблицы 3.2, стр. 45 [Л.2]. В нашем случае выбираем N=7. С первого выхода блока 4 узкие прямоугольные импульсы подаются на вход блока 19, в котором формируются одиночные импульсы длительностью о и периодом Т. В нашем случае Т=7· 0, где 0 – длительность одиночного (единичного) прямоугольного импульса на выходе блока 19 (фиг.5.б). Эти одиночные прямоугольные импульсы поступают на вход блока 20, который имеет для нашего случая семь выходов (отводов), расположенных через интервалы времени, равные 0.
Кодовая последовательность Баркера с N=7 имеет вид: 111-1-11-1. В этом случае импульсы с первого, второго, третьего и шестого выходов блока 20 поступают на первый, второй, третий и шестой входы блока 22 соответственно. Импульсы с четвертого, пятого и седьмого выходов блока 20 поступают на четвертый, пятый и седьмой входы блока 22 соответственно через блоки 211, 212 и 213, которые осуществляют изменение фазы на (180°), то есть преобразуют положительные одиночные импульсы в отрицательные. На выходе блока 22 формируется видеосигнал Баркера (фиг.5.в), который поступает на второй вход блока 23, на первый вход которого подается радиочастотное колебание с выхода блока 7. Блок 23 осуществляет фазовую модуляцию радиочастотного колебания (фиг.5.г) в соответствии с кодовой последовательностью Баркера (фиг.5.д). Далее сигнал с выхода блока 23 поступает на второй вход блока 5.
Таким образом, с выхода блока 23 на второй вход блока 5 поступает сигнал, на который накладывается сигнал Баркера (в нашем случае сигнал Баркера с N=7). При этом осуществляется дополнительное закрытие пилот-сигнала.
Для большего закрытия передаваемого сигнала осуществляется закрытие второй составляющей сигнала (информационного сигнала). Для этого синусоидальный сигнал, вырабатываемый ГНТЧ 1, закрываем кодом Баркера с другим N числом кодовых последовательностей. Например, выбираем число N из таблицы 3.2, стр. 45 [Л.2]. Для нашего случая выбираем N=11, отличное от N=7 в пилот-сигнале. Это отличие делается для большего закрытия передаваемого сигнала.
С первого выхода блока 4 узкие прямоугольные импульсы (фиг.5.а) подаются одновременно на блоки 19 и 26. Работа блоков 19 и 26, 20 и 27, 21.1-21.3 и 28.4-28.9, 22 и 29, 23 и 30 аналогична. Разница состоит в длительности одиночных импульсов с выходов блоков 19 и 26. Длительность одиночного импульса на выходе блока 19 равна о, а на выходе блока 26 – 1 (фиг.5.б). Так как число N=11 больше, чем N=7 (для пилот-сигнала), то 0> 1.
На выходе блока 29 сигнал Баркера имеет вид, показанный на фиг.5.в, а на выходе ГНТЧ 1 – на фиг.5.г. Сигнал на выходе блока 30 имеет вид, представленный на фиг.5.д.
Синусоидальный сигнал, вырабатываемый ГНТЧ 1, дополнительно закрывается другим кодом Баркера. Далее в блоке 8 формируется информационный сигнал, с дополнительным закрытием другим кодом Баркера.
В остальном работа предлагаемого устройства аналогична работе прототипа. С выходов блоков 5 и 6 сигналы подаются соответственно на первый и второй входы блока 9, где формируется выходной сигнал передающей части предлагаемой линии связи, представляющий собой колебание несущей частоты с постоянной амплитудой, манипулированное по фазе на 0, 90, 180 и 270°, причем моменты манипуляции и порядок следования этих величин фаз определяются знаками элементов ПСП блоков 2 и 3 и передаваемой разностью фаз.
На приемной части входной сигнал поступает на первые входы блоков 10 и 11, а также на вход блока 15, выходной сигнал которого подается на первые входы блоков 12 и 13 и служит для синхронизации двоичных ПСП, вырабатываемых блоками 12 и 13, с двоичными ПСП принимаемого сигнала. Сигналы с первого и второго выходов блока 14, поступая на вторые входы блоков 12 и 13 соответственно, обеспечивают связь по фазе выходных последовательностей блоков 12 и 13, соответствующую связи по фазе последовательностей блоков 2 и 3 передающей части. Двоичная ПСП с выхода блока 13, аналогичного блоку 3 передающей части, поступает на второй вход блока 11, где она перемножается с входным сигналом. Сигнал с выхода блока 11 подается на вход блока 17, где выделяется манипулированное по фазе колебание несущей частоты сигнала, которое с выхода блока 17 подается на вход блока 31, где происходит обработка сигналов Баркера. Далее через полосовой фильтр 32 сигнал подается на второй вход блока 18, который выделяет полезную информацию, поступающую на выход приемной части линии радио-связи.
Двоичная ПСП с выхода блока 12 подается на второй вход блока 10, где она перемножается с входным сигналом и далее поступает на блок 16, который выделяет колебание несущей частоты сигнала, закрытое кодом Баркера с 0. Далее сигнал подается на вход блока 24, где происходит обработка сигнала Баркера и через блок 25 – на первый вход блока 18.
Следовательно, в предлагаемой линии радиосвязи за счет дополнительного закрытия другим кодом Баркера информационного сигнала повышается скрытность передаваемой информации.
Источники информации
А.с. № 651492.
Варакин Л.Е. Системы связи с шумоподобными сигналами, М., “Р и С”, 1985 г., стр. 16, рис.1.7).
Патент РФ № 2233027 – прототип.
Формула изобретения
Линия радиосвязи, содержащая на передающей части последовательно соединенные первый формирователь ортогональной псевдослучайной последовательности (ФОПП), первый умножитель и блок сложения, а также последовательно соединенные первый генератор псевдослучайной последовательности (ГПП) и второй умножитель, выход которого соединен со вторым входом блока сложения, выход которого является выходом передающей части линии радиосвязи, кроме того, генератор колебаний несущей и тактовой частоты (ГНТЧ), первый выход которого соединен с первыми входами ФОПП и первого ГПП, вторые входы которых подсоединены к первому и второму выходам первого блока фазирования соответственно, второй выход ГНТЧ соединен с входом фазовращателя на 90°, выход которого соединен с первым входом балансного модулятора, выход которого соединен со вторым входом первого умножителя, при этом выход фазового манипулятора соединен со вторым входом второго умножителя, а первый вход фазового манипулятора является информационным входом передающей части, первый выход блока фазирования через первый генератор одиночных импульсов соединен с входом первой многоотводной линии задержки (МЛЗ), первый, второй, третий и шестой выводы которой соединены соответственно с первым, вторым, третьим и шестым входами первого сумматора, четвертый, пятый и седьмой входы которого соединены с выходами первого, второго и третьего инверторов соответственно, входы которых подсоединены к четвертому, пятому и седьмому выводам первой МЛЗ, выход первого сумматора соединен со вторым входом балансного модулятора, на приемной части – последовательно соединенные третий умножитель, первый полосовой фильтр, коррелятор и третий полосовой фильтр, выход которого соединен с первым входом фазового детектора, выход которого является информационным выходом приемной части линии радиосвязи, последовательно соединенные четвертый умножитель и второй полосовой фильтр, а также блок синхронизации, выход которого соединен с первыми входами второго ФОПП и второго ГПП, вторые входы которых соединены соответственно с первым и вторым выходами второго блока фазирования, при этом выход второго ФОПП соединен со вторым входом третьего умножителя, выход второго ГПП соединен со вторым входом четвертого умножителя, вход блока синхронизации и первые входы третьего и четвертого умножителей, объединены и являются входом приемной части линии радиосвязи, отличающаяся тем, что введены на передающей части последовательно соединенные второй генератор одиночных импульсов и вторая МЛЗ, первый, второй, третий, седьмой и десятый выводы которой соединены с первым, вторым, третьим, седьмым и десятым входами второго сумматора соответственно, четвертый, пятый, шестой, восьмой, девятый и одиннадцатый входы которого соединены с выходами четвертого, пятого, шестого, восьмого и девятого инверторов соответственно, входы которых соединены с четвертым, пятым, шестым, восьмым, девятым и одиннадцатым выводами второй МЛЗ, причем выход второго сумматора соединен со вторым входом второго балансного модулятора, первый вход которого соединен с входом фазовращателя на 90°, а выход второго балансного модулятора – со вторым входом фазового манипулятора, кроме того, вход второго генератора одиночных импульсов соединен с входом первого генератора одиночных импульсов, на приемной части – последовательно соединенные второй коррелятор и четвертый полосовой фильтр, выход которого соединен со вторым входом фазового детектора, а вход второго коррелятора соединен с выходом второго полосового фильтра.
РИСУНКИ
MM4A – Досрочное прекращение действия патента СССР или патента Российской Федерации на изобретение из-за неуплаты в установленный срок пошлины за поддержание патента в силе
Дата прекращения действия патента: 23.11.2007
Извещение опубликовано: 10.07.2009 БИ: 19/2009
|
|