|
|
(21), (22) Заявка: 2003121629/09, 14.07.2003
(24) Дата начала отсчета срока действия патента:
14.07.2003
(43) Дата публикации заявки: 10.02.2005
(45) Опубликовано: 10.03.2006
(56) Список документов, цитированных в отчете о поиске:
SU 1732357 A1, 07.05.1995. SU 985925 A1, 30.12.1982. АКУШСКИЙ И.Я. и др., Машинная арифметика в остаточных классах, Москва, Сов.радио, 1968, 439 с. US 6005446 A, 21.12.1999.
Адрес для переписки:
394020, г.Воронеж, ул. Краснознаменная, 153, Военный институт радиоэлектроники
|
(72) Автор(ы):
Баженов Алексей Александрович (RU), Болкунов Александр Анатольевич (RU), Овчаренко Леонид Александрович (RU), Овчаренко Константин Леонидович (RU)
(73) Патентообладатель(и):
Государственное образовательное учреждение высшего профессионального образования “Военный институт радиоэлектроники” (ГОУ ВПО “Военный институт радиоэлектроники”) (RU)
|
(54) ФОРМИРОВАТЕЛЬ ПЕРИОДИЧЕСКИХ СИГНАЛОВ ПРОИЗВОЛЬНОЙ ФОРМЫ В СИСТЕМЕ ОСТАТОЧНЫХ КЛАССОВ
(57) Реферат:
Изобретение относится к технике радиосвязи и может быть использовано в демодуляторах в качестве формирователя опорных сигналов. Техническим результатом является повышение быстродействия получения дискретных отсчетов формируемых периодических сигналов, увеличения максимального значения синтезируемой частоты. Указанный результат достигается за счет того, что устройство содержит N кольцевых регистров сдвига, N табличных умножителей по модулю, делитель и сумматор мощности, n линеек управляемых фазовращателей по N фазовращателей в каждой линейке, генератор гармонического сигнала, фазовращатель на /2, фазовый детектор и устройство выборки и хранения. 2 ил. 
Изобретение относится к технике радиосвязи и может быть использовано в демодуляторах в качестве формирователя опорных сигналов.
Известно устройство (аналог) [1, стр.66, рис.40б], содержащее опорный генератор, адресный счетчик, два постоянных запоминающих устройства, сумматор кодов, цифроаналоговый преобразователь. Недостаток устройства – низкое значение максимальной частоты формируемых сигналов.
Известно также устройство (аналог) [1, стр.67, рис.42], содержащее опорный генератор, адресный счетчик, постоянное запоминающее устройство, реверсивный сумматор, таймер, цифроаналоговый преобразователь. Недостаток устройства – низкое значение максимальной частоты формируемых сигналов.
Наиболее близким по технической сущности (прототипом к предлагаемому изобретению) является устройство [1, стр.66, рис.40а], содержащее опорный генератор, адресный счетчик, постоянное запоминающее устройство, цифроаналоговый преобразователь.
Недостаток прототипа – низкое значение максимальной частоты формируемых сигналов вследствие ограниченного быстродействия входящих в его состав функциональных элементов.
Задача, на решение которой направлено заявляемое устройство, состоит в увеличении диапазона частот формируемых сигналов.
Технический результат выражается в повышении быстродействия получения дискретных отсчетов формируемых периодических сигналов, за счет чего увеличивается максимальное значение синтезируемой частоты.
Технический результат достигается тем, что в устройство, содержащее опорный генератор, введены N кольцевых регистров сдвига, N табличных умножителей по модулю, генератор гармонического сигнала, делитель мощности, n линеек управляемых фазовращателей, каждая из которых содержит по N фазовращателей, сумматор мощности, фазовращатель на /2, фазовый детектор и устройство выборки и хранения, выход которого является выходом устройства, причем i-ый кольцевой регистр сдвига содержит mi, разрядов (m1, m2,…mN – взаимно простые целые положительные числа), выход q-го разряда i-го кольцевого регистра сдвига соединен с q-ым разрядом унитарного кода первого операнда i-го табличного умножителя по модулю, к соответствующим разрядам второго операнда которого подключен унитарный код остатка по модулю mi, значения частоты формируемого сигнала, выход i-го табличного умножителя по модулю подключен к первым входам i-ых управляемых фазовращателей в каждой линейке фазовращателей, при этом выход генератора гармонического сигнала подключен ко входу фазовращателя на /2 и входу делителя мощности, j-ый выход которого соединен со вторыми входами первых управляемых фазовращателей j-ой линейки фазовращателей , причем в j-ой линейке управляемых фазовращателей выход l-го управляемого фазовращателя соединен со вторым входом (l+1)-го управляемого фазовращателя , а выходы N-ых управляемых фазовращателей в линейках фазовращателей подключены к соответствующим входам сумматора мощности, выход которого подключен ко второму входу фазового детектора, а первый вход фазового детектора соединен с выходом фазовращателя на /2, при этом выход фазового детектора подключен к первому входу устройства выборки и хранения, второй вход которого, а также тактовые входы кольцевых регистров сдвига, соединены с выходом опорного генератора.
Сущность изобретения заключается в получении в соответствии с теоремой В.А.Котельникова потока прямоугольных импульсов, представляющих собой дискретные отсчеты периодического сигнала заданного вида. Согласно используемому методу цифровой код числа Z преобразуется в дискретный отсчет аналогового периодического сигнала произвольной формы в соответствии с заданной функциональной зависимостью F(Y(K)), где Y(K) – текущая фаза периодического сигнала: Y(K)=(Z·K)modM; К – текущий номер отсчета: К=0, 1…, М-1; М – период изменения фазы формируемого сигнала.
Для получения текущей фазы Y(K) необходимо из возрастающей последовательности чисел К=0, 1, 2, …М-1 в соответствии со значением Z сформировать прямоугольный импульс амплитудой F(Y(K))
Последовательность чисел К, а также текущая фаза Y(K), могут быть получены в системе остаточных классов [2, с.12-13].
Система остаточных классов (СОК) относится к числу непозиционных систем счисления, в которой произвольное целое число А в диапазоне однозначно кодируется своими остатками аi по основаниям mi:

где 
[ ] – целая часть числа; m1, m2,…, mN – совокупность взаимно простых целых положительных чисел, называемых основаниями СОК; N – число оснований.
Далее будем считать, что .
Код числа (1) из СОК может быть преобразован в позиционную систему счисления на основании китайской теоремы об остатках [2, с.33-37]:

где i, – константа, определяемая из решения сравнения: (Мi· i)modmi 1; Мi=М/mi.
Код в СОК текущей фазы Y(K) как результат произведения чисел Z и К определяется путем вычисления отдельных произведений остатков по каждому основанию [2, с.13]:

где уi(К)=(zi·ki)modmi; ki=(K)modmi; zi=(Z)modmi; .
Для формирования в СОК периодической последовательности чисел K=0,1…, М-1 необходимо получить отдельно по каждому основанию mi, повторяющиеся последовательности чисел меньшей длины: ki=0, 1, …mi-1. Тогда совокупность всех N чисел ki будет представлять собой код в СОК числа К. Такие последовательности могут быть получены в кольцевых регистрах сдвига (КРС).
Пусть остаток числа К по основанию mi ( ) представлен унитарным кодом. В данном коде применяются mi, шин данных, причем при ki=0 на шине нулевого разряда будет логическая “1”, а на остальных “0”, при ki=1 на шине первого разряда – “1”, а на остальных – “0” и т.д. Если в mi – разрядном КРС в одном из триггеров записана “1”, а в остальных – “0”, то при тактировании информации в этом КРС импульсами с выхода опорного генератора будет формироваться периодически повторяющаяся последовательность чисел 0, 1,…mi-1 в унитарном коде. Соответственно совокупность чисел ki на выходах всех КРС представляет собой N – разрядный код СОК, возрастающий на периоде [0, М) числовой последовательности K=(k1, k2,…kN).
Значение текущей фазы Y(K) может быть получено в табличных умножителях, рассчитывающих параллельно по каждому основанию СОК произведения остатка ki кода текущей величины К на числовой код остатка zi номинала частоты Z синтезируемого сигнала.
Поскольку диапазон представления чисел в СОК [0, M) достаточно быстро растет при увеличении числа оснований N, то максимальная величина mi обычно не превышает 100. Поэтому табличные умножители могут быть выполнены в виде матрицы mi·(mi+1) логических вентилей [3, с.16-17]. Следовательно, время вычисления всех разрядов кода СОК текущей фазы Y(K) равно длительности задержки в двух логических вентилях, что значительно меньше, чем в адресном счетчике прототипа, который функционирует в позиционной системе счисления (ПСС). Это обусловлено тем, что, в отличие от СОК, в ПСС результат арифметической операции получается последовательно, начиная с младших разрядов.
Положим, что функциональная зависимость F(Y(K)) может быть представлена рядом Фурье с разложением по синусным составляющим:

где j – j-ый коэффициент ряда, а величина n определяется требуемой точностью аппроксимации заданной функциональной зависимости.
Фаза гармонического сигнала, равная по величине , может быть сформирована в N последовательно соединенных управляемых фазовращателях, в которых установлены сдвиги фазы на угол

Тогда, в соответствии с китайской теоремой об остатках (3), суммарный набег фазы гармонического сигнала на выходе последнего (N-го) управляемого фазовращателя будет равен:

Напряжение, прямо пропорциональное sin , может быть сформировано в фазовом детекторе, на первый вход которого поступает гармоническое колебание со сдвигом фазы на /2, а на второй вход – с выхода линейки управляемых фазовращателей.
Если на второй вход фазового детектора одновременно будут поступать n гармонических колебаний с амплитудами j и фазами , то на его выходе с окончанием переходных процессов установится напряжение, прямо пропорциональное (5), которое может быть запомнено в устройстве выборки и хранения с приходом тактирующего импульса с опорного генератора.
Формирование n гармонических сигналов может быть осуществлено в делителе и сумматоре мощности. При этом делитель из гармонического колебания формирует n гармонических сигналов с соответствующими амплитудами, а сумматор мощности формирует суммарный сигнал с выходов n линеек управляемых фазовращателей.
Полагая задержку в делителе и сумматоре мощности, а также в управляемых фазовращателях, равной периоду частоты генератора гармонического сигнала – T, а длительность переходного процесса в фазовом детекторе – 5T, есть основание считать, что суммарное время формирования дискретного отсчета будет равно:

где tk – время формирования в коде СОК текущего значения номера отсчета К; tУМН – время умножения двух чисел в СОК.
Так как номер отсчета К формируется в кольцевых регистрах сдвига, то [4, с.39, табл.2.1] tK 2÷2,5 нс. Как уже отмечалось, tУМН в (7) будет равно удвоенному времени задержки tЛЭ в логическом вентиле: tУМН.=2·tЛЭ=1 нс (tЛЭ 0,5 нс [4, с.39, табл.2.1]).
Таким образом, в предлагаемом устройстве время получения дискретного отсчета формируемого периодического сигнала будет равно
t =2нс+1нс+(N+2)·Т+5·Т.
Например, при N=6 и Т=10-11 с=0,01 нс, t 3,13 нс.
В прототипе время получения дискретного отсчета периодического сигнала произвольной формы будет складываться из времени (tAC) сложения двух чисел в позиционном коде в адресном счетчике, состоящем из регистра хранения текущей фазы и сумматора в позиционной системе счисления, времени (tПЗУ) выборки числа из постоянного запоминающего устройства и времени (tЦАП) преобразования числа в напряжение в ЦАП. По данным [4, с.45; с.56; с.51]: tЦАП 10÷20 нс; tПЗУ 20 нс; tАС 10 нс.
Отсюда, суммарное время формирования отсчета в прототипе: tПР 10+20+10 40 нс, что почти в 10 раз больше, чем в предлагаемом устройстве.
Таким образом, в предлагаемом устройстве по сравнению с прототипом диапазон частот синтезируемого сигнала может быть расширен до 10 раз.
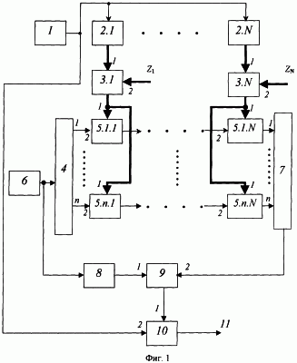
На фиг.1 представлена структурная схема устройства, где 1 – опорный генератор, 2.1-2.N-mi – разрядные кольцевые регистры сдвига, 3.1-3.N – табличные умножители по модулю, 4 – делитель мощности, 5.1.1-5.n.N – управляемые фазовращатели, 6 – генератор гармонического сигнала, 7 – сумматор мощности, 8 – фазовращатель на /2, 9 – фазовый детектор, 10 – устройство выборки и хранения, 11 – выход устройства.
Выход опорного генератора 1 соединен с тактовыми входами КРС 2.1-2.N и вторым входом устройства выборки и хранения 10, при этом выход КРС 2.i соединен с первым входом табличного умножителя по модулю 3.i, ко второму входу которого подключен код остатка по модулю mi, значения частоты формируемого сигнала, выход табличного умножителя по модулю 3.i соединен с первыми входами управляемых фазовращателей 5.j.i , причем выход генератора гармонического сигнала 6 подключен ко входу делителя мощности 4 и входу фазовращателя 8 на /2, при этом j-ый выход делителя мощности 4 соединен со вторым входом управляемого фазовращателя 5.j.l, выход управляемого фазовращателя 5.j.l подключен ко второму входу управляемого фазоврашателя 5.j.(l+1), а выход управляемого фазовращателя 5.j.N соединен с j-ым входом сумматора мощности 7, выход которого подключен ко второму входу фазового детектора 9, первый вход фазового детектора 9 соединен с выходом фазовращателя 8 на /2, а выход фазового детектора 9 подключен к первому входу устройства выборки и хранения 10, выход которого является выходом устройства 11.
Рассмотрим работу устройства.
В кольцевых регистрах сдвига 2.1-2.N после включения питающего напряжения в один из триггеров записывается лог.”1″, а в остальные – “0”. Совокупность нулей и единиц на выходах всех КРС представляет собой унитарный код СОК текущего значения номера дискретного отсчета K=(ki, k2,…, kN). В табличных умножителях по модулю 3.i осуществляется вычисление соответствующих разрядов кода СОК произведения Z·K=Y(K)=(y1(K),…, yN(K))=({z1·k1modm1,…, (zN·kN)modmN). В соответствии с полученными в табличных умножителях по модулю 3.i разрядами кода СОК уi(К), в управляемых фазовращателях 5.j.i устанавливаются сдвиги фазы на угол Гармонический сигнал с выхода генератора гармонического сигнала 6, частота которого fг во много раз больше частоты fог опорного генератора 1, в делителе мощности 4 делится на n гармонических сигналов с амплитудами j. После прохождения полученных гармонических сигналов через n линеек управляемых фазовращателей в сумматоре мощности 7 сформируется напряжение , которое поступает на второй вход фазового детектора 9. На первый вход фазового детектора 9 через фазовращатель 8 на /2 подается напряжение с выхода генератора гармонического сигнала 6: С окончанием переходных процессов на выходе фазового детектора 9 сформируется напряжение, прямо пропорциональное К-ому отсчету синтезируемого сигнала , которое с приходом тактирующего импульса с выхода опорного генератора 1 запоминается в устройстве выборки и хранения 10 и поступает на выход устройства 11. Этим же импульсом лог.”1″ продвигается по кольцу триггеров КРС 2.1-2.N на один такт и процесс формирования отсчетов синтезируемого сигнала повторяется аналогично изложенному.
Таким образом, на выходе заявляемого устройства получается поток импульсов, амплитуда которых определяется заданной функциональной зависимостью (5).
Работоспособность предлагаемого устройства проиллюстрируем на примере формирования периодического колебания типа “меандр”:

Пусть используются следующие основания СОК: m1=2; m2=3; m3=5; m4=7; m5=11. Диапазон представления чисел в этом случае равен М=2310, а константы в (3) соответственно равны 1=1; 2=2; 3=3; 4=1; 5=1. Коэффициенты разложения в ряд Фурье функции (8) вычисляются по формуле j=4-U/( ·j) при нечетных j, и равны 0 – при четных j [5, с.552, табл.4.8].
На фиг.2 приведена рассчитанная по формулам (4) и (5) с учетом (6) с помощью встроенных функций программы Mathcad 6.0 зависимость u(k)=F(Y(k)) для n=5, Z=1 и U=1.
Из фиг.2 видно, что используемая аппроксимация соответствует ожидаемому виду функции (8).
Источники информации
1. Белов Л.А. Синтезаторы частоты и сигналов. Учебное пособие. – М.: САЙНС – ПРЕСС, 2002 г.
2. Акушский И.Я., Юдицкий Д.И. Машинная арифметика в остаточных классах. – М.: Сов. радио, 1968.
3. Долгов А.И. Диагностика устройств, функционирующих в системе остаточных классов. – М.: Радио и связь, 1982.
4. Цифровые радиоприемные системы: Справочник /М.И.Жодзишский, Р.Б.Мазепа, Е.П.Овсянников и др./ Под ред. М.И.Жодзишского. – М.: Радио и связь, 1990.
5. Бронштейн И.Н., Семендяев К.А. Справочник по математике для инженеров и учащихся втузов. – М.: Наука, 1980.
Формула изобретения
Формирователь периодических сигналов произвольной формы в системе остаточных классов, содержащий опорный генератор, отличающийся тем, что в него введены N кольцевых регистров сдвига, N табличных умножителей по модулю, генератор гармонического сигнала, делитель мощности, n линеек управляемых фазовращателей, каждая из которых содержит по N фазовращателей, сумматор мощности, фазовращатель на /2, фазовый детектор и устройство выборки и хранения, выход которого является выходом устройства, причем i-й кольцевой регистр сдвига содержит mi разрядов (m1, m2,…mN – взаимно простые целые положительные числа), выход q-го разряда i-го кольцевого регистра сдвига соединен с q-м разрядом унитарного кода первого операнда i-го табличного умножителя по модулю, к соответствующим разрядам второго операнда которого подключен унитарный код остатка по модулю mi, значения частоты формируемого сигнала, выход i-го табличного умножителя по модулю подключен к первым входам i-х управляемых фазовращателей в каждой линейке фазовращателей, при этом выход генератора гармонического сигнала подключен ко входу фазовращателя на /2 и входу делителя мощности, j-й выход которого соединен со вторыми входами первых управляемых фазовращателей j-й линейки фазовращателей , причем в j-й линейке управляемых фазовращателей выход l-го управляемого фазовращателя соединен со вторым входом (l+1)-го управляемого фазовращателя , а выходы N-х управляемых фазовращателей в линейках фазовращателей подключены к соответствующим входам сумматора мощности, выход которого подключен ко второму входу фазового детектора, а первый вход фазового детектора соединен с выходом фазовращателя на /2, при этом выход фазового детектора подключен к первому входу устройства выборки и хранения, второй вход которого, а также тактовые входы кольцевых регистров сдвига соединены с выходом опорного генератора.
РИСУНКИ
MM4A – Досрочное прекращение действия патента СССР или патента Российской Федерации на изобретение из-за неуплаты в установленный срок пошлины за поддержание патента в силе
Дата прекращения действия патента: 15.07.2007
Извещение опубликовано: 27.02.2009 БИ: 06/2009
|
|