|
|
(21), (22) Заявка: 2004131174/09, 25.10.2004
(24) Дата начала отсчета срока действия патента:
25.10.2004
(45) Опубликовано: 10.03.2006
(56) Список документов, цитированных в отчете о поиске:
SU 688964 А, 30.09.1979. RU 20287190 C1, 09.02.1995. RU 2141714 C1, 20.11.1999. SU 1694038 A1, 27.08.1995. GB 1410141 A, 15.10.1975. US 3449652 А, 10.06.1969. FR 2225867 A, 08.11.1974. DE 2143864 А, 18.01.1973. ЕР 0127909 А, 12.12.1984.
Адрес для переписки:
350044, г.Краснодар, Калинина, 13, КГАУ, Патентно-информационный отдел
|
(72) Автор(ы):
Стрижков Игорь Григорьевич (RU), Трубин Александр Николаевич (RU), Коляда Сергей Львович (RU), Стрижков Сергей Игоревич (RU)
(73) Патентообладатель(и):
Федеральное государственное образовательное учреждение высшего профессионального образования Кубанский государственный аграрный университет (RU)
|
(54) СИНХРОННЫЙ ДВИГАТЕЛЬ
(57) Реферат:
Изобретение относится к области электротехники и может быть использовано в устройствах управления пуском синхронных двигателей специальной конструкции. Техническим результатом является повышение надежности синхронизации двигателя за счет снижения степени компаундирования. Синхронный электродвигатель содержит основную и дополнительную трехфазные статорные обмотки, первые выводы которых присоединены через выключатели к трехфазному источнику электроэнергии, вторые выводы основной обмотки соединены в общую точку, трехфазный неуправляемый выпрямитель, выводы переменного тока которого соединены с вторыми выводами дополнительной трехфазной статорной обмотки, а выводы постоянного тока через первый выключатель – с выводами обмотки возбуждения синхронного двигателя, зашунтированной цепью, составленной из последовательно соединенных второго выключателя и резистора, и имеет трехфазный дроссель, подключенный к входу выпрямителя через собственный выключатель. 1 ил. 
Изобретение относится к синхронным электродвигателям, а более конкретно к устройствам управления пуском синхронных двигателей.
Синхронные двигатели находят широкое применение для привода турбомеханизмов. В приводе насосов сельхозмелиорации и в других областях к ним предъявляется требование максимальной простоты конструкции и эксплуатации. Этим требованиям отвечает синхронный двигатель по авторскому свидетельству СССР №1694038, Н 02 К 19/12, 1995 г. К недостаткам этого двигателя следует отнести наличие двух выпрямительных устройств и трех трехфазных обмоток в пазах статора, сдвинутых в пространстве машины на определенный угол, что, как следствие, завышает массогабаритные показатели и усложняет конструкцию и эксплуатацию двигателя.
Наиболее близким по конструкции к заявляемому двигателю является двигатель по а.с. СССР №688964 «Синхронная электрическая машина», Н 02 К 19/12, 1979 г. Это устройство, принятое за прототип, содержит основную и дополнительную трехфазные статорное обмотки, вторые выводы первой из которых соединены в общую точку, трехфазный неуправляемый выпрямитель, выводы переменного тока которого соединены с вторыми выводами дополнительной трехфазной статорной обмотки, а выводы постоянного тока через первый ключ – с выводами обмотки возбуждения синхронного двигателя, зашунтированной цепью, составленной из последовательно соединенных второго ключа и резистора.
Как показал опыт практического применения указанного двигателя на объектах Краснодарского края, его существенным недостатком является ненадежное втягивание в синхронизм (синхронизация). Проведенные в Кубанском государственном аграрном университете теоретические и экспериментальные исследования показали, что основной причиной этого является сильно выраженное компаундирование двигателя в переходных режимах и, в частности, при синхронизации. Успешное втягивание двигателя в синхронизм гарантировано происходит при совпадении полярности магнитных осей поля трехфазной обмотки и поля возбуждения. Если в момент включения обмотки возбуждения полярность этих полей противоположна, то двигатель «опрокидывается», т.е. резко снижает скорость вплоть до остановки. При промежуточных состояниях магнитных осей поля трехфазной обмотки и обмотки возбуждения при включении обмоток на синхронизацию возникают качания ротора с вероятностью успешной синхронизации примерно 80%. Применение устройств точной синхронизации двигателя гарантирует успешность синхронизации, но значительно усложняет привод. Отметим, что в мировой практике доминирующее положение занимает так называемая грубая синхронизация синхронных двигателей, когда обмотка возбуждения подключается к устройству питания после достижения подсинхронной скорости в произвольный момент времени.
Технической задачей является повышение надежности синхронизации двигателя за счет снижения степени компаундирования двигателя.
Решение задачи достигается тем, синхронный электродвигатель, содержащий основную и дополнительную трехфазные статорные обмотки, первые выводы которых присоединены через выключатели к трехфазному источнику электроэнергии, вторые выводы основной обмотки соединены в общую точку, трехфазный неуправляемый выпрямитель, вывод переменного тока которого соединены с вторыми выводами дополнительной трехфазной статорной обмотки, а выводы постоянного тока через первый выключатель – с выводами обмотки возбуждения синхронного двигателя, зашунтированной цепью, составленной из последовательно соединенных второго выключателя и резистора, имеет трехфазный дроссель, подключенный к входу выпрямителя через собственный выключатель.
По данным патентной и научно-технической литературы не выявлена заявляемая совокупность признаков, что позволяет сделать вывод о соответствии заявляемого решения критериям «изобретательский уровень» и «новизна». Заявляемое решение может быть реализовано в электроприводе турбомеханизмов и других устройств, что отвечает критерию «промышленная применимость».
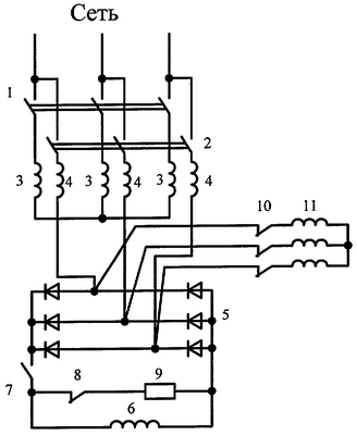
На чертеже представлена принципиальная схема соединения обмоток и устройств управления синхронного двигателя.
Через выключатели 1 и 2 статорные обмотки двигателя, выполненные как две ветви 3 и 4, присоединяются к трехфазному источнику электроэнергии. Обмотка 3 соединена звездой, а обмотка 4 включена как проходная последовательно с выпрямителем 5 и обмоткой возбуждения 6, расположенной на роторе. Выключатели 7, 8 и резистор 9 предназначены для управления обмоткой возбуждения 6 при пуске и синхронизации. На вход выпрямителя 5 через выключатель 10 подключен трехфазный дроссель 11. Двигатель имеет на роторе пусковую обмотку традиционной конструкции в виде беличьего колеса (на чертеже эта обмотка не показана). На чертеже в качестве примера представлены контактные выключатели, хотя выключатели могут быть и бесконтактными, выполняющими аналогичные функции. Отметим также, что в настоящем описании использован термин «выключатель» как синоним термина «ключ», использованного в описании прототипа, поскольку последний реже используется в технической литературе.
В установившемся режиме синхронный двигатель работает следующим образом. Выключатели 1, 2 и 7 находятся в закрытом (проводящем) состоянии, а выключатели 8 и 10 в открытом (не проводящем). Обмотки статора 3, 4 и возбуждения 6 обтекаются токами, причем ток возбуждения является выпрямленным током статорной обмотки 4. Токи обмоток 3 и 4 создают вращающееся магнитное поле, которое будучи сцепленным с магнитным полем обмотки возбуждения увлекает за собой ротор. При изменении механической нагрузки двигателя происходит изменение тока в статорных обмотках 3 и 4, и вследствие указанной зависимости токов обмоток 4 и 6 изменяется и ток возбуждения, реализуя тем самым свойство автоматического регулирования возбуждения (АРВ). При этом заданный закон АРВ обеспечивается параметрами всех трех обмоток 3, 4 и 6, которые оптимизируются по указанному критерию.
Пуск и синхронизации двигателя производятся следующим образом. Предварительно контакты выключателей приводятся в положение, указанное на чертеже, т.е. контакты выключателей 1, 2 и 7 в открытом состоянии, выключателей 8 и 10 – в закрытом. Обмотка возбуждения включена на разрядный резистор 9 и отключена от выпрямителя 5. Для прямого асинхронного пуска двигателя контакты выключателя 1 замыкаются, в результате чего по обмотке 3 протекает ток (пусковой), который создает в двигателе вращающееся магнитное поле. Вращающееся магнитное поле наводит ток в пусковой короткозамкнутой обмотке ротора, который заставляет ротор разгоняться в направлении вращения поля. Двигатель разгоняется как асинхронный и завершает разбег, достигнув подсинхронной скорости (скольжение s=2-5%). Далее, для совершения синхронизации двигателя замыкаются контакты выключателей 2 и 7, в обмотках статора 4 и возбуждения 6 протекают токи, причем часть тока обмотки 4 ответвляется в дроссель 11, другая часть после выпрямителя ответвляется в цепь резистора 9, а оставшаяся часть составляет ток обмотки возбуждения 6 и создает магнитный поток возбуждения, заставляющий ротор двигателя втягиваться в синхронизм, сцепляясь своими силовыми линиями с силовыми линиями вращающегося магнитного поля, создаваемого токами трехфазных обмоток 3 и 4. После синхронизации двигателя контакты выключателей 8 и 10 размыкаются и двигатель переходит в установившийся режим работы.
За счет включения дросселя 11 параллельно цепи «выпрямитель-обмотка возбуждения» уменьшается коэффициент компаундирования схемы, снижается амплитуда колебания тока возбуждения при качаниях ротора, вызванных «проскальзыванием» полюсов поля статора, и возбуждения при несовпадении полярности этих полей в момент включения контактов выключателей 2 и 7. За счет этого предотвращается эффект «опрокидывания» двигателя в ходе синхронизации и обеспечивается надежное втягивание двигателя в синхронизм. Решение подобной технической задачи за счет изменения параметров обмоток двигателя невозможно, поскольку эти параметры определяются исходя из необходимости обеспечения заданного закона АРВ и рассчитываются для синхронного режима работы двигателя. По этой причине параметры обмоток двигателя не могут обеспечить оптимальный коэффициент компаундирования в переходном процессе при синхронизации двигателя.
Формула изобретения
Синхронный электродвигатель, содержащий основную и дополнительную трехфазные статорные обмотки, первые выводы которых присоединены через выключатели к трехфазному источнику электроэнергии, вторые выводы основной обмотки соединены в общую точку, трехфазный неуправляемый выпрямитель, выводы переменного тока которого соединены с вторыми выводами дополнительной трехфазной статорной обмотки, а выводы постоянного тока через первый выключатель – с выводами обмотки возбуждения синхронного двигателя, зашунтированной цепью, составленной из последовательно соединенных второго выключателя и резистора, отличающийся тем, что имеет трехфазный дроссель, подключенный к входу выпрямителя через собственный выключатель.
РИСУНКИ
MM4A – Досрочное прекращение действия патента СССР или патента Российской Федерации на изобретение из-за неуплаты в установленный срок пошлины за поддержание патента в силе
Дата прекращения действия патента: 26.10.2006
Извещение опубликовано: 20.06.2008 БИ: 17/2008
|
|