|
|
(21), (22) Заявка: 2004131098/09, 25.10.2004
(24) Дата начала отсчета срока действия патента:
25.10.2004
(45) Опубликовано: 10.03.2006
(56) Список документов, цитированных в отчете о поиске:
RU 2028719 C1, 09.02.1995. RU 2141714 C1, 20.11.1999. SU 1694038 A1, 27.08.1995. GB 1410141 А, 15.10.1975. US 3449652 А, 10.06.1969. FR 2225867 A, 08.11.1974. DE 2143864 А, 18.01.1973. ЕР 0127909 А, 12.12.1984.
Адрес для переписки:
350044, г.Краснодар, Калинина, 13, КГАУ, Патентно-информационный отдел
|
(72) Автор(ы):
Стрижков Игорь Григорьевич (RU), Трубин Александр Николаевич (RU), Стрижков Сергей Игоревич (RU), Чеснюк Евгений Николаевич (RU)
(73) Патентообладатель(и):
Федеральное государственное образовательное учреждение высшего профессионального образования Кубанский государственный аграрный университет (RU)
|
(54) СИНХРОННЫЙ ДВИГАТЕЛЬ
(57) Реферат:
Изобретение относится к области электроники и может быть использовано в приводе турбомеханизмов и иных машин средней и большой единичной мощности, не требующих регулирования частоты вращения. Техническим результатом является снижение потерь мощности в блоке “трансформатор-двигатель”. Синхронный электродвигатель содержит основную и дополнительную трехфазные статорные обмотки, первые выводы которых присоединены трехфазному трансформатору, подключенному первичной обмоткой к источнику электроэнергии, причем дополнительная обмотка присоединена к трансформатору через выключатель, вторые выводы основной обмотки статора соединены в общую точку, трехфазный неуправляемый выпрямитель, выводы переменного тока которого соединены с вторыми выводами дополнительной трехфазной статорной обмотки, а выводы постоянного тока – с выводами обмотки возбуждения синхронного двигателя. Трехфазный трансформатор имеет вторичную обмотку с ответвлениями, к которым подключены статорные обмотки электродвигателя. 2 ил. 
Изобретение относится к синхронным машинам, а более конкретно к синхронным двигателям и силовым блокам “трансформатор-двигатель”, и предназначено для использования в приводе турбомеханизмов и иных машин средней и большой единичной мощности, не требующих регулирования частоты вращения.
Синхронные электродвигатели находят широкое применение для привода турбомеханизмов и иных машин большой единичной мощности. В приводе насосов сельхозмелиорации и в других областях к ним предъявляется требование максимальной простоты конструкции и эксплуатации. Этим требованиям отвечает синхронный двигатель по авторскому свидетельству СССР №1694038, Н 02 К 19/12, 1995 г.
К недостаткам этого двигателя следует отнести наличие 2-х выпрямительных устройств и трех трехфазных обмоток в пазах статора, сдвинутых в пространстве машины на определенный угол, что, как следствие, завышает массогабаритные показатели и усложняет конструкцию и эксплуатацию двигателя.
Как показали исследования и опыт практического применения указанного двигателя на объектах Краснодарского края, ему присущи недостатки. Во-первых, существенным недостатком является относительно низкий КПД устройства, что вызвано высокими потерями во вторичных обмотках трансформатора. Объяснить это можно на примере режима холостого хода двигателя. В этом режиме по обмоткам статора протекают токи большей величины, чем суммарный ток этих обмоток. Такое положение вещей складывается потому, что ток I2 обмотки статора, включенной последовательно с выпрямителем и обмоткой возбуждения, имеет характер потребляемого тока (см. фиг.1), в то время как ток I1 другой обмотки статора, соединенной звездой, имеет характер тока генератора (обмотка работает в режиме генератора), а геометрическая сумма токов I0 имеет модуль, меньший модуля каждого из этих токов. Большие токи обмоток статора обтекают соответствующие вторичные обмотки трансформатора, вызывая в них электрические потери, пропорциональные квадрату тока.
Во-вторых, недостатком является перегрев одной из вторичных обмоток трансформатора при пуске двигателя. Происходит это потому, что пусковой ток двигателя, как правило, 5-7-кратный к номинальному, протекает только по одной из вторичных обмоток трансформатора, сечение которой относительно невелико. Увеличение сечения проводника этой обмотки способствовало бы снижению его нагрева от пускового тока. Однако обмотки трансформатора двигателя-прототипа проектируются по значению токов отдельных обмоток статора.
Технической задачей является снижение потерь мощности в блоке “трансформатор-двигатель”.
Решение задачи достигается тем, что синхронный электродвигатель, содержащий основную и дополнительную трехфазные статорные обмотки, первые выводы которых присоединены к трехфазному трансформатору, подключенному первичной обмоткой к источнику электроэнергии, причем дополнительная обмотка подключена к трансформатору через выключатель, вторые выводы основной обмотки статора соединены в общую точку, трехфазный неуправляемый выпрямитель, вывод переменного тока которого соединен с вторыми выводами дополнительной трехфазной статорной обмотки, а выводы постоянного тока – с выводами обмотки возбуждения синхронного двигателя, при этом трехфазный трансформатор имеет вторичную обмотку с ответвлениями, к которым подключены статорные обмотки электродвигателя.
По данным патентной и научно-технической литературы не выявлена заявляемая совокупность признаков, что позволяет сделать вывод о соответствии заявляемого решения критериям “изобретательский уровень” и “новизна”. Заявляемое решение может быть реализовано в электроприводе турбомеханизмов и других устройств, что отвечает критерию “промышленная применимость”.
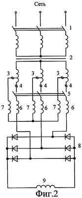
На фиг.1 представлена векторная диаграмма токов синхронного двигателя; на фиг.2 – принципиальная схема соединения обмоток синхронного двигателя.
Устройство двигателя поясняет фиг.2.
Через выключатель 1 трансформатор 2 присоединяется к трехфазному источнику электроэнергии. Вторичная обмотка трансформатора имеет выводы ответвлений 3 и 4, к которым присоединены статорные обмотки двигателя 6 и 7, причем обмотка 6 присоединена через выключатель 5. Выходные концы обмотки 6 подключены на вход трехфазного выпрямителя 8 двухполупериодного выпрямления (выпрямительный мост), к выходу которого подключена обмотка возбуждения двигателя 9.
Двигатель в установившемся режиме работает следующим образом. Контакты выключателей 1 и 5 замкнуты. Трансформатор подключен к источнику электроэнергии и обеспечивает на обмотках 6 и 7 синхронного двигателя напряжение, причем на обмотке 6 напряжение выше, чем на обмотке 7, благодаря их подключению к разным ответвлениям вторичной обмотки трансформатора 2. Благодаря разному напряжению на вводе обмоток на входе выпрямителя 8 имеется напряжение, обеспечивающее ток в обмотке возбуждения 9. При этом ток возбуждения является выпрямленным током обмотки 6. Токи статорных обмоток 6 и 7 создают в двигателе вращающееся магнитное поле, которое сцепляется с магнитным полем обмотки возбуждения, обеспечивая ротору вращение с синхронной скоростью (т.е. скоростью вращения поля). При этом на участке вторичной обмотки трансформатора от выводов 3 до общей точки обмотки (нейтрали) протекает ток, равный геометрической сумме токов обмоток 6 и 7, как правило, меньший алгебраической суммы этих токов, благодаря чему электрические потери в обмотке снижаются по сравнению с прототипом.
Пуск и управление двигателем происходят следующим образом. В исходном состоянии контакты выключателей 1 и 5 разомкнуты, и напряжение на обмотках трансформатора и двигателя отсутствует. Для асинхронного пуска двигателя включается выключатель 1, и на статорную обмотку 7 двигателя подается напряжение. Соединенная звездой, она обтекается пусковым током двигателя, который создает вращающееся магнитное поле, обеспечивая асинхронный разбег двигателя. Статорная обмотка 6 при этом не обтекается током. Благодаря тому что сечение вторичной обмотки трансформатора рассчитывается на электрическую мощность обеих статорных обмоток, она имеет большее сечение и меньший нагрев, чем у обмотки трансформатора прототипа, рассчитанной только на ток одной статорной обмотки.
При достижении подсинхронной скорости (скольжение 2-5%), включается выключатель 5, обмотки 6 и возбуждения 9 обтекаются током, и двигатель втягивается в синхронизм. На этом пуск двигателя завершается, и он переходит в синхронный режим работы.
Формула изобретения
Синхронный электродвигатель, содержащий основную и дополнительную трехфазные статорные обмотки, первые выводы которых присоединены трехфазному трансформатору, подключенному первичной обмоткой к источнику электроэнергии, причем дополнительная обмотка присоединена к трансформатору через выключатель, вторые выводы основной обмотки статора соединены в общую точку, трехфазный неуправляемый выпрямитель, выводы переменного тока которого соединены с вторыми выводами дополнительной трехфазной статорной обмотки, а выводы постоянного тока – с выводами обмотки возбуждения синхронного двигателя, отличающийся тем, что трехфазный трансформатор имеет вторичную обмотку с ответвлениями, к которым подключены статорные обмотки электродвигателя.
РИСУНКИ
MM4A – Досрочное прекращение действия патента СССР или патента Российской Федерации на изобретение из-за неуплаты в установленный срок пошлины за поддержание патента в силе
Дата прекращения действия патента: 26.10.2006
Извещение опубликовано: 20.06.2008 БИ: 17/2008
|
|