|
|
(21), (22) Заявка: 2003134849/09, 01.12.2003
(24) Дата начала отсчета срока действия патента:
01.12.2003
(43) Дата публикации заявки: 27.05.2005
(45) Опубликовано: 10.03.2006
(56) Список документов, цитированных в отчете о поиске:
JP 8-140354 A1, 31.05.1996. SU 1330690 A1, 15.08.1987. SU 678474, 08.08.1979. SU 440657, 05.03.1975. WO 86/04464 A1, 31.07.1986.
Адрес для переписки:
620075, г.Екатеринбург, ул. Малышева, 84, кв.230, Б.А. Солдатову
|
(72) Автор(ы):
Шалимов Леонид Николаевич (RU), Манько Николай Григорьевич (RU), Солдатов Борис Алексеевич (RU), Солдатов Герман Борисович (RU), Солдатов Николай Борисович (RU)
(73) Патентообладатель(и):
Шалимов Леонид Николаевич (RU), Манько Николай Григорьевич (RU), Солдатов Борис Алексеевич (RU), Солдатов Герман Борисович (RU), Солдатов Николай Борисович (RU)
|
(54) ИСТОЧНИК ВТОРИЧНОГО ЭЛЕКТРОПИТАНИЯ
(57) Реферат:
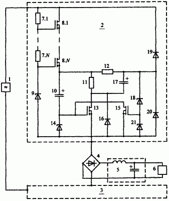
Изобретение относится к электротехнике, к преобразователям переменного напряжения в постоянное для обеспечения защиты нагрузки от перенапряжений, возникающих в источнике переменного напряжения. Технический результат заключается в увеличении быстродействия защиты. Источник содержит диодный выпрямительный мост (ДВМ) (4), к выходам которого подключены сглаживающий LC фильтр (5) и нагрузка (6). Первый вход ДВМ (5) соединен с выходом первого регулирующего блока (РБ) (2), входом подключенного к одному из полюсов источника переменного напряжения (ИПН) (1). Введен второй РБ (3), вход которого соединен с другим полюсом ИПН (1), а выход – со вторым входом ДВМ (4). Первый и второй РБ (2,3) содержат группу из N последовательно соединенных транзисторных ключей (8.1-8.N), управляющие резисторы (Р) (7.1-7.N), стабилитроны (9, 14, 18, 21), конденсаторы (10, 17), Р (11, 12), включающий (13) и выключающий (15) МДП транзисторы, диоды (19, 20). 1 з.п.ф-лы, 1 ил. 
Изобретение относится к электротехнике, а именно к преобразователям переменного напряжения в постоянное, в которых обеспечивается защита постоянного напряжения от перенапряжений, возникающих в сети переменного напряжения.
Известны источники вторичного электропитания, обеспечивающие защиту выходного напряжения от перенапряжений, возникающих со стороны переменного напряжения при помощи нелинейных элементов типа варисторов или стабилитронов (Энергетическая электроника: Справочное пособие: Пер. с нем./ Под ред. В.А.Лабунцова, – М.: Энергоатомиздат, 1987.- С.227, рис.4.20). Недостатком этого устройства является невысокая степень защищенности из-за значительных величин дифференциального сопротивления нелинейных элементов.
Лучшими параметрами защиты обладают источники вторичного электропитания, у которых при возникновении перенапряжений защитный транзистор переходит в линейный режим работы (А.с. СССР №1330690. Устройство для защиты потребителя от перенапряжений / Б.С.Сергеев, В.И.Головин, Ю.Г.Кутыев. Публ. 15.08.87. БИ №30). Недостатком этого устройства является то, что он может быть применим только в сетях постоянного напряжения и, кроме того, работа защитного транзистора в линейном режиме вызывает значительные потери мощности, что вызывает необходимость использования специальных теплоотводящих устройств.
Наиболее близким по технической сущности к предлагаемому техническому решению является источник вторичного электропитания, у которого отключение сети переменного напряжения происходит при помощи элемента – тиристора, работающего в импульсном режиме (Борисов В.П., Иванчук Б.Н., Колосков И.И. Стабилизаторы напряжения с переключаемыми регулирующими элементами. – М.: Энергоатомиздат, 1985. – С.14, рис.6).
Недостатками этого устройства является инерционность защиты, так как выключение тиристора происходит только по прошествии полупериода частоты переменного напряжения, и невысокая энергетическая эффективность, обусловленная значительным энергопотреблением схемы управления тиристорами.
Целью изобретения является улучшение эффективности работы источника вторичного электропитания за счет улучшения быстродействия защиты от перенапряжений и повышения энергетической эффективности.
Указанная цель достигается тем, что в источник вторичного электропитания введен второй регулирующий блок.
Сущность изобретения заключается в том, что второй вход диодного выпрямительного моста подключен к выходу введенного второго регулирующего блока, вход которого соединен с другим полюсом источника переменного напряжения, причем первый и второй регулирующие блоки содержат группу из N последовательно включенных транзисторных ключей, в каждом из которых сток МДП транзистора является силовым входом транзисторного ключа, а исток – силовым выходом, причем затвор МДП транзистора, являющийся управляющим выходом транзисторного ключа, через управляющий резистор подключен к управляющему входу транзисторного ключа, причем управляющий и силовой входы первого транзисторного ключа соединены со входом регулирующего блока, а силовые выходы каждого из i-ых транзисторных ключей подключены к силовым входам каждого из последующих (i+1)-ых транзисторных ключей, где управляющие выходы i-ых ключей соединены с управляющими входами (i+1)-ых транзисторных ключей, а выход регулирующего блока через первый стабилитрон подключен к управляющему выходу N-го транзисторного ключа, силовой выход которого соединен с первыми выводами первого и второго резисторов и первым выводом первого конденсатора, второй вывод которого подключен к затвору включающего и стоку выключающего МДП транзисторов и через второй стабилитрон – к выходу регулирующего блока, соединенного с истоками включающего и выключающего МДП транзисторов с анодом первого диода, катод которого подключен к стоку включающего транзистора, второму выводу первого резистора и к первому выводу второго конденсатора, вторым выводом соединенного со вторым выводом второго резистора, с точкой соединения анода и катода второго и третьего диодов, которая через третий стабилитрон подключена к затвору выключающего транзистора, причем выход регулирующего блока соединен анодом третьего диода и через четвертый стабилитрон – с затвором выключающего транзистора, а катод второго диода подключен ко входу регулирующего блока.
На чертеже приведена схема источника вторичного электропитания. Устройство содержит источник переменного напряжения 1, первый полюс которого соединен со входом первого регулирующего блока 2, а второй – со входом второго регулирующего блока 3. Выход первого регулирующего блока 1 подключен к одному из входов диодного выпрямительного моста 4, вторым входом соединенного с выходом второго регулирующего блока 3. Выходы моста 4 подключены к сглаживающему LC фильтру 5 и нагрузке 6. В регулирующих блоках 2 и 3 управляющий резистор 7.1 первым выводом соединен со входом блока 2 (или 3) и со стоком МДП транзистора 8.1. Второй вывод резистора 7.1 подключен к затвору транзистора 8.1 и к первому выводу последующего управляющего резистора 7.2 (на схеме условно не показанного), образуя при этом последовательное соединение соответствующих управляющих резисторов 7.1,…7.i,…7.N, вторые выводы которых подключены к затворам соответствующих МДП транзисторов 7.1,… 7.i,…7.N. Исток МДП транзистора 8.1 соединен со стоком транзистора 8.2 (на схеме условно не показанного), образуя далее при этом последовательное соединение МДП транзисторов 8.1,…8.i,…8.N. Затвор транзистора 8.N подключен к катоду первого стабилитрона 9, а исток соединен с первым выводом первого конденсатора 10 и первыми выводами первого 11 и второго 12 резисторов. Второй вывод первого конденсатора 10 подключен к затвору включающего транзистора 13, к катоду второго стабилитрона 14 и к стоку выключающего МДП транзистора 15. Второй вывод первого резистора 11 соединен со стоком включающего транзистора 13, с катодом первого диода 16 и с первым выводом второго конденсатора 17, второй вывод которого подключен ко второму выводу второго резистора 12, к катоду третьего стабилитрона 18, к аноду второго диода 19 и к катоду третьего диода 20. Затвор выключающего МДП транзистора 15 соединен с анодом третьего стабилитрона 18 и с катодом четвертого стабилитрона 21. Выход регулирующего блока 2 (или 3) подключен к аноду первого стабилитрона 14, к истокам выключающего 13 и выключающего 15 МДП транзисторов и к анодам первого 16 и третьего 20 диодов, а также к аноду четвертого стабилитрона 21. Катод второго диода 19 соединен со стоком МДП транзистора 8.1. Регулирующий блок 3 содержит те же элементы, что и блок 2 с аналогичными соединениями между ними.
Источник вторичного электропитания работает следующим образом.
В установившемся режиме работы, когда отсутствуют перенапряжения в источнике переменного напряжения 1, устройство работает таким образом, что в течение положительного полупериода напряжения источника 1 МДП транзисторы 8.1,…8.N регулирующего блока 2 открыты, а МДП транзисторы 8.1,…8.N заперты. На этом интервале времени пропускание тока через регулирующий блок 3 обеспечивается через второй 19 и третий 20 диоды блока 3. Если полярность переменного напряжения источника 1 изменяется на противоположную, то включаются МДП транзисторы 8.1,…8.N регулирующего блока 3 и открываются диоды 19 и 20 блока 2. Вследствие этого переменное напряжение выпрямляется диодным мостом 4, сглаживается LC фильтром 5 и поступает в нагрузку 6. Открытое состояние транзисторов 8.1,…8.N на этапе времени включения регулирующих блоков 2 или 3 обеспечивается тем, что на их затворы через резисторы 7.1,…7.N поступает напряжение от входа блоков 2 или 3. При этом включающий транзистор 13 открывается за счет протекания тока через первый конденсатор 10 и второй стабилитрон 14. Если транзисторы 8.1,…8.N заперты, то ограничение напряжения сток-исток закрытого включающего транзистора 13 осуществляется первым стабилитроном 9.
При появлении импульса перенапряжения на полюсах источника 1 увеличивается ток через первый резистор 11, что приводит к увеличению на нем падения напряжения. Когда оно достигнет суммарного напряжения срабатывания третьего стабилитрона 18 и порогового напряжения выключающего транзистора 15, то через второй резистор 12 и стабилитроны 18 и 4 пойдет ток. Когда напряжение на входе транзистора 15 достигнет порогового, то он включится и зашунтирует вход включающего транзистора 13, вследствие чего он закроется. Этим прекратится ток через соответствующий регулирующий блок 2 или 3, чем предотвращается проникновение перенапряжения в нагрузку 6. Второй конденсатор 17 служит для ускорения процессов включения транзистора 15 и в соответствии с этим для ускорения выключения транзистора 13.
Когда тот или иной регулирующий блок находится в состоянии проводимости тока через диоды 19 и 20, то конденсаторы 10 и 17 разряжаются, чем схема приводится в исходное состояние. При этом второй конденсатор 17 разряжается на проводящий диод 20 через первый диод 16, а первый конденсатор 10 – через второй стабилитрон 14.
Следовательно, в устройстве рассматриваемого источника вторичного электропитания исключается повышение напряжения на нагрузке при появлении как импульсных, так и длительных перенапряжений в источнике переменного напряжения 1.
Для отключения источника переменного напряжения 1 применяется транзисторная схема, поэтому инерционность срабатывания защиты в предлагаемом устройстве минимальна. В предлагаемом устройстве отсутствует специальная схема управления, поэтому внутреннее потребление мощности в источнике вторичного электропитания мало. Таким образом, здесь уменьшается инерционность срабатывания защиты и снижается энергопотребление.
Формула изобретения
1. Источник вторичного электропитания, содержащий диодный выпрямительный мост, к выходам которого подключены сглаживающий LC-фильтр и нагрузка, а первый вход диодного выпрямительного моста соединен с выходом первого регулирующего блока, входом подключенного к одному из полюсов источника переменного напряжения, отличающийся тем, что второй вход диодного выпрямительного моста подключен к выходу введенного второго регулирующего блока, вход которого соединен с другим полюсом источника переменного напряжения.
2. Источник вторичного электропитания по п.1, отличающийся тем, что первый и второй регулирующие блоки содержат группу из N последовательно включенных транзисторных ключей, в каждом из которых сток МДП-транзистора является силовым входом транзисторного ключа, а исток – силовым выходом, причем затвор МДП-транзистора, являющийся управляющим выходом транзисторного ключа, через управляющий резистор подключен к управляющему входу транзисторного ключа, причем управляющий и силовой входы первого транзисторного ключа соединены со входом регулирующего блока, а силовые выходы каждого из i-х транзисторных ключей подключены к силовым входам каждого из последующих (i+1)-х транзисторных ключей, где управляющие выходы i-х ключей соединены с управляющими входами (i+1)-х транзисторных ключей, а выход регулирующего блока через первый стабилитрон подключен к управляющему выходу N-го транзисторного ключа, силовой выход которого соединен с первыми выводами первого и второго резисторов и первым выводом первого конденсатора, второй вывод которого подключен к затвору включающего и стоку выключающего МДП-транзисторов и через второй стабилитрон – к выходу регулирующего блока, соединенного с истоками включающего и выключающего МДП-транзисторов, с анодом первого диода, катод которого подключен к стоку включающего транзистора, второму выводу первого резистора и к первому выводу второго конденсатора, вторым выводом соединенного со вторым выводом второго резистора, с точкой соединения анода и катода второго и третьего диодов, которая через третий стабилитрон подключена к затвору выключающего транзистора, причем выход регулирующего блока соединен с анодом третьего диода и через четвертый стабилитрон – с затвором выключающего транзистора, а катод второго диода подключен ко входу регулирующего блока.
РИСУНКИ
MM4A – Досрочное прекращение действия патента СССР или патента Российской Федерации на изобретение из-за неуплаты в установленный срок пошлины за поддержание патента в силе
Дата прекращения действия патента: 02.12.2006
Извещение опубликовано: 20.06.2008 БИ: 17/2008
|
|