|
|
(21), (22) Заявка: 2004107723/09, 15.03.2004
(24) Дата начала отсчета срока действия патента:
15.03.2004
(43) Дата публикации заявки: 10.10.2005
(45) Опубликовано: 10.03.2006
(56) Список документов, цитированных в отчете о поиске:
ЕР 0517929 А1, 01.05.1991. RU 2067337 C1, 27.09.1996. US 5013959 А, 07.05.1991. US 6018218 А, 25.01.2000. JP 60143554, 29.07.1985.
Адрес для переписки:
634055, г.Томск, пр. Академический, 4, Институт сильноточной электроники СО РАН
|
(72) Автор(ы):
Соснин Эдуард Анатольевич (RU), Ерофеев Михаил Владимирович (RU), Тарасенко Виктор Федотович (RU), Скакун Виктор Семенович (RU), Шитц Дмитрий Владимирович (RU), Ломаев Михаил Иванович (RU), ТИБАУТ Мерси (FR), ЛАУРЕНТ Меилхак (FR)
(73) Патентообладатель(и):
Институт сильноточной электроники СО РАН (RU)
|
(54) ИСТОЧНИК ИЗЛУЧЕНИЯ
(57) Реферат:
Изобретение относится к газоразрядным источникам излучения, в частности к лампам барьерного разряда, излучающим на переходах эксимерных и эксиплексных молекул, и может быть использовано в различных областях науки и техники, например в фотохимии и в медицине. Источник содержит разрядную колбу с газовой средой, образованную двумя коаксиальными цилиндрическими трубками из прозрачного на рабочей длине волны материала, источник питания с электродами, высоковольтный электрод которого расположен во внутренней трубке колбы, а заземленный электрод – на поверхности внешней трубки и состоит из перфорированного сегмента и сплошного отражающего. При этом высоковольтный электрод выполнен так, что часть поверхности, расположенная напротив перфорированного сегмента электрода, прилегает к внутренней стенке колбы, образуя при этом газоразрядный и буферный объем колбы. Источник излучения может дополнительно содержать корпус, обеспечивающий охлаждение потоком воздуха. Источник питания может быть размещен как в корпусе, так и снаружи. Технический результат – увеличение ресурса, плотности мощности и упрощение охлаждения источника излучения. 14 з.п. ф-лы, 4 ил. 
Изобретение относится к газоразрядным источникам излучения, в частности к лампам барьерного разряда, излучающим на переходах эксимерных и эксиплексных молекул, и может быть использовано в различных областях науки и техники, например в фотохимии и в медицине.
Известные лампы барьерного разряда предназначены для облучения поверхностей в несколько десятков квадратных сантиметров и выше, а разряд в них состоит из большого количества филаментов (микроразрядов, имеющих вид двух тонких подошв, прилегающих к поверхности барьеров, и интенсивной тонкой перемычки между ними). Ресурс работы таких устройств может варьироваться, что зависит как от давления рабочей смеси, так и от их конструктивного исполнения.
Известен источник излучения большой мощности, содержащий две коаксиально установленные, цилиндрические трубки из диэлектрика, пространство между трубками заполнено газовой средой, металлические электроды, один из которых – высоковольтный – сплошной и расположен во внутренней трубке, а второй выполнен в виде отражающего экрана и размещен на внешней поверхности. К электродам подключен импульсный источник питания [1]. Недостатком источника является то, что с увеличением пути излучения от излучающего объема к экспонируемой зоне уменьшается интенсивность излучения в облучаемой зоне.
Наиболее близким по технической сущности к заявляемому источнику излучения является источник излучения [2], выбранный в качестве прототипа. Источник излучения содержит две коаксиально установленные, цилиндрические трубки из диэлектрика, пространство между трубками заполнено газовой средой, металлические электроды, один из которых – высоковольтный – сплошной и расположен во внутренней трубке, а второй – перфорирован и размещен на внешней поверхности внешней трубки, источник питания [2]. Кроме того, на внешней поверхности внешней трубки расположен экран-отражатель. Экран-отражатель может располагаться отдельно от лампы, тогда он имеет специальную форму, обеспечивающую лучшее отражение излучения. В этом случае перфорированный электрод покрывает всю внешнюю поверхность внешней трубки. Источник находится в ванне с хладагентом, прозрачным для генерируемого излучения. Этим обеспечивается форсированное охлаждение источника излучения, что позволяет повысить ресурс работы газовой смеси и увеличить плотность мощности излучения. Однако система сбора излучения отражателями к экспонируемой зоне является сложной, кроме того, системе требуется водяное охлаждение.
Таким образом, среди существующих коаксиальных источников излучения на основе барьерного разряда сложно собрать излучение от филаментов и с минимальными потерями передать его на облучаемую поверхность перед лампой за счет удаленности филаментов от зоны облучения и, одновременно, обеспечивать высокий ресурс работы источника и высокую плотность мощности облучения, не прибегая к форсированному охлаждению хладагентом.
Задачей настоящего изобретения является увеличение ресурса, плотности мощности и упрощение охлаждения источника излучения на основе барьерного разряда, повышение безопасности работы.
Технический эффект достигается тем, что в источнике излучения с возбуждением барьерным разрядом, содержащим разрядную колбу с газовой средой, образованную двумя коаксиальными цилиндрическими трубками из прозрачного на рабочей длине волны материала, источник питания с электродами, высоковольтный электрод которого расположен во внутренней трубке колбы, а заземленный электрод – на поверхности внешней трубки и состоит из перфорированного сегмента и сплошного отражающего, согласно изобретению высоковольтный электрод выполнен так, что та часть поверхности, расположенная напротив перфорированного сегмента заземленного электрода, прилегает к внутренней стенке колбы. Таким образом, излучение создается в области, максимально приближенной к облучаемой зоне, а не направленное на облучаемою зону излучение собирается отражающим сегментом. Это ведет к увеличению плотности мощности источника излучения. За счет вышеуказанного выполнения высоковольтного электрода половина объема колбы служит буферным объемом для охлаждения рабочего газа, что увеличивает срок службы источника.
Для охлаждения колбы может быть достаточно естественного воздушного охлаждения, или напротив ее торца может быть установлено устройство нагнетания воздуха.
Кроме того, высоковольтный электрод может по крайней мере на 0.5 см выступать за внешний перфорированный сегмент заземленного электрода. Это делает распределение интенсивности излучения за перфорированным электродом более равномерным.
Кроме того, для обеспечения интенсивного охлаждения источника излучения источник размещают в корпус и обдувают потоком воздуха. Источник питания размещен в одном корпусе с колбой. Это обеспечивает лучшее охлаждение и колбы и источника питания, чем в случае без корпуса. Источник питания может быть вынесен из корпуса.
Кроме того, для увеличения направленности излучения источник может дополнительно содержать отражающие поверхности между выходным окном корпуса и сплошным отражающим сегментом заземленного электрода.
Для увеличения направленности излучения сплошной отражающий сегмент заземленного электрода продлен до выходного окна корпуса.
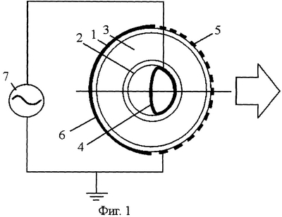
На фиг.1-4 изображены поперечные сечения источника излучения.
Колба источника образована двумя диэлектрическими коаксиальными трубками 1 и 2, при этом внешняя трубка 1 выполнена из материала, прозрачного на рабочей длине волны. Колба заполнена рабочей средой 3. Во внутренней трубке 2 расположен высоковольтный электрод 4, а второй 5 – перфорированный – размещен на внешней поверхности и соединен с экраном-отражателем 6. К электродам подключен источник питания 7 (фиг.1). Высоковольтный электрод 4 длиннее на 0.5 см перфорированного электрода 5. Это делает распределение интенсивности излучения более равномерным в плоскости окна. Для усиленного воздушного охлаждения источник излучения может быть помещен в корпус 8, а источник питания 7 может быть размещен как снаружи (фиг.2), так и внутри корпуса 8 (фиг.3, 4). В последнем случае для улучшения вывода излучения к корпусу крепятся полоски из отражающего материала 9 или используется сплошной отражатель 10.
Устройство работает следующим образом.
При включении источника питания 7 на электроды 1, 2 подается импульс напряжения. Происходит зарядка внутренних областей стенок колбы, расположенных под электродами, и происходит пробой между этими областями. Затем в рабочей среде 3 зажигаются филаменты. Филаменты непрерывно перемещаются, происходит конвективное перемешивание смеси и ее охлаждение в области под отражателем. Движение филаментов происходит за счет их нагрева в процессе возбуждения. Так как возбуждающая область занимает только часть колбы, то нагреваемый газ все время заменяется уже остывшим, это приводит к постоянному движению газа в колбе и его охлаждению в областях, которые не возбуждаются, что, соответственно, повышает КПД источника излучения. Отражатель 6 обеспечивает дополнительный сбор излучения. Область, занимаемая филаментами, расположена под перфорированным электродом 5 и сравнительно невелика по сравнению с общим объемом полости. Это и проток воздуха, охлаждающего стенки колбы, позволяют уменьшить скорость деградации газовой среды, увеличить плотность мощности излучения и эффективность источника. Металлический отражатель 6 и внешний электрод 5 экранируют помехи, создаваемые импульсным напряжением от источника питания 7.
Источник излучения обеспечивает безопасность работы, помехозащищенность, высокие уровни плотности мощности излучения, обеспечивает высокий срок службы газовой среды излучения.
Экспериментальные исследования заявляемого источника излучения показали, что в сравнении с устройством аналогичного назначения (прототип) [2] источник обеспечивает высокий ресурс работы более простым способом, одновременно обеспечивая высокие уровни мощности излучения и безопасность работы. Предложенный источник представлял собой колбу с диаметрами внешней и внутренней трубок 43 и 20 мм соответственно. Площадь выходного окна 20 см2, длина 5 см. Колба была заполнена смесью газов Хе и Cl2 в соотношении 250/1 при общем давлении 114 мм рт.ст. На электроды от источника питания подавалось импульсное напряжение с частотой 57 кГц, что обеспечивало плотность мощности ультрафиолетового излучения на выходном окне до 100 мВт/см2.
Следует отметить и то, что получение мощности излучения на уровне 100 мВт/см2 в известных устройствах [1, 2] в смесях, содержащих молекулярный газ Cl2, возможно только при наличии водяного охлаждения, а в заявляемом источнике этого удается добиться, применяя более простое воздушное охлаждение.
Используемая литература
Формула изобретения
1. Источник излучения с возбуждением барьерным разрядом, содержащий разрядную колбу с газовой средой, образованную двумя коаксиальными цилиндрическими трубками из прозрачного на рабочей длине волны материала, источник питания с электродами, высоковольтный электрод которого расположен во внутренней трубке колбы, а заземленный электрод – на поверхности внешней трубки и состоит из перфорированного сегмента и сплошного отражающего, отличающийся тем, что высоковольтный электрод выполнен так, что часть его поверхности прилегает к внутренней стенке напротив перфорированного сегмента электрода.
2. Источник излучения по п.1, отличающийся тем, что высоковольтный электрод, по крайней мере, на 0,5 см выступает за внешний перфорированный сегмент заземленного электрода по длине.
3. Источник излучения по п.1, отличающийся тем, что дополнительно содержит корпус, обеспечивающий охлаждение потоком воздуха.
4. Источник излучения по п.2, отличающийся тем, что дополнительно содержит корпус, обеспечивающий охлаждение потоком воздуха.
5. Источник излучения по п.1, отличающийся тем, что источник питания размещен снаружи корпуса.
6. Источник излучения по п.2, отличающийся тем, что источник питания размещен снаружи корпуса.
7. Источник излучения по п.3, отличающийся тем, что источник питания размещен снаружи корпуса.
8. Источник излучения по п.1, отличающийся тем, что для увеличения направленности излучения дополнительно содержит отражающие поверхности между выходным окном корпуса и сплошным отражающим сегментом заземленного электрода.
9. Источник излучения по п.2, отличающийся тем, что для увеличения направленности излучения дополнительно содержит отражающие поверхности между выходным окном корпуса и сплошным отражающим сегментом заземленного электрода.
10. Источник излучения по п.3, отличающийся тем, что для увеличения направленности излучения дополнительно содержит отражающие поверхности между выходным окном корпуса и сплошным отражающим сегментом заземленного электрода.
11. Источник излучения по п.4, отличающийся тем, что для увеличения направленности излучения дополнительно содержит отражающие поверхности между выходным окном корпуса и сплошным отражающим сегментом заземленного электрода.
12. Источник излучения по п.1, отличающийся тем, что для увеличения направленности излучения сплошной отражающий сегмент заземленного электрода продлен до выходного окна корпуса.
13. Источник излучения по п.2, отличающийся тем, что для увеличения направленности излучения сплошной отражающий сегмент заземленного электрода продлен до выходного окна корпуса.
14. Источник излучения по п.3, отличающийся тем, что для увеличения направленности излучения сплошной отражающий сегмент заземленного электрода продлен до выходного окна корпуса.
15. Источник излучения по п.4, отличающийся тем, что для увеличения направленности излучения сплошной отражающий сегмент заземленного электрода продлен до выходного окна корпуса.
РИСУНКИ
MM4A – Досрочное прекращение действия патента СССР или патента Российской Федерации на изобретение из-за неуплаты в установленный срок пошлины за поддержание патента в силе
Дата прекращения действия патента: 16.03.2007
Извещение опубликовано: 10.07.2008 БИ: 19/2008
|
|