|
|
(21), (22) Заявка: 2004128489/09, 28.09.2004
(24) Дата начала отсчета срока действия патента:
28.09.2004
(45) Опубликовано: 10.03.2006
(56) Список документов, цитированных в отчете о поиске:
RU 2216036 C2, 10.11.2003. RU 2161328 C1, 27.12.2000. US 5765141 A, 09.06.1998. US 5136708 A, 04.08.1992.
Адрес для переписки:
117312, Москва, пр-кт 60 лет Октября, 9, ООО “Когнитивные технологии”, А.Н. Романову
|
(72) Автор(ы):
Арлазаров Владимир Львович (RU), Романов Анатолий Николаевич (RU), Славин Олег Анатольевич (RU)
(73) Патентообладатель(и):
ООО “Когнитивные технологии” (RU)
|
(54) СИСТЕМА ИНФОРМАЦИОННОГО ВЗАИМОДЕЙСТВИЯ ИНФОРМАЦИОННО-МАРКЕТИНГОВЫХ ЦЕНТРОВ В ИНТЕГРИРОВАННОЙ ИНФРАСТРУКТУРЕ ЭЛЕКТРОННОЙ ТОРГОВЛИ
(57) Реферат:
Изобретение относится к вычислительной технике, в частности к системе информационного взаимодействия информационно-маркетинговых центров в интегрированной инфраструктуре электронной торговли. Техническим результатом является повышение быстродействия системы путем исключения поиска обновляемых данных по всей базе данных электронной торговли и локализации поиска только по временным и отличительным признакам идентификаторов товаров. Система содержит три регистра, два сумматора, блок селекции опорного адреса записи, блок селекции опорного адреса считывания, блок селекции адреса источника запроса, блок формирования текущего адреса записи, блок формирования адреса временного периода, блок формирования адресов базы данных, блок управления записью и считыванием данных и блок выдачи данных. 9 ил. 
Изобретение относится к вычислительной технике, в частности к системе информационного взаимодействия информационно-маркетинговых центров в интегрированной инфраструктуре электронной торговли.
Целью создания интегрированной инфраструктуры электронной торговли является:
– формирование цивилизованного рынка товаров и услуг на современной технологической и правовой базе;
– создание условий для продвижения товаров и услуг от производителей к потребителям без посредников;
– стимулирование развития инфраструктуры национального рынка, обеспечения лучших условий для присутствия отечественных товаропроизводителей на мировом и региональных рынках товаров и услуг;
– содействие развитию малого и среднего предпринимательства за счет выхода за границы локальных рынков и формирования конкурентной среды под патронатом государства;
– ограничение теневого бизнеса за счет достижения большей прозрачности рынка и облегчения его контроля со стороны налоговых и финансовых служб;
– осуществление электронных закупок и поставок товаров и услуг в интересах государства;
– предоставление государственным и частным предприятиям, предпринимателям и инвесторам полного комплекса информационно-маркетинговых услуг и доступа к мировым информационным ресурсам;
– разработка и внедрение норм, правил и стандартов, направленных на предупреждение недобросовестных действий со стороны поставщиков и потребителей электронных услуг, обеспечение справедливых и равных условий делового электронного оборота в интересах всех его участников.
Создание информационной интегрированной инфраструктуры электронной торговли предназначено для информационно-маркетингового обеспечения субъектов рынка, проведения электронных закупок товаров и услуг, а также связанных с ними договорных и платежных обязательств.
Участниками торгов могут быть: продавцы (например, негосударственные и государственные производители, национальные дистрибьюторы, таможенные склады, иностранные производители и т.п.) и покупатели (например, негосударственные и государственные предприятия, организации и органы власти муниципального, регионального, федерального подчинения и т.п.).
Использование информационной интегрированной инфраструктуры электронной торговли участниками торгов даст возможность быстрой и точной оценки складывающихся цен на рынке, что позволит максимально удешевить товары за счет увеличения прозрачности рынка, обострения конкуренции между поставщиками, снижения количества посредников.
Информационная интегрированная инфраструктура электронной торговли должна предлагать комплекс решений по торговле товарами и услугами. Сюда входит поддержка единого каталога товаров и услуг, выполнение операций с поступающими заявками, информационное обеспечение участников торгов, формирование заказов, проведение конкурсных и простых торгов, заключение договоров и интерфейс с системами проведение платежей.
В информационной интегрированной инфраструктуре электронной торговли должен быть предусмотрен аналитический учет проводимых торгов. На основе аналитического учета необходимо получать разнообразные отчеты по произведенным торгам с учетом складывающегося состояния рынка, определять тенденцию изменения цен на рынке, проводить анализ работы торгующих предприятий.
Известны системы, которые могли бы быть использованы для решения поставленной задачи [1, 2].
Первая из известных систем содержит блоки приема и хранения данных, соединенные с блоками управления и обработки данных, блоки поиска и селекции, подключенные к блокам хранения данных и отображения, синхронизирующие входы которых соединены с выходами блока управления [1].
Существенный недостаток данной системы состоит в невозможности решения задачи обновления данных, хранимых в памяти в виде соответствующих документов, одновременно с решением задачи выдачи содержания этих документов пользователям в реальном масштабе времени.
Известна и другая система, содержащая центральное процессорное устройство, входы которого соединены с блоками памяти и с блоками подготовки и ввода данных, а выходы подключены к соответствующим блокам памяти, блок обработки данных, информационные входы которого соединены с выходами соответствующих блоков памяти, синхронизирующие входы подключены к управляющим выходам центрального процессорного устройства, а выход блока является информационным выходом системы [2].
Последнее из перечисленных выше технических решений наиболее близко к описываемому.
Его недостаток заключается в невысоком быстродействии системы, обусловленном тем, что выполнение процедур обновления данных о товарах рынка электронной торговли, по которым уже заключены сделки и которые должны быть исключены из базы данных ИМЦ, реализуется через поиск информации об указанных товарах по всей базе данных, что при больших объемах данных, которые содержит база данных ИМЦ, неизбежно приводит к неоправданно большим затратам времени на обновление баз данных ИМЦ.
Цель изобретения – повышение быстродействия системы путем исключения поиска товаров, информация о которых подлежит обновлению, по всей базе данных ИМЦ и локализации поиска только по временным и отличительным признакам идентификатора товара.
Поставленная цель достигается тем, что в известную систему, содержащую первый регистр, информационный вход которого является первым информационным входом системы, синхронизирующий вход является первым синхронизирующим входом системы, а первый выход первого регистра является первым информационным выходом системы, второй регистр, информационный вход которого является вторым информационным входом системы, а синхронизирующий вход является вторым синхронизирующим входом системы, третий регистр, информационный вход которого является третьим информационным входом системы, а синхронизирующий вход является третьим синхронизирующим входом системы, блок управления записью и считыванием данных, информационный выход которого является адресным выходом системы, а синхронизирующие выходы записи и считывания являются первым и вторым синхронизирующими выходами системы соответственно, блок формирования текущего адреса записи, выход которого соединен с одним информационным входом первого сумматора, блок выдачи данных, один информационный вход которого подключен к выходу третьего регистра, а выходы являются информационными выходами группы системы, введены блок селекции опорного адреса записи, информационный вход которого соединен со вторым выходом первого регистра, а синхронизирующий вход подключен к первому синхронизирующему входу системы, при этом информационный выход блока селекции опорного адреса записи соединен с другим информационным входом первого сумматора, синхронизирующий выход подключен к синхронизирующему входу первого сумматора, а выходы первой и второй групп выходов блока селекции опорного адреса записи соединены с соответствующими входами первой и второй групп входов блока формирования текущего адреса записи, блок формирования адреса временного периода, информационный вход которого соединен с третьим выходом первого регистра, синхронизирующий вход подключен синхронизирующему выходу блока селекции опорного адреса записи, а синхронизирующий выход соединен с одним синхронизирующим входом блока управления записью и считыванием данных, второй сумматор, информационные входы которого подключены к информационным выходам первого сумматора и блока формирования адреса временного периода, синхронизирующий вход соединен с синхронизирующим выходом блока формирования адреса временного периода, а выход второго сумматора подключен к одному информационному входу блока управления записью и считыванием данных, блок селекции опорного адреса считывания данных, информационный вход которого соединен с одним выходом второго регистра, синхронизирующий вход подключен ко второму синхронизирующему входу системы, синхронизирующий выход подключен к другому синхронизирующему входу блока управления записью и считыванием данных, а один информационный выход подключен к другому информационному входу блока управления записью и считыванием данных, блок формирования адреса считывания данных, первый и второй управляющие входы которого являются первым и вторым управляющими входами системы, информационный вход соединен с другим выходом блока селекции опорного адреса считывания, синхронизирующий вход подключен к синхронизирующему выходу блока селекции опорного адреса считывания данных, а выходы соединены с первым и вторым управляющими входами блока управления записью и считыванием данных, и блок селекции источника запроса, информационный вход которого подключен к другому выходу второго регистра, а синхронизирующий вход соединен с третьим синхронизирующим входом системы, при этом информационный выход блока селекции источника запроса подключен к другому информационному входу блока выдачи данных, а синхронизирующий выход блока селекции источника запроса соединен с синхронизирующим входом блока выдачи данных.
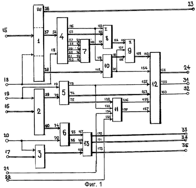
Сущность изобретения поясняется чертежами, где на фиг.1 представлена структурная схема системы, на фиг.2 приведен пример конкретной конструктивной реализации блока селекции опорного адреса записи, на фиг.3 приведен пример конкретной конструктивной реализации блока селекции опорного адреса считывания, на фиг.4 приведен пример конкретной конструктивной реализации блока селекции адреса источника запроса, на фиг.5 приведен пример конкретной конструктивной реализации блока формирования текущего адреса записи, на фиг.6 приведен пример конкретной конструктивной реализации блока формирования адреса временного периода, на фиг.7 пример конкретной конструктивной реализации блока формирования адресов базы данных, на фиг.8 приведен пример конкретной конструктивной реализации блока управления записью и считыванием данных, на фиг.9 приведен пример конкретной конструктивной реализации блока выдачи данных.
Система (фиг.1) содержит первый 1, второй 2 и третий 3 регистры, блок селекции опорного адреса записи 4, блок 5 селекции опорного адреса считывания, блок 6 селекции адреса источника запроса, блок 7 формирования текущего адреса записи, первый 8 и второй 9 сумматоры, блок 10 формирования адреса временного периода, блок 11 формирования адресов базы данных, блок 12 управления записью и считыванием данных и блок 13 выдачи данных.
На фиг.1 показаны первый 15, второй 16 и третий 17 информационные входы системы, первый 18, второй 19 и третий 20 синхронизирующие входы системы, первый 21 и второй 22 управляющие входы системы, информационный 23 и адресный 24 выходы системы, первый 31 и второй 32 синхронизирующие выходы системы и группа информационных 33-35 выходов системы.
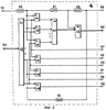
Блок 4 селекции опорного адреса записи (фиг.2) содержит блок памяти 41, выполненный в виде постоянного запоминающего устройства, дешифратор 42, регистр 43, элементы 44-49 И, элементы 50-53 задержки. На чертеже показаны информационный 54 и синхронизирующий 18 входы, а также информационный 55 и синхронизирующий 56 выходы, первая 57-59 и вторая 60-62 группы выходов блока.
Блок 5 селекции опорного адреса считывания (фиг.3) содержит блок памяти 64, выполненный в виде постоянного запоминающего устройства, дешифратор 65, элементы 66-68 И, элемент 69 ИЛИ и элемент 70 задержки.
На чертеже также показаны информационный 72 и синхронизирующий 19 входы блока, а также синхронизирующий 73 и информационные 74, 75 выходы блока.
Блок 6 селекции адреса источника запроса (фиг.4) содержит блок памяти 76, выполненный в виде постоянного запоминающего устройства, дешифратор 77, элементы 78-80 И, элемент 81 ИЛИ, и элементы 82-83 задержки. На чертеже также показаны информационный 84 и синхронизирующий 20 входы блока, а также информационный 85 и синхронизирующий 86 выходы блока.
Блок 7 формирования текущего адреса записи (фиг.5) содержит счетчики 87-89, группы 90-92 элементов И, группу элементов 93 ИЛИ. На чертеже также показаны первая 94-96 и вторая 97-99 группы входов, а также информационный 100 выход.
Блок 10 формирования адреса временного периода (фиг.6) содержит блок памяти 110, выполненный в виде постоянного запоминающего устройства, дешифратор 111, регистр 112, элементы 113-115 И, элементы 116, 117 задержки. На чертеже также показаны информационный 118 и синхронизирующий 119 входы, информационный 120 и синхронизирующий 121 выходы.
Блок 11 формирования адресов базы данных (фиг.7) содержит регистр 122, реверсивный счетчик 123, компараторы 124, 125, первый 126, второй 127 и третий 128 элементы ИЛИ, первый 129, второй 130 и третий 131 элементы задержки, а также элемент 138 ИЛИ. На чертеже также показаны информационный 132 и синхронизирующий 133 входы блока, первый 134 и второй 135 управляющие входы блока, а также управляющие 136 и 137 выходы блока.
Блок 12 управления записью и считыванием данных (фиг.8) содержит реверсивный счетчик 140, триггер 141, группы 144-145 элементов И, группу 146 элементов ИЛИ, элементы 142-143 И, элементы 147-148 ИЛИ и элементы 149-151 задержки. На чертеже показаны информационные 152, 153 входы, синхронизирующие 154, 155 входы, первый 156 и второй 157 счетные входы, а также информационный 158 выход и выходы записи 159 и считывания 160.
Блок 13 выдачи данных (фиг.9) содержит регистр 161, дешифратор 162, первую 163, вторую 164 и третью 165 группы элементов И, элемент 166 задержки. На чертеже также показаны первый 167 и второй 168 информационные и синхронизирующий 159 входы блока, а также информационные 170-173 выходы группы выходов блока.
Все узлы и элементы системы выполнены на стандартных потенциально-импульсных элементах.
Система работает следующим образом.
В процессе проведения электронных торгов на каждом из информационно-маркетинговых центров после окончательного оформления очередной сделки между продавцом и покупателем с информационного выхода ИМЦ, на котором была оформлена сделка, в адрес каждого из остальных информационно-маркетинговых центров отправляется кодограмма следующего содержания:
| Код товара |
Дата сделки |
Объем сделки |
Цена за Ед. |
Продавец |
Покупатель |
После поступления данной кодограммы на информационный вход 15 каждого из взаимодействующих ИМЦ, данная кодограмма заносится в регистр 1 синхронизирующим импульсом, поступающим на синхронизирующий вход 18 системы. С первого выхода 36 регистра 1 полное содержание кодограммы выдается на информационный выход 23 системы.
Со второго выхода 37 регистра 1 код товара поступает на информационный вход 54 блока 7, откуда он подается на вход дешифратора 42, расшифровывающего код товара и выдающего на один из своих выходов высокий потенциал, поступающий на соответствующие входы элементов 44-49 И.
Для определенности допустим, что высоким потенциалом с первого выхода дешифратора 42 будут открыты элементы 44 и 47 И, а кроме того, высокий потенциал с первого выхода дешифратора будет непосредственно выдан на выход 57.
Синхронизирующий импульс с входа 18 системы, задержанный элементом 50 на время срабатывания дешифратора 42, поступает, во-первых, через элемент 44 И на вход фиксированной ячейки ПЗУ 41, в которой хранится опорный адрес зоны памяти базы данных, выделенной для записи всех сделок по данному товару, и считывает ее содержимое на вход регистра 43.
Во-вторых, тот же импульс, задержанный элементом 51 на время считывания базового адреса из ПЗУ 41, поступает на синхронизирующий вход регистра 43 и заносит в него код базового адреса, который с выхода 55 регистра 43 поступает на вход 102 сумматора 8. На другой вход 101 сумматора 8 с выхода 100 блока 7 поступает код с выхода счетчика 87 через элементы 90 И, открытые по второму выходу высоким потенциалом с выхода 57 блока 4.
Тот же синхронизирующий импульс блока 4, задержанный элементом 52 на время занесения кода базового адреса в регистр 43, во-первых, через выход 56 блока 4 поступает на синхронизирующий вход 103 сумматора 8, обеспечивая суммирование опорного адреса и кода счетчика 87 блока 7. Учитывая, однако, что к настоящему времени счетчик 87 был в исходном состоянии и его показания равны нулю, то в результате суммирования код опорного адреса на выходе 104 сумматора 8 останется без изменения и с выхода 104 поступит на вход 105 сумматора 9.
Во-вторых, синхронизирующий импульс с выхода элемента 52 блока 4 задерживается элементом 53 на время срабатывания сумматора 9, и после чего, пройдя элемент 47 И, а также выход 60 блока 4, поступает на вход 97 блока 7 и далее на счетный вход счетчика 87, увеличивая его показания на единицу и формируя тем самым показания счетчика 87 к следующему циклу работы.
Параллельно с описанным выше процессом код даты сделки с выхода 38 регистра 1 поступает на информационный вход 118 блока 10 и далее поступает на вход дешифратора 111, расшифровывающего код даты сделки и выдающего на один из своих выходов высокий потенциал, поступающий на соответствующие входы элементов 113-115 И.
Для определенности допустим, что высоким потенциалом с первого выхода дешифратора 111 будет открыт элемент 113 И. Синхронизирующий импульс с выхода 56 блока 4 поступает, во-первых, на вход 119 блока 10 и далее через элемент 113 И поступает на вход фиксированной ячейки ПЗУ 110, в которой хранится адрес зоны памяти базы данных, выделенной для записи всех сделок в указанный период времени, и считывает ее содержимое на вход регистра 112.
Во-вторых, синхронизирующий импульс с входа 119 блока 10 задерживается элементом 116 на время считывания кода временного периода и поступает на синхронизирующий вход регистра 112 и заносит в него код временного периода, который с выхода 120 регистра 112 поступает на другой информационный вход 106 сумматора 9. Напомним, что на первый вход 105 сумматора 9 с выхода 104 сумматора 8 поступает код опорного адреса товара.
Синхронизирующий импульс с выхода элемента 116, задержанный элементом 117 на время занесения кода временного периода в регистр 112, с выхода 121 блока 10 поступает на синхронизирующий вход 107 сумматора 9, фиксируя суммарный адрес записи, который с выхода 108 сумматора 9 поступает на вход 152 блока 12. Кроме того, синхронизирующий импульс с выхода 121 блока 10 поступает на синхронизирующий вход 154 блока 12.
С входа 152 блока 12 сформированный адрес записи поступает на одни входы элементов 144 И первой группы, которые будут открыты высоким потенциалом с инверсного выхода триггера 141. Состояние триггера 141 определяется синхронизирующими импульсами записи, поступающими на вход 154 блока 12, и синхронизирующими импульсами считывания, поступающими на вход 155 блока 12.
Учитывая, что в данный момент времени на вход 154 блока 12 поступил синхронизирующий импульс записи, то пройдя на установочный вход триггера 141, этот импульс подтвердит его в исходное состояние, при котором высоким потенциалом с инверсного выхода триггера 141 будут открыты как элементы 144 И группы, так и элемент 142 И.
Код адреса записи с выхода элементов 144 И группы проходит через элементы 146 ИЛИ группы на информационный вход счетчика 140, на синхронизирующий вход которого поступает импульс с входа 154 блока 12, прошедший по цепочке: элемент 147 ИЛИ и элемент 149 задержки, задерживающий импульс на время срабатывания сумматора 9.
Кроме того, этот же импульс с выхода элемента 149 задержки проходит элемент 142 И, задерживается элементом 150 на время занесения кода адреса в счетчик 140 и далее с выхода 159 через выход 31 системы поступает на вход первого канала прерывания сервера базы данных.
С поступлением этого сигнала сервер базы данных переходит на подпрограмму записи показаний регистра 1 с выхода 23 системы по адресу, сформированному на выходе 24 системы.
Процедура записи последующих кодограмм заключенных сделок электронной торговли, поступающих с выходов других территориально распределенных ИМЦ на вход данного информационно-маркетингового центра, осуществляется аналогичным образом.
В результате полученной информации о том, что в результате торговой сделки количество данного товара у конкретного продавца изменилось, осуществляется корректировка данных об объеме товаров, выставляемых данным продавцом на продажу на всех территориально распределенных информационно-маркетинговых центрах. В результате проведенной корректировки, база данных предложений продавца данного товара будет соответствовать действительности и на поступающие запросы покупателей будет выдана актуальная информация.
Действительно, для получения соответствующей информации из базы данных ИМЦ каждый покупатель на своем АРМе выбирает продавца, предлагающего интересующий его товар, и нажимает клавишу “Просмотр”.
Структура кодограммы, формируемой на автоматизированных рабочих местах покупателей, имеет следующий вид:
| Код идентификатора продавца |
Код идентификатора АРМа пользователя |
При этом коды идентификатора продавца и идентификатора АРМа покупателя через вход 16 поступают в регистр 2, куда они заносится синхронизирующим импульсом с входа 19. С первого выхода 39 регистра 2 код идентификатора продавца поступает через вход 72 блока 5 на вход дешифратора 65.
Дешифратор 65 расшифровывает код продавца, выдавая на один их своих выходов высокий потенциал. Для определенности положим, что высокий потенциал поступил на один вход элемента 67 И.
Параллельно с этим, синхронизирующий импульс с входа 19 задерживается элементом 70 на время занесения кода в регистр 2 и срабатывания дешифратора 65 и далее опрашивает состояния элементов 66-68 И.
Учитывая то обстоятельство, что открытым по одному входу будет только элемент 67 И, то пройдя этот элемент И, синхроимпульс поступает, во-первых, на вход считывания фиксированной ячейки памяти постоянного запоминающего устройства 64.
В фиксированной ячейке памяти хранится код опорного адреса первой ячейки памяти данного продавца в базе данных сервера и код числа записей в базе данных сервера, относящихся к торговым предложениям данного продавца.
Структура кодограммы имеет следующий вид:
| Код опорного адреса первой ячейки памяти выбранного продавца в базе данных сервера |
Код количества записей данного продавца в базе данных сервера |
Код опорного адреса первой ячейки памяти и код количества записей данного продавца считываются из фиксированной ячейки памяти и поступают на выходы 74, 75 блока 5 соответственно.
Параллельно с этим, импульс считывания фиксированной ячейки памяти блока 5, пройдя элемент 69 ИЛИ, сразу же с выхода 73 блока поступает через вход 155 блока 12 на единичный вход триггера 141 и устанавливает его в единичное состояние, при котором он открывает по одному входу элементы 145 И группы, а также элемент 143 И, закрывая в то же время низким потенциалом со своего инверсного выхода элементы 144 И группы вместе с элементом 142 И.
Код опорного адреса первой ячейки памяти с выхода 74 блока 5 через вход 153 блока 12 и элементы 145 И, а также элементы 146 ИЛИ группы поступает на информационный вход реверсивного счетчика 140.
Тот же синхронизирующий импульс с входа 155 блока 12 проходит через элемент 147 ИЛИ, задерживается элементом 149 задержки на время считывания кода из блока памяти 64 и срабатывания триггера 141, и поступает на синхронизирующий вход реверсивного счетчика 140, фиксируя в счетчике код опорного адреса первой ячейки памяти данного продавца в базе данных сервера.
Кроме того, тот же импульс с выхода элемента 149 задержки проходит элемент 143 И, элемент 148 ИЛИ и задерживается элементом 151 задержки на время занесения кода опорного адреса в счетчик 140 и через выход 160 блока 12 и выход 32 системы он поступает на вход второго канала прерывания сервера. По этому сигналу сервер переходит на подпрограмму опроса содержимого ячейки памяти по адресу, сформированному на адресном выходе системы 24 и выдачи считанных данных через вход 17 системы на информационный вход регистра 3, куда они заносятся синхронизирующим импульсом сервера, поступающим на вход 20 системы.
Одновременно с этим процессом, код количества записей о товарах выбранного продавца с выхода 75 блока 5 поступает через вход 132 блока 11 на информационный вход регистра 122, куда также заносится импульсом с выхода 73 блока 5 через вход 133 блока 11.
Параллельно с этим код идентификатора АРМа пользователя с выхода 40 регистра 2 поступает через вход 84 блока 6 на вход дешифратора 77.
Дешифратор 77 расшифровывает код идентификатора АРМа пользователя, выдавая на один их своих выходов высокий потенциал. Для определенности положим, что высокий потенциал поступил на один вход элемента 78 И.
Параллельно с этим синхронизирующий импульс с входа 20 задерживается элементом 82 на время срабатывания дешифратора 77 и далее опрашивает состояния элементов 78-80 И.
Учитывая то обстоятельство, что открытым по одному входу будет только элемент 78 И, то пройдя этот элемент И, синхроимпульс поступает, во-первых, на вход считывания фиксированной ячейки памяти постоянного запоминающего устройства 76, где хранится код адреса АРМа пользователя, и считывает его через выход 85 блока 6 на информационный вход 167 блока 13.
Во-вторых, тот же импульс считывания, пройдя элемент 81 ИЛИ, задерживается элементом 83 задержки на время считывания содержимого фиксированной ячейки ПЗУ. Далее с выхода 86 блока 6 этот импульс поступает через вход 169 блока 13 на синхронизирующий вход регистра 161, фиксируя в регистре код адреса АРМа пользователя.
Дешифратор 162 расшифровывает код адреса АРМа пользователя и высоким потенциалом на одном из своих выходов открывает элементы И одной из групп 163-165. Одновременно с этим импульсом с входа 169 блока 13, задержанным элементом задержки 166 на время срабатывания дешифратора 162, код первой считанной записи с выхода регистра 3, пройдя через вход 168 блока 13 и соответствующую группу элементов И 163-165, через соответствующий выход 170-173 блока 13 и соответственно выходы 35-37 системы выдается на АРМ пользователя.
Пользователю предоставляется возможность просмотреть все записи выбранного продавца в базе данных сервера и сделать соответствующие выводы по его торговым предложениям.
Для этого пользователь использует клавиши “Вперед” и “Назад”, сигналы от которых поступают на управляющие входы 21, 22 системы соответственно.
При нажатии клавиши “Вперед” импульс с входа 21 системы проходит через вход 134 блока 11 на счетный вход счетчика 123, фиксирующего число просмотров записей. Это число просмотров записей сравнивается компаратором 124 с числом записей данного продавца, зафиксированных в регистре 122, по сигналу, поступающему с выхода элемента задержки 129, задерживающего импульс с входа 134 на время срабатывания счетчика 123.
Если число просмотров меньше заданного количества записей в регистре 122, то на выходе 175 компаратора 124 формируется импульс, поступающий через элемент 127 ИЛИ на выход 136 блока 11 и далее через вход 156 блока 12 на суммирующий вход реверсивного счетчика 140, формирующего очередной адрес считывания на выходе 24.
Кроме того, тот же импульс, пройдя через элемент 148 ИЛИ и элемент задержки 151, задерживающий данный импульс на время срабатывания реверсивного счетчика, проходит на выход 160 блока 12 и далее на выход 32 и вновь поступает на вход второго канала прерывания сервера.
По этому сигналу сервер вновь переходит на подпрограмму опроса содержимого ячейки памяти по адресу, сформированному на адресном выходе системы 24 и выдачи считанных данных через вход 17 системы на информационный вход регистра 3, куда они заносятся синхронизирующим импульсом сервера, поступающим на вход 20 системы.
Описанный процесс считывания записей из базы данных сервера и выдачи их на автоматизированное рабочее место потенциального покупателя продолжается до тех пор, пока число записей в регистре 122 блока 11 не будет равно числу считанных из базы данных записей, зафиксированных счетчиком 123. Указанный момент будет зафиксирован выдачей импульса на выходе 176 компаратора 124.
Импульс с выхода 176 компаратора 124, во-первых, через элемент 128 ИЛИ поступает на выход 137 блока 11 и далее на вычитающий вход 157 реверсивного счетчика 140, уменьшая его показания на единицу. Кроме того, тот же импульс, пройдя через элемент 148 ИЛИ и элемент задержки 151, задерживающий данный импульс на время срабатывания реверсивного счетчика, проходит на выход 160 и выход 32 системы и далее вновь поступает на вход второго канала прерывания сервера.
По этому сигналу сервер вновь переходит на подпрограмму опроса содержимого ячейки памяти по адресу, сформированному на адресном выходе системы 24 и выдачи считанных данных через вход 17 системы на информационный вход регистра 6, куда они заносятся синхронизирующим импульсом сервера, поступающим на вход 20 системы.
Во-вторых, тот же импульс с выхода 176 компаратора 124 задерживается элементом задержки 130 на время длительности импульса и через элемент 126 ИЛИ поступает на вычитающий вход счетчика 111, уменьшая его показания.
После этого пользователь переходит к обратному просмотру записей продавца путем нажатия клавиши “Назад”. Импульс с входа 29 через элемент 116 ИЛИ, во-первых, поступает на вычитающий вход счетчика 123, а, во-вторых, после прохождения элемента 138 ИЛИ и задержки элементом 131 на время срабатывания счетчика 123 поступает на синхронизирующий вход компаратора 125. По этому сигналу компаратор 125 сравнивает показания счетчика 123 с “нулем”. Если показания счетчика 123 больше нуля, то на выходе 177 компаратора 125 формируется сигнал, который через элемент 128 ИЛИ поступает на выход 137 блока 11 и далее на вычитающий вход реверсивного счетчика 140.
Если же показания счетчика 123 будут равны нулю, то на выходе 178 компаратора 125 формируется импульс, который через элемент 127 ИЛИ походит на выход 136 блока 11. Затем этот же импульс через вход 156 блока 12 поступает на суммирующий вход реверсивного счетчика 140, переводя покупателя в режим прямого просмотра записей продавца в базе данных сервера.
Другими словами, покупателю предоставляется возможность неоднократно просмотреть все предложения продавца и обоснованно выбрать интересующие его товары и услуги.
Таким образом, введение новых узлов и блоков позволило существенно повысить быстродействие системы путем исключения поиска адресов данных, подлежащих обновлению, и реализации непосредственной адресации выполнения изменений записей данных в базах данных информационно-маркетинговых центров.
Источники информации
1. Патент Японии №4-38021 М. кл. 11/30, 13/14 от 23.06.92
2. Патент США №5136708 М. кл. G 06 F 15/16 от 04.08.92 (прототип).
Формула изобретения
Система информационного взаимодействия информационно-маркетинговых центров в интегрированной инфраструктуре электронной торговли, содержащая первый регистр, информационный вход которого является первым информационным входом системы, синхронизирующий вход является первым синхронизирующим входом системы, а первый выход первого регистра является первым информационным выходом системы, второй регистр, информационный вход которого является вторым информационным входом системы, а синхронизирующий вход является вторым синхронизирующим входом системы, третий регистр, информационный вход которого является третьим информационным входом системы, а синхронизирующий вход является третьим синхронизирующим входом системы, блок управления записью и считыванием данных, информационный выход которого является адресным выходом системы, а синхронизирующие выходы записи и считывания являются первым и вторым синхронизирующими выходами системы соответственно, блок формирования текущего адреса записи, выход которого соединен с одним информационным входом первого сумматора, блок выдачи данных, один информационный вход которого подключен к выходу третьего регистра, а выходы являются информационными выходами группы системы, отличающаяся тем, что она содержит блок селекции опорного адреса записи, информационный вход которого соединен со вторым выходом первого регистра, а синхронизирующий вход подключен к первому синхронизирующему входу системы, при этом информационный выход блока селекции опорного адреса записи соединен с другим информационным входом первого сумматора, синхронизирующий выход подключен к синхронизирующему входу первого сумматора, а выходы первой и второй групп выходов блока селекции опорного адреса записи соединены с соответствующими входами первой и второй групп входов блока формирования текущего адреса записи, блок формирования адреса временного периода, информационный вход которого соединен с третьим выходом первого регистра, синхронизирующий вход подключен к синхронизирующему выходу блока селекции опорного адреса записи, а синхронизирующий выход соединен с одним синхронизирующим входом блока управления записью и считыванием данных, второй сумматор, информационные входы которого подключены к информационным выходам первого сумматора и блока формирования адреса временного периода, синхронизирующий вход соединен с синхронизирующим выходом блока формирования адреса временного периода, а выход второго сумматора подключен к одному информационному входу блока управления записью и считыванием данных, блок селекции опорного адреса считывания данных, информационный вход которого соединен с одним выходом второго регистра, синхронизирующий вход подключен ко второму синхронизирующему входу системы, синхронизирующий выход подключен к другому синхронизирующему входу блока управления записью и считыванием данных, а один информационный выход подключен к другому информационному входу блока управления записью и считыванием данных, блок формирования адреса считывания данных, первый и второй управляющие входы которого являются первым и вторым управляющими входами системы, информационный вход соединен с другим выходом блока селекции опорного адреса считывания, синхронизирующий вход подключен к синхронизирующему выходу блока селекции опорного адреса считывания данных, а выходы соединены с первым и вторым управляющими входами блока управления записью и считыванием данных, и блок селекции источника запроса, информационный вход которого подключен к другому выходу второго регистра, а синхронизирующий вход соединен с третьим синхронизирующим входом системы, при этом информационный выход блока селекции источника запроса подключен к другому информационному входу блока выдачи данных, а синхронизирующий выход блока селекции источника запроса соединен с синхронизирующим входом блока выдачи данных.
РИСУНКИ
MM4A – Досрочное прекращение действия патента СССР или патента Российской Федерации на изобретение из-за неуплаты в установленный срок пошлины за поддержание патента в силе
Дата прекращения действия патента: 29.09.2006
Извещение опубликовано: 20.05.2008 БИ: 14/2008
|
|