|
|
(21), (22) Заявка: 2004122343/28, 20.07.2004
(24) Дата начала отсчета срока действия патента:
20.07.2004
(45) Опубликовано: 10.03.2006
(56) Список документов, цитированных в отчете о поиске:
SU 1820343 A1, 07.06.1993. SU 1213445 A1, 23.02.1986. SU 836608 A1, 07.06.1981. SU 384083 A1, 01.01.1973. US 4314200 A, 02.02.1982. US 6538432 А, 25.03.2003. RU 2185635 C1, 20.07.2002. JP 11-101863 А, 13.04.1999.
Адрес для переписки:
346428, Ростовская обл., г. Новочеркасск, ул. Просвещения, 132, ГОУ ВПО ЮРГТУ (НПИ), ОИС, И.И.Ересько
|
(72) Автор(ы):
Ланкин Михаил Владимирович (RU), Горбатенко Николай Иванович (RU), Матерн Иван Владимирович (RU), Пжилуский Антон Анатольевич (RU)
(73) Патентообладатель(и):
Государственное образовательное учреждение высшего профессионального образования “Южно-Российский государственный технический университет (Новочеркасский политехнический институт)” (RU)
|
(54) УСТРОЙСТВО ВОСПРОИЗВЕДЕНИЯ ИЗМЕНЯЮЩЕГОСЯ МАГНИТНОГО ПОЛЯ
(57) Реферат:
Изобретение относится к магнитным измерениям и может быть использовано при создании источников изменяющихся магнитных полей. Устройство воспроизведения изменяющегося магнитного поля содержит схему ограничения скорости нарастания напряжения, усилитель, две катушки индуктивности, резистор, выпрямитель, запоминающее устройство, генератор прямоугольных импульсов, 2 ЦАП, 2 регистра, 5 аналоговых ключей, 6 источников опорного напряжения, 7 компараторов, логический элемент «НЕ», 12 суммирующих усилителей, 4 аналоговых запоминающих устройства (АЗУ), 3 аналоговых умножителя, 2 аналоговых делителя, мультиплексор, логический элемент «4 ИЛИ», 4 триггера хранения, 4 логических элемента «ИЛИ», 4 аналоговые модели, устройство извлечения квадратного корня, устройство определения минимального значения, канал измерения напряженности и приоритетный шифратор. Благодаря возможности уменьшения количества измеряемых точек гистерезисных кривых при неизменной погрешности аппроксимации выходных данных, уменьшается время измерений. 2 ил. 
Изобретение относится к магнитным измерениям и может быть использовано при создании источников изменяющихся магнитных полей.
Известна индукционно-импульсная установка со ступенчатым режимом измерений [Средства измерений магнитных параметров материалов / В.Г.Антонов, Л.М.Петров, А.П.Щелкин. – Л.: Энергоатомиздат. Ленингр. отд-ние, 1986. – С.59-63], содержащая источник намагничивающего тока, измеритель магнитного потока, дифференцирующий нуль-орган, блок управления и двухкоординатный регистрирующий прибор. Установка позволяет реализовать режим испытания образцов по автоматически выработанной программе, обеспечивающей их статическое намагничивание и измерение приращений магнитного потока за промежутки времени, равные длительности ступеней намагничивающего поля. Недостатками данного устройства является необходимость измерения большого количества точек для уменьшения погрешности аппроксимации полученных данных, что в значительной степени увеличивает время измерения и энергозатраты, причем погрешность в разных точках будет неодинакова.
Наиболее близким по технической сущности к заявляемому устройству является выбранное в качестве прототипа устройство воспроизведения изменяющегося магнитного поля [А.с.18203434 СССР, МКИ G 01 R 33/00. Устройство воспроизведения изменяющегося магнитного поля / Ланкин М.В., Горбатенко Н.И., Гречихин В.В. и Савин Д.Д. Опубл. В БИ 1990]. Устройство содержит компаратор, генератор одиночных импульсов, запоминающее устройство, регистр, ЦАП, усилитель, первую катушку индуктивности, резистор, источник опорного напряжения, суммирующий усилитель, вторую катушку индуктивности, выпрямитель, схему ограничения скорости нарастания напряжения.
Н перемагничивающего внешнего поля такими, что при обработке результатов измерения погрешность аппроксимации будет одинакова в любой точке. В работе [Сергеев В.Г. Автореферат на соиск. уч. степени д.т.н.] показано, что если в каждой i-той точке справедливо выражение

где Mi и Hi – соответственно приращения намагниченности и напряженности между двумя измеряемыми точками; А – константа, определяемая из условия допустимой погрешности аппроксимации КР, то погрешность аппроксимации на всей КР будет постоянной. Определение Hi происходит путем расчета по одной из четырех моделей кривых размагничивания (КР), полученных из усреднения 49 нормированных КР, взятых из [ГОСТ 17809-72. Материалы магнитотвердые литые. Марки и технические требования. М., Изд-во стандартов, 1972. – 8 с., ГОСТ 21559-76. Материалы магнитотвердые спеченные. Марки, технические требования и методы контроля. М., Изд-во стандартов, 1976. – 8 с., ГОСТ 24897-81. Материалы магнитотвердые деформируемые. Марки и технические требования. М., Изд-во стандартов, 1981. – 8 с., Постоянные магниты: Справочник / Под ред. Ю.М.Пятина. – М.: Энергия, 1971. – 376 с.]. Нормирование производится по Br и Hc, которые можно определять на этапе магнитной подготовки. Таким образом, построив четыре модели КР и с их помощью используя выражение (1), можно определять приращения напряженности Hi, тем самым минимизировать количество измеряемых точек при постоянной погрешности аппроксимации.
Технической задачей изобретения является повышение быстродействия устройства за счет измерения минимально необходимого количества точек при заданной погрешности аппроксимации КР.
Поставленная задача решается с помощью устройства воспроизведения изменяющегося магнитного поля, содержащего последовательно соединенные схему ограничения скорости нарастания напряжения, выход которой соединен с первым входом усилителя, выход которого соединен с первой катушкой индуктивности, выход которой соединен со вторым входом усилителя и с резистором, вторую катушку индуктивности, причем она охватывает нейтральное сечение перемагничивающего образца и выходом присоединена к входу выпрямителя и ко второму входу первого компаратора параллельно, выход выпрямителя соединен с первым входом первого суммирующего усилителя, второй вход которого соединен с выходом первого источника опорного напряжения (ИОН), а выход – со вторым входом схемы ограничения нарастания напряжения, также содержащего счетчик, выход которого параллельно соединен с входом первого регистра и первого ЦАПа, дополнительно снабженного генератором прямоугольных импульсов, ЦАПом, регистром, пятью аналоговыми ключами, шестью ИОН, семью компараторами, логическим элементом “НЕ”, двенадцатью суммирующими усилителями, четырьмя аналоговыми запоминающими устройствами (АЗУ), тремя аналоговыми умножителями, двумя аналоговыми делителями, мультиплексором, логическим элементом “4 ИЛИ”, четырьмя триггерами хранения, четырьмя логическими элементами “ИЛИ”, четырьмя аналоговыми моделями, устройством выделения квадратного корня, устройством определения минимального значения, каналом измерения напряженности и приоритетным шифратором. Причем соединены они следующим образом. Выход генератора прямоугольных импульсов соединен через первый ключ с входом счетчика. Выход первого регистра соединен с первым входом второго регистра, выход которого соединен с первым входом второго ЦАПа, второй вход которого подключен к выходу второго ИОН. Выход второго ЦАПа соединен со вторыми входами второго компаратора и второго суммирующего усилителя. Первый вход второго компаратора соединен с четвертым ИОН, который также через второй ключ подключен к первому входу второго суммирующего усилителя. Управляющий вход второго ключа подключен к выходу второго компаратора. Выход второго суммирующего усилителя подключен ко второму входу первого аналогового умножителя, первый вход которого соединен с выходом первого АЗУ, а выход – с первым входом схемы ограничения скорости нарастания напряжения. Первый вход первого аналогового делителя подключен к выходу первого АЗУ, второй вход – к выходу канала измерения напряженности, а выход – к 1, 2, 3 и 4 контактам третьего ключа, контакты 5, 6, 7 и 8 которого подключены параллельно к входам мультиплексора и четырех аналоговых моделей соответственно. Выход мультиплексора подключен к выходу первого ЦАПа, ко второму входу которого подключен третий ИОН. Выходы четырех аналоговых моделей параллельно соединены с контактами 1, 2, 3 и 4 четвертого ключа, контакты 5, 6, 7 и 8 которого соединены со входами второго аналогового умножителя, выход которого соединен с первым входом тринадцатого суммирующего усилителя, выход которого соединен с входом устройства выделения квадратного корня, а второй вход – с выходом третьего аналогового умножителя, входы которого соединены с выходом первого ЦАПа; и с первыми входами 3-6 суммирующих усилителей соответственно, вторые входы которых соединены с выходом второго аналогового делителя. Выход второго АЗУ параллельно соединен со вторым входом второго аналогового делителя и через пятый ключ со вторым входом седьмого суммирующего усилителя, второй вход которого соединен с выходом третьего АЗУ, а выход – с первым входом восьмого суммирующего усилителя, второй вход которого соединен с выходом выпрямителя, а выход параллельно соединен с первым входом второго аналогового делителя и входом четвертого АЗУ, выход которого соединен со входом третьего АЗУ. Вход управления пятого ключа соединен с выходом второго компаратора. Выходы суммирующих усилителей 3-6 параллельно соединены с 1, 2, 3 и 4 входами устройства определения минимального значения, 5 вход которого подключен к выходу первого компаратора, первый вход которого подключен к выходу пятого ИОН; и со вторыми входами 9-12 суммирующих усилителей соответственно, первые входы которых соединены с выходом устройства определения минимального значения. Выходы этих суммирующих усилителей соединены с первыми входами 4-7 компараторов соответственно, вторые входы которых соединены с выходом шестого ИОН. Выходы этих компараторов параллельно соединены с информационными входами 1-4 триггеров хранения и со вторыми входами 1-4 логических элементов “ИЛИ” соответственно, первые входы которых соединены с выходом третьего компаратора, первый вход которого соединен с выходом устройства извлечения квадратного корня, а второй – с седьмым ИОН. Выходы 1-4 логических элементов “ИЛИ” соединены с тактовыми входами триггеров соответственно, выходы которых параллельно соединены со входами логического элемента “4 ИЛИ” и входами приоритетного шифратора, выход которого соединен с управляющим входом мультиплексора. Выход логического элемента “4 ИЛИ” соединен с управляющим входом первого и четвертого ключа, четвертого АЗУ, первого регистра и входом логического элемента “НЕ”, выход которого соединен с управляющим входом третьего ключа, второго регистра и третьего АЗУ.
Проведенный поиск среди средств того же назначения, что и заявляемое, не выявил тождественных технических решений в отношении всей совокупности существенных признаков предлагаемого изобретения. Это позволяет сделать вывод о соответствии его критерию “новизна”.
Анализ уровня техники позволил установить, что присущие предлагаемому изобретению отличительные признаки такие, как генератор прямоугольных импульсов, ЦАП, регистр, аналоговый ключ, ИОН, компаратор, логический элемент “НЕ”, суммирующий усилитель, аналоговое запоминающее устройство, аналоговый умножитель, аналоговый делитель, мультиплексор, логический элемент “4 ИЛИ”, триггер хранения, логический элемент “ИЛИ”, аналоговая модель, устройство определения минимального значения, канал измерения напряженности, устройство извлечения квадратного корня и приоритетный шифратор [Фолкенберри Л. Применение операционных усилителей и линейных ИС: Пер. с англ. – М. – Мир, 1985. 572 с., Аналоговые и цифровые ИМС: Справочное пособие; Под. Ред. С.В.Якубовского. – М.: Радио м связь, 1984], при их введении в указанной связи с остальными элементами схемы в заявляемое устройство воспроизведения изменяющегося магнитного поля с моделями проявляют новые свойства, что приводит к уменьшению времени измерения за счет уменьшения количества измеряемых точек при заданной погрешности аппроксимации КР благодаря прогнозированию последующего приращения напряженности перемагничивающего поля. Это позволяет сделать положительный вывод о соответствии технического решения критерию “изобретательский уровень”.
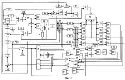
На фиг.1 представлена блок-схема устройства воспроизведения изменяющегося магнитного поля, на фиг.2 – пример реализации аналоговых моделей.
Устройство воспроизведения изменяющегося магнитного поля содержит последовательно соединенные схему ограничения скорости нарастания напряжения 1, выход которой соединен с первым входом усилителя 2, выход которого соединен с первой катушкой индуктивности 3, выход которой соединен со вторым входом усилителя и с резистором 4, вторую катушку индуктивности 5, причем она охватывает нейтральное сечение перемагничивающего образца 6 и выходом присоединена к входу выпрямителя 7 и ко второму входу первого компаратора 8 параллельно, выход выпрямителя соединен с первым входом первого суммирующего 9 усилителя, второй вход которого соединен с выходом первого ИОН 10, а выход – со вторым входом схемы ограничения нарастания напряжения, также содержащего счетчик 11, выход которого параллельно соединен с входом первого регистра 12 и первого ЦАПа 13. Генератор прямоугольных импульсов 14 соединен через первый ключ 15 с входом счетчика. Выход первого регистра соединен с первым входом второго регистра 16, выход которого соединен с первым входом второго ЦАПа 17, второй вход которого подключен к выходу второго ИОН 18. Выход второго ЦАПа соединен со вторыми входами второго компаратора 19 и второго суммирующего усилителя 20. Первый вход второго компаратора соединен с четвертым ИОН 21, который также через второй ключ 22 подключен к первому входу второго суммирующего усилителя. Управляющий вход второго ключа подключен к выходу второго компаратора. Выход второго суммирующего усилителя подключен ко второму входу первого аналогового умножителя 23, первый вход которого соединен с выходом первого АЗУ 24, а выход – с первым входом схемы ограничения скорости нарастания напряжения. Первый вход первого аналогового делителя 25 подключен к выходу первого АЗУ, второй вход – к выходу канала измерения напряженности 26, а выход – к 1, 2, 3 и 4 контактам третьего ключа 27, контакты 5, 6, 7 и 8 которого подключены параллельно к входам мультиплексора 28 и четырех аналоговых моделей 29-32 соответственно. Выход мультиплексора подключен к выходу первого ЦАПа, ко второму входу которого подключен третий ИОН 33. Выходы четырех аналоговых моделей параллельно соединены с контактами 1, 2, 3 и 4 четвертого ключа 34, контакты 5, 6, 7 и 8 которого соединены со входами второго аналогового умножителя 35, выход которого соединен с первым входом тринадцатого суммирующего усилителя 36, выход которого соединен с входом устройства извлечения квадратного корня 37, а второй вход – с выходом третьего аналогового умножителя 38, входы которого соединены с выходом первого ЦАПа; и с первыми входами 3-6 суммирующих усилителей 39-42 соответственно, вторые входы которых соединены с выходом второго аналогового делителя 43. Выход второго АЗУ 44 параллельно соединен со вторым входом второго аналогового делителя и через пятый ключ 45 со вторым входом седьмого суммирующего усилителя 46, второй вход которого соединен с выходом третьего АЗУ 47, а выход – с первым входом восьмого суммирующего усилителя 48, второй вход которого соединен с выходом выпрямителя, а выход параллельно соединен с первым входом второго аналогового делителя и входом четвертого АЗУ 49, выход которого соединен со входом третьего АЗУ. Вход управления пятого ключа соединен с выходом второго компаратора. Выходы суммирующих усилителей 3-6 параллельно соединены с 1, 2, 3 и 4 входами устройства определения минимального значения 50, 5 вход которого подключен к выходу первого компаратора, первый вход которого подключен к выходу пятого ИОН 51; и со вторыми входами 9-12 суммирующих усилителей 52-55 соответственно, первые входы которых соединены с выходом устройства определения минимального значения. Выходы этих суммирующих усилителей соединены с первыми входами 4-7 компараторов 56-59 соответственно, вторые входы которых соединены с выходом шестого ИОН 60. Выходы этих компараторов параллельно соединены с информационными входами 1-4 триггеров хранения 61-64 и со вторыми входами 1-4 логических элементов “ИЛИ” 65-68 соответственно, первые входы которых соединены с выходом третьего компаратора 69, первый вход которого соединен с выходом устройства извлечения квадратного корня, а второй – с седьмым ИОН 70. Выходы 1-4 логических элементов “ИЛИ” соединены с тактовыми входами триггеров соответственно, выходы которых параллельно соединены со входами логического элемента “4 ИЛИ” 71 и входами приоритетного шифратора 72, выход которого соединен с управляющим входам мультиплексора. Выход логического элемента “4 ИЛИ” соединен с управляющим входом первого и четвертого ключа, четвертого АЗУ, первого регистра и входом логического элемента “НЕ” 73, выход которого соединен с управляющим входом третьего ключа, второго регистра, и третьего АЗУ.
. Устройство определения min значения 50 производит сравнение входных сигналов и на выходе формирует напряжение, равное наименьшему из входных значений, затем сигнал на суммирующих усилителях 52-55 вычитается из выходных сигналов суммирующих усилителей 39-42. В зависимости от того, на выходе какого из суммирующих усилителей появится напряжение, близкое к нулю, один из компараторов 56-59 сформирует сигнал, соответствующей логической “1”. Таким образом с помощью суммирующих усилителей 39-42 и 52-55, компараторов 56-59 и устройства определения min значения 50 определяется, к какому из значений, поступающих с выходов аналоговых моделей, ближе всего измеренное значение индукции. Сигнал логическая “1” поступает на второй вход одного из 4-х логических элементов “ИЛИ” 65-68. С выхода одного из логических элементов “ИЛИ” сигнал логическая “1” поступает на тактовый вход одного из триггеров хранения 61-64, сигнальный вход которого параллельно соединен со вторым входом соответствующего логического элемента “ИЛИ”. Этим осуществляется хранение сигнала логической “1” до тех пор, пока не появится новый тактовый сигнал от логического элемента “ИЛИ”. В соответствии с тем, на какой из логических элементов и триггеров хранения поступает сигнал логическая “1”, мультиплексор 28, входы управления которого через приоритетный шифратор 72 подключены к выходам триггеров 61-64, а четыре выхода – к четырем моделям 29-32 соответственно, подключает выход ЦАПа 13 ко входу одной из моделей. Параллельно с управляющими входами мультиплексора 28 сигнал логической “1” с одного из триггеров хранения подается на один из входов логического элемента “4 ИЛИ” 71. Сигнал логическая “1”, появившийся на выходе логического элемента “4 ИЛИ” 71, производит: замыкание ключа 15, соединяя выход генератора прямоугольных импульсов 14 с входом счетчика 11; перевод АЗУ 49 в режим хранения информации, поступающей с выхода суммирующего усилителя 48, а АЗУ 47 через логический элемент “НЕ” 73 в режим записи новой информации, чем производиться считывание и запись информации с выхода суммирующего усилителя 48; перевод регистра 12 в режим записи новых данных, поступающих с выхода счетчика 11, а регистра 16 через логический элемент “НЕ” 73 в режим хранения данных, чем производит запись данных, поступающих от счетчика 11; замыкание ключа 34, соединяя выходы моделей 29-32 со входами аналогового умножителя 35; размыкание 27 ключа, отсоединяя входы моделей от выхода аналогового делителя 25, тем самым используя модели в режиме определения следующего приращения напряженности внешнего поля.
С выхода счетчика 11 цифровой код параллельно подается на входы регистра 12 и ЦАПа 13. На выходе ЦАПа 13 формируется аналоговый сигнал, амплитудой пропорциональный коду, поступающему от счетчика 11 и зависящему от значения выходного напряжения ИОН 33. Через мультиплексор 28 этот сигнал подается на одну из моделей. Через замкнутый ключ 34 сигнал с модели после возведения в квадрат на аналоговом умножителе 35 поступает на первый вход суммирующего усилителя 36, на второй вход которого сигнал поступает от ЦАПа 13, предварительно возведенного в квадрат с помощью третьего аналогового умножителя 38. После суммирования сигнал поступает на вход устройства извлечения квадратного корня 37. Как только сигнал, поступающий с выхода устройства извлечения квадратного корня 37 на второй вход компаратора 69, будет больше, чем сигнал, поступающий от ИОН 70 на первый вход, компаратор 69 формирует сигнал логической “1”, поступающий на первый вход логических элементов “ИЛИ” 65-68. Таким образом выполняется условие из выражения (1).
При появлении на первом входе сигнала логической “1” одного из логических элементов “ИЛИ” 65-68 соответствующий логический элемент “ИЛИ” формирует сигнал, поступающий на тактовый вход соответствующего триггера хранения. При появлении тактового сигнала соответствующий триггер хранения на выходе формирует сигнал логического “0” в связи с тем, что на информационный вход триггера поступает сигнал логического “0” от компараторов 56-59. Таким образом на управляющие входы мультиплексора 28 подается сигнал логического “0” и разрывается цепь между ЦАПом 13 и одной из аналоговых моделей. Параллельно с управляющими входами мультиплексора 28 сигнал логического “0” поступает на входы логического элемента “4 ИЛИ” 71, формирует на его выходе сигнал логического “0”. Этот сигнал производит: размыкание ключа 15, чем разрывает цепь выход генератора прямоугольных импульсов 14 с входом счетчика 11; перевод АЗУ 49 в режим хранения, а АЗУ 47 через логический элемент “НЕ” 73 в режим записи данных, поступающих с АЗУ 49, чем осуществляется подача сигнала Bi-1 на первый вход суммирующего усилителя 46, необходимого для определения текущего значения индукции Вi:
Bi=Bi-1– B,
где Bi-1 – предыдущее значение индукции, B – измеренное значение приращения индукции, Bi – текущее значение индукции;
перевод регистра 12 в режим хранения информации, а регистра 16 через инвертор сигнала в режим записи данных, поступающих с выхода регистра 12, чем осуществляется подача сигнала на вход ЦАПа 13, равного смоделированному значению напряженности поля для следующей точки измерения; размыкание ключа 34 и через логический элемент “НЕ” 73 замыкание ключа 27, переводя их в первоначальный режим функционирования.
В связи с тем, что все последующие значения амплитуды сигнала, поступающего с выхода ЦАПа 17, будут больше, чем сигнал, поступающий с ИОН 21, то ключи 22 и 45 будут замкнуты и на выходе суммирующего усилителя 20 будет формироваться сигнал, равный сигналу на выходе ЦАПа 13, а на выходе суммирующего усилителя 46 – сигнал, равный значению, записанному в АЗУ 47.
Блоки, входящие в состав устройства воспроизведения изменяющегося магнитного поля, могут быть выполнены, например:
– усилитель 2 по схеме усилителя мощности с обратной связью по току, как показано на рис.4.13 в [Шихин А.Я. Автоматические магнитоизмерительные системы. – М.: Энергия, 1977. – 136 с.];
– катушка индуктивности 3, представляющая собой электромагнит любой из описанных в [Испытание магнитных материалов и систем / Е.В.Комаров, А.Д.Покровский, В.Г.Сергеев, А.Я.Шихин. – М.: Энергоатомиздат, 1984. – С.323];
– ЦАПы 13 и 17 на микросхеме К572ПА1А;
– генератор прямоугольных импульсов 14 на основе операционного усилителя, как показано в [П.Хоровиц, У.Хилл Искусство схемотехники. В 3-х томах. Пер. с англ. – М.: Мир, 1993, т.1, С.301];
– счетчик 11 на микросхеме КР1533ИЕ7;
– схема ограничения скорости нарастания напряжения 1, как и в устройстве-прототипе (фиг.3 в [А.с. 18203434 СССР, МКИ G 01 R 33/00. Устройство воспроизведения изменяющегося магнитного поля / М.В.Ланкин, Н.И.Горбатенко, В.В.Гречихин и Д.Д.Саввин – Заявл. 09.10.90; №1213445; Опубл. 07.06.93; Бюл. №21]);
– компараторы 8, 19, 56-59 и 69 на интегральном компараторе типа К521СА3;
– аналоговые запоминающие устройства 24, 44, 47 и 49 согласно [Фолкенберри Л. Применение операционных усилителей и линейных ИС: Пер. с англ. – М.: Мир, 1985, – 752 с.];
– аналоговые делители 25 и 43, аналоговые умножители 23, 35 и 38 и устройство извлечения квадратного корня 37 на микросхеме К525ПС2;
– регистры 12 и 16 на микросхеме КР1533ИР23;
– ключи 15, 22, 27, 34 и 45 на микросхемах интегральных ключей с полевыми транзисторами серии 590КН;
– выпрямитель 7 как и в устройстве-прототипе на основе аналогово интегратора;
– суммирующие усилители 39-42, 48 и 52-55 как дифференциальные устройства на основе операционного усилителя;
– суммирующие усилители 20, 36 и 46 как сумматор на основе операционного усилителя;
– мультиплексор 28 на микросхеме КР1533КП17;
– логический элемент “4 ИЛИ” 71 на микросхеме К176ЛП11;
– логические элементы “ИЛИ” 65-68 на микросхеме КР1564ЛЛ1;
– приоритетный шифратор 72 на микросхеме КР155ИВ1;
– триггеры хранения 61-64 на микросхеме КР155ТМ9;
– устройство определения минимального значения 50 на основе операционного усилителя согласно [Тетельбаум И.М., Шнейдер Ю.Р. Практика аналогового моделирования динамических систем: Справочное пособие – М.: Энергоатомиздат, 1987. 384 с.];
– аналоговая модель 29-32 показана на фиг.2 и содержит: 14 диодов VD1-14, 17 резисторов R1-17, ИОН М и операционный усилитель DA1, и представляет собой схему, реализующую нелинейность на токовых ячейках, предложенную в [Тетельбаум И.М., Шнейдер Ю.Р. Практика аналогового моделирования динамических систем: Справочное пособие – М.: Энергоатомиздат, 1987. С.122-123].
Экспериментальные исследования макета заявляемого устройства воспроизведения изменяющегося магнитного поля по сравнению с устройствами аналогичного назначения (прототип) обеспечивают повышение быстродействия за счет измерения минимально необходимого количества точек при заданной погрешности аппроксимации КР.
Формула изобретения
Устройство воспроизведения изменяющегося магнитного поля, содержащее последовательно соединенные схему ограничения скорости нарастания напряжения, выход которой соединен с первым входом усилителя, выход которого соединен с первой катушкой индуктивности, выход которой соединен со вторым входом усилителя и с резистором, вторую катушку индуктивности, причем она охватывает нейтральное сечение перемагничиваемого образца и выходом присоединена к входу выпрямителя и ко второму входу первого компаратора параллельно, выход выпрямителя соединен с первым входом первого суммирующего усилителя, второй вход которого соединен с выходом первого источника опорного напряжения (ИОН), а выход – со вторым входом схемы ограничения скорости нарастания напряжения, также содержащее счетчик, выход которого параллельно соединен с входом первого регистра и первого цифроаналогового преобразователя (ЦАП), отличающееся тем, что оно снабжено генератором прямоугольных импульсов, вторым ЦАПом, вторым регистром, пятью аналоговыми ключами, шестью компараторами, логическим элементом «НЕ», двенадцатью суммирующими усилителями, четырьмя аналоговыми запоминающими устройствами (АЗУ), тремя аналоговыми умножителями, двумя аналоговыми делителями, мультиплексором, логическим элементом «4 ИЛИ», четырьмя триггерами хранения, четырьмя логическими элементами «ИЛИ», четырьмя аналоговыми моделями, устройством извлечения квадратного корня, устройством определения минимального значения, каналом измерения напряженности и приоритетным шифратором, причем выход генератора прямоугольных импульсов соединен через первый ключ с входом счетчика, выход первого регистра соединен с первым входом второго регистра, выход которого соединен с первым входом второго ЦАПа, второй вход которого подключен к выходу второго ИОН, выход второго ЦАПа соединен со вторыми входами второго компаратора и второго суммирующего усилителя, первый вход второго компаратора соединен с четвертым ИОН, который также через второй ключ подключен к первому входу второго суммирующего усилителя, управляющий вход второго ключа подключен к выходу второго компаратора, выход второго суммирующего усилителя подключен ко второму входу первого аналогового умножителя, первый вход которого соединен с выходом первого АЗУ, а выход – с первым входом схемы ограничения скорости нарастания напряжения, первый вход первого аналогового делителя подключен к выходу первого АЗУ, второй вход – к выходу канала измерения напряженности, а выход – к 1, 2, 3 и 4 контактам третьего ключа, контакты 5, 6, 7 и 8 которого подключены параллельно к входам мультиплексора и четырех аналоговых моделей соответственно, выход мультиплексора подключен к выходу первого ЦАПа, ко второму входу которого подключен третий ИОН, выходы четырех аналоговых моделей параллельно соединены с контактами 1, 2, 3 и 4 четвертого ключа, контакты 5, 6, 7 и 8 которого соединены со входами второго аналогового умножителя, выход которого соединен с первым входом тринадцатого суммирующего усилителя, выход которого соединен с входом устройства извлечения квадратного корня, а второй вход – с выходом третьего аналогового умножителя, входы которого соединены с выходом первого ЦАПа и с первыми входами 3-6 суммирующих усилителей соответственно, вторые входы которых соединены с выходом второго аналогового делителя, выход второго АЗУ параллельно соединен со вторым входом второго аналогового делителя и через пятый ключ – со вторым входом седьмого суммирующего усилителя, первый вход которого соединен с выходом третьего АЗУ, а выход – с первым входом восьмого суммирующего усилителя, второй вход которого соединен с выходом выпрямителя, а выход параллельно соединен с первым входом второго аналогового делителя и входом четвертого АЗУ, выход которого соединен со входом третьего АЗУ, вход управления пятого ключа соединен с выходом второго компаратора, выходы суммирующих усилителей 3-6 параллельно соединены с 1, 2, 3 и 4 входами устройства определения минимального значения, 5-й вход которого подключен к выходу первого компаратора, первый вход которого подключен к выходу пятого ИОН; и со вторыми входами 9-12 суммирующих усилителей соответственно, первые входы которых соединены с выходом устройства определения минимального значения, выходы этих суммирующих усилителей соединены с первыми входами 4-7 компараторов соответственно, вторые входы которых соединены с выходом шестого ИОН, выходы этих компараторов параллельно соединены с информационными входами 1-4 триггеров хранения и со вторыми входами 1-4 логических элементов «ИЛИ» соответственно, первые входы которых соединены с выходом третьего компаратора, первый вход которого соединен с выходом устройства извлечения квадратного корня, а второй – с седьмым ИОН, выходы 1-4 логических элементов «ИЛИ» соединены с тактовыми входами 1-4 триггеров хранения соответственно, выходы которых параллельно соединены со входами логического элемента «4 ИЛИ» и входами второго приоритетного шифратора, выход которого соединен с управляющим входом мультиплексора, выход логического элемента «4 ИЛИ» соединен с управляющими входами первого и четвертого ключей, четвертого АЗУ, первого регистра и входом логического элемента «НЕ», выход которого соединен с управляющими входами третьего ключа, второго регистра и третьего АЗУ.
РИСУНКИ
MM4A – Досрочное прекращение действия патента СССР или патента Российской Федерации на изобретение из-за неуплаты в установленный срок пошлины за поддержание патента в силе
Дата прекращения действия патента: 21.07.2006
Извещение опубликовано: 20.08.2007 БИ: 23/2007
|
|