|
|
(21), (22) Заявка: 2004124284/09, 09.08.2004
(24) Дата начала отсчета срока действия патента:
09.08.2004
(45) Опубликовано: 10.03.2006
(56) Список документов, цитированных в отчете о поиске:
ФОКИН Ю.И., Новая испытательная станция В: Локомотив, Москва, 2003, №12, с.24-26. RU 2095820 C1, 10.11.1997. RU 2133044 C1, 10.07.1999. RU 2212086 C2, 10.09.2003. SU 904098 A, 07.02.1982. SU 1833939 А1, 15.08.1993. GB 2376305 А, 11.12.2002. US 6380757 В1, 30.04.2002. FR 2681195 А1, 12.03.1993. DE 19620141 А1, 13.11.1997. ЕР 0193761 А2, 10.09.1986. PCT WO 93/07503, 13.08.1987.
Адрес для переписки:
680021, г.Хабаровск, ул. Серышева, 47, зав. ОПС, Н.Ф. Щербаковой
|
(72) Автор(ы):
Кулинич Юрий Михайлович (RU), Кулинич Андрей Константинович (RU)
(73) Патентообладатель(и):
ГОУ ВПО Дальневосточный государственный университет путей сообщения МПС России (ДВГУПС) (RU)
|
(54) СТАНЦИЯ ДЛЯ ИСПЫТАНИЯ ЭЛЕКТРИЧЕСКИХ ДВИГАТЕЛЕЙ
(57) Реферат:
Изобретение относится к области электротехники и может быть использовано в тяговых электродвигателях электроподвижного состава. Технический результат заключается в повышении энергетических показателей за счет повышения значения коэффициента мощности путем улучшения формы сетевого тока и приближения его фазы к сетевому напряжению при существенном снижении энергопотребления. Станция для испытания электрических двигателей содержит трансформатор, управляемый выпрямитель, инвертор, двигатель, генератор, первый и второй сглаживающие реакторы, соединительный вал, датчик напряжения, первый и второй датчики тока, устройство вычисления входного активного тока, первый и второй элементы сравнения. ПИ-регулятор, широтно-импульсный модулятор, автономный инвертор напряжения и источник реактивной мощности в виде конденсатора. Использование станции для испытания электрических двигателей позволяет увеличить значение коэффициента мощности до 0,994, а при испытании, например, электрического двигателя НБ418 К6 электроподвижного состава потребляемый из сети ток уменьшается до 5-7 А. 3 ил. 
Устройство относится к электротехнике и предназначено для повышения коэффициента мощности испытательной станции, в частности тяговых электрических двигателей электроподвижного состава.
Одним из недостатков существующих в настоящее время испытательных станций является низкое значение коэффициента мощности, составляющего всего 0,6-0,7. Коэффициент мощности является одним из основных энергетических показателей испытательной станции (ИС), определяющий потребление ею непроизводительной реактивной мощности. Работа ИС с низким значением коэффициента мощности приводит к существенным потерям электроэнергии.
Известна станция для испытания электрических двигателей, которая содержит трансформатор, выпрямитель, сглаживающий реактор и электродвигатель [1]. Первичная обмотка трансформатора подключена к сети, а вторичная обмотка через выпрямитель соединена с последовательно включенными электродвигателем и сглаживающим реактором, которые являются индуктивной нагрузкой.
При проведении испытания электродвигатель подключен к выходному напряжению выпрямителя и потребляет постоянный ток. Включение индуктивной нагрузки в цепи постоянного тока (двигатель, сглаживающий реактор) приводит к искажению сетевого тока, который имеет несинусоидальную форму и фазовый угол сдвига относительно сетевого напряжения.
Во время испытания, определяемого регламентом работ, осуществляется контроль таких параметров двигателя как перегрев корпуса, искрение коллектора, шумы подшипников и т.д.
Известная испытательная станция позволяет качественно провести испытания двигателя по всему объему работ, определенных правилами ремонта, что является достоинством известной испытательной станции.
Недостаток известной испытательной станции заключается в значительном потреблении электроэнергии, затрачиваемой во время проведения испытаний. Это обусловлено тем, что мощный двигатель испытывается в течение 1-2 часов с номинальной величиной тока, что приводит к значительному расходу электроэнергии.
Другим недостатком известной испытательной станции является низкое значение коэффициента мощности км=cos * . Это связано с тем, что нелинейная индуктивная нагрузка, включенная в цепь выпрямленного тока станции, вызывает отставание сетевого тока на некоторый угол относительно сетевого напряжения и искажение его синусоидальной формы, характеризующейся коэффициентом .
Наиболее близкой к заявляемому изобретению по совокупности существенных признаков и достигаемого результата является станция для испытания электрических двигателей, которая позволяет уменьшить потребляемый из сети ток [2].
Станция для испытания электродвигателя содержит трансформатор, управляемый выпрямитель, инвертор, двигатель, генератор, первый и второй сглаживающие реакторы и соединительный вал.
Первичная обмотка трансформатора подключена к сети, первая секция вторичной обмотки трансформатора через управляемый выпрямитель соединена с последовательно включенными электродвигателем и первым сглаживающим реактором. Вторая секция вторичной обмотки трансформатора через инвертор связана с последовательно включенными генератором и вторым сглаживающим реактором. Двигатель соединен с генератором соединительным валом.
Вращение двигателя постоянного тока осуществляется под действием постоянного напряжения, получаемого на выходе управляемого выпрямителя. Соединительный вал во время проведения испытания приводит во вращение ротор генератора постоянного тока, вырабатывающего постоянный ток. Инвертор осуществляет преобразование постоянного тока генератора в переменный и через вторую секцию вторичной обмотки трансформатора возвращает его в сеть.
В первичной обмотке трансформатора на большей части полупериода сетевого напряжения составляющие токов двигателя и генератора противоположны по направлению и совпадают на ограниченном интервале времени. Это обусловлено тем, что тиристоры управляемого выпрямителя открываются с задержкой на угол 0 [3] относительно начала полупериода сетевого напряжения. Ток в первой секции вторичной обмотки трансформатора отстает на угол 0 относительно сетевого напряжения. Тиристоры инвертора открываются с опережением на угол относительно начала полупериода сетевого напряжения. Ток во второй секции вторичной обмотки трансформатора сдвинут с опережением на угол относительно сетевого напряжения. В результате этого на интервале ( 0+ )- токи управляемого выпрямителя и инвертора противоположны по направлению, а на интервале -( 0+ ) (где – интервал коммутации управляемого выпрямителя) совпадают. Из анализа фиг.2,а, полученной с помощью пакета программ Design Lab [4], следует, что результирующий ток первичной обмотки Iс имеет неоднородный характер. На большей части полупериода (( 0+ )- ) он характеризуется небольшим по величине током, поскольку ток генератора уменьшает результирующий ток. На интервале -( 0+ ) форма тока имеет броски, вызванные протеканием в первичной обмотке однонаправленных токов двигателя и генератора.
Достоинством известной ИС является значительное уменьшение потребляемого тока. Это обусловлено возвращением части электроэнергии в сеть, приводящее к уменьшению результирующего тока испытательной станции, который потребляется из сети через первичную обмотку трансформатора.
Недостатком известной ИС является низкое значение коэффициента мощности км=cos * , ухудшающего энергетические показатели испытательной станции за счет уменьшения потребления электроэнергии.
Уменьшение потребления электроэнергии:
во-первых, ухудшает форму сетевого тока. Это обусловлено значительной разностью величины и формы тока на интервалах ( 0+ )- и -( 0+ ), что вызывает уменьшение значения коэффициента ;
во-вторых, приводит к тому, что форма сетевого тока становится реактивной по характеру, фазовый угол сдвига относительно сетевого напряжения составляет 90 эл. град. Это снижает величину cos испытательной станции.
Задача, решаемая изобретением, заключается в разработке станции для испытания электрических двигателей, которая лишена вышеперечисленных недостатков и при сохранении низкого электропотребления имеет высокие энергетические показатели за счет повышения значения коэффициента мощности путем улучшения формы сетевого тока и приближения его фазы к сетевому напряжению.
Для решения поставленной задачи в известную станцию для испытания электрических двигателей, содержащую трансформатор, управляемый выпрямитель, инвертор, двигатель, генератор, первый и второй сглаживающие реакторы и соединительный вал, при этом первичная обмотка трансформатора подключена к сети, первая секция вторичной обмотки трансформатора через управляемый выпрямитель соединена с последовательно включенными электродвигателем и первым сглаживающим реактором, вторая секция вторичной обмотки трансформатора через инвертор связана с последовательно включенными генератором и вторым сглаживающим реактором, а двигатель и генератор связаны соединительным валом, в нее дополнительно введены датчик напряжения, первый и второй датчики тока, устройство вычисления входного активного тока, первый и второй элементы сравнения, ПИ-регулятор, широтно-импульсный модулятор, автономный инвертор напряжения и источник реактивной мощности в виде конденсатора, при этом первый датчик тока установлен в первичной обмотке трансформатора, а его выход связан с первыми входами устройства вычисления входного активного тока и первого элемента сравнения, датчик напряжения подключен к сети, а его выход подключен к второму входу устройства вычисления входного активного тока, выход которого связан со вторым входом первого элемента сравнения, выход которого подключен к первому входу второго элемента сравнения, выход которого через последовательно включенные ПИ-регулятор и широтно-импульсный модулятор связан с первым входом автономного инвертора напряжения, выход которого через второй датчик тока подключен к первой секции вторичной обмотки трансформатора, выход второго датчика тока связан со вторым входом второго элемента сравнения, конденсатор подключен ко второму входу автономного инвертора напряжения.
Благодаря введению в известное решение испытательной станции электрических двигателей новых конструктивных элементов и новой взаимосвязи элементов устройства обеспечиваются высокие энергетические показатели при минимальном потреблении электрической энергии.
Высокие значения энергетических показателей ИС связаны с повышением коэффициента мощности. Повышение коэффициента мощности обусловлено компенсацией реактивной мощности и мощности искажения, потребляемыми ИС, что приводит к одновременному улучшению формы сетевого тока и приближению его фазы к питающему напряжению. В результате компенсации реактивной мощности из сети потребляется только активная мощность, при которой активный ток, имеющий синусоидальную форму, совпадает по фазе с сетевым напряжением. Таким образом, одновременное улучшение формы сетевого тока и приближение его фазы к сетевому напряжению приводит к повышению коэффициента мощности.
Кроме того, потребление ИС только активного тока, величина которого значительно меньше реактивного тока, приводит к существенному снижению потребления электроэнергии. Таким образом, за счет уменьшение большей части входного тока, имеющего реактивный характер, происходит общее снижение потребления ИС электроэнергии.
Наличие в заявляемом решении новых существенных конструктивных элементов и новой взаимосвязи элементов устройства свидетельствует о соответствии заявляемого решения критерию патентоспособности “новизна”.
Причинно-следственная связь “введение в ИС датчика напряжения, первого и второго датчиков тока, устройства вычисления входного активного тока, первого и второго элементов сравнения, ПИ-регулятора, широтно-импульсный модулятора, автономного инвертора напряжения и источника реактивной мощности в виде конденсатора приводит к резкому (на порядок) уменьшению потребления тока” логически не вытекает из известного уровня техники и является неочевидной для специалиста, что свидетельствует о соответствии заявляемого решения критерию патентоспособности “изобретательский уровень”.
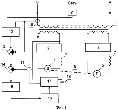
На фиг.1 представлена схема станции для испытания электрических двигателей.
На фиг.2 показаны кривые потребляемого (сетевого) тока, полученные в результате математического моделирования, фиг.2, а – для прототипа, а фиг.2, б – для заявляемого решения.
Станция для испытания электрических двигателей содержит трансформатор 1, управляемый выпрямитель 2, инвертор 3, двигатель 4, генератор 5, первый 6 и второй 7 сглаживающие реакторы, соединительный вал 8, датчик напряжения 9, первый 10 и второй 11 датчики тока, устройство вычисления входного активного тока 12, первый 13 и второй 14 элементы сравнения, ПИ-регулятор 15, широтно-импульсный модулятор 16, автономный инвертор напряжения 17 и источник реактивной мощности 18 в виде конденсатора.
Первичная обмотка трансформатора 1 подключена к сети. Первая секция вторичной обмотки трансформатора 1 через управляемый выпрямитель 2 соединена с последовательно включенными электродвигателем 4 и первым сглаживающим реактором 6. Вторая секция вторичной обмотки трансформатора 1 через инвертор 3 связана с последовательно включенными генератором 5 и вторым сглаживающим реактором 7. Двигатель 4 и генератор 5 связаны соединительным валом 8. Первый датчик тока 10 установлен в первичной обмотке трансформатора 1, а его выход связан с первыми входами устройства вычисления входного активного тока 12 и первого элемента сравнения 13. Датчик напряжения 9 подключен к сети, а его выход подключен к второму входу устройства вычисления входного активного тока 12, выход которого связан со вторым входом первого элемента сравнения 13. Выход первого элемента сравнения 13 подключен к первому входу второго элемента сравнения 14, выход которого через последовательно включенные ПИ-регулятор 15 и широтно-импульсный модулятор 16 связан с первым входом автономного инвертора напряжения 17. Выход автономного инвертора напряжения 17 через второй датчик тока 11 подключен к первой секции вторичной обмотки трансформатора 1. Выход второго датчика тока 11 связан со вторым входом второго элемента сравнения 14, конденсатор 18 подключен ко второму входу автономного инвертора напряжения 17.
При реализации ИС использованы известные изделия. В качестве трансформатора использован серийный трансформатор ОДЦЭ 5000/25 электровоза переменного тока. Управляемый выпрямитель и инвертор выполнены на базе тиристоров серии ТЛ 171-320. Автономный инвертор напряжения состоит из четырех IGBT-транзисторов с обратно включенными диодами, выпускаемыми формой International Rectifier. ПИ-регулятор и широтно-импульсный модулятор выполнены на базе операционных усилителей средней степени интеграции.
Станция для испытания электрических двигателей работает следующим образом.
Вращение двигателя 4 осуществляется под действием постоянного напряжения, получаемого на выходе управляемого выпрямителя 2. Соединительный вал 8 во время проведения испытания приводит во вращение ротор генератора 5, вырабатывающего постоянный ток. Инвертор 3 осуществляет преобразование постоянного тока генератора 5 в переменный и через вторую секцию вторичной обмотки трансформатора 1 возвращает его в сеть.
Датчик напряжения 9 измеряет сетевое напряжение, а первый датчик тока 10 – сетевой ток. Полученные значения напряжения и тока подаются в устройство вычисления входного активного тока 12, функция которого заключается в формировании заданной формы активного тока синусоидальной формы, совпадающего по фазе с сетевым напряжением. Действующее значение входного активного тока вычисляется по формуле:

где u, i – мгновенные значения сетевого напряжения и тока,
Т – период сетевого напряжения.
На первый элемент сравнения 13 поступают сигналы заданного и фактического тока ИС. После их вычитания на выходе первого элемента сравнения получают напряжение, соответствующее заданному току компенсатора. На второй элемент сравнения 14 подаются сигналы заданного и текущего значений тока компенсатора. Во втором элементе сравнения 14 происходит их вычитание. Выходной сигнал второго элемента сравнения 14 подается на последовательно включенные ПИ-регулятор 15 и широтно-импульсный модулятор 16. ПИ-регулятор 15 обеспечивает изодромное регулирование и нулевую ошибку по положению. Широтно-импульсный модулятор 16 преобразует выходной сигнал ПИ-регулятора 15 в импульсную последовательность, управляющую работой автономного инвертора напряжения 17. Выходной ток автономного инвертора напряжения 17, определяемый реактивной мощностью и мощностью искажения, складывается в первичной обмотке трансформатора 1 в противофазе с входным реактивным током ИС. Выходной ток автономного инвертора напряжения 17, имеющий реактивный характер, протекает за счет энергии источника реактивной мощности 18. В результате этого через первичную обмотку трансформатора протекает только активный ток синусоидальной формы, совпадающий по фазе с сетевым напряжением.
Благодаря компенсации реактивной мощности и мощности искажения входной ток испытательной станции лишен бросков тока на интервалах ( 0+ )- , -( 0+ ) и имеет нулевой фазовый сдвиг относительно сетевого напряжения.
Таким образом, повышение коэффициента мощности обусловлено компенсацией реактивной мощности и мощности искажения, что приводит к одновременному улучшению формы сетевого тока и приближению его фазы к питающему напряжению. Из сети потребляется только активный ток, имеющий синусоидальную форму и совпадающий по фазе с сетевым напряжением.
Кроме того, потребление ИС только активного тока, величина которого значительно меньше реактивного тока, приводит к снижению потребления электроэнергии.
Из анализа кривой сетевого тока фиг.2,б следует, что его значения уменьшены до минимального уровня и имеют небольшие броски тока, связанные с процессами коммутации в выпрямителе, а первая гармоника этого тока совпадает по фазе с сетевым напряжением и имеет небольшие по величине пульсации, связанные с работой широтно-импульсного модулятора.
Использование станции для испытания электрических двигателей позволяет увеличить значение коэффициента мощности до 0,994, а при испытании, например, электрического двигателя НБ418 К6 электроподвижного состава потребляемый из сети ток уменьшается до 5-7 А.
Источники информации, принятые во внимание
1. Правила ремонта электрических машин электроподвижного состава. ЦТ-ЦТВР – 4782 от 02.04.1990 г. М.: Транспорт, 1990.
2. Фокин Ю.И. Новая испытательная станция. М.: “Локомотив”, №12, 2003 г., с.24-26.
3. Кулинич Ю.М. Устройство и работа выпрямительно-инверторного преобразователя. М.: “Локомотив”, №1, 2001 г., с.14-18.
4. Разевиг В.Д. Система сквозного проектирования электронных устройств Design Lab 8.0. М.: Солон, 1999 г.
Формула изобретения
Станция для испытания электрических двигателей, содержащая трансформатор, управляемый выпрямитель, инвертор, двигатель, генератор, первый и второй сглаживающие реакторы и соединительный вал, при этом первичная обмотка трансформатора подключена к сети, первая секция вторичной обмотки трансформатора через управляемый выпрямитель соединена с последовательно включенными электродвигателем и первым сглаживающим реактором, вторая секция вторичной обмотки трансформатора через инвертор связана с последовательно включенными генератором и вторым сглаживающим реактором, а двигатель и генератор связаны соединительным валом, отличающаяся тем, что в нее дополнительно введены датчик напряжения, первый и второй датчики тока, устройство вычисления входного активного тока, первый и второй элементы сравнения, ПИ-регулятор, широтно-импульсный модулятор, автономный инвертор напряжения и источник реактивной мощности в виде конденсатора, при этом первый датчик тока установлен в первичной обмотке трансформатора, а его выход связан с первыми входами устройства вычисления входного активного тока и первого элемента сравнения, датчик напряжения подключен к сети, а его выход подключен к второму входу устройства вычисления входного активного тока, выход которого связан со вторым входом первого элемента сравнения, выход которого подключен к первому входу второго элемента сравнения, выход которого через последовательно включенные ПИ-регулятор и широтно-импульсный модулятор связан с первым входом автономного инвертора напряжения, выход которого через второй датчик тока подключен к первой секции вторичной обмотки трансформатора, выход второго датчика тока связан со вторым входом второго элемента сравнения, конденсатор подключен ко второму входу автономного инвертора напряжения.
РИСУНКИ
|
|