|
(21), (22) Заявка: 2004121396/28, 12.07.2004
(24) Дата начала отсчета срока действия патента:
12.07.2004
(45) Опубликовано: 10.03.2006
(56) Список документов, цитированных в отчете о поиске:
КАЧЕСОВ В.Е. и др., О результатах мониторинга перенапряжений при однофазных дуговых замыканиях на землю в распределительных кабельных сетях, Электрические станции, №8, 2002, с.9-11. RU 2097893 C1, 27.11.1997. RU 2216749 C1, 20.11.2003.
Адрес для переписки:
630092, г.Новосибирск, пр. К. Маркса, 20, НГТУ
|
(72) Автор(ы):
Качесов Владимир Егорович (RU)
(73) Патентообладатель(и):
Новосибирский Государственный Технический Университет (RU)
|
(54) СПОСОБ ОПРЕДЕЛЕНИЯ МАКСИМАЛЬНЫХ ПЕРЕНАПРЯЖЕНИЙ ПРИ ОДНОФАЗНЫХ ДУГОВЫХ ЗАМЫКАНИЯХ НА ЗЕМЛЮ В СЕТЯХ С ИЗОЛИРОВАННОЙ НЕЙТРАЛЬЮ
(57) Реферат:
Изобретение относится к электроэнергетике и может быть использовано для определения перенапряжений при однофазных дуговых замыканиях на землю в распределительных сетях с изолированной нейтралью. Сущность: осуществляют искусственное замыкании фазы на землю на шине источника в момент прохождения фазного напряжения через нулевое значение. Замыкание фазы выполняют через резистор R3 с сопротивлением, соответствующим сопротивлению дуги. В замкнутую фазу от источника тока вводят изменяемый в широком частотном диапазоне и неизменный по амплитуде ток. Составляющие промышленной частоты в измеряемых величинах тока и фазных напряжений подавляют (фильтруют). В момент первого максимума напряжений на одной из незамкнутых фаз определяют период колебаний T1, амплитуду и фазу вводимого тока и напряжения на замкнутой фазе По выражению (где Сф – фазная емкость сети) определяют активно-индуктивное сопротивление (Z) контура на частоте декремент и уровень максимальных перенапряжений в сети . Технический результат: упрощение, повышение экономичности и быстроты определения максимального уровня перенапряжений. 4 ил. 
Предлагаемое изобретение относится к электроэнергетике и может быть использовано для определения перенапряжений при однофазных дуговых замыканиях (ОДЗ) на землю в распределительных сетях с изолированной нейтралью.
Известен прямой способ определения максимальных перенапряжений при однофазных дуговых замыканиях на землю в сетях с изолированной нейтралью, основанный на срабатывании пороговых устройств с различными уровнями срабатывания /1/. Применение этого способа дает возможность фиксировать все перенапряжения в сети, однако не позволяет выделять наиболее частые перенапряжения, инициируемые длительными ОДЗ, из общего потока всех перенапряжений.
Известен также способ определения максимальных перенапряжений при однофазных дуговых замыканиях на землю в сетях с изолированной нейтралью, взятый за прототип, основанный на непрерывном измерении (записи) в электронную память ЭВМ фазных напряжений и сохранении на устройстве долговременного хранения (внешнем запоминающем устройстве) только тех переходных процессов в сети (включая замыкания на землю), которые сопровождаются перенапряжениями заданного уровня /2/. Способ пригоден для определения перенапряжений различного рода, из которых на основе анализа осциллограмм выделяются ОДЗ с соответствующими уровнями перенапряжений.
Однако этот способ предполагает непрерывный мониторинг сети, т.е. основан на ожидании момента естественного перенапряжения при замыкании фазы на землю (аналогично вышеописанному способу), что требует заранее неопределенного и, как правило, длительного времени регистрации; он также является достаточно дорогостоящим, поскольку для своей реализации требует применения аналого-цифрового преобразователя, персональной ЭВМ и специального программного обеспечения.
Анализ приведенного уровня техники свидетельствует о том, что задачей изобретения является создание более простого, экономичного и быстрого способа определения максимальных перенапряжений в сети с изолированной нейтралью.
Это достигается тем, что в известном способе определения перенапряжений при однофазных дуговых замыканиях на землю в сетях с изолированной нейтралью, основанном на непрерывном измерении фазных напряжений и их последующем анализе, осуществляют искусственное замыкание фазы на землю на шине источника в момент прохождения фазного напряжения через нулевое значение через резистор R3 с сопротивлением, соответствующим сопротивлению дуги. В замкнутую фазу от источника тока вводят изменяемый в широком частотном диапазоне и неизменный по амплитуде ток, подавляют (фильтруют) в измеренных величинах составляющие промышленной частоты и в момент первого максимума напряжения на одной из незамкнутых фаз (U2) определяют период колебаний Т1, амплитуду и фазу вводимого тока и напряжения на замкнутой фазе по выражению (где Сф – фазная емкость сети) определяют активно-индуктивное сопротивление контура (Z) на частоте декремент и уровень максимальных перенапряжений в сети 
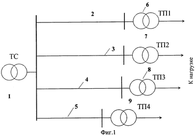
На фиг.1 приведена простейшая радиальная распределительная сеть среднего напряжения (6-35 кВ), в которой реализуется предлагаемый способ; на фиг.2 – упрощенная схема замещения сети в режиме замыкания одной из фаз на землю; на фиг.3 – кривые тока, вводимого в замкнутую фазу, и напряжений на замкнутой и незамкнутой фазах; на фиг.4 – кривые тока и напряжений в увеличенном масштабе с указанием резонансного периода и фазовых смещений.
Радиальная сеть (фиг.1) содержит источник питания (1) – понижающий силовой трансформатор (ТС), подключенный к шинам, фидеры (2-5), радиально соединяющие источник с нагруженными понижающими трансформаторами (6-9).
Способ осуществляется следующим образом.
В момент прохождения напряжения одной из фаз через нулевое значение быстродействующим выключателем (например, тиристорным) соединяют одну из фаз источника с контуром заземления через резистор с сопротивлением, приблизительно равным сопротивлению дуги. Для кабельных сетей оно принимается равным 5-10 Ом /3/; для воздушных – около 30-50 Ом, что в последнем случае соответствует суммарному сопротивлению заземления опоры и канала дуги. При указанной коммутации в сети возникает минимальный переходный процесс, не создающий перенапряжений на незамкнутых фазах и помех при измерениях.
В замкнутую фазу от внешнего источника вводят ток, изменяющийся в широком диапазоне частот и неизменный по амплитуде. Для реальных распределительных сетей. как правило, частотный диапазон составляет от 0,5 до 3 кГц. Вводимый ток, напряжения на замкнутой фазе и на одной из незамкнутых фаз непрерывно регистрируют. Составляющие промышленной частоты в измеренных величинах подавляют (фильтруют). В момент первого максимума напряжения U2 на незамкнутой фазе определяют круговую частоту вводимого тока 1=2 /T1, на основе измерения периода T1, напряжение на замкнутой фазе , ток источника . Фазы измеряемых величин определяют на основе временных сдвигов максимумов относительно друг друга. Приближенно (без учета затуханий в канале дуги, нагрузки и индуктивностей фидеров) частота колебаний вводимого тока 1 может быть определена по формуле:

где Lи – индуктивность источника питания.
По результатам измерений рассчитывают величину полного активно-индуктивного сопротивления контура (фиг.2)
Z=j 1(LИ+LC)+RC+RЗ+RИ,
где LИ, RИ, LC, RC – эквивалентные индуктивности и сопротивления источника и сети.
Сопротивление Z определится из уравнений (фиг.2):



из которых

где 
Значение фазной емкости Сф может быть получено по выражению

где Uф – фазное напряжение сети, – промышленная частота сети на основе результатов измерения емкостного тока замыкания Iз, которое периодически выполняется в соответствии с требованиями ПТЭ и ПУЭ /4, 5/ либо непосредственно в процессе измерения при резистивном замыкании фазы на землю. Емкость сети может быть определена из равенства (токов замыкания):

где U1.50 – составляющая напряжения промышленной частоты на заземляющем резисторе Rз.
Из выражения (2) фазная емкость сети будет:

Декремент затухания свободных колебаний, характеризующий кратность перенапряжений в режиме замыкания, определяют соотношением:

Максимальное значение перенапряжений определяют суперпозицией вынужденной составляющей и свободной на первом полупериоде свободных колебаний по известному выражению:

где Uлин.макс – линейное напряжение, при котором обеспечивается максимум перенапряжений на незамкнутой фазе; Uпер.макс – максимальная переходная составляющая напряжения при замыкании одной из фаз.
Для сети с изолированной нейтралью максимум перенапряжений имеет место в момент повторного замыкания tз, предшествующий максимуму напряжения на поврежденной фазе
u(t)=Uфмcos( t)+uN(t),
на 19° (т.е. tз= макс=-19°) /6/, где Uфм – амплитуда фазного напряжения, uN – напряжение на нейтрали, не изменяющееся между моментами повторных замыканий. Соответствующее значение Uлин.макс отстающей (по отношению к поврежденной) фазы определяется для режима установившегося замыкания как

Полагая, что напряжение на нейтрали в соответствии с гипотезой горения дуги по Белякову Н.Н. /6-8/ не превышает более чем на 20% фазное максимальное напряжение (Uфм). т.е. uN 1,2 Uфм, максимальное значение перенапряжений составит:

На примере простой кабельной сети покажем применение способа. В режиме замыкания на землю через резистор шины фазы “А” источника питания в резистор и сеть вводится изменяющийся по частоте ток. Подавляя (фильтруя) в регистрируемых напряжениях промышленную частоту (фактически, измеряемый ток также представляется напряжением, отнесенным к некоторому сопротивлению шунтирующего резистора) на выводах питающего трансформатора фиксируются напряжения на замкнутой фазе (uA), одной из незамкнутых фаз (например, uB) и ток источника i (фиг.3). В момент первого максимума напряжения на незамкнутой фазе (момент времени t1) фиксируется временной интервал, равный периоду колебаний, и частота 1=2 /T1 (8980 радиан/с, фиг.4), измеряются амплитуды напряжений и тока и определяются фазы относительно любого максимума напряжения (или тока), например, относительно максимума напряжения незамкнутой фазы “В”. В соответствии с фиг.4 фаза тока (град), . Таким образом, по результатам измерений , , (В), (A) . По выражению (1) для фазной емкости сети Сф=5,7 мкФ получаем Z=5,7+9,7j Ом, по (3) =2600 1/с, тогда максимальное значение перенапряжений при замыканиях на землю в соответствии с (4) составит 2,57 Uфм. Длительность замыкания фазы на землю, необходимая для проведения измерения, составляет лишь несколько периодов промышленной частоты.
Таким образом, в сети с изолированной нейтралью в режиме замыкания фазы на землю выполняют простые измерения – осциллографирование напряжений на незамкнутой и замкнутой через заземляющий резистор фазах, а также изменяемого в широком диапазоне тока, вводимого в сеть и заземляющий резистор. По простым выражениям вычисляются частота свободных колебаний сети 1, декремент затухания и максимальный уровень перенапряжений Uмакс. Для реализации способа достаточно выполнить измерение величин недорогим трехканальным осциллографом в течение лишь нескольких периодов промышленной частоты.
Таким образом, способ определения перенапряжений основывается на простом эксперименте и несложной обработке измерительной информации, не требует длительного процесса измерений и значительных затрат на измерительную аппаратуру.
Литература
1. Автоматический регистратор импульсов перенапряжений. / Мусин А.Х., Аверьянов В.Н., Мамаев А.И., Гордиенко А.В. – Информационный листок Алтайского ЦНТИ №84-34, 1984.
4. Правила технической эксплуатации электрических станций и сетей РФ / Мин-во топлива и энергетики РФ, РАО “ЕЭС России”: РД 34.20.501-95. 15-ое изд. – М.: СПО ОРГРЭС, 1996.
5. Правила устройства электроустановок. ПУЭ-7. – Изд. 7-ое, M.: ЭНАС, 2003 г.
6. Перенапряжения в электрических системах и защита от них: Учебник для ВУЗов / В.В.Базуткин, К.П.Кадомская, М.В.Костенко, Ю.А.Михайлов. – СПб.: Энергоатомиздат, 1995.
8. Лихачев Ф.А. Замыкания на землю в сетях с изолированной нейтралью и с компенсацией емкостных токов. – M.: Энергия, 1971 г.
Формула изобретения
Способ определения максимальных перенапряжений при однофазных дуговых замыканиях на землю в сетях с изолированной нейтралью, заключающийся в непрерывном измерении фазных напряжений в режиме замыкания, отличающийся тем, что в сети осуществляют искусственное замыкание фазы на землю на шине источника напряжения через резистор с сопротивлением R3, соответствующим сопротивлению дуги, в момент прохождения фазного напряжения через нулевое значение в замкнутую фазу от источника тока вводят изменяемый в широком частотном диапазоне и неизменный по амплитуде ток, подавляют в измеряемых величинах напряжений и тока составляющую промышленной частоты, в момент первого максимума напряжения U3 на одной из незамкнутых фаз фиксируют период колебаний T1, амплитуду и фазу вводимого тока и напряжение на замкнутой фазе , по выражению

где Сф – фазная емкость сети,
определяют активно-индуктивное сопротивление контура Z на частоте декремент и уровень максимальных перенапряжении при однофазных замыканиях в сети где Uфм – амплитуда фазного напряжения.
РИСУНКИ
|