|
|
(21), (22) Заявка: 2003104357/14, 12.07.2001
(24) Дата начала отсчета срока действия патента:
12.07.2001
(30) Конвенционный приоритет:
14.07.2000 US 09/615,691 14.07.2000 US 09/616,433 14.07.2000 US 09/616,512 14.07.2000 US 09/616,556
(43) Дата публикации заявки: 20.07.2004
(45) Опубликовано: 10.03.2006
(56) Список документов, цитированных в отчете о поиске:
US 6054039 А, 25.04.2000. WO 99/62918 A1, 09.12.1999. WO 97/18465 A1, 22.05.1997. WO 97/00441 A1, 03.01.1997. WO 97/18464 A1, 22.05.1997. RU 98111192 A1, 10.06.2000.
(85) Дата перевода заявки PCT на национальную фазу:
14.02.2003
(86) Заявка PCT:
US 01/21964 (12.07.2001)
(87) Публикация PCT:
WO 02/06828 (24.01.2002)
Адрес для переписки:
129010, Москва, ул. Б.Спасская, 25, стр.3, ООО “Юридическая фирма Городисский и Партнеры”, пат.пов. Г.Б. Егоровой
|
(72) Автор(ы):
ХОДЖЕС Эластэйр (US), ШАТЕЛЬЕ Рон (US), БЕК Томас (AU)
(73) Патентообладатель(и):
ЛАЙФСКЕН, ИНК. (US)
|
(54) СПОСОБ ИЗМЕРЕНИЯ КОЛИЧЕСТВА ГЕМОГЛОБИНА
(57) Реферат:
Изобретение относится к медицинской диагностике и используется для измерения количества гемоглобина в образце цельной крови. При осуществлении способа используют устройство, содержащее электрохимическую ячейку с измерительной камерой, первый электрод, второй электрод, установленный напротив первого электрода на расстоянии менее примерно 500 микрон от него, отверстие для введения образца в измерительную камеру, лизирующий эритроциты агент и реагент, содержащиеся внутри измерительной камеры, причем реагент имеет возможность восстанавливаться под действием гемоглобина с генерацией электрического сигнала, указывающего на количество гемоглобина. Образец помещают в измерительную камеру, проводят электрохимическое измерение. Стадия электрохимического измерения включает приложение положительного потенциала к первому электроду; измерение тока реакции реагента и гемоглобина; анализ тока с получением результата, включающего в себя время, необходимое для по существу лизиса эритроцитов, или вычисленное конечное значение тока, вычисление процента завершения реакции как функции времени на основе результата стадии анализа. Затем изменяют потенциал на первом электроде; измеряют переходной ток и определяют коэффициент диффузии и концентрацию восстановленной формы реагента на основе переходного тока. Технический результат состоит в обеспечении проведения быстрого и простого теста в полевых и лабораторных условиях. 13 з.п. ф-лы, 4 ил. 
Область изобретения
Изобретение относится к устройству и способу для измерения уровня гемоглобина в образце крови. Устройство содержит одноразовую электрохимическую ячейку (элемент), содержащую агент, который лизирует эритроциты, и реагент, способный восстанавливаться под действием гемоглобина.
Предпосылки изобретения
Гемоглобин представляет собой используемую при дыхании молекулу, находящуюся в эритроцитах (красных кровяных тельцах). Он является ответственным за перенос кислорода из легких в клетки тела и за перенос диокисид углерода от клеток тела в легкие. Гемоглобин имеет молекулярную массу 68000 и содержит четыре полипептидных цепи. Каждая цепь связывается с группой гема, которая состоит из тетрапиррольного кольца, образующего хелат с ионом Fe+2. В легких атомы железа в молекуле гемоглобина обратимо объединяются с молекулой кислорода, которая затем, по мере циркуляции крови, переносится в клетки тела. Кислород освобождается из молекулы гемоглобина в тканях, а затем несодержащая кислород молекула гемоглобина захватывает диоксид углерода, который переносится назад в легкие, где он высвобождается.
Гемоглобин производится в клетках костного мозга, которые превращаются в эритроциты. Определенные заболевания, такие как анемия и серповидноклеточная анемия, приводят к дефициту гемоглобина. Кроме того, другие заболевания, такие как полицитэмия или эритроцитоз, приводят к избыточным уровням гемоглобина. Следовательно, в качестве помощи при диагностике или мониторинге таких заболеваний является желательным иметь способ и устройство для определения концентрации гемоглобина в цельной крови.
Известны многочисленные способы и устройства для определения уровня гемоглобина. Эти способы включают в себя как непосредственный (прямой) анализ, то есть анализ без Предварительной модификации гемоглобина, так и опосредованный (непрямой) анализ. Пример способа непосредственного анализа представляет собой метод Толквиста, где осуществляют измерение оптической плотности при прохождении или отражении красного цвета, придаваемого оксигемоглобином, одной из форм гемоглобина. Пример способа опосредованного анализа представляет собой метод Драбкина. В этом способе железо в гемоглобине окисляется с помощью феррицианида с образованием метгемоглобина, который преобразуется с помощью цианида в цианометгемоглобин, который затем измеряется спектрометрически. Оба этих способа имеют тот недостаток, что они требуют дорогого аналитического оборудования сложного приготовления образца. По этой причине является желательным иметь быстродействующие, простые и недорогие устройство и способ для измерения уровня гемоглобина, преодолевающие недостатки способов, известных из уровня техники.
Сущность изобретения
Предусматриваются устройство и способ для измерения гемоглобина с одноразовым чувствительным элементом, пригодным для одного отдельно взятого использования, который может быть объединен с измерителем для осуществления четкого, быстрого и простого в использовании теста (исследования), который является приспосабливаемым для использования как в полевых, так и в лабораторных условиях. В частности, предусматривается электрохимический датчик, который использует окислительно-восстановительный агент, который взаимодействует с гемоглобином с получением электрохимически детектируемого сигнала. Способ согласно предпочтительным вариантам воплощения измеряет общий уровень гемоглобина, оксигенированного плюс неоксигенированного, в противоположность спектрофотометрическим способам, где гемоглобин преобразуется в единственную форму на отдельной химической стадии, например, путем окисления гемоглобина, содержащего Fe+2, до метгемоглобина, содержащего Fe+3. Измерение уровня гемоглобина с помощью способа согласно предпочтительным вариантам воплощения не зависит от степени гликолизирования (гликолизации) или оксигенации (оксигенирования) гемоглобина, присутствующего в образце.
В первом аспекте предусматривается устройство для измерения количества гемоглобина в жидком образце цельной крови, причем образец цельной крови содержит эритроциты, а эритроциты содержат гемоглобин, содержащее электрохимическую ячейку с измерительной камерой, первый электрод, второй электрод, установленный напротив первого электрода на расстоянии менее примерно 500 микрон от него, отверстие для введения образца в измерительную камеру, лизирующий эритроциты агент и реагент, содержащиеся внутри измерительной камеры, причем реагент способен восстанавливаться под действием гемоглобина с генерацией электрического сигнала, указывающего на количество гемоглобина, при этом устройство дополнительно содержит средства приложения положительного потенциала к первому электроду; средства измерения тока, генерируемого за счет реакции реагента и гемоглобина; средства анализа тока с получением результата, включающего в себя время, необходимое для по существу лизиса эритроцитов, или вычисленное конечное значение тока; средства вычисления процента завершения реакции как функции времени на основе результата стадии анализа; средства изменения потенциала на первом электроде на обратный; средства измерения переходного тока; и средства определения коэффициента диффузии и концентрации восстановленной формы реагента на основе переходного тока. Электрохимическая ячейка может быть сконструирована заменяемой после использования в одном отдельно взятом эксперименте (т.е. одноразовой).
В одном из аспектов настоящего варианта воплощения первый электрод представляет собой измерительный электрод. Измерительный электрод может быть выполнен из платины, палладия, углерода, оксида индия, оксида олова, золота, иридия, меди, стали, серебра, или их смесей. Первый электрод может формироваться с помощью технологии, включающей в себя напыление, досаждение из паровой (газовой) фазы, трафаретную печать, термическое испарение, струйную печать, ультразвуковое распыление, щелевое покрытие, глубокую печать или литографию.
В другом аспекте настоящего варианта воплощения второй электрод представляет собой противоэлектрод. Второй электрод может представлять собой металл в контакте с солью металла, например серебро в контакте с хлоридом серебра, серебро в контакте с бромидом серебра, серебро в контакте с иодидом серебра, ртуть в контакте с хлоридом ртути (I) и ртуть в контакте с сульфатом ртути (I). Второй электрод также может быть электродом сравнения.
В другом аспекте настоящего варианта воплощения электрохимическая ячейка дополнительно включает в себя третий электрод, который может быть электродом сравнения. Третий электрод может включать в себя металл в контакте с солью металла, например серебро в контакте с хлоридом серебра, серебро в контакте с бромидом серебра, серебро в контакте с иодидом серебра, ртуть контакте с хлоридом ртути (I) и ртуть в контакте с сульфатом ртути (I).
В другом аспекте настоящего варианта воплощения реагент может включать в себя дихромат, оксиды ванадия, перманганат, электроактивные (электрохимически активные) металлоорганические комплексы, хиноны, дихлорфенолиндофенол и феррицианид. Внутри измерительной камеры может содержаться буфер, такой как фосфат, карбонат, соль щелочного металла и меллитовой кислоты или соль щелочного металла и лимонной кислоты. Измерительная камера дополнительно включает в себя лизирующий эритроциты агент, например агент, выбранный из ионных детергентов, неионных детергентов, протеолитических ферментов, липаз, сапонина, додецилсульфата натрия, бромида цетилтриметиламмония или полиэтоксилированного октилфенола.
В другом аспекте настоящего варианта воплощения образец включает в себя цельную кровь.
В другом аспекте настоящего варианта воплощения измерительная камера дополнительно включает в себя поддерживающее средство, содержащееся внутри измерительной камеры, например сетку, лист нетканого материала, волокнистый наполнитель, микропористую мембрану, спеченный порошок или их сочетания. Реагент, лизирующий эритроциты агент, и/или буфер могут содержаться внутри или поддерживаться на поддерживающем средстве.
В другом аспекте настоящего варианта воплощения второй электрод устанавливается напротив первого электрода на расстоянии менее примерно 500 микрон от него; или менее примерно 150 микрон от него; или менее примерно 150 микрон и более примерно 50 микрон от него.
В другом аспекте настоящего варианта воплощения устройство включает в себя интерфейс для соединения с измерителем. Интерфейс может передавать напряжение или ток. Электрохимическая ячейка может быть тонкослойной электрохимической ячейкой.
Во втором аспекте предусматривается способ измерения количества гемоглобина в жидком образце цельной крови, причем образец цельной крови содержит эритроциты, а эритроциты содержат гемоглобин, и при этом способ включает в себя стадии, на которых: обеспечивают наличие устройства, содержащего электрохимическую ячейку с измерительной камерой, первый электрод, второй электрод, установленный напротив первого электрода на расстоянии менее примерно 500 микрон от него, отверстие для введения образца в измерительную камеру, реагент, содержащийся внутри измерительной камеры и способный восстанавливаться под действием гемоглобина, и лизирующий эритроциты агент, содержащийся внутри измерительной камеры; помещают образец цельной крови в измерительную камеру, при этом содержащийся внутри измерительной камеры лизирующий агент высвобождает из эритроцитов гемоглобин, и высвобожденный таким образом гемоглобин восстанавливает реагент; и проводят электрохимическое измерение, указывающее на количество гемоглобина, присутствующего в образце цельной крови, причем стадия проведения электрохимического измерения заключается в том, что: прилагают положительный потенциал к первому электроду; измеряют ток, генерируемый за счет реакции реагента и гемоглобина; анализируют этот ток с получением результата, включающего в себя время, требуемое для по существу лизиса эритроцитов, или вычисленное конечное значение тока; вычисляют процент завершения реакции как функции времени на основе результата стадии анализа; изменяют на обратный потенциал на первом электроде; измеряют переходный ток; и определяют коэффициент диффузии и концентрацию восстановленной формы реагента на основе переходного тока.
В одном из аспектов настоящего варианта воплощения электрохимическая ячейка сконструирована заменяемой после использования в одном отдельно взятом эксперименте (т.е. одноразовой), или может представлять собой тонкослойную электрохимическую ячейку. Электрохимическое измерение может быть амперометрическим измерением, потенциометрическим измерением, кулонометрическим измерением или количественным измерением.
В третьем аспекте предусматривается способ изготовления устройства для определения количества гемоглобина в жидком образце целой крови, причем образец цельной крови содержит эритроциты, эритроциты содержат гемоглобин, а устройство содержит электрохимическую ячейку с измерительной камерой, первый электрод, второй электрод, отверстие для введения образца в измерительную камеру, лизирующий эритроциты агент и реагент, содержащиеся внутри измерительной камеры, причем реагент способен восстанавливаться под действием гемоглобина с генерацией электрического сигнала, указывающего на количество гемоглобина в образце, причем способ включает в себя стадии, на которых: формируют отверстие, простирающееся сквозь лист материала, обладающего большим электрическим сопротивлением, при этом отверстие задает боковую стенку измерительной камеры; прикрепляют первый слой, имеющий первый электрод, к первой стороне листа поверх отверстия для образования тем самым первой торцевой стенки измерительной камеры, причем первый электрод обращен к первой стороне листа; прикрепляют второй слой, имеющий второй электрод, ко второй стороне листа поверх отверстия для образования тем самым второй торцевой стенки измерительной камеры в по существу совмещаемом с первым слоем положении при наложении, причем второй электрод обращен ко второй стороне листа, в результате чего лист и слои образуют полоску, и при этом второй электрод устанавливают напротив первого электрода на расстоянии менее примерно 500 микрон от него; обеспечивают наличие в полоске отверстия для поступления образца в измерительную камеру; обеспечивают наличие реагента, способного восстанавливаться под действием гемоглобина, внутри измерительной камеры; обеспечивают наличие лизирующего эритроциты агента внутри измерительной камеры; обеспечивают наличие средств приложения положительного потенциала к первому электроду; обеспечивают наличие средств измерения тока, генерируемого за счет реакции реагента и гемоглобина; обеспечивают наличие средств анализа этого тока с получением результата, включающего в себя время, необходимое для по существу лизиса эритроцитов, или вычисленное конечное значение тока; обеспечивают наличие средств вычисления процента завершения реакции как функции времени на основе результата стадии анализа; обеспечивают наличие средств изменения потенциала на первом электроде на обратный; обеспечивают наличие средств измерения переходного тока; и обеспечивают наличие средств определения коэффициента диффузии и концентрации восстановленной формы реагента на основе переходного тока.
В одном из аспектов настоящего варианта воплощения способ дополнительно включает в себя стадию обеспечения наличия в полоске вентиляционного канала для удаления воздуха, вытесняемого из измерительной камеры по мере заполнения измерительной камеры образцом.
В другом аспекте настоящего варианта воплощения отверстие имеет прямоугольное сечение.
В другом аспекте настоящего варианта воплощения по меньшей мере один из электродов включает в себя благородный металл, такой как палладий, платину и серебро. По меньшей мере один из электродов может представлять собой осажденное с помощью напыления металлическое покрытие. Электроды могут быть приклеены к листу, например, с помощью клея, такого как термически активируемый клей, чувствительный к давлению клей, термически отверждаемый клей, химически отверждаемый клей, термоплавкий клей и термически размягчаемый клей.
В другом аспекте настоящего варианта воплощения способ может включать в себя стадию обеспечения наличия буфера и/или лизирующего эритроциты агента, содержащегося внутри измерительной камеры. Реагент и/или буфер могут быть нанесены с помощью печати на по меньшей мере одну стенку измерительной камеры. Может также быть предусмотрено поддерживающее средство, содержащееся внутри измерительной камеры, такое как сетка, волокнистый наполнитель, микропористая мембрана, спеченный порошок или их сочетания. Реагент может поддерживаться на или содержатся внутри поддерживающего средства.
В другом аспекте настоящего варианта воплощения по меньшей мере лист или один из слоев включает в себя полимерный материал, выбранный из сложного полиэфира, полистирола, поликарбоната, полиолефина и их смесей, или полиэтилентерефталат.
В другом аспекте настоящего варианта воплощения второй электрод устанавливается напротив первого электрода на расстоянии менее примерно 500 микрон от него; или менее примерно 150 микрон от него; или менее примерно 150 микрон и более примерно 50 микрон от него.
В другом аспекте настоящего варианта воплощения электрохимическая ячейка сконструирована заменяемой после использовании в одном отдельно взятом эксперименте (т.е. одноразовой).
Краткое описание чертежей
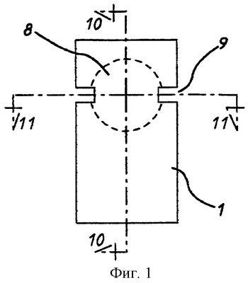
Фиг.1 изображает вид сверху электрохимической ячейки.
Фиг.2 изображает вид в поперечном сечении по линии 10-10 на фиг.1.
Фиг.3 изображает торцевой вид в разрезе по линии 11-11 на фиг.1.
Подробное описание предпочтительных вариантов воплощения
Следующее далее описание и примеры подробно иллюстрируют предпочтительный вариант воплощения настоящего изобретения. Специалист в данной области техники заметит, что существуют многочисленные вариации и модификации настоящего изобретения, которые охватываются его рамками. В соответствии с этим описание предпочтительного варианта воплощения не должно рассматриваться как ограничение рамок настоящего изобретения.
Способы и устройства для получения (осуществления) электрохимических измерений образцов жидкости обсуждаются дополнительно в совместной заявке на патент США №09/615691, поданной 14 июля 2000 года и озаглавленной “ANTIOXIDANT SENSOR”, совместной заявке на патент США №09/616433, поданной 14 июля 2000 года и озаглавленной “IMMUNOSENSOR”, и совместной заявке на патент США №09/616556, поданной 14 июля 2000 года и озаглавленной “ELECTROCHEMICAL METHOD FOR MEASURING CHEMICAL REACTION RATES”, каждая из которых включается сюда в качестве ссылки во всей их полноте.
Образец
В предпочтительных вариантах воплощениях предусматриваются способ и устройство для измерения уровней гемоглобина в жидком образце цельной крови. Если образец цельной крови не находится в жидкой форме, то есть представляет собой высушенную кровь, он может быть проанализирован после того, как твердый образец смешивается с соответствующей жидкостью, например с водой. Цельная кровь, содержащаяся в твердом образце ткани, может быть проанализирована после ее извлечения (экстракции), используя методики, хорошо известные в данной области.
Перед его анализом гемоглобин высвобождается из эритроцитов, в которых он содержится. Это может быть достигнуто путем предварительной обработки образца цельной крови перед его введением в электрохимическую ячейку с помощью лизирующего агента. Альтернативно, лизирующий агент может содержаться внутри самой электрохимической ячейки. Другие агенты также могут быть использованы для предварительной обработки образца. Например, значение рН может быть доведено до желаемого уровня посредством буфера или нейтрализующего агента, или может быть добавлено вещество, которое делает мешающие частицы нереакционноспособными.
Электрохимическая ячейка
Электрохимическая ячейка предпочтительно является заменяемой или одноразовой и конструируется для использования в одном отдельно взятом эксперименте. В предпочтительном варианте воплощения, электрохимическая ячейка представляет собой тонкослойный датчик, такой как описан в патенте США 5942102 (включается сюда в качестве ссылки во всей его полноте). Предпочтительный вариант воплощения такой электрохимической ячейки иллюстрируется на фиг.1, 2 и 3. Ячейка, иллюстрируемая на фиг.1, 2 и 3, включает в себя полиэфирную сердцевину 4, имеющую круглое отверстие 8. Отверстие 8 определяет цилиндрическую боковую стенку 12 ячейки. На одной стороне сердцевины 4 приклеен лист 1 из сложного полиэфира, имеющий напыленное покрытие из палладия 2. Лист приклеен посредством клея 3 к сердцевине 4, при этом палладий 2 размещается рядом с сердцевиной 4 и закрывает отверстие 8. Второй лист 7 из сложного полиэфира, имеющий второе напыленное покрытие из палладия 6, приклеивается посредством контактного клея 5 к другой стороне сердцевины 4 и закрывает отверстие 8. Тем самым определяется ячейка, имеющая цилиндрическую боковую стенку 12 и закрытая с каждого торца металлическим палладием 2, 6. В сборке сделаны вырезы 9 для того, чтобы обеспечить поступление раствора в ячейку или его всасывание под действием впитывания или капиллярных сил, и чтобы дать возможность воздуху для ухода. Металлические пленки 2, 6 соединены с соответствующими электрическими соединителями или структурами, за счет которых могут прикладываться потенциалы и измеряться их изменения со временем.
Такая тонкослойная электрохимическая ячейка получается сначала путем формирования отверстия, простирающегося сквозь лист материала, обладающего большим электрическим сопротивлением, причем отверстие определяет боковую стенку электрохимической ячейки. Соответствующие материалы, обладающие большим электрическим сопротивлением, которые могут быть использованы в качестве листа, содержащего отверстие, или для других слоев ячейки, включают в себя, например, такие материалы, как сложные полиэфиры, полистиролы, поликарбонаты, полиолефины, полиэтилентерефталат, их смеси и тому подобное. В предпочтительном варианте воплощения отверстие в листе является прямоугольным, хотя также могут быть использованы и другие формы, например круглая.
После формирования отверстия первый тонкий слой электрода прикрепляется к одной стороне листа материала, обладающего большим электрическим сопротивлением, простираясь поверх (перекрывая) отверстие и формируя торцевую стенку. Слой может быть приклеен к листу, например, посредством клея. Соответствующие клеи включают в себя, например, термически активируемые клеи, чувствительные к давлению клеи, термически отверждаемые клеи, химически отверждаемые клеи, термоплавкие клеи, термически размягчаемые клеи и тому подобное. Слой электрода приготавливают путем покрытия (например, с помощью напыления) листа из материала, обладающего большим электрическим сопротивлением, соответствующим металлом, например палладием.
Затем второй тонкий слой электрода прикрепляется к противоположной стороне материала, обладающего большим электрическим сопротивлением, также простираясь поверх (перекрывая) отверстие, так что он формирует вторую торцевую стенку. В предпочтительном варианте воплощения слои электродов прикрепляются друг напротив друга на расстоянии, меньшем, чем примерно 1 миллиметр, желательно меньшем, чем примерно 800 микрон, более желательно меньшем, чем примерно 600, или предпочтительно меньшем, чем примерно 500 микрон, более предпочтительно меньшем, чем примерно 300-150 микрон, еще более предпочтительно меньшем, чем 150 микрон, и наиболее предпочтительно в пределах между 25, 40, 50, 100 и 150 микронами. Затем создается второе отверстие или вход, чтобы жидкость могла поступать в ячейку. Такой вход может быть обеспечен путем формирования выреза вдоль одной кромки устройства, который простирается сквозь слои электродов и отверстие. Слои электродов снабжены соединительными средствами, которые дают возможность для помещения датчика в измерительную цепь.
Химикалии для использования в ячейке, такие как окислительно-восстановительные реагенты, лизирующие агенты, буферы и другие вещества, могут быть нанесены на электроды или стенки ячейки, на одно или несколько независимых поддерживающих средств, содержащихся внутри ячейки, или могут быть самоподдерживающимися. Если химикалии должны наноситься на электроды или стенки ячейки, химикалии могут наноситься путем использования методик нанесения, хорошо известных в данной области техники, таких как струйная печать, трафаретная печать, литография, ультразвуковое распыление, щелевое покрытие, глубокая печать и тому подобное. Соответствующие независимые поддерживающие средства могут включать в себя, но не ограничиваются этим, сетки, лист нетканого материала, волокнистые наполнители, макропористые мембраны и спеченные порошки. Химикалии для использования в ячейке могут наноситься на поддерживающее средство или содержаться в самом поддерживающем средстве.
В предпочтительном варианте воплощения, материалы, используемые внутри ячейки, также как и материалы, используемые для конструирования ячейки, находятся в форме, пригодной для массового производства, а сами ячейки конструируются таким образом, чтобы их можно было использовать в одном отдельно взятом эксперименте, а затем выбросить.
В соответствии с предпочтительным вариантом воплощения, заменяемая или одноразовая ячейка является ячейкой, которая является достаточно недорогой в производстве, так что она может использоваться экономически приемлемо всего в одном отдельно взятом тесте. Во-вторых, ячейку можно удобно использовать всего в одном отдельно взятом тесте. Неудобно в этом контексте означает, что такие шаги, как промывка и/или повторная загрузка реагентов должны быть предприняты для обработки ячейки после одного отдельно взятого использования, чтобы сделать ее пригодной для последующего использования.
Экономически приемлемо в этом контексте означает, что конечная цена результата теста для пользователя является такой же или большей, чем стоимость покупки и использования ячейки, причем продажная цена ячейки задается стоимостью поставки ячейки пользователю плюс наценка. Для многих применений это соответствует требованию того, чтобы ячейки имели относительно низкие стоимости материалов и простые процессы изготовления. Например, материалы электродов для ячеек должны быть недорогими, такими как уголь, или должны использоваться в достаточно малых количествах с тем, чтобы дорогие материалы могли быть использованы. Трафаретная печать с помощью угольных или серебряных чернил представляет собой процесс, пригодный для формирования электродов с помощью относительно недорогих материалов. Однако если является желательным использовать такие материалы электродов, как платина, палладий, золото или иридий, способы с лучшим использованием материалов, такие как нанесение напылением или осаждением из паровой фазы, являются более пригодными, поскольку они могут давать исключительно тонкие пленки. Предпочтительно, чтобы материалы подложки для заменяемых ячеек также были недорогими. Примеры таких недорогих материалов представляют собой полимеры, такие как поливинилхлорид, полиимид, сложный полиэфир, а также бумагу и картон с нанесенным покрытием.
Способы сборки ячеек предпочтительно являются пригодными для массового производства. Эти способы включают в себя изготовление множества ячеек на листах и разделение листа на индивидуальные полоски после основных стадий сборки, и изготовление из полотна, когда ячейки изготавливаются на непрерывном полотне, которое впоследствии разделяется на индивидуальные полоски. Листовые процессы являются наиболее пригодными для использования, когда для изготовления точное пространственное совмещение множества деталей требуется, и/или когда должны использоваться жесткие материалы для подложек в ячейках. Процессы на основе полотна являются наиболее пригодными для использования в том случае, когда совмещение деталей на полотне является не таким критичным, и могут использоваться гибкие материалы в виде непрерывного полотна.
Требование удобного одноразового использования для заменяемой ячейки является желательным для того, чтобы пользователи не пытались повторно использовать ячейку и, возможно, получать неточный результат теста. Требование одноразового использования для ячейки может быть сформулировано в инструкциях для пользователей, прилагаемых к ячейке. Более предпочтительно ячейка также может быть изготовлена таким образом, чтобы использование ячейки более одного раза являлось сложным или невозможным. Это может быть достигнуто, например, путем включения в состав реагентов, которые вымываются или потребляются во время первого теста, и поэтому являются нефункциональными при следующем тесте. Альтернативно, сигнал, создаваемый в ходе теста, может быть проверен на наличие показателей того, что реагенты в ячейке уже прореагировали, таких как аномально высокий начальный сигнал, и тест прерывается. Другой способ включает в себя создание средств для разрыва электрических соединений в ячейке после завершения первого теста в ячейке.
Электроды
По меньшей мере, один из электродов в ячейке представляет собой измерительный электрод, определяемый как электрод, чувствительный к количеству окисленного окислительно-восстановительного агента. В случае потенциометрического датчика, где потенциал измерительного электрода является показателем уровня присутствующего гемоглобина, присутствует второй электрод, действующий в качестве электрода сравнения, который действует для создания потенциала сравнения.
В случае амперометрического датчика, где ток измерительного электрод является показателем уровня гемоглобина в образце, присутствует, по меньшей мере, еще один электрод, который функционирует как противоэлектрод, для замыкания электрической цепи. Этот второй электрод может также функционировать в качестве электрода сравнения. Альтернативно, функцию электрода сравнения может осуществлять отдельный электрод.
Материалы, пригодные для измерительного электрода, противоэлектрода и электрода сравнения являются совместимыми с окислительно-восстановительными реагентами, присутствующими в устройстве. Совместимые материалы не должны химически взаимодействовать с окислительно-восстановительным реагентом или любым другим веществом, присутствующим в ячейке. Примеры таких соответствующих материалов включают в себя, но не ограничиваются этим, платину, палладий, углерод, оксид индия, оксид олова, смешанные оксиды индия/олова, золото, серебро, иридий и их смеси. Эти материалы могут быть сформированы в структуры электродов с помощью любого пригодного способа, например, путем напыления, осаждения из паровой или газовой фазы, трафаретной печати, термического испарения или литографии. В предпочтительных вариантах воплощения материал напыляется или наносится с помощью трафаретной печати с образованием структур электродов.
Неограничивающие примеры материалов, пригодных для использования в качестве электрода сравнения, включают в себя системы металл/соль металла, такие как серебро в контакте с хлоридом серебра, бромидом серебра или иодидом серебра, и ртуть в контакте с хлоридом ртути (I) или сульфатом ртути (I). Металл может быть осажден с помощью любого пригодного способа, а затем приведен в контакт с соответствующей солью металла. Пригодные для использования способы включают в себя, например, электролиз в растворе соответствующей соли или химическое окисление. Такие системы металл/соль металла обеспечивают лучший контроль потенциала в способах потенциометрического измерения, чем системы только с металлическими компонентами. В предпочтительном варианте воплощения системы электродов металл/соль металла используются в качестве отдельного электрода сравнения в амперометрическом датчике.
Лизирующий агент
Пригодные для использования лизирующие эритроциты агенты включают в себя детергенты как ионные, так и неионные, протеолитические ферменты и липазы. Пригодные для использования ионные детергенты включают в себя, например, додецилсульфат натрия и бромид цетилтриметиламмония. Не ограничивающие примеры протеолитических ферментов включают в себя трипсин, химотрипсин, пепсин, папаин и Pronase E, очень активный фермент, имеющий широкую специфичность. Неионные поверхностно-активные вещества, пригодные для использования, включают в себя, например, этоксилированные октилфенолы, включая Triton X Series, доступные от Rohm & Haas of Philadelphia, Pennsylvania. В предпочтительном воплощении в качестве лизирующего агента используются сапонины, то есть растительные гликозиды, которые пенятся в воде.
Окислительно-восстановительный реагент
Пригодные для использования окислительно-восстановительные реагенты включают в себя такие реагенты, которые способны окислять гемоглобин. Примеры окислительно-восстановительных реагентов, пригодных для использования при анализе гемоглобина, включают в себя, но не ограничиваются этим, соли феррицианида, дихромат, оксиды ванадия, перманганат и электроактивные (электрохимически активные) металлоорганические комплексы. Органические окислительно-восстановительные реагенты, такие как дихлорфенолиндофенол и хиноны, также являются пригодными. В предпочтительном варианте воплощения окислительно-восстановительный реагент для анализа гемоглобина представляет собой феррицианид.
Буфер
При необходимости в электрохимической может ячейке присутствовать буфер вместе с окислительно-восстановительным реагентом в высушенной форме. Если используется буфер, он присутствует в таком количестве, что получаемый в результате уровень рН является пригодным для доведения окислительного потенциала окислительно-восстановительного реагента до уровня, пригодного для окисления гемоглобина, но не других веществ, которые детектировать нежелательно. Буфер присутствует в количестве, достаточном для того, чтобы по существу поддерживать рН образца на заданном уровне в течение всего теста. Примеры буферов, пригодных для использования, включают в себя фосфаты, карбонаты, соли щелочных металлов и меллитовой кислоты, а также соли щелочных металлов и лимонной кислоты. Выбор буфера будет зависеть от желаемого значения рН. Буфер выбирается таким образом, чтобы он не взаимодействовал с окислительно-восстановительным реагентом.
Другие вещества, присутствующие внутри ячейки
В дополнение к окислительно-восстановительным реагентам и буферам, и другие вещества также могут присутствовать внутри электрохимической ячейки. Такие вещества включают в себя, например, модификаторы вязкости и полимеры с низкой молекулярной массой. Внутри ячейки также могут содержаться гидрофильные вещества, такие как полиэтиленгликоль, полиакриловая кислота, декстран, и поверхностно-активные вещества, такие как те, которые продаются Rohm & Haas Company of Philadelphia, Pennsylvania под торговой маркой Triton , или ICI Americas Inc. of Wilmington, Delaware под торговой маркой Tween . Такие вещества могут увеличить скорость заполнения ячейки, обеспечить более стабильное измерение и замедлить испарение образцов малого объема.
Способ измерения концентрации гемоглобина
При измерении уровня гемоглобина, присутствующего в образце цельной крови, образец вводится в измерительную ячейку, при этом образец растворяет высушенные реагенты и другие вещества, присутствующие в измерительной ячейке. Если образец не был предварительно обработан с помощью лизирующего агента, лизирующий агент, присутствующий в измерительной ячейке, высвобождает гемоглобин из эритроцитов. Затем окислительно-восстановительный реагент взаимодействует с гемоглобином, присутствующим в образце, с образованием восстановленной формы окислительно-восстановительного реагента. В случае потенциометрического датчика получаемое в результате отношение окисленной и восстановленной форм окислительно-восстановительного реагента фиксирует потенциал измерительного электрода по отношению к электроду сравнения. Затем этот потенциал используется в качестве показателя исходной концентрации гемоглобина в образце.
В предпочтительном варианте воплощения измерительная ячейка работает в качестве амперометрического датчика. В соответствии с этим вариантом воплощения, восстановленный окислительно-восстановительный реагент, образующийся при взаимодействии с гемоглобином, электрохимически окисляется на измерительном электроде. Ток, возникающий при этой электрохимической реакции, затем используется для измерения исходной концентрации гемоглобина в образце. В других вариантах воплощения, датчик работает в потенциометрическом или кулонометрическом режиме.
Электроды ячейки используются для получения электрического сигнала, то есть напряжения или тока, который может считываться присоединенным измерителем. В предпочтительном варианте воплощения предусматривается интерфейс для присоединения ячейки к измерителю. Измеритель может отображать измерение, т.е. полученные в ходе измерения данные в визуальной, аудио или иной форме, или может сохранять данные измерения в электронной форме.
В предпочтительном варианте воплощения, где феррицианид используется в качестве реагента, типичная концентрация гемоглобина, например, 14 г/дл, должна давать при окислении концентрацию ферроцианида 8,2 мМ. Нижний предел детектирования в предпочтительном воплощении способа и устройства составляет приблизительно 0,1 мМ.
Измерение уровня гемоглобина с использованием первой и второй стадий приложения потенциала
В предпочтительном варианте воплощения перед измерением уровня гемоглобина достигается по существу полный лизис всех эритроцитов. Однако путем использования первой и второй стадий приложения потенциала может быть получено быстрое измерение уровня гемоглобина, даже если стадия лизиса происходит медленно.
В таком варианте воплощения, используется конфигурация датчика, описанная выше, например датчик, где нижний электрод представляет собой палладий, и на нем осаждены высушенные реагенты, и где верхний электрод представляет собой золотой электрод. Первый потенциал прикладывается путем приложения потенциала -0,3В в нулевой момент времени с тем, чтобы использовать золотой электрод в качестве рабочего электрода. Когда начинается лизис эритроцитов и феррицианид взаимодействует с высвобождающимся гемоглобином, ток начинает медленно возрастать. Увеличение тока может быть использовано несколькими способами: для оценки времени, требующегося для полного лизиса и реакции, для экстраполяции сигнала на более длинные времена или для оценки доли гемоглобина, прореагировавшего в данный момент времени. Первый способ дает некоторую гарантию качества, а второй и третий способы приводят к более короткому тесту.
После приложения первого потенциала и измерения тока знак потенциала может быть заменен на обратный, т.е. до +0,3В, и обратный переходной ток может быть измерен и проанализирован с использованием электрохимических методов, известных в данной области техники, например, как описано в заявке на патент США №08/981385, поданной 17 апреля 1998 года, и в патенте США 5942102 (оба включаются сюда в качестве ссылок во всей их полноте), для вычисления коэффициента диффузии и концентрации ферроцианида.
Приложение первого потенциала может также быть использовано для вычитания фона. Феррицианид взаимодействует с мешающими веществами, которые находятся в плазме в свободной форме, быстрее, чем с гемоглобином, который изолирован в эритроцитах. Отношение минимального и максимального (или экстраполированных) токов, возникающих при первом приложении потенциала, может быть использовано для получения концентрации восстановленного медиатора, измеряемой с помощью второго импульса потенциала (при +0,3В), тем самым, получается более точное, скорректированное значение концентрации гемоглобина. Самая простая коррекция может представлять собой:
[Hb]’=[Hb]·(1-imin/imax),
где [Hb]’ представляет собой скорректированную концентрацию гемоглобина, [Hb] представляет собой некорректированную концентрацию гемоглобина, imin представляет собой измеренный ток и imax представляет собой экстраполированный ток, возникающий при первом приложении потенциала.
Проведение других электрохимических измерений с использованием датчика гемоглобина
В определенных вариантах воплощения информация, относящаяся к скорости химической реакции, которая дает, по меньшей мере, один электрохимически активный продукт, может быть получена с использованием датчика, если обеспечить локализацию химической реакции в области, удаленной от электрода, используемого для электрохимического взаимодействия электрохимически активного продукта (активных продуктов).
Область химической реакции является достаточно удаленной от электрода, так что массоперенос электрохимически активных частиц из области химической реакции к электроду эффективно контролирует ток, протекающий на электроде в любой момент времени. Это расположение обеспечивает по существу линейное изменение концентрации электрохимически активных частиц между областью химической реакции и электродом. Концентрация электрохимически активных частиц на электроде поддерживается в среднем равной нулю благодаря электрохимической реакции, имеющей там место. Поэтому изменение со временем величины этого градиента концентрации будет по существу определяться только зависимостью от времени концентрации электрохимически активного вещества (веществ) в области химической реакции и коэффициентом (коэффициентами) диффузии электрохимически активного продукта (продуктов) реакции в жидкой среде. Поскольку ток, протекающий на электроде, является пропорциональным градиенту концентрации электрохимически активных веществ на электроде, зависимость от времени этого тока будет отражать зависимость от времени химической реакции, происходящей в отдаленной области. Это предоставляет возможность для использования тока, измеряемого на электроде (или прошедшего заряда, если ток интегрируется), в качестве удобного показателя скорости и степени завершенности химической реакции, имеющей место.
Пример соответствующего способа для обеспечения того, что химическая реакция является удаленной от рабочего электрода, представляет собой иммобилизацию одного или нескольких компонентов реакции на твердой поверхности, удаленной от электрода. Компонент (компоненты) реакции могут быть иммобилизованы путем включения их в полимерную матрицу, которая высушивается или иным способом закрепляется на твердой поверхности. Компонент (компоненты) реакции могут также быть связаны непосредственно с твердой поверхностью с помощью либо химической, либо физической связи. Альтернативно один или несколько из компонентов реакции могут просто быть высушены на твердой поверхности без специальных средств иммобилизации. В этой ситуации один или несколько из компонентов реакции являются достаточно низкими по подвижности в жидкой матрице, заполняющей электрохимическую ячейку, так что они по существу не мигрируют из положения, где они высушены, в течение всего периода времени, когда электрохимический ток может отслеживаться с пользой для осуществления необходимого измерения. В этом контексте достаточная миграция означает, что компонент, движущийся медленнее всех, требуемый для химической реакции, подходит настолько близко к рабочему электроду, что на зависимость от времени тока, протекающего на электроде, начинает влиять кинетика истощения типа Котрелла.
Диапазон расстояний, которые разделяют область химической реакции и рабочий электрод, в предпочтительных вариантах воплощения, желательно является меньшим, чем примерно 1 см, предпочтительно меньшим, чем 5 мм, более предпочтительно, находится в пределах между 5, 10, 50, 100, 200, 500 микронами и 5 мм, еще более предпочтительно между 5, 10, 50, 100, 200 и 500 микронами и наиболее предпочтительно между 5, 10, 50, 100 и 200 микронами.
Так же, как и рабочий электрод, по меньшей мере еще один противоэлектрод в контакте с образцом жидкости предусматривается для замыкания электрохимической цепи. При необходимости противоэлектрод может функционировать в качестве комбинированного противоэлектрода/электрода сравнения, или может быть предусмотрен отдельный электрод сравнения. В предпочтительном варианте воплощения, рабочий электрод и противоэлектрод, желательно, разделяются расстоянием большим, чем примерно 300 микрон, предпочтительно расстоянием, большим, чем примерно 500 микрон, еще более предпочтительно расстоянием в пределах между примерно 500 микронами и 10 мм, еще более предпочтительно расстоянием в пределах между примерно 500 микронами и 1, 2, 5 мм и наиболее предпочтительно между 1 мм и 2, 5, 10 мм.
Рабочий электрод конструируется из материалов, которые не взаимодействуют химически с любым компонентом, с которым он будет приходить в контакт во время использования, до такой степени, чтобы искажать отклик в виде тока электрода. Если рабочий электрод должен использоваться в качестве анода, тогда примерами пригодных для использования материалов являются платина, палладий, углерод, углерод в сочетании с инертными связующими, иридий, оксид индия, оксид олова, смеси оксидов индия и олова. Если рабочий электрод должен использоваться в качестве катода, тогда, в дополнение к материалам, перечисленным выше, другие пригодные для использования материалы представляют собой сталь, нержавеющую сталь, медь, никель, серебро и хром.
Примеры материалов, пригодных для противоэлектродов, представляют собой платину, палладий, углерод, углерод в сочетании с инертными связующими, иридий, оксид индия, оксид олова, смесь оксидов индия и олова, сталь, нержавеющую сталь, медь, никель, хром, серебро и серебро, покрытое по существу нерастворимой солью серебра, такой как хлорид серебра, бромид серебра, иодид серебра, ферроцианид серебра, феррицианид серебра.
Область химической реакции может быть локализована на гладкой стенке или на противоэлектроде, удаленном от рабочего электрода. Область химической реакции может находиться в той же плоскости, что и рабочий электрод или, что более предпочтительно, в плоскости, по существу параллельной рабочему электроду и обращенной к нему.
Датчик, пригодный для использования в определенных вариантах воплощения, включает в себя рабочий электрод и противоэлектрод, которые размещены на электрически изолирующей подложке. На второй подложке расположен слой химических реагентов, где по меньшей мере один из реагентов является по существу иммобилизированным на подложке. При использовании пространство между стенками датчика заполняется жидкостью, содержащей вещество, которое является способным к взаимодействию с реагентами, с получением по меньшей мере одного вида электрохимически активного вещества. Продукты химической реакции диффундируют к рабочему электроду, где электрохимически активно вещество (вещества) электрохимически взаимодействует(-ют) с получением тока. Величина тока или заряда, прошедшего в или за определенное время, или зависимость тока от времени или прошедшего заряда затем может быть использована для получения показателя скорости или степени завершенности химической реакции, происходящей в слое реагента.
В другом варианте воплощения датчика реагенты размещаются на противоэлектроде, который находится на подложке, обладающей большим электрическим сопротивлением. В этом варианте воплощения материалы конструкции противоэлектрода являются инертными по отношению к взаимодействию с любым из компонентов реагентов, размещенных на электроде.
Способ выполнения электрохимического измерения, описанный выше, может быть применен к любой пригодной для использования электрохимической системе, включая гемоглобин. Пример применения такого способа к типичной, хотя и отличающейся, электрохимической системе представляет собой измерение уровня глюкозы в цельной крови с использованием фермента PQQ-, т.е. пирролохинолин хинон-зависимой глюкозодегидрогеназы (GDHpqq) и окисляемого-восстанавливаемого медиатора. В этой реакции глюкоза в крови взаимодействует с GDHpqq с формированием глюконовой кислоты. В этом процессе PQQ в ферменте восстанавливается. Затем медиатор, такой как феррицианид калия, окисляет PQQ в ферменте и образует ферроцианид. Фермент в окисленной форме может затем взаимодействовать с оставшейся глюкозой. Суммарный эффект этой реакции представляет собой получение двух молекул ферроцианида на каждую прореагировавшую молекулу глюкозы. Ферроцианид представляет собой электрохимически активное вещество, и поэтому может быть окислен на электроде с получением тока. Другие пригодные для этой реакции ферменты представляют собой глюкозооксидазу (GOD) или NAD-зависимую глюкозодегидрогеназу. Для других реакций могут быть использованы лактатдегидрогеназа и алкогольдегидрогеназа. Другие пригодные для использования окисляемые-восстанавливаемые медиаторы включают в себя ферроциний, комплексы осмия с бипиридином и бензофенон.
Взаимодействие глюкозы в цельной крови с ферментом может быть медленным, занимая вплоть до нескольких минут до завершения. Кроме того, чем выше гематокрит в образце крови, тем медленнее реакция. Гематокрит крови представляет собой объемную долю эритроцитов в образце цельной крови. Например, раствор, содержащий 50 мг/мл GDHpqq, 0,9 М феррицианида калия и 50 мМ буфера, при рН 6,5 осаждают на противоэлектрод, и вода удаляется, оставляя высушенный слой реагента. В этом слое GDHpqq является достаточно большим, что приводит к его эффективной иммобилизации на противоэлектроде, в то время как феррицианид может перемешиваться более однородно во всей жидкости, содержащейся в электрохимической ячейке. Образец крови вводится в ячейку, и сразу же потенциал +300 мВ прикладывается между рабочим электродом и измерительным электродом. Хотя потенциал +300 мВ является наиболее предпочтительным для окисления ферроцианида, потенциал, желательно, находится в пределах между +40 мВ и +600 мВ, предпочтительно, между +50 мВ и +500 мВ, и более предпочтительно, между +200 мВ и +400 мВ. В ячейке рабочий электрод состоит из слоя золота, напыленного на подложку из полиэфира, а противоэлектрод состоит из слоя палладия, напыленного на подложку из полиэфира.
Графики тока записывают для образцов крови с различными значениями гематокрита, при этом они демонстрируют более высокую скорость реакции при более низком гематокрите крови, то есть 20%, 42%, и 65% гематокрита в крови. Уровень глюкозы в каждом образце крови является примерно одинаковым, а именно 5,4 мМ для образца с гематокритом 65%, 5,5 мМ для образца с гематокритом 42% и 6,0 мМ для образца с гематокритом 20%.
Измеренный ток может быть приблизительно описан с помощью уравнения:
i=-FADC/L,
где i представляет собой ток, F представляет собой постоянную Фарадея (96486,7 Кл/моль), А представляет собой площадь электрода, D представляет собой коэффициент диффузии ферроцианида в образце, С представляет собой концентрацию ферроцианида в области реакции и L представляет собой расстояние между областью реакции и электродом. Скорость реакции, которая определяется как скорость изменения С со временем, следовательно, записывается так:
dC/dt=-(L/FAD)di/dt.
Для реакций, обсуждаемых выше, в пределах между 6 и 8 секундами, для образцов с гематокритом 20%, 42% и 65% среднее значение di/dt составляет 3,82, 2,14 и 1,32 микроампер/секунду соответственно. Коэффициенты диффузии ферроцианида для этих образцов составляют 2,0×10-6, 1,7×l0-6 и 1,4×10-6 см2/сек для образцов с гематокритом 20%, 42% и 65% соответственно. Площадь электрода составляет 0,1238 см2, и L составляет 125 микрон. Эти значения дают скорости реакции 2,0, 1,3 и 0,99 мМ/секунду для образцов с гематокритом 20%, 42% и 65% соответственно.
Способ, описываемый выше, для измерения реакции глюкозы в крови может быть соответствующим образом модифицирован для применения к другим электрохимическим системам, включая гемоглобин, как это заметит специалист в данной области техники.
Приведенное выше описание описывает несколько способов и материалов по настоящему изобретению. Настоящее изобретение является восприимчивым к модификациям способов и материалов, а также к изменениям способов и устройств. Такие модификации становятся понятными для специалиста в данной области техники из рассмотрения настоящего описания или из практики применения изобретения, описанного здесь. Следовательно, не предполагается, что настоящее изобретение является ограниченным конкретными вариантами воплощения, описанными здесь, но предполагается, что оно охватывает все модификации и альтернативы, находящиеся в пределах истинных сущности и духа настоящего изобретения, изложенных в прилагаемой формуле изобретения.
Формула изобретения
1. Способ измерения количества гемоглобина в жидком образце цельной крови, причем этот образец цельной крови содержит эритроциты, а эритроциты содержат гемоглобин, и при этом способ включает в себя стадии, на которых
используют устройство, содержащее электрохимическую ячейку, имеющую измерительную камеру, первый электрод, второй электрод, установленный напротив первого электрода на расстоянии менее примерно 500 мкм от него, отверстие для введения образца в измерительную камеру, реагент, содержащийся внутри измерительной камеры и способный восстанавливаться под действием гемоглобина, и лизирующий эритроциты агент, содержащийся внутри измерительной камеры;
помещают образец цельной крови в измерительную камеру, при этом содержащийся внутри измерительной камеры лизирующий агент высвобождает из эритроцитов гемоглобин и высвобожденный таким образом гемоглобин восстанавливает реагент; и
проводят электрохимическое измерение, указывающее на количество гемоглобина, присутствующего в образце цельной крови, причем стадия проведения электрохимического измерения заключается в том, что
прилагают положительный потенциал к первому электроду;
измеряют ток, генерируемый за счет реакции реагента и гемоглобина;
анализируют этот ток с получением результата, включающего в себя время, требуемое для, по существу, лизиса эритроцитов, или вычисленное конечное значение этого тока;
вычисляют процент завершения реакции как функцию времени на основе результата стадии анализа.
изменяют на обратный потенциал на первом электроде;
измеряют переходный ток и
определяют коэффициент диффузии и концентрацию восстановленной формы реагента на основе переходного тока.
2. Способ по п.1, в котором устройство используют для единственного теста.
3. Способ по п.1, в котором электрохимическая ячейка представляет собой тонкослойную электрохимическую ячейку.
4. Способ по п.1, в котором первый электрод представляет собой измерительный электрод, содержащий материал, выбранный из группы, состоящей из платины, палладия, углерода, оксида индия, оксида олова, золота, иридия, меди, стали, серебра и их смесей.
5. Способ по п.1, в котором второй электрод представляет собой противоэлектрод, содержащий металл в контакте с солью металла.
6. Способ по п.5, в котором металл в контакте с солью металла выбирают из группы, состоящей из серебра в контакте с хлоридом серебра, серебра в контакте с бромидом серебра, серебра в контакте с иодидом серебра, ртути в контакте с хлоридом ртути (I) и ртути в контакте с сульфатом ртути (I).
7. Способ по п.1, в котором электрохимическая ячейка дополнительно содержит третий электрод, представляющий собой электрод сравнения.
8. Способ по п.1, в котором реагент выбирают из группы, состоящей из дихромата, оксидов ванадия, перманганата, электроактивных металлоорганических комплексов, хинонов, дихлорфенолиндофенола и феррицианида.
9. Способ по п.1, в котором измерительная камера дополнительно содержит размещенный внутри нее буфер.
10. Способ по п.9, в котором буфер выбирают из группы, состоящей из фосфатов, карбонатов, солей щелочных металлов меллитовой кислоты и солей щелочных металлов лимонной кислоты.
11. Способ по п.1, в котором лизирующий агент выбирают из группы, состоящей из ионных детергентов, неионных детергентов, протеолитических ферментов, липаз, сапонина, додецилсульфата натрия, бромида цетилтриметиламмония и полиэтоксилированного октилфенола.
12. Способ по п.1, в котором измерительная камера дополнительно содержит размещенное внутри нее поддерживающее средство.
13. Способ по п.1, в котором второй электрод установлен напротив первого электрода на расстоянии менее 150 мкм.
14. Способ по п.13, в котором второй электрод установлен напротив первого электрода на расстоянии менее 150 мкм и более 50 мкм.
РИСУНКИ
|
|