|
|
(21), (22) Заявка: 2004126117/28, 30.08.2004
(24) Дата начала отсчета срока действия патента:
30.08.2004
(45) Опубликовано: 10.03.2006
(56) Список документов, цитированных в отчете о поиске:
“Рабочий эталон единицы средней мощности в ВОСП”, А.И.Глазов, А.Б.Светличный, и др., XIV научно-техническая конференция, “Фотометрия и ее метрологическое обеспеченье”, Госстандарт России, ФГУП “ВНИИОФМ”, Москва, 16-18 марта 2004. SU 1427971 A1, 30.06.1991. SU 996988 A1, 15.02.1983. US 5777675 A, 07.07.1998.
Адрес для переписки:
119361, Москва, ул. Озерная, 46, ФГУП “ВНИИОФИ”, отдел Н-11, начальнику патентного бюро М.Н. Кузнецовой
|
(72) Автор(ы):
Тихомиров Сергей Владимирович (RU), Глазов Александр Иванович (RU), Сумкин Владимир Радомирович (RU)
(73) Патентообладатель(и):
Федеральное государственное унитарное предприятие “Всероссийский научно-исследовательский институт оптико-физических измерений” (ФГУП “ВНИИОФИ”) (RU)
|
(54) ЭТАЛОННОЕ УСТРОЙСТВО ДЛЯ ПЕРЕДАЧИ РАЗМЕРА ЕДИНИЦЫ СРЕДНЕЙ МОЩНОСТИ ОПТИЧЕСКОГО ИЗЛУЧЕНИЯ, ПОВЕРКИ И КАЛИБРОВКИ СРЕДСТВ ИЗМЕРЕНИЙ СРЕДНЕЙ МОЩНОСТИ ОПТИЧЕСКОГО ИЗЛУЧЕНИЯ, ОПТИЧЕСКИХ АТТЕНЮАТОРОВ И ИСТОЧНИКОВ ОПТИЧЕСКОГО ИЗЛУЧЕНИЯ В ВОЛОКОННО-ОПТИЧЕСКИХ СИСТЕМАХ ПЕРЕДАЧИ
(57) Реферат:
Устройство для повышения точности поверки и калибровки содержит стабилизированный источник лазерного излучения с выходным волоконно-оптическим (ВО) разъемом, регулируемый оптический аттенюатор с входным и выходным ВО разъемами, эталонный ваттметр со входньм оптическим разъемом, измерительный преобразователь, оптический вход которого снабжен ВО разъемом, а электрический выход подсоединен к осциллографу, четыре ВО выходных разъемов устройства для связи с поверяемыми объектами, дополнительно введенный монохроматор с осветителем и съемным ВО разъемом на входе и оптическим юстировочным элементом на выходе, снабженным ВО разъемом. Оптическая связь между элементами осуществлена пятью ВО кабелями, имеющими один из своих ВО выводов с возможностью установки в двух положениях для обеспечения программы указанной поверки и калибровки. Технический результат – повышение точности поверки и калибровки. 1 з.п. ф-лы, 1 ил. 
Изобретение относится к измерительной технике в части создания эталонных устройств для передачи размера единицы средней мощности оптического излучения, поверки и калибровки средств измерений средней мощности оптического излучения, оптических аттенюаторов и источников оптического излучения в волонно-оптических системах передачи (ВОСП) и может быть использовано в ранге рабочего эталона средней мощности в ВОСП в рамках “Государственной поверочной схемы для средств измерений средней мощности оптического излучения в ВОСП” – МИ 2558-99.
В настоящее время в различных областях практической деятельности получили широкое распространение ВОСП. При этом имеется устойчивая тенденция к их дальнейшему интенсивному развитию. Эта тенденция нашла свое отражение в развитии системы метрологического обеспечения ВОСП, в том числе и в области измерений средней мощности оптического излучения. К средствам измерений средней мощности принято относить ваттметры средней мощности, источники оптического излучения, оптические тестеры (приборы, состоящие из ваттметра и источника). Поверке и калибровке подлежат также оптические ослабители мощности – аттенюаторы.
Известно эталонное устройство для передачи размера единицы средней мощности оптического излучения, поверки и калибровки средств измерений средней мощности оптического излучения, оптических аттенюаторов и источников оптического излучения в волоконно-оптических системах передачи, содержащее стабилизированный источник лазерного излучения, снабженный выходным волоконно-оптическим разъемом, регулируемый волоконно-оптический аттенюатор с входным и выходным волоконно-оптическими разъемами, эталонный ваттметр со входным оптическим разъемом, кроме того устройство снабжено четырьмя выходными волоконно-оптическими разъемами, два из которых предназначены для связи с поверяемым оптическим аттенюатором, один – с поверяемым источником оптического излучения и один – с поверяемым ваттметром, оптическая связь между указанными элементами устройства осуществлена тремя волоконно-оптическими кабелями, каждый из которых имеет на своих концах соответственно входной и выходной волоконно-оптические разъемы, при этом входной разъем первого из кабелей соединен с выходным разъемом стабилизированного источника, а выходной разъем первого кабеля предназначен для соединения в двух его положениях: в первом положении – для соединения со входным разъемом регулируемого аттенюатора, а во втором положении – с одним из двух выходных разъемов устройства для связи с поверяемым аттенюатором, выходной разъем второго кабеля предназначен для соединения со входным разъемом эталонного ваттметра, а входной разъем второго кабеля предназначен для соединения в двух его положениях: в первом положении – для соединения со вторым из двух выходных разъемов устройства для связи с поверяемым аттенюатором, во втором положении – для соединения с выходным разъемом устройства для связи с поверяемым источником, при этом третий кабель своим входным разъемом предназначен для соединения с выходным разъемом регулируемого аттенюатора, а выходной разъем третьего кабеля предназначен для соединения в двух его положениях: в первом положении – для связи со входным разъемом эталонного ваттметра, а во втором – для связи с поверяемым ваттметром [1].
Недостатком известного устройства является то, что в нем не обеспечена возможность отслеживать форму импульсов поверяемых источников оптического излучения, при этом целый ряд поверяемых источников работает в режиме модулированного сигнала, что исключает возможность их поверки в данной эталонной установке. Таким образом, диапазон применения этого устройства ограничен работой с источниками оптического излучения, работающих в режиме непрерывного сигнала.
Также известно эталонное устройство, являющееся наиболее близким к описываемому, для передачи размера единицы средней мощности оптического излучения, поверки и калибровки средств измерений средней мощности оптического излучения, оптических аттенюаторов и источников оптического излучения в волоконно-оптических системах передачи, содержащее стабилизированный источник лазерного излучения, снабженный выходным волоконно-оптическим разъемом, регулируемый волоконно-оптический аттенюатор с входным и выходным волоконно-оптическими разъемами, эталонный ваттметр со входным оптическим разъемом, измерительный преобразователь, оптический вход которого снабжен волоконно-оптическим разъемом, а электрический выход подсоединен к осциллографу, кроме того устройство снабжено четырьмя выходными волоконно-оптическими разъемами, два из которых предназначены для связи с поверяемым оптическим аттенюатором, один – с поверяемым источником оптического излучения и один – с поверяемым ваттметром, оптическая связь между указанными элементами устройства осуществлена четырьмя волоконно-оптическими кабелями, каждый из которых имеет на своих концах соответственно входной и выходной волоконно-оптические разъемы, при этом входной разъем первого из кабелей соединен с выходным разъемом стабилизированного источника, а выходной разъем первого кабеля предназначен для соединения в двух его положениях: в первом положении – для соединения со входным разъемом регулируемого аттенюатора, а во втором положении – с одним из двух выходных разъемов устройства для связи с поверяемым аттенюатором, выходной разъем второго кабеля предназначен для соединения со входным разъемом эталонного ваттметра, а входной разъем второго кабеля предназначен для соединения в двух его положениях: в первом положении – для соединения со вторым из двух выходных разъемов устройства для связи с поверяемым аттенюатором, во втором положении – для соединения с выходным разъемом устройства для связи с поверяемым источником, при этом третий кабель своим входным разъемом предназначен для соединения с выходным разъемом регулируемого аттенюатора, а выходной разъем третьего кабеля предназначен для соединения в двух его положениях: в первом положении – для связи со входным разъемом эталонного ваттметра, а во втором – для связи с поверяемым ваттметром, четвертый кабель своим входным разъемом предназначен для соединения с выходным разъемом устройства для связи с поверяемым источником, выходной разъем четвертого кабеля предназначен для соединения с оптическим разъемом измерительного преобразователя [2].
Это устройство за счет введения цепи с измерительным преобразователем и осциллографом обеспечивает возможность контроля формы импульсов поверяемых источников оптического излучения, работающих как в режиме непрерывного, так и модулированного сигнала, что расширяет диапазон его применения.
Недостатком этого устройства является то, что в нем не обеспечена возможность определения относительной спектральной характеристики поверяемых средств непосредственно в процессе поверки и калибровки, так как поверка, калибровка и передача размера единицы производится только на фиксированных длинах волн стабилизированного источника, хотя реально поверяемые средства являются селективными. Это в ряде случаев существенно снижает точность поверки и калибровки (Из-за неравномерности спектральной характеристики поверяемых средств на разных длинах волн погрешность при поверке может достигать 50%. Так, например, в тестерах, работающих на длине волны 0,85 мкм, неравномерность спектральной чувствительности более 1 нм, что в диапазоне 100 нм дает разброс измеряемого сигнала в 2 раза).
Целью изобретения является повышение точности поверки и калибровки за счет обеспечения возможности определения относительной спектральной характеристики поверяемых средств в широком спектральном диапазоне непосредственно в процессе поверки и калибровки.
Также целью изобретения является дополнительное повышение точности поверки и калибровки за счет исключения оптических потерь при передаче оптического излучения от монохроматора в волоконно-оптический кабель.
Поставленная цель достигается тем, что в эталонное устройство для передачи размера единицы средней мощности оптического излучения, поверки и калибровки средств измерений средней мощности оптического излучения, оптических аттенюаторов и источников оптического излучения в волоконно-оптических системах передачи, содержащее стабилизированный источник лазерного излучения, снабженный выходным волоконно-оптическим разъемом, регулируемый волоконно-оптический аттенюатор с входным и выходным волоконно-оптическими разъемами, эталонный ваттметр со входным оптическим разъемом, измерительный преобразователь, оптический вход которого снабжен волоконно-оптическим разъемом, а электрический выход подсоединен к осциллографу, кроме того устройство снабжено четырьмя выходными волоконно-оптическими разъемами, два из которых предназначены для связи с поверяемым оптическим аттенюатором, один – с поверяемым источником оптического излучения и один – с поверяемым ваттметром, оптическая связь между указанными элементами устройства осуществлена четырьмя волоконно-оптическими кабелями, каждый из которых имеет на своих концах соответственно входной и выходной волоконно-оптические разъемы, при этом входной разъем первого из кабелей соединен с выходным разъемом стабилизированного источника, а выходной разъем первого кабеля предназначен для соединения в двух его положениях: в первом положении – для соединения со входным разъемом регулируемого аттенюатора, а во втором положении – с одним из двух выходных разъемов устройства для связи с поверяемым аттенюатором, выходной разъем второго кабеля предназначен для соединения со входным разъемом эталонного ваттметра, а входной разъем второго кабеля предназначен для соединения в двух его положениях: в первом положении – для связи с поверяемым аттенюатором, во втором положении – для соединения с выходным разъемом устройств для связи с поверяемым источником, при этом третий кабель своим входным разъемом предназначен для соединения с выходным разъемом регулируемого аттенюатора, а выходной разъем третьего кабеля предназначен для соединения в двух его положениях: в первом положении – для связи со входным разъемом эталонного ваттметра, а во втором – для связи с поверяемым ваттметром, четвертый кабель своим входным разъемом предназначен для соединения с выходным разъемом устройства для связи с поверяемым источником, выходной разъем четвертого кабеля предназначен в своем первом положении для соединения с оптическим разъемом измерительного преобразователя, согласно изобретению в устройство дополнительно введены оптически связанные осветитель и монохроматор, а также пятый волоконно-оптический кабель, имеющий соответственно входной и выходной волоконно-оптические разъемы на своих концах, при этом монохроматор со стороны осветителя снабжен съемным волоконно-оптическим разъемом, а выходное окно со щелью монохроматора оптически связано со входным разъемом пятого волоконно-оптического кабеля, причем между этим окном и этим разъемом размещен оптический юстировочный элемент для фокусировки излучения от монохроматора на торец оптического волокна пятого волоконно-оптического кабеля, выходной разъем которого предназначен для соединения в двух его положениях: в первом положении – для соединения со входным разъемом эталонного ваттметра, во втором – для соединения с выходным разъемом устройства для связи с поверяемым ваттметром, при этом упомянутый съемный оптический разъем монохроматора со стороны осветителя предназначен для соединения с выходным разъемом четвертого кабеля в его втором положении.
При этом в эталонном устройстве упомянутый юстировочный элемент содержит полую цилиндрическую оправку, внутренний диаметр которой соответствует длине щели монохроматора, расположенный в корпусе микрообъектив и насадку на микрообъектив с волоконно-оптическим разъемом, при этом на одном из торцов оправки выполнено кольцевое посадочное углубление, с помощью которого оправка установлена на выходном окне со щелью монохроматора, в центральном отверстии оправки частью своей наружной поверхности закреплен корпус микрообъектива, насадка на микрообъектив выполнена в форме полого стакана, надетого на свободную от оправки часть поверхности корпуса микрообъектива с возможностью осевого перемещения вдоль него в направлении, перпендикулярном плоскости щели монохроматора, при этом волоконно-оптический разъем насадки расположен на дне стакана по его оси со стороны, противоположной окну со щелью монохроматора, а поверх разъема насадки концентрично ему укреплен входной разъем пятого волоконно-оптического кабеля.
Суть изобретения состоит в том, что за счет введения в устройство оптически связанных осветителя и монохроматора, который на входе снабжен съемным волоконно-оптическим разъемом, а на выходе оптическим юстировочным элементом для фокусировки излучения от монохроматора на торец оптического волокна дополнительного волоконно-оптического кабеля, который осуществляет связь монохроматора с эталонным и поверяемым ваттметрами, при этом упомянутый съемный разъем предназначен для связи с поверяемым источником, в устройстве непосредственно в процессе поверки и калибровки обеспечена возможность определения относительной спектральной характеристики поверяемых средств измерений средней мощности оптического излучения и источников оптического излучения, что повышает точность поверки и калибровки. При этом за счет описанного выполнения юстировочного элемента, обеспечивающего возможность легко осуществляемого перемещения торца оптического волокна дополнительного волоконно-оптического кабеля вдоль оптической оси микрообъектива, закрепленного по ходу излучения из щели монохроматора, в устройстве практически исключены оптические потери при передаче оптического излучения от монохроматора в волоконно-оптический кабель, что дополнительно повышает точность поверки и калибровки.
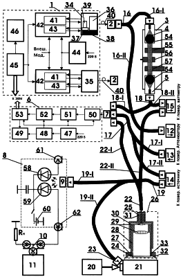
На чертеже представлена принципиальная схема эталонного устройства. Элементы на чертеже изображены условно.
Эталонное устройство для передачи размера единицы средней мощности оптического излучения, поверки и калибровки средств измерений средней мощности оптического излучения, оптических аттенюаторов и источников оптического излучения в волоконно-оптических системах передачи содержит стабилизированный источник 1 лазерного излучения, снабженный выходным волоконно-оптическим разъемом 2, регулируемый волоконно-оптический аттенюатор 3 с входным 4 и выходным 5 волоконно-оптическими разъемами, эталонный ваттметр 6 со входным оптическим разъемом 7, измерительный преобразователь 8, оптический вход которого снабжен волоконно-оптическим разъемом 9, а электрический выход 10 подсоединен к осциллографу 11. Кроме того устройство снабжено четырьмя выходными волоконно-оптическим разъемами, два из которых 12 и 13 предназначены для связи с поверяемым оптическим аттенюатором, один 14 – с поверяемым источником оптического излучения и один 15 – с поверяемым ваттметром. Оптическая связь между указанными элементами устройства осуществлена четырьмя волоконно-оптическими кабелями 16, 17, 18 и 19, каждый из которых имеет на своих концах соответственно входной и выходной волоконно-оптические разъемы (на чертеже для наглядности входной и выходной разъемы каждого из кабелей 16…19 не имеют нумерации, а снабжены стрелками, соответствующими направлению излучения в этом разъеме). При этом входной разъем первого 16 из кабелей соединен с выходным разъемом 2 стабилизированного источника 1, а выходной разъем первого кабеля 16 предназначен для соединения в двух его положениях: в первом положении 16-I – для соединения со входным разъемом 4 регулируемого аттенюатора 3, а во втором положении 16-II – с одним из двух выходных разъемов – разъемом 12 устройства для связи с поверяемым аттенюатором. Выходной разъем второго 17 кабеля предназначен для соединения со входным разъемом 7 эталонного ваттметра 6, а входной разъем второго кабеля 17 предназначен для соединения в двух его положениях: в первом положении 17-I – для соединения со вторым из двух выходных разъемов разъемом 13 устройства для связи с поверяемым аттенюатором, во втором положении 17-II – для соединения с выходным разъемом 14 устройства для связи с поверяемым источником. При этом третий кабель 18 своим входным разъемом предназначен для соединения с выходным разъемом 5 регулируемого аттенюатора 3, а выходной разъем третьего кабеля предназначен для соединения в двух его положениях: в первом 18-I положении – для связи со входным разъемом 7 эталонного ваттметра 6, а во втором 18-II – для связи с поверяемым ваттметром через разъем 15. Четвертый кабель 19 своим входным разъемом предназначен для соединения с выходным разъемом 14 устройства для связи с поверяемым источником, выходной разъем четвертого кабеля 19 предназначен в своем первом положении 19-I для соединения с оптическим разъемом 9 измерительного преобразователя 8. В устройство дополнительно введены оптически связанные осветитель 20 и монохроматор 21, а также пятый волоконно-оптический кабель 22, имеющий, соответственно входной и выходной волоконно-оптические разъемы на своих концах. При этом монохроматор 21 со стороны осветителя 20 снабжен съемным волоконно-оптическим разъемом 23, а выходное окно со щелью 24 монохроматора 21 оптически связано со входным разъемом 25 пятого волоконно-оптического кабеля 22. Причем между этим окном со щелью 24 и этим разъемом 25 размещен оптический юстировочный элемент 26 для фокусировки излучения от монохроматора 21 на торец оптического волокна пятого волоконно-оптического кабеля 22, выходной разъем которого предназначен для соединения в двух его положениях: в первом положении 22-I – для соединения со входным разъемом 7 эталонного ваттметра 6, во втором 22-II – для соединения с выходным разъемом 15 устройства для связи с поверяемым ваттметром. При этом упомянутый съемный оптический разъем 23 монохроматора 21 со стороны осветителя 20 предназначен для соединения с выходным разъемом четвертого кабеля 19 в его втором положении 19-II.
Упомянутый юстировочный элемент 26 содержит полую цилиндрическую оправку 27, внутренний диаметр которой соответствует длине щели 24 монохроматора 21, расположенный в корпусе 28 микрообъектив 29 и насадку 30 на микрообъектив с волоконно-оптическим разъемом 31. При этом на одном из торцов оправки 27 выполнено кольцевое посадочное углубление 32, с помощью которого оправка 27 установлена на выходном окне со щелью 24 монохроматора 21. В центральном отверстии 33 оправки 27 частью своей наружной поверхности закреплен корпус 28 микрообъектива, насадка 30 на микрообъектив выполнена в форме полого стакана, надетого на свободную от оправки 27 часть поверхности корпуса 28 микрообъектива с возможностью осевого перемещения вдоль него в направлении, перпендикулярном плоскости щели 24 монохроматора 21. При этом волоконно-оптический разъем 31 насадки 30 расположен на дне стакана по его оси со стороны, противоположной окну со щелью 24 монохроматора, а поверх разъема 31 насадки 30, концентрично ему укреплен входной разъем 25 пятого волоконно-оптического кабеля 22.
Далее описаны стабилизированный источник 1 лазерного излучения, эталонный ваттметр 6, регулируемый волоконно-оптический аттенюатор 3 и измерительный преобразователь 8 в авторском варианте выполнения. Осциллограф 11, осветитель 20 и монохроматор 21, а также все волоконно-оптические разъемы и кабели являются типовыми устройствами и не детализированы в описании. Можно отметить, что оптические разъемы у всех кабелей одинаковы, первые четыре кабеля 16, 17, 18 и 19 имеют одинаковое сечение, а пятый кабель 22 имеет большее сечение для обеспечения прохождения большего выходного сигнала.
Стабилизированный источник 1 лазерного излучения выполнен в корпусе (позиция 1 на чертеже), рассчитанном на два полупроводниковых лазера 34 и 35, на разные длины волн: лазер 34 – это лазеры на 1510 и 1550 нм, а лазер 35 – на 850 нм, при этом в лазер 35 при необходимости может быть установлен дополнительный лазер (например, на 1625 нм, 1060 нм, 980 нм, 1480 нм). Конструктивно лазеры 34 и 35 выполнены одинаково и состоят из полупроводникового лазерного кристалла 36, датчика температуры 37, микрохолодильника 38, выполненного на элементе Пельтье, фотодиода 39 обратной связи. Излучение лазера съюстировано на входной торец оптического волокна 40, выходной конец которого заканчивается стандартным одномодовым оптическим разъемом (на чертеже не показан). Оптические разъемы лазеров 34 и 35 соединены с выходным разъемом 2 источника 1. Излучение с заднего зеркала кристалла 36 оптически связано с фотодиодом 39 обратной связи, который связан с блоком 41 стабилизации мощности схемы 42 управления лазером соответственно 34 или 35, для управления их током накачки. Схема 42 содержит также блок 43 термостабилизации, связанный с датчиком температуры 37 и микрохолодильником 38 для обеспечения стабильности длины волны излучения лазера и уменьшения нестабильности выходной мощности за счет постоянства температуры кристалла лазера. Схема 42 управления лазером имеет связь с внешней модуляцией (на чертеже не показана) для обеспечения непрерывного режима работы источника 1, модуляции с частотами 270 и 1000 Гц и внешней модуляции. Схема 42 связана также с блоком питания 44, имеющим входное напряжения 220 В. Взаимоувязанную работу всех узлов источника 1 обеспечивает микропроцессорное управляющее устройство 45, связанное также с жидкокристаллическим дисплеем 46 и имеющее выход на ЭВМ.
Эталонный ваттметр 6 содержит последовательно соединенные сетевой адаптер 47, блок питания 48, жидкокристаллический дисплей 49. Блок 48 параллельно соединен с последовательно соединенными между собой фотоприемником 50 (на базе двух фотодиодов: при работе на длинах волн 1310 нм и 1550 нм используется JnP/GaIn/AsP фотодиод, при работе на 850 нм – кремниевый фотодиод), преобразователем 51 “ток – напряжение”, аналого-цифровым преобразователем 52 и микропроцессорным управляющим устройством 53, связанным с дисплеем 49 и имеющим выход на ЭВМ. Оптическая мощность, измеряемая ваттметром 6, поступает в ваттметр через входной оптический разъем 7, связанный с оптическим входом фотоприемника 50. Эталонный ваттметр на этапе его метрологической аттестации получает размер единицы средней мощности оптического излучения от установки высшей точности (в соответствии с Государственной поверочной схемой) на длинах волн стабилизированного источника 1, а также измеряется его относительная спектральная характеристика в его рабочем спектральном диапазоне.
Регулируемый волоконно-оптический аттенюатор 3 содержит входной 4 и выходной 5 волоконно-оптические разъемы, каждый из которых имеет шариковую линзу 54, формирующую параллельный пучок излучения. В этом параллельном пучке установлены: ступенчатые ослабители 55 (приблизительно на 3 дБ, 7 дБ, 10 дБ, 20 дБ и 30 дБ), заслонка 56 на три положения (полное пропускание излучения, полное перекрытие и ослабление на 30 дБ) и плавный ослабитель 57 (обеспечивающий ослабление оптического сигнала в диапазоне приблизительно 0…17 дБ). Аттенюатор 3 обеспечивает диапазон регулировки вносимого затухания до 77дБ.
Измерительный преобразователь 8 состоит из двух фотодиодов 58 и 59: Jn-As-Ca 58 (1,3 мкм 1,5 мкм) и Si 59 (0,85 мкм) в волоконно-оптических разъемах, являющихся оптическим входом 9 преобразователя 8. Питание фотодиодов 58 и 59 осуществляется от батареи 60. Каждый фотодиод электрически связан со своим разъемом 61 или 62 соответственно, который связан с осциллографом 11 коаксиальным кабелем через коаксиальный тройник, являющийся электрическим выходом 10 устройства. К тройнику подключается согласованная нагрузка Rн 50 Ом (при контроле формы оптических сигналов малой мощности с низкочастотной модуляцией можно использовать нагрузку 1000 Ом).
Перед описанием работы устройства можно указать, что понятие “поверка” относится только к приборам, внесенным в Госреестр, и проводится по утвержденной методике поверки (МИ 2505-98). Понятие “калибровка” включает в себя определение фактических значений метрологических характеристик приборов, не включенных в Госреестр.
Устройство работает следующим образом.
Описываемое устройство предназначено для работы в ранге Рабочего эталона единицы средней мощности в ВОСП в рамках Государственной поверочной схемы и обеспечивает:
– передачу размера единицы средней мощности рабочему средству измерений средней мощности в ВОСП – поверяемым ваттметрам;
– поверку и калибровку поверяемого ваттметра по мощности во всем его динамическом диапазоне;
– поверку и калибровку поверяемого источника по уровню выходной мощности, нестабильности мощности во времени;
– определение временных характеристик импульсного излучения поверяемого источника, работающего в модулированном режиме;
– определение длины волны излучения поверяемого источника;
– поверку и калибровку поверяемого аттенюатора по затуханию оптического сигнала на длинах волн калибровки.
Передача размера единицы средней мощности рабочему средству средней мощности – поверяемому ваттметру, а также его поверка и калибровка осуществляется следующим образом. Волоконно-оптический кабель 16 своим выходным разъемом устанавливается в положение 1, кабель 18 своим выходным разъемом – также в положение I. Поверяемый ваттметр (на чертеже не показан) подключается своим оптическим входом к выходному волоконно-оптическому разъему 15 устройства. Подключаются к питанию сетевые адаптеры: блок питания 44 стабилизированного источника 1, адаптер 47 эталонного ваттметра, а также адаптер поверяемого ваттметра, длина волны излучений источника 1 выбирается соответствующая рабочей длине волны поверяемого ваттметра путем подключения соответствующего лазера 34 или 35 к оптическому выходу 2 источника 1. Принцип передачи размера единицы средней мощности, так же как и принцип поверки и калибровки поверяемого ваттметра по мощности во всем его динамическом диапазоне, основан на сличении поверяемого прибора с эталонным ваттметром 6. При этом при передаче размера единицы достаточно единичного сличение в одной точке динамического диапазона работы поверяемого ваттметра, а при поверке и калибровке сличение осуществляется на рабочих длинах волн стабилизированного источника 1 во всем динамическом диапазоне поверяемого прибора, при этом регулировка оптической мощности производится регулируемым аттенюатором 3 (с помощью его регулирующих элементов: ступенчатых 55 и плавного 57 ослабителей и заслонки 56). В данном положении I оптических выходных разъемов кабелей 16 и 18 в устройстве создана оптическая связь: стабилизированный источник 1, регулируемый аттенюатор 3, эталонный ваттметр 6. При этом оптическая мощность источника 1 на определенной длине волны измеряется эталонным ваттметром 6. Затем выходной разъем кабеля 18 устанавливается в положение II, то есть к источнику 1 через аттенюатор 3 подключается через выходной разъем 15 устройства поверяемый ваттметр. Значение мощности оптического излучения, зарегистрированное при этом поверяемым ваттметром на той же длине волны источника 1, сличается со значением мощности, зарегистрированной эталонным ваттметром 6. На основании сличения поверяемому ваттметру передан размер единицы средней мощности оптического излучения и рассчитывается, в случае необходимости, соответствующая сличению его погрешность, необходимая для дальнейшей его работы в качестве самостоятельного ваттметра. При поверке и калибровке данного поверяемого ваттметра необходимо провести цикл описанных операций во всем динамическом диапазоне этого ваттметра, регулируя в процессе последовательных сличений оптическую мощность стабилизированного источника 1 с помощью аттенюатора 3 с интервалами, задаваемыми методикой поверки. Для обеспечения данного процесса сличений целесообразно использовать ЭВМ, с которой имеют связь источник 1 и эталонный ваттметр 6 и в программы которой заложены данные методики поверки МИ 2505-98.
Определение относительной спектральной характеристики поверяемого ваттметра в его рабочем спектральном диапазоне осуществляется путем сравнения мощности излучения от монохроматора 21 на заданной им длине волны (соответствующей рабочему спектральному диапазону длин волн поверяемого прибора), измеренной эталонным ваттметром 6, и той же мощности излучения по показанию поверяемого ваттметра. Для этого сначала выходной разъем пятого кабеля 22 устанавливается в положение I, то есть на оптический вход эталонного ваттметра 6. При этом излучение от осветителя 20 попадает в монохроматор 21, на заданной им длине волны выходит через выходное окно со щелью 24 монохроматора и фокусируется с помощью микрообъектива 29, закрепленного в корпусе 28, установленном в оправке 27 в упомянутом выходном окне монохроматора 21, на торце оптического волокна во входном разъеме 25 кабеля 22, сочлененном с выходным разъемом 31 на насадке 30. При этом фокусировка легко осуществляется за счет обеспечения возможности перемещения стаканообразной насадки 30 по наружной поверхности корпуса 28 микрообъектива 29. Совместно с насадкой вдоль оптической оси микрообъектива перемещается и закрепленный на дне насадки упомянутый торец волокна. Такая юстировка практически исключает оптические потери при передаче излучения от монохроматора в волоконно-оптический кабель, что повышает точность измерений. Оптическая мощность излучения, прошедшего через монохроматор 21 на определенной длине волны, измеряется эталонным ваттметром 6. Затем операция последовательно проводится во всем спектральном диапазоне длин волн поверяемого ваттметра и задаваемом монохроматором. Затем выходной разъем кабеля 22 устанавливается в положение II, то есть подключается через выходной разъем 15 устройства к оптическому входу поверяемого ваттметра. На тех же длинах волн излучение осветителя 20, прошедшее через монохроматор 21, измеряется поверяемым ваттметром. Показания обоих ваттметров на каждой из длин волн сравниваются и тем самым определяется фактическая относительная спектральная характеристика поверяемого ваттметра во всем ее рабочем спектральном диапазоне. При этом в устройстве по сравнению в прототипом повышена точность поверки и калибровки за счет обеспечения возможности определения относительной спектральной характеристики поверяемых средств в широком спектральном диапазоне непосредственно в процессе поверки и калибровки, когда в качестве компаратора во всех режимах поверки и калибровки использован один и тот же компаратор – эталонный ваттметр. Это позволило уменьшить погрешность поверки в прототипе 50%, обусловленную неравномерностью спектральной характеристики поверяемых средств на разных длинах волн, до 5% в описанном устройстве.
Поверка и калибровка поверяемого источника по уровню выходной мощности, а также нестабильности мощности во времени осуществляется путем измерения эталонным ваттметром 6 мощности поверяемого источника, подключенного к выходному разъему 14 устройства. В эталонном ваттметре предусмотрена установка фактического значения длины волны поверяемого источника. При поверке и калибровке выходной разъем второго волоконно-оптического кабеля 17 подключается ко входному оптическому разъему 7 эталонного ваттметра 6, а входной разъем кабеля 17 устанавливается в свое II положение для соединения с выходным разъемом 14 устройства. Поверку и калибровку источника, а также нестабильности его мощности во времени целесообразно проводить с привлечение ЭВМ, в программу которой заложена метрологическая методика МИ 2505-98 проведения данной поверки, где регламентируются количество включений поверяемого источника к эталонному ваттметру, время регистрации каждого показания ваттметра, за которое нормируется нестабильность источника и другое.
Определение временных характеристик импульсного излучения поверяемого источника, работающего в модулированном режиме, осуществляется путем сравнения паспортных данных поверяемого источника с картиной на экране осциллографа 11, где отображены реальные временные характеристики поверяемого источника. При этом обращается внимание на длительность импульса излучения, частоту повторения импульсов, отсутствие выбросов более 10% на переднем фронте оптического импульса, неравномерность плоской вершины импульса. Для получения этой информации входной разъем четвертого кабеля 19 устанавливается в выходном разъеме 14 устройства, с которым соединен поверяемый источник, а выходной разъем кабеля 19 устанавливается в положение I для связи с оптическим разъемом 9 измерительного преобразователя 8, преобразующего оптическое излучения на соответствующей длине волны поверяемого источника в электрические сигналы, наблюдаемые на экране осциллографа 11.
Определение длины волны излучения поверяемого источника осуществляется с помощью монохроматора 21, пятого волоконно-оптического кабеля 22 с выходным разъемом в 1 положении и эталонного ваттметра 6. При этом выходной разъем четвертого кабеля 19 установлен в свое II положение на съемном оптическом разъеме 23 монохроматора со стороны осветителя 20. Съемный разъем 23 одет на вход монохроматора 21. Поскольку входной разъем четвертого кабеля 19 связан через выходной разъем 14 устройства с поверяемым источником, излучение от него поступает в монохроматор, а затем через пятый кабель 22 – на вход эталонного ваттметра 6 и измеряется им. Перестраивая длину волны монохроматора 21 в диапазоне его рабочих длин волн и выявив максимальное значение мощности в показаниях эталонного ваттметра, соответствующее конкретной длине волны монохроматора, приписывают поверяемому источнику это значение длины волны и соответствующее ей значение мощности излучения. При этом за счет того, что для определения этой спектральной характеристики в установке создана возможность подключения поверяемого источника через монохроматор к эталонному ваттметру, поверка и калибровка проводятся непосредственно в процессе общей поверки и калибровки поверяемого средства, когда в качестве индикатора мощности поверяемого источника при определении его длины волны излучения использован, как и на всех других этапах поверки, один и то же эталонный ваттметр, что повышает точность поверки и калибровки.
Поверка и калибровка поверяемого аттенюатора по затуханию оптического сигнала на длинах волн калибровки осуществляется путем установки выходного разъема первого кабеля 16 в положение II, то есть подсоединением его к выходному разъему 12 устройства, связанному со входом поверяемого аттенюатора. Кабель 17 своим входным разъемом устанавливается в I положение, то есть связывается с выходным разъемом 13 устройства, к которому подключен выход поверяемого аттенюатора. Выход кабеля 17 связан с оптическим входом 7 эталонного ваттметра 6. Входной разъем кабеля 16 соединен с выходным разъемом 2 стабилизированного излучателя 1. Поверка и калибровка состоят в том, что собственной регулировкой поверяемого аттенюатора устанавливается его минимальное затухание, затем по показанию эталонного ваттметра 6 выявляют максимальный сигнал, который соответствует этому минимальному затуханию, и принимают за нулевое значение эталонного ваттметра это его показание. Затем последовательно регулируется затухание поверяемого аттенюатора и сверяется каждый раз значение показания эталонного ваттметра со шкалой поверяемого аттенюатора, при этом каждому значению шкалы приписывается своя погрешность.
Пример реализации устройства
Устройство разработки заявителя: “Рабочий эталон средней мощности в ВОСП”. “РЭСМ-В” соответствует рангу рабочего эталона поверочной схемы МИ 2558-99.
Состав:
– Комплектующие изделия:
Осциллограф С 1-108; монохроматор с осветителем МДР-23; волоконно-оптические кабели 4 шт. одномодовые с разъемами FC/PC и один волоконно-оптический кабель диаметром 400 мкм с разъемами FC/PC; оптические разъемы типа FC; микрообъектив типа АПО 20; 065.
– Приборы, разработки заявителя:
Стабилизированный источник оптического излучения.
Основные технические характеристики:
| – Длины волн излучения, фиксированные в диапазонах, нм |
840…860 |
| |
1300…1320 |
| |
1540…1560 |
– Нестабильность мощности не более, %
| за 15 мин |
0,5 |
| за 1 час |
1,0 |
| за 8 часов |
2,5 |
| – Мощность на выходе не менее, мВт |
2,5 |
– Частота модуляции оптической мощности
| (скважность – 2, глубина 100%), кГц |
0,27; 1,0 |
Использованы полупроводниковые лазеры на длинах волн 850 нм, 1310 нм и 1550 мм. Возможны лазеры на длинах волн 1625 нм; 1060 нм; 980 нм; 1480 нм;
Использовано микропроцессорное управляющее устройство на основе PIC16C65 фирмы MIROCHIP.
Эталонный ваттметр
Основные технические характеристики:
– Рабочие спектральные диапазоны, нм, в окнах
| “850 нм” |
800…900 |
| “1310нм” |
1250…1350 |
| “1550нм” |
1500…1700 |
– Основные режимы работы:
измерение мощности (Вт и дБм);
измерение относительных уровней мощности (дБ);
передача управления ваттметром ЭВМ типа IBM PC через СОМ-порт
Регулируемый аттенюатр
Основные технические характеристики:
– Диапазон плавной регулировки вносимого затухания,
– Регулировка вносимого затухания
| ступенями, дБ |
3; 7; 10; 7; 20; 30 |
– Полный диапазон регулировки вносимого
| затухания не менее, дБ |
0…77 |
Измерительный преобразователь.
| – Время нарастания переходной характеристики не более, нс |
10 |
| – Предел линейности не менее, мВт |
2 |
Метрологические характеристики устройства:
– Предел допускаемого значения основной относительной погрешности, %:
| на длинах волн калибровки 10-10…2·10-3 Вт |
3 |
| на длинах волн калибровки 2·10-3…10-2 Вт |
4,5 |
| в рабочем спектральном диапазоне |
5 |
измерение относительных уровней мощности в
| диапазоне 10-10…2·10-3 Вт |
1,2 |
При работе устройства при передаче размера единицы средней мощности оптического излучения, поверке и калибровке средств измерений средней мощности оптического излучения, оптических аттенюаторов и источников оптического излучения во всех описанных выше режимах поверки и калибровки предел допускаемых значений основной относительной погрешности измерений не был достигнут, что свидетельствует о высоких метрологических качествах описанного устройства, обладающего точностными параметрами, значительно превосходящими устройство-прототип. Что позволит использовать описанное устройство в одном из высших рангов Государственной поверочной схемы – ранге Рабочего эталона средней мощности в волоконно-оптических средствах передачи.
Источники информации
1. Сертификат об утверждении типа средств измерений №8002/1. Тип “Установки для поверки средней мощности в ВОСП “УП СМ”, зарегистрирован в Госреестре средств измерений под №19637-оо. Госстандарт России, 2002 г. Приложение к сертификату с. 2. – аналог.
2. “Рабочий эталон единицы средней мощности в ВОСП”, А.И.Глазов, А.Б.Светличный, С.В.Тихомиров и др. XIV Научно-техническая конференция “Фотометрия и ее метрологическое обеспечение”, Госстандарт России, ФГУП “ВНИИОФМ”, Москва, 16-18 марта 2004 г., с.32-34 – прототип.
Формула изобретения
1. Эталонное устройство для передачи размера единицы средней мощности оптического излучения, поверки и калибровки средств измерений средней мощности оптического излучения, оптических аттенюаторов и источников оптического излучения в волоконно-оптических системах передачи, содержащее стабилизированный источник лазерного излучения, снабженный выходным волоконно-оптическим разъемом, регулируемый волоконно-оптический аттенюатор с входным и выходным волоконно-оптическими разъемами, эталонный ваттметр со входным оптическим разъемом, измерительный преобразователь, оптический вход которого снабжен волоконно-оптическим разъемом, а электрический выход подсоединен к осциллографу, кроме того, устройство снабжено четырьмя выходными волоконно-оптическими разъемами, два из которых предназначены для связи с поверяемым оптическим аттенюатором, один – с поверяемым источником оптического излучения и один – с поверяемым ваттметром, оптическая связь между указанными элементами устройства осуществлена четырьмя волоконно-оптическими кабелями, каждый из которых имеет на своих концах соответственно входной и выходной волоконно-оптические разъемы, при этом входной разъем первого из кабелей соединен с выходным разъемом стабилизированного источника, а выходной разъем первого кабеля предназначен для соединения в двух его положениях: в первом положении – для соединения со входным разъемом регулируемого аттенюатора, а во втором положении – с одним из двух выходных разъемов устройства для связи с поверяемым аттенюатором, выходной разъем второго кабеля предназначен для соединения со входным разъемом эталонного ваттметра, а входной разъем второго кабеля предназначен для соединения в двух его положениях: в первом положении – для связи с поверяемым аттенюатором, во втором положении – для соединения с выходным разъемом устройств для связи с поверяемым источником, при этом третий кабель своим входным разъемом предназначен для соединения с выходным разъемом регулируемого аттенюатора, а выходной разъем третьего кабеля предназначен для соединения в двух его положениях: в первом положении – для связи со входным разъемом эталонного ваттметра, а во втором – для связи с поверяемым ваттметром, четвертый кабель своим входным разъемом предназначен для соединения с выходным разъемом устройства для связи с поверяемым источником, выходной разъем четвертого кабеля предназначен в своем первом положении для соединения с оптическим разъемом измерительного преобразователя, отличающееся тем, что в устройство дополнительно введены оптически связанные осветитель и монохроматор, а также пятый волоконно-оптический кабель, имеющий, соответственно, входной и выходной волоконно-оптические разъемы на своих концах, при этом монохроматор со стороны осветителя снабжен съемным волоконно-оптическим разъемом, а выходное окно с щелью монохроматора оптически связано со входным разъемом пятого волоконно-оптического кабеля, причем между этим окном и этим разъемом размещен оптический котировочный элемент для фокусировки излучения от монохроматора на торец оптического волокна пятого волоконно-оптического кабеля, выходной разъем которого предназначен для соединения в двух его положениях: в первом положении – для соединения со входным разъемом эталонного ваттметра, во втором – для соединения с выходным разъемом устройства для связи с поверяемым ваттметром, при этом упомянутый съемный оптический разъем монохроматора со стороны осветителя предназначен для соединения с выходным разъемом четвертого кабеля в его втором положении.
2. Эталонное устройство по п.1, отличающееся тем, что упомянутый юстировочный элемент содержит полую цилиндрическую оправку, внутренний диаметр которой соответствует длине щели монохроматора, расположенный в корпусе микрообъектив и насадку на микрообъектив с волоконно-оптическим разъемом, при этом на одном из торцов оправки выполнено кольцевое посадочное углубление, с помощью которого оправка установлена на выходном окне с щелью монохроматора, в центральном отверстии оправки частью своей наружной поверхности закреплен корпус микрообъектива, насадка на микрообъектив выполнена в форме полого стакана, надетого на свободную от оправки часть поверхности корпуса микрообъектива с возможностью осевого перемещения вдоль него в направлении, перпендикулярном плоскости щели монохроматора, при этом волоконно-оптический разъем насадки расположен на дне стакана по его оси со стороны, противоположной окну с щелью монохроматора, а поверх разъема насадки концентрично ему укреплен входной разъем пятого волоконно-оптического кабеля.
РИСУНКИ
MM4A – Досрочное прекращение действия патента СССР или патента Российской Федерации на изобретение из-за неуплаты в установленный срок пошлины за поддержание патента в силе
Дата прекращения действия патента: 31.08.2006
Извещение опубликовано: 20.08.2007 БИ: 23/2007
NF4A Восстановление действия патента СССР или патента Российской Федерации на изобретение
Дата, с которой действие патента восстановлено: 10.12.2009
Извещение опубликовано: 10.12.2009 БИ: 34/2009
|
|