|
|
(21), (22) Заявка: 2004131944/28, 01.11.2004
(24) Дата начала отсчета срока действия патента:
01.11.2004
(45) Опубликовано: 10.03.2006
(56) Список документов, цитированных в отчете о поиске:
SU 1620834 A1, 15.01.1991. SU 1394033 A1, 07.05.1988. SU 1368988 A1, 23.01.1988. WO 8200880 A1, 18.03.1982. US 4231260 A, 04.11.1980.
Адрес для переписки:
450000, г.Уфа, ул. К. Маркса, 12, УГАТУ, отдел интеллектуальной собственности
|
(72) Автор(ы):
Ясовеев Васих Хамматович (RU), Исхаков Руслан Рауфович (RU), Кужин Альберт Гайнитдинович (RU)
(73) Патентообладатель(и):
Государственное образовательное учреждение высшего профессионального образования “Уфимский государственный авиационный технический университет” (RU)
|
(54) УЛЬТРАЗВУКОВОЙ ПРЕОБРАЗОВАТЕЛЬ ПЕРЕМЕЩЕНИЯ И СКОРОСТИ ДВИЖЕНИЯ
(57) Реферат:
Использование: для преобразования перемещения и скорости в цифровую форму в системах измерения линейного перемещения и скорости движения. Сущность: заключается в том, что если возбуждать ультразвуковую волну в магнитострикционном звукопроводе первичного магнитострикционного преобразователя перемещения с помощью тока синусоидальной формы с частотой f0, то при движении контролируемого объекта со скоростью V частота сигнала выходного электроакустического преобразователя из-за эффекта Доплера изменяется на величину доплеровской частоты, по значению которой можно найти скорость V. Из-за нелинейной зависимости магнитной индукции ферромагнитного материала волновода от напряженности магнитного поля в сигнале выходного ЭДС присутствуют высшие гармонические составляющие, изменение частоты которых из-за эффекта Доплера увеличивается с номером гармоники. Для увеличения чувствительности Sv из частоты некоторой n-й гармоники вычитается частота f0, умноженная на число (n-1). Полученная разностная частота умножается на число m и далее из нее вычитается частота f0, умноженная на число (m-1). В итоге выполняемых спектральных преобразований частота информационного сигнала равняется
f=([n·(f0+fд)-(n-1)·f0]·m)-(m-1)·f0=n·m·fд+f0,
т.е. чувствительность Sv увеличивается в n·m раз. Технический результат: улучшение разрешающей способности преобразования по скорости движения. 2 ил. 
Изобретение относится к измерительной технике и может быть применено в системах измерения линейного перемещения и скорости движения.
Известен преобразователь линейных перемещений (А.С. СССР №1394033, МКИ4 G 01 B 17/00, 1988 г.), содержащий одновибратор, генератор тока возбуждения, входной электроакустический преобразователь, линейный магнитострикционный волновод и выходной электроакустический преобразователь.
Известен магнитострикционный преобразователь линейных перемещений (А.С. СССР №1742618, МКИ5 G 01 B 17/00, 1992 г.), содержащий линейный магнитострикционный волновод, первый и второй акустические демпферы, генератор тока возбуждения, входной электроакустический преобразователь, выходной электроакустический преобразователь и одновибратор.
Недостатком приведенных аналогов является отсутствие преобразования скорости линейного движения.
Наиболее близким по технической сущности и достигаемому результату к заявленному является ультразвуковой измеритель перемещений (А.С. СССР №1620834, МКИ5 G 01 B 17/00, 1991 г.), содержащий первичный магнитострикционный преобразователь перемещения, состоящий из линейного магнитострикционного волновода, первого и второго акустического демпфера, выходного электроакустического преобразователя, входного электроакустического преобразователя, генератора тока возбуждения, усилителя-формирователя считывания, стабилизатора растягивающих усилий и ограничителей перемещений, измерительный генератор, схему реверсирования, блок накопления, генератор опроса, одновибратор, первую и вторую схемы управления, вторую схему реверсирования, второй, третий и четвертый блоки накопления, вспомогательный генератор, второй формирователь импульсов, три буферных регистра и элемент задержки.
Недостатком прототипа является невысокая разрешающая способность по измеряемой скорости.
Задачей изобретения является улучшение разрешающей способности преобразования по скорости движения.
Поставленная задача решается тем, что в ультразвуковой преобразователь перемещения и скорости движения, содержащий первичный магнитострикционный преобразователь перемещения, состоящий из линейного магнитострикционного волновода с первым и вторым акустическим демпферами на концах, входного электроакустического преобразователя, неподвижно установленного возле первого демпфера, выходного электроакустического преобразователя, выполненного с возможностью перемещения вдоль волновода и предназначенного для кинематического соединения с контролируемым объектом, генератор тока возбуждения, выход которого соединен со входом входного электроакустического преобразователя, и одновибратор, в отличие от прототипа введены однокристальный микроконтроллер, выход “Старт” которого соединен со входом одновибратора, интерфейс связи, генератор синусоидального напряжения, амплитудный модулятор, первый вход которого соединен с выходом одновибратора, второй вход соединен с выходом генератора синусоидального напряжения, а выход соединен со входом генератора тока возбуждения, активный полосовой фильтр, вход которого соединен с выходом выходного электроакустического преобразователя, амплитудный детектор, вход которого соединен с выходом активного полосового фильтра, источник опорного напряжения, аналоговый компаратор, неинвертирующий вход которого соединен с выходом амплитудного детектора, инвертирующий вход соединен с выходом источника опорного напряжения, а выход соединен со входом “Стоп” однокристального микроконтроллера, генератор развертывающего кода, вход запуска которого соединен с выходом “Старт” однокристального микроконтроллера, регистр, вход стробирования которого соединен с выходом аналогового компаратора, информационные входы соединены с n-разрядной шиной генератора развертывающего кода, а информационные выходы соединены с n-разрядной шиной однокристального микроконтроллера, первый умножитель частоты, вход которого соединен с выходом генератора синусоидального напряжения, первый смеситель, первый вход которого соединен с выходом первого умножителя частоты, а второй вход соединен с выходом активного полосового фильтра, первый фильтр низких частот, вход которого соединен с выходом первого смесителя, второй умножитель частоты, вход которого соединен с выходом первого фильтра низких частот, третий умножитель частоты, вход которого соединен с выходом генератора синусоидального напряжения, второй смеситель, первый вход которого соединен с выходом третьего умножителя частоты, а второй вход соединен с выходом второго умножителя частоты и второй фильтр низких частот, вход которого соединен с выходом второго смесителя, а выход соединен со входом “Сигнал скорости” однокристального микроконтроллера.
Измерение скорости устройством, выбранным в качестве прототипа, выполняется методом так называемого простого дискретного дифференцирования цифровой величины перемещения х. При разрешающей способности преобразователя по перемещению, равной xРАЗР=50 мкм и длительности интервала времени между двумя измерениями перемещения tV=50 мс разрешающая способность преобразователя по скорости линейного движения равняется 
Если возбуждать ультразвуковую волну в магнитострикционном звукопроводе первичного магнитострикционного преобразователя перемещения (ПМПП) с помощью тока синусоидальной формы с частотой f0, то при движении контролируемого объекта со скоростью V частота сигнала выходного электроакустического преобразователя (ЭАП) из-за эффекта Доплера изменяется на величину доплеровской частоты, по значению которой можно найти скорость V. Из-за нелинейной зависимости магнитной индукции ферромагнитного материала волновода от напряженности магнитного поля в сигнале выходного ЭДС присутствуют высшие гармонические составляющие, изменение частоты которых из-за эффекта Доплера увеличивается с номером гармоники. При скорости ультразвуковой волны Vуз=5000 м/с и частоте тока возбуждения f0=500 кГц чувствительность преобразования скорости V в доплеровскую частоту fД равняется

т.е. скорости движения V=1 м/с будет соответствовать значение доплеровской частоты
fД=SV·V=100 м-1·1 м/с=100 Гц
Для увеличения чувствительности SV из частоты некоторой n-й гармоники вычитается частота f0, умноженная на число (n-1). Полученная разностная частота умножается на число m и далее из нее вычитается частота f0, умноженная на число (m-1). В итоге выполняемых спектральных преобразований частота информационного сигнала равняется
f=([n·(f0+fД)-(n-1)·f0]·m)-(m-1)·f0=n·m·fД+f0,
т.е. чувствительность SV увеличивается в n·m раз. Для обеспечения разрешающей способности по скорости лучше 1 мм/с при n=5 и m=20 необходимо измерение доплеровской частоты с разрешающей способностью не хуже

Такому требованию на сегодняшний день удовлетворяет анализ спектрального состава сигнала с помощью дискретного быстрого преобразования Фурье.
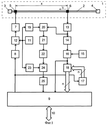
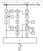
На фиг.1 изображена функциональная схема устройства; на фиг.2 – временные диаграммы его работы.
Ультразвуковой преобразователь перемещения и скорости движения содержит первичный магнитострикционный преобразователь 1 перемещения, который состоит из линейного магнитострикционного волновода 2 с первым и вторым акустическими демпферами 3 и 4 на концах, входного электроакустического преобразователя 5, неподвижно установленного возле первого акустического демпфера 3, выходного электроакустического преобразователя 6, выполненного с возможностью перемещения вдоль линейного магнитострикционного волновода 2 и предназначенного для кинематического соединения с контролируемым объектом, генератор 7 тока возбуждения, выход которого соединен со входом входного электроакустического преобразователя 5, одновибратор 8, однокристальный микроконтроллер 9, выход “Старт” которого соединен со входом одновибратора 8, интерфейс 10 связи, генератор 11 синусоидального напряжения, амплитудный модулятор 12, первый вход которого соединен с выходом одновибратора 8, второй вход соединен с выходом генератора 11 синусоидального напряжения, а выход соединен со входом генератора 7 тока возбуждения, активный полосовой фильтр 13, вход которого соединен с выходом выходного электроакустического преобразователя 6, амплитудный детектор 14, вход которого соединен с выходом активного полосового фильтра 13, источник 15 опорного напряжения, аналоговый компаратор 16, неинвертирующий вход которого соединен с выходом амплитудного детектора 14, инвертирующий вход соединен с выходом источника 15 опорного напряжения, а выход соединен со входом “Стоп” однокристального микроконтроллера 9, генератор 17 развертывающего кода, вход запуска которого соединен с выходом “Старт” однокристального микроконтроллера 9, регистр 18, вход стробирования которого соединен с выходом аналогового компаратора 16, информационные входы соединены с n-разрядной шиной генератора 17 развертывающего кода, а информационные выходы соединены с n-разрядной шиной однокристального контроллера 9, первый умножитель 19 частоты, вход которого соединен с выходом генератора 11 синусоидального напряжения, первый смеситель 20, первый вход которого соединен с выходом первого умножителя 19 частоты, а второй вход соединен с выходом активного полосового фильтра 13, первый фильтр 21 низких частот, вход которого соединен с выходом первого смесителя 20, второй умножитель 22 частоты, вход которого соединен с выходом первого фильтра 21 низких частот, третий умножитель 23 частоты, вход которого соединен с выходом генератора 11 синусоидального напряжения, второй смеситель 24, первый вход которого соединен с выходом третьего умножителя 23 частоты, а второй вход соединен с выходом второго умножителя 22 частоты и второй фильтр 25 низких частот, вход которого соединен с выходом второго смесителя 24, а выход соединен со входом “Сигнал скорости” однокристального микроконтроллера 9.
Устройство работает следующим образом.
Цикл преобразования начинается с приходом импульса с выхода “Старт” однокристального микроконтроллера 9 (фиг.2, б). По этому импульсу генератор 17 развертывающего кода приводится в исходное состояние и на его n-разрядной шине появляется двоичный код 00…000, который с периодичностью ТКВ начинает увеличиваться на единицу (фиг.2, в), образуя шкалу временного отсчета. Одновременно по импульсу с выхода “Старт” однокристального микроконтроллера 9 одновибратор 8 вырабатывает импульс напряжения длительностью ОВ (фиг.2, г), который модулируется с помощью амплитудного модулятора 12 синусоидальным напряжением с частотой f0, непрерывно поступающим с выхода генератора 11 синусоидального напряжения (фиг.2, а). На выходе амплитудного модулятора 12 формируется радиоимпульс длительностью ОВ (фиг.2, д), который преобразуется с помощью генератора 7 тока возбуждения в радиоимпульс тока с той же длительностью и частотой. Этот радиоимпульс тока поступает во входной ЭАП 5 ПМПП 1, и в магнитострикционном волноводе 2 возбуждаются две ультразвуковые волны с частотой fo, распространяющиеся вдоль волновода в обе стороны со скоростью VУЗ. Ультразвуковая волна, распространяющаяся влево, рассеивается на акустическом демпфере 3. Ультразвуковая волна, распространяющаяся вправо, через время задержки

где х – расстояние между входным ЭАП 5 и выходным ЭАП 6, достигает места расположения выходного ЭАП 6, движущегося со скоростью V, и наводит в нем импульс ЭДС, спектральный состав которого содержит основную гармоническую составляющую с частотой

и высшие гармонические составляющие с частотами 2fвых, 3fвых, 4fвых и т.д. Далее ультразвуковая волна рассеивается на акустическом демпфере 4.
Гармонические составляющие сигнала с выходного ЭАП 6 с частотами, отличными от nfвых, подавляются, а гармоническая составляющая с частотой nfвых=n(f0+fД) усиливается в активном полосовом фильтре 13 (фиг.2, е) и поступает далее на амплитудный детектор 14, выходное напряжение которого сравнивается с помощью аналогового компаратора 16 с опорным напряжением, вырабатываемым источником 15 опорного напряжения (фиг.2, ж). Прямоугольный импульс с выхода аналогового компаратора 16 (фиг.2, з) поступает на вход стробирования регистра 18 и в последний записывается двоичный код (фиг.2, и)

присутствующий в этот момент на n-разрядной шине генератора 17 развертывающего кода. Код NX несет информацию о текущем перемещении х. Одновременно импульс с выхода аналогового компаратора поступает на вход “Стоп” однокристального микроконтроллера 9, который считывает цифровой код NX и вычисляет текущее перемещение контролируемого объекта по выражению
x=Nx·TКВ·VУЗ.
Выходное напряжение активного полосового фильтра 13 с частотой fАПФ=n(f0+fД) поступает одновременно на второй вход первого смесителя 20. Напряжение с выхода генератора 11 синусоидального сигнала с частотой f0 поступает на вход первого умножителя 19 частоты, выходное напряжение которого с частотой fУЧ1=(n-1)f0 поступает на первый вход первого смесителя 20. Выходное напряжение первого смесителя 20 содержит две спектральные составляющие с суммарной частотой
=fАПФ+fУЧ1=n·(f0+fД)+(n-1)·f0=(2n-1)·f0+n·fД
и с разностной частотой

Спектральная составляющая с частотой подавляется, а спектральная составляющая с частотой свободно пропускается первым фильтром 21 низких частот. Выходное напряжение первого фильтра 21 низких частот с частотой fФНЧ1=f0+n·fД поступает на вход второго умножителя 22 частоты, выходное напряжение которого имеет частоту
fФНЧ1=m·f– УЧ1=m·(f0+n·fД),
где m – коэффициент умножения частоты второго умножителя 22 частоты. Выходное напряжение второго умножителя 22 частоты поступает на второй вход второго смесителя 24. Одновременно напряжение с выхода генератора 11 синусоидального сигнала поступает на вход третьего умножителя 23 частоты, выходной сигнал которого имеет частоту
fУЧ3=(m-1)·f0.
Выходное напряжение третьего умножителя 23 частоты поступает на первый вход второго смесителя 24, выходное напряжение которого содержит две спектральные составляющие с суммарной частотой
f+ C2=fУЧ2+fУЧ3=m·(f0+n·fД)+(m-1)·f0=(2m-1)·f0+m·n·fД
и с разностной частотой
f– C2=fУЧ2-fУЧ3=m·(f0+n·fД)-(m-1)·f0=f0+m·n·fД.
Спектральная составляющая с суммарной частотой подавляется вторым фильтром 25 низких частот, а спектральная составляющая с разностной частотой свободно пропускается им и поступает на вход “Сигнал скорости” однокристального микроконтроллера 9. Частота fФНЧ2=f0+m·n·fД выходного напряжения второго фильтра 25 низких частот несет информацию о скорости V движения контролируемого объекта. В течение времени, когда напряжение на выходе аналогового компаратора 16 имеет высокий уровень, выходное напряжение второго фильтра 25 низких частот преобразуется с помощью однокристального микроконтроллера 9 в цифровую форму. Далее однокристальный микроконтроллер 9 выполняет дискретное быстрое преобразование Фурье, определяет значение частоты fФНЧ2 и вычисляет текущую скорость движения контролируемого объекта по выражению.

Результаты преобразования текущего положения х и текущей скорости движения V контролируемого объекта передаются через интерфейс 10 связи. На этом цикл преобразования завершатся.
Таким образом, благодаря тому скорость V контролируемого объекта преобразуется в доплеровскую частоту fД сигнала выходного ЭАП 6, для измерения которой выполняется ряд спектральных преобразований одной из высших гармоник этого сигнала и применяется дискретное быстрое преобразование Фурье, разрешающая способность Vразр преобразования скорости V с использованием эффекта Доплера лучше, чем разрешающая способность преобразования методом простого дискретного дифференцирования.
Итак, заявленное изобретение позволяет повысить разрешающую способность преобразования скорости движения.
Формула изобретения
Ультразвуковой преобразователь перемещения и скорости движения, содержащий первичный магнитострикционный преобразователь перемещения, состоящий из линейного магнитострикционного волновода с первым и вторым акустическими демпферами на концах, входного электроакустического преобразователя, неподвижно установленного возле первого демпфера, выходного электроакустического преобразователя, выполненного с возможностью перемещения вдоль волновода и предназначенного для кинематического соединения с контролируемым объектом, генератор тока возбуждения, выход которого соединен со входом входного электроакустического преобразователя, и одновибратор, отличающийся тем, что в него также введены однокристальный микроконтроллер, выход “Старт” которого соединен со входом одновибратора, интерфейс связи, генератор синусоидального напряжения, амплитудный модулятор, первый вход которого соединен с выходом одновибратора, второй вход соединен с выходом генератора синусоидального напряжения, а выход соединен со входом генератора тока возбуждения, активный полосовой фильтр, вход которого соединен с выходом выходного электроакустического преобразователя, амплитудный детектор, вход которого соединен с выходом активного полосового фильтра, источник опорного напряжения, аналоговый компаратор, неинвертирующий вход которого соединен с выходом амплитудного детектора, инвертирующий вход соединен с выходом источника опорного напряжения, а выход соединен со входом “Стоп” однокристального микроконтроллера, генератор развертывающего кода, вход запуска которого соединен с выходом “Старт” однокристального микроконтроллера, регистр, вход стробирования которого соединен с выходом аналогового компаратора, информационные входы соединены с n-разрядной шиной генератора развертывающего кода, а информационные выходы соединены с n-разрядной шиной однокристального контроллера, первый умножитель частоты, вход которого соединен с выходом генератора синусоидального напряжения, первый смеситель, первый вход которого соединен с выходом первого умножителя частоты, а второй вход соединен с выходом активного полосового фильтра, первый фильтр низких частот, вход которого соединен с выходом первого смесителя, второй умножитель частоты, вход которого соединен с выходом первого фильтра низких частот, третий умножитель частоты, вход которого соединен с выходом генератора синусоидального напряжения, второй смеситель, первый вход которого соединен с выходом третьего умножителя частоты, а второй вход соединен с выходом второго умножителя частоты, и второй фильтр низких частот, вход которого соединен с выходом второго смесителя, а выход соединен со входом “Сигнал скорости” однокристального микроконтроллера.
РИСУНКИ
MM4A – Досрочное прекращение действия патента СССР или патента Российской Федерации на изобретение из-за неуплаты в установленный срок пошлины за поддержание патента в силе
Дата прекращения действия патента: 02.11.2006
Извещение опубликовано: 27.08.2008 БИ: 24/2008
|
|