|
(21), (22) Заявка: 2003132859/11, 12.11.2003
(24) Дата начала отсчета срока действия патента:
12.11.2003
(43) Дата публикации заявки: 27.04.2005
(45) Опубликовано: 10.03.2006
(15) Информация о коррекции:
Версия коррекции № 1 (
Изобретение относится к средствам обработки воздуха на самолете, обеспечивающим кондиционирование воздуха в герметизированной кабине экипажа и термостатирование тепловыделяющего оборудования в негерметичных отсеках.
Формирование сигналов управления исполнительными органами, определяющими распределение кондиционируемого воздуха в зависимости от сигналов и датчиков соответствующих параметров, предусмотрено в описаниях изобретений по заявкам и патентам PCT/US 95/04289, РСТ/ US95/16512, ЕР 1190946, GB 2340890, RU 2170192 (прототип). Использование вычислителя предусмотрено описаниями изобретений по заявкам PCT/US 97/18877 и РСТ/СА 99/01215.
Изобретение решает задачу обеспечения компьютерной автоматизации управления обработкой воздуха при всех режимах полета.
Согласно изобретению система управления обработкой воздуха на самолете содержит средство цифрового кодирования электрических сигналов электронно-вычислительное устройство и средство коммутации управляющих силовых сигналов.
К входам средства цифрового кодирования сигналов подключены:
задатчик оптимальной температуры воздуха в кабине экипажа, датчики:
атмосферного давления за бортом самолета,
давления и температуры воздуха в кабине экипажа,
температуры и динамического перепада давлений в потоке кондиционированного воздуха перед кабиной экипажа,
температуры холодного воздуха до его возможного обезвоживания после расширения,
температуры горячего воздуха, предназначенного для вентиляции кабины экипажа.
Цифровое электронно-вычислительное устройство связано со средством цифрового кодирования сигналов и снабжено программным обеспечением для реализации алгоритма задания констант, формирования и коммутации управляющих команд.
Средство коммутации управляющих силовых сигналов электрически связано с цифровым электронно-вычислительным устройством и подключено к электроприводам регулирующих заслонок, определяющих:
расход отработанного воздуха, сбрасываемого из вентилируемой кабины экипажа,
расход горячего воздуха, предназначенного для вентиляции кабины экипажа,
расход воздуха, холодного вследствие расширения, предназначенного для термостатирования тепловыделяющего оборудования в негерметичном отсеке,
расход горячего воздуха, предназначенного для подогрева воздуха, подвергнутого расширению.
Управление обработкой воздуха на самолете осуществляют в процессе вентиляции герметизированной кабины экипажа и термостатирования тепловыделяющего оборудования в негерметичном отсеке. В процессе вентиляции кабины экипажа осуществляют отбор наружного воздуха для обработки, повышение давления обрабатываемого воздуха, охлаждение его наружным воздухом или топливом маршевого газотурбинного двигателя, последующее расширение, близкое адиабатическому, и обезвоживание.
Обезвоживание осуществляют при повышенной влажности атмосферного воздуха и полете на малой высоте в жарких условиях. При управлении используют цифровое электронно-вычислительное устройство (ЭВМ) с соответствующим программным обеспечением. ЭВМ формирует управляющие команды. Средство коммутации управляет регулирующими заслонками и другими исполнительными устройствами. Для управления задают оптимальные значения расхода кондиционированного воздуха в кабину экипажа, температуры и давления воздуха в ней, а также температуры воздуха до его возможного обезвоживания после расширения. В процессе управления замеряют атмосферное давление за бортом самолета, температуру обрабатываемого воздуха до его возможного обезвоживания после расширения, температуру горячего воздуха, предназначенного для вентиляции кабины экипажа, температуру и динамический перепад давлений в потоке кондиционированного воздуха, а также реальные давление и температуру воздуха в самой кабине.
Система может содержать датчик положения электропривода или самой регулирующей заслонки, определяющей расход горячего воздуха, предназначенного для вентиляции кабины экипажа. Этот датчик подключен к дополнительному входу средства цифрового кодирования сигналов. К дополнительному же выходу средства коммутации управляющих силовых сигналов подключен электропривод другой регулирующей заслонки. Ею является регулирующая заслонка, определяющая расход обрабатываемого воздуха, не подвергаемого предварительному или промежуточному охлаждению соответственно до или после завершающего повышения его статического давления. Указанным датчиком контролируют положение первой заслонки. При ее полном открытии формируют управляющий силовой сигнал на электропривод регулирующей заслонки, определяющей расход обрабатываемого воздуха, не подвергаемого предварительному или промежуточному охлаждению. Силовой сигнал формируют зависящим от температуры горячего воздуха, температуры кондиционированного воздуха перед кабиной экипажа и от величины и знака рассогласования заданного – оптимального и реального значений температуры воздуха в ней.
Система может содержать запорную заслонку, определяющую подачу воздуха в продувочный тракт воздушно-испарительного теплообменного аппарата промежуточного охлаждения обрабатываемого воздуха. Электропривод этой заслонки подключен к дополнительному выходу средства коммутации управляющих силовых сигналов. При подаче горячего воздуха для подогрева воздуха, подвергнутого расширению, до температуры, достаточной для отделения конденсата, формируют силовой управляющий сигнал на электропривод заслонки.
Система может содержать запорную заслонку, определяющую соединение магистрали подготовки обрабатываемого воздуха за одной из ступеней компрессора маршевого двигателя с соплом эжектора в продувочном тракте воздухо-воздушного теплообменного аппарата. Электропривод заслонки подключен к дополнительному выходу средства коммутации силовых сигналов. В этом случае контролируют давление торможения встречного потока воздуха и при недостаточности его для продувки воздухо-воздушного теплообменного аппарата формируют силовой сигнал на электропривод заслонки.
Система может содержать запорную заслонку, определяющую включение в продувочный тракт воздухо-воздушного теплообменного аппарата вентилятора, соединенного с маршевым двигателем или валом турбокомпрессорного агрегата. Электропривод заслонки подключен к дополнительному выходу средства коммутации силовых сигналов. В этом случае контролируют давление торможения встречного потока воздуха и при недостаточности его для продувки воздухо-воздушного теплообменного аппарата формируют силовой сигнал на электропривод заслонки.
К дополнительному выходу средства коммутации управляющих силовых сигналов может быть подключен также электропривод регулирующей заслонки, определяющей расход приводного воздуха из магистрали подготовки обрабатываемого воздуха за одной из ступеней компрессора маршевого двигателя в приводную турбину турбокомпрессорного агрегата. В этом случае формируют силовой сигнал на электропривод заслонки.
К дополнительному выходу средства коммутации силовых сигналов может быть подключен также электропривод регулирующей заслонки, определяющей подключение приводной турбины турбокомпрессорного агрегата к выходу компрессора турбостартера маршевого двигателя. В этом случае формируют управляющий силовой сигнал на этот электропривод.
Система может содержать датчики температуры и статического давления обрабатываемого воздуха после завершающего повышения его статического давления перед расширением, посредством которых контролируют указанные температуру и давление. Датчики подключены к дополнительным входам средства цифрового кодирования сигналов.
К дополнительному выходу средства коммутации силовых сигналов может быть подключен электропривод регулирующей заслонки, определяющей расход обрабатываемого воздуха перед предварительным или завершающим повышением его статического давления. В этом случае контролируют температуру и статическое давление обрабатываемого воздуха перед расширением и формируют силовой сигнал на этот электропривод.
К дополнительному выходу средства коммутации силовых сигналов может быть подключен электропривод заслонки, определяющей ограничение расхода обрабатываемого воздуха через турбину турбокомпрессорного агрегата. В этом случае контролируют температуру и статическое давление обрабатываемого воздуха перед расширением и формируют силовой сигнал на электропривод.
К дополнительному выходу средства коммутации силовых сигналов может быть также подключен электропривод заслонки, определяющей соединение магистрали подготовки обрабатываемого воздуха с приемником скоростного напора встречного потока наружного воздуха или с одной из ступеней компрессора маршевого двигателя. В этом случае контролируют давление торможения встречного потока наружного воздуха и формируют силовой сигнал на электропривод заслонки.
Система может содержать датчик температуры воздуха в негерметичном отсеке с термостатируемым оборудованием, подключенный к еще одному входу средства цифрового кодирования сигналов, и регулирующую заслонку, определяющую подачу для термостатирования оборудования наружного воздуха встречного потока. Электропривод заслонки подключен к дополнительному средству коммутации силовых сигналов. При температуре воздуха в негерметичном отсеке с термостатируемым оборудованием, близкой предельно допустимой, и температуре торможения встречного потока наружного воздуха ниже ее же формируют силовой сигнал на электропривод заслонки.
В дальнейшем изобретение поясняется конкретными примерами его выполнения со ссылками на прилагаемые чертежи, на которых изображены:
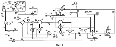
Фиг.1 – схема первой модификации патентуемой системы.
Система обработки воздуха на самолете, выполненная на фиг.1, содержит турбокомпрессорный агрегат 1. Турбокомпрессорный агрегат включает в себя центробежный компрессор 5 для завершающего повышения давления обрабатываемого воздуха и турбину 9 для его охлаждения вследствие расширения. Система содержит топливовоздушный теплообменный аппарат 13 промежуточного охлаждения обрабатываемого воздуха. Система содержит также воздухо-воздушный теплообменный аппарат 17 промежуточного охлаждения обрабатываемого воздуха. Эти теплообменные аппараты установлены в промежуточном воздуховоде 21.
Фиг.2 – схема второй модификации патентуемой системы.
Система обработки воздуха на самолете, выполненная на фиг.2, содержит турбокомпрессорный агрегат 2. Турбокомпрессорный агрегат включает в себя центробежный компрессор 6 для завершающего повышения давления обрабатываемого воздуха и турбину 10 для его охлаждения вследствие расширения.
Система содержит топливовоздушный теплообменный аппарат 14 промежуточного охлаждения обрабатываемого воздуха. Система содержит также воздухо-воздушный теплообменный аппарат 18 промежуточного охлаждения. Эти теплообменные аппараты установлены в промежуточном воздуховоде 22.
Фиг.3 – схема третьей модификации патентуемой системы.
Система обработки воздуха на самолете, выполненная на фиг.3, содержит турбокомпрессорный агрегат 3. Турбокомпрессорный агрегат включает в себя центробежный компрессор 7 для завершающего повышения давления обрабатываемого воздуха и турбину 11 для его охлаждения вследствие расширения. Система содержит топливовоздушный теплообменный аппарат 15 промежуточного охлаждения обрабатываемого воздуха. Система содержит также воздухо-воздушный теплообменный аппарат 19 промежуточного охлаждения обрабатываемого воздуха. Эти теплообменные аппараты установлены в промежуточном воздуховоде 23.
Система обработки воздуха на самолете, выполненная на фиг.4, содержит турбокомпрессорный агрегат 4. Турбокомпрессорный агрегат включает в себя центробежный компрессор 8 для завершающего повышения давления обрабатываемого воздуха и турбину 12 для его охлаждения вследствие расширения.
Система содержит топливно-воздушный теплообменный аппарат 16 промежуточного охлаждения обрабатываемого воздуха. Система содержит также воздухо-воздушный теплообменный аппарат 20 промежуточного охлаждения обрабатываемого воздуха. Эти теплообменные аппараты установлены в промежуточном воздуховоде 24.
В промежуточном воздуховоде 21, 22, 23, 24 между теплообменным аппаратом 13, 14, 15, 16 промежуточного охлаждения обрабатываемого воздуха и турбиной 9, 10, 11, 12 турбокомпрессорного агрегата 1, 2, 3, 4 установлен воздушно-испарительный теплообменный аппарат 62 и отделитель 63 конденсата. Продувочный тракт теплообменного аппарата 62 подключен входным участком к воздуховоду 26 перед отделителем 25, к его влагосборнику и к влагосборнику отделителя 63 конденсата. В выходном участке продувочного тракта теплообменного аппарата 62 установлена запорная заслонка 64.
Промежуточный воздуховод сообщает выход центробежного компрессора турбокомпрессорного агрегата с входом его турбины. Отделитель 25 конденсата установлен в распределительном воздуховоде 26. Воздуховод 26 сообщает выход турбины турбокомпрессорного агрегата с магистралью 27 подачи холодного воздуха в негерметичный отсек 28 с термостатируемым оборудованием 29 и 30 и через обратный клапан 31 с магистралью 32 подачи кондиционированного воздуха в герметизированную кабину 33 экипажа.
Для сброса отработанного воздуха, вентилирующего кабину экипажа, предназначен выпускной клапан 34. В магистрали 27 установлена регулирующая заслонка 35. Регулирующая заслонка 36 установлена в воздуховоде 37. Воздуховод 37 сообщает участок воздуховода 26 между выходом турбокомпрессорного агрегата и отделителем 25 конденсата с источником не подвергнутого охлаждению путем расширения горячего воздуха. Регулирующая заслонка 38 установлена в воздуховоде 39, сообщающем магистраль 32 с тем же источником горячего воздуха.
Система обработки воздуха самолета, выполненная на фиг.1, содержит магистраль 48 на участке перед теплообменным аппаратом 44 и оборудована стабилизатором 69 избыточного давления обрабатываемого воздуха. Магистраль 48 подключена также к компрессору автономного газотурбинного двигателя 70 вспомогательной силовой установки или стартера 68 (не показано). Магистраль подготовки обрабатываемого воздуха в системе сообщена соединительными воздуховодами отбора наружного воздуха с входным каналом 75 маршевого газотурбинного двигателя 55 и с приемником 76 скоростного напора потока наружного воздуха.
Система обработки воздуха самолета, выполненная на фиг.2, содержит привод 71, который механически соединен с промежуточным центробежным компрессором 72, который включен в магистраль 49 перед теплообменным аппаратом 45. В магистрали 49 между компрессорами 54 и 72 установлены воздухо-воздушный теплообменный аппарат 73 и топливовоздушный теплообменный аппарат 74 начального охлаждения обрабатываемого воздуха.
Система обработки воздуха самолета, выполненная на фиг.3, содержит компрессор 7 турбокомпрессорного агрегата 3, механически соединенного с двигателем 55 посредством его вынесенного привода 71 агрегатов систем самолета.
На валу турбокомпрессорного агрегата 4 системы обработки воздуха самолета, выполненной на фиг.4, смонтирована приводная турбина 65. Вход турбины 65 сообщен с компрессором двигателя 55 через регулирующую заслонку 66. Через запорную заслонку 67 турбина сообщена с выходом компрессора стартера – автономного газотурбинного двигателя 68.
Магистраль подготовки 49, 50, 51 обрабатываемого воздуха сообщена и с приемником 77 наружного воздуха статического давления. В воздуховодах отбора наружного воздуха установлены обратные клапаны 78, 79, 80. Продувочный тракт каждого из воздухо-воздушных теплообменных аппаратов системы сообщен воздуховодами отбора наружного воздуха с входным каналом 75 и с приемником 76 через те же обратные клапаны.
В продувочный тракт воздухо-воздушного теплообменного аппарата предварительного (фиг.2) или промежуточного (фиг.3 и 4) охлаждения обрабатываемого воздуха включен вентилятор 81. Его вал соединен с валом турбокомпрессорного агрегата. В модификации системы, подобной представленной на фиг.1, с отбором воздуха от компрессора турбостартера (не показано) в продувочный тракт воздухо-воздушного теплообменного аппарата предварительного или промежуточного охлаждения обрабатываемого воздуха также может быть включен вентилятор (не показано). Вал такого вентилятора также был бы соединен с валом турбокомпрессорного агрегата. В модификации системы, подобной представленной на фиг.2, вал вентилятора может быть соединен (не показано) с валом компрессора 72.
Вентилятор 81 может быть включен с помощью регулирующей заслонки в воздуховод, подключенный (фиг.4) к воздуховоду 26. Это может быть целесообразно при работе на стоянке в условиях высокой температуры наружного воздуха.
Кабина 33 экипажа сообщена через выпускной клапан 34 с негерметичным отсеком 28. С магистралью 27 через регулирующую заслонку 84 в соединительном воздуховоде сообщен приемник 85 скоростного напора потока наружного воздуха.
Запорная заслонка 86 (в модификациях системы, представленных на фиг.2, 3, и 4), предназначена для перекрытия магистрали подготовки обрабатываемого воздуха. Заслонка 86 закрыта при отборе обрабатываемого воздуха через один из приемников наружного воздуха. В этом случае используется также запорная заслонка для перекрытия продувочного тракта воздухо-воздушного теплообменного аппарата 73, 46 или 47. Переключатель 87 предназначен для соединения магистрали подготовки обрабатываемого воздуха с выходом одной из ступеней компрессора маршевого газотурбинного двигателя.
В магистрали подготовки обрабатываемого воздуха или в промежуточном воздуховоде за местом подключения воздуховода 39 установлен ограничитель 88 (фиг.1 и 2) или 89 (фиг.3 и 4) расхода. В самом же воздуховоде 39 перед местом соединения его с магистралью 32 установлен ограничитель 90 расхода.
Датчик 91 контролирует температуру воздуха в магистрали 32. В магистрали 32 установлено сужающее устройство датчика 92 динамического перепада давлений в потоке кондиционированного воздуха. В кабине экипажа установлены задатчик 93 оптимальной температуры воздуха, датчик 94 реальной температуры воздуха и датчик 95 реального давления воздуха в ней. Датчик 96 контролирует температуру воздуха в воздуховоде 26 перед отделителем 25 конденсата. Датчик 97 температуры воздуха установлен в отсеке 28. Датчик 98 контролирует температуру в магистрали подготовки обрабатываемого воздуха перед ограничителем 88. Датчик 99 контролирует температуру в промежуточном воздуховоде перед ограничителем 89. Датчик 100 контролирует давление в магистрали подготовки обрабатываемого воздуха перед ограничителем 88. Датчик 101 контролирует давление в промежуточном воздуховоде перед ограничителем 89.
В модификациях системы, представленных на фиг.2 и 4, устройством, определяющим ограничение расхода обрабатываемого воздуха через турбину турбокомпрессорного агрегата, является запорная заслонка 103. Регулирующая заслонка (не показана), определяющая расход воздуха, вентилирующего кабину 33, является частью регулятора 104 питания камеры (не показана) переменного объема клапана 34.
В модификации системы, представленной на фиг.1, в воздуховоде, сообщающем магистраль 48 с соплом эжектора 105, установлена запорная заслонка 106. Эжектор 105 установлен в продувочном тракте воздухо-воздушных теплообменных аппаратов 17 и 44.
В модификациях системы, представленных на фиг.2, 3 и 4, в магистрали подготовки воздуха перед промежуточным компрессором или компрессором турбокомпрессорного агрегата установлена регулирующая заслонка 107.
В продувочном тракте воздухо-воздушного теплообменного аппарата перед вентилятором установлена запорная заслонка 108. При управлении используется также датчик 109 (фиг.6) атмосферного давления за бортом самолета.
В процессе эксплуатации самолета кабину 33 экипажа вентилируют кондиционированным воздухом. При этом оптимизируют расход этого воздуха в кабину, давление и температуру воздуха в ней, а также термостатируют оборудование 29 и 30 в отсеке 28. Обрабатываемый воздух отбирают из наружного потока через входной канал 75 двигателя 55 или через входной канал двигателя 70 вспомогательной силовой установки либо через приемник 76 или 77.
В компрессоре 5 (фиг.1) или 6 (фиг.2) давление обрабатываемого воздуха повышают за счет энергии его последующего расширения турбиной 9 (фиг.1) или 10 (фиг.2). В компрессоре вспомогательной силовой установки (фиг.1), компрессорах 54 и 72 (фиг.2) давление обрабатываемого воздуха повышают за счет энергии газотурбинного двигателя. В компрессоре 7 (фиг.3) или в компрессоре 8 (фиг.4) давление обрабатываемого воздуха повышают за счет энергии его последующего расширения турбиной 11 (фиг.3) или 12 (фиг.4) и за счет энергии газотурбинного двигателя. В компрессоре 7 (фиг.3) давление обрабатываемого воздуха повышают за счет энергии двигателя 55 посредством привода 71, а в компрессоре 8 (фиг.4) посредством турбины 65. Для сжатия приводного воздуха турбины 65 используют компрессор двигателя 55 или его турбостартера 68 (фиг.4).
Обрабатываемый воздух с повышенным давлением охлаждают наружным воздухом и топливом газотурбинного двигателя. При охлаждении обрабатываемого воздуха наружным, охлаждающий воздух подают за счет скоростного напора встречного потока из канала 75 или приемника 76. При недостаточности скоростного напора используют эжектор 105 (фиг.1) либо вентилятор 81.
При обработке воздуха в модификации системы, представленной на фиг.2, осуществляют начальное охлаждение обрабатываемого воздуха в теплообменных аппаратах 73 и 74 и промежуточное повышение давления компрессором 72 с использованием привода 71. За счет испарения конденсата из его отделителей 25 и 63 обрабатываемый воздух после завершающего повышения давления дополнительно охлаждают в теплообменном аппарате 62.
Часть обрабатываемого воздуха после завершающего повышения его давления компрессором турбокомпрессорного агрегата и охлаждения подвергают расширению, близкому адиабатическому, турбиной турбокомпрессорного агрегата до давления, превышающего давление воздуха в кабине 33 экипажа.
При всех режимах эксплуатации самолета температуру воздуха в магистрали 27 поддерживают допустимой для термостатирования оборудования 29. При повышенной влажности атмосферного воздуха и полете на малой высоте в жарких условиях температуру воздуха перед отделителем 25 поддерживают положительной для отделения конденсата. Для этого к воздуху, подвергнутому расширению турбиной турбокомпрессорного агрегата, подмешивают горячий воздух по воздуховоду 37.
Расход кондиционированного воздуха в магистрали 32 оптимизируют. Для этого заслонкой 35 расход воздуха в магистрали 32 оптимизируют. Для этого заслонкой 35 расход воздуха в магистрали 27 изменяют в интервале от 100% до 70%. Температуру воздуха в кабине экипажа оптимизируют смешиванием горячего воздуха из воздуховода 39 и до 30% расхода воздуха из воздуховода 26.
При термостатировании оборудования 29 и 30 в отсеке 28 сухой холодный воздух из магистрали 27 смешивают с отработанным воздухом, сбрасываемым из кабины 33 экипажа в процессе ее вентиляции. В отсек 28 через приемник 85 при необходимости подают наружный воздух встречного потока.
Управление системой осуществляется с использованием средства (не показано) цифрового кодирования сигналов, цифрового электронно-вычислительного устройства (ЭВМ) 110 и средства (не показано) коммутации управляющих силовых сигналов. ЭВМ 110 электрически связана со средствами цифрового кодирования сигналов и коммутации управляющих силовых сигналов.
К входам средства цифрового кодирования сигналов подключены: задатчик 93, датчики 91, 92, 94, 95,96,97, 98 или 99,100 или 101,109.
К средствам коммутации управляющих силовых сигналов подключены электроприводы регулирующих заслонок 35, 36, 38, 60, 66 (в модификации системы, представленной на фиг.4), 84, 107 (в модификациях системы, представленных на фиг.2, 3 и 4) и регулирующей заслонки в составе регулятора 104. К средству коммутации управляющих силовых сигналов подключены также электроприводы запорных заслонок. Это запорные заслонки 64, 67 (в модификации фиг.4), 86 (в модификации фиг.2, 3 и 4), 103 (в модификациях фиг.2 и 4), 106 (в модификации фиг.1) и 108 (в модификациях фиг.2, 3 и 4).
В соответствии с алгоритмом оптимизации расхода воздуха в кабину 33, и температуры воздуха в ней, программное обеспечение устройства 110 формирует в нем не аппаратные блоки со 111 по 166 (фиг.5):
блок 111 рассогласования по разности заданной и реальной температур воздуха в кабине 33,
блок 112 «сигнал блока 111 больше заданной зоны нечувствительности средств регулирования»,
блок 113 обнуления сигнала,
блок 114 усиления сигнала блока 111,
блок 115 интегрально накопленных сигналов блока 111,
блок 116 задания температуры кондиционированного воздуха перед кабиной экипажа суммированием сигналов блоков 114 и 115,
блок 117 «заданная температура кондиционированного воздуха больше максимальной»,
блок 118 ограничения заданной температуры кондиционированного воздуха максимальным значением,
блок 119 «заданная температура кондиционированного воздуха больше промежуточной в интервале значений, ограниченном реальной и максимальной температурами»,
блок 120 рассогласования по разности заданной и реальной температур кондиционированного воздуха,
блок 121 рассогласования, определенного, как отношение, в котором знаменателем является разность максимальной и промежуточной температур, а числителем произведение разности заданной и реальной температур на разность максимальной и реальной температур,
блок 122 «сигнал блока 120 или 121 больше заданной зоны нечувствительности средств регулирования»,
блок 123 усиления сигнала блока 120 или 121,
блок 124 составляющей управляющего сигнала по скорости изменения температуры кондиционированного воздуха,
блок 125 составляющий управляющего сигнала по скорости изменения температуры горячего воздуха, предназначенного для вентиляции кабины экипажа,
блок 126 сигнала управления, как суммы сигналов блоков 123,124 и 125,
блок 127 положения регулирующей заслонки 38,
блок 128 «регулирующая заслонка 38 полностью открыта»,
блок 129 положения регулирующей заслонки 35,
блок 130 «регулирующая заслонка 35 полностью открыта»,
блок 131 «сигнал блока 126 положителен»,
блок 132 задания номинального расхода воздуха, вентилирующего кабину экипажа,
блок 133 реального расхода воздуха, вентилирующего кабину экипажа,
блок 134 «расход кондиционированного воздуха в кабину экипажа, больше промежуточного значения, превышающего номинальный»,
блок 135 положения регулирующей заслонки 60,
блок 136 «регулирующая заслонка 60 закрыта»,
блок 137 «регулирующая заслонка 38 закрыта»,
блок 138 «регулирующая заслонка 60 полностью открыта»,
блок 139 задания промежуточного расхода воздуха, вентилирующего кабину экипажа,
блок 140 коррекции заданного расхода воздуха, вентилирующего кабину экипажа, при регулировании его заслонкой 35,
блок 141 рассогласования по разности сигнала блока 133 и сигнала одного из блоков 132,139,140,
блок 142 «рассогласование расхода воздуха через кабину экипажа превышает его ограничение»,
блок 143 «сигнал блока 141 больше заданной зоны нечувствительности средств регулирования»,
блок 144 усиления отношения сигнала блока 133 к сигналу одного из блоков 132, 139, 140,
блок 145 отношения производной сигнала блока 133 к сигналу одного из блоков 132, 139,140,
блок 146 суммирования сигналов блоков 144 и 145,
блок 147 задания скорости движения заслонки 35,
блок 148 задания длительности импульса и паузы команды для коммутации силового сигнала на электропривод заслонки 35,
блок 149 задания скорости движения заслонки 38 по сигналу блока 146,
блок 150 скорости движения заслонки 38 по сигналу блока 126,
блок 151 задания длительности импульса и паузы команды для коммутации силового сигнала на электропривод заслонки 38,
блок 152 усиления сигнала блока 120 или 121,
блок 153 интегрально накопленных сигналов блока 120 или 121,
блок 154 задания температуры горячего воздуха для вентиляции кабины экипажа, как суммы сигналов блоков 152 и 153,
блок 155 «сигнал блока 154 больше максимально допустимого значения»,
блок 156 ограничения сигнала блока 154 максимально допустимым значением,
блок 157 ограничения максимального значения сигнала блока 154,
блок 158 «заданная температура горячего воздуха для вентиляции кабины экипажа больше промежуточной в интервале значений, ограниченном реальной и максимальной температурами»,
блок 159 рассогласования по разности заданной и реальной температур горячего воздуха для вентиляции кабины экипажа,
блок 160 рассогласования, определенного как отношение, в котором знаменателем является разность максимальной и промежуточной температур, а числителем произведение разности заданной и реальной температур на разность максимальной и реальной температур,
блок 161 «сигнал блока 159 или 160 больше заданной зоны нечувствительности средств регулирования»,
блок 162 усиления сигнала блока 159 или 160,
блок 163 составляющей управляющего сигнала по скорости изменения температуры горячего воздуха для вентиляции кабины,
блок 164 суммирования сигналов блоков 162 и 163,
блок 165 задания скорости движения заслонки 60,
блок 166 задания длительности импульса и паузы команды для коммутации силового сигнала на электропривод заслонки 60.
В соответствии с алгоритмом регулирования температуры холодного воздуха после расширения программное обеспечение цифрового электронно-вычислительного устройства 110 формируют в нем, кроме блока 113, также не аппаратные блоки со 170 по 180 (фиг.6):
блок 170 «высота полета больше 8 км»,
блок 171 задания отрицательной температуры холодного воздуха перед подачей его в отсек 28,
блок 172 задания положительной температуры холодного воздуха перед обезвоживанием,
блок 173 рассогласования по разности заданной и реальной температур холодного воздуха,
блок 174 «сигнал блока 173 больше заданной зоны нечувствительности средств регулирования»,
блок 175 усиления сигнала блока 173,
блок 176 составляющей управляющего сигнала по скорости изменения температуры холодного воздуха,
блок 177 составляющей управляющего сигнала по скорости изменения температуры горячего воздуха для вентиляции кабины,
блок 178 суммирования сигналов блоков 175,176 и 177,
блок 179 задания скорости движения заслонки 36,
блок 180 задания длительности импульса и паузы команды для коммутации силового сигнала на электропривод заслонки 36.
Алгоритм регулирования холодопроизводительности системы реализуют не аппаратные блоки цифрового электронно-вычислительного устройства 110 со 190 по 220 (фиг.7):
блок 190 заданной холодопроизводительности системы,
блок 191 реальной холодопроизводительности системы,
блок 192 рассогласования по разности реальной и заданной холодопроизводительности системы,
блок 193 «сигнал блока 192 больше заданной нечувствительности средств регулирования»,
блок 194 усиления относительного рассогласования реальной и заданной холодопроизводительности системы,
блок 195 составляющая управляющего сигнала по скорости изменения реальной холодопроизводительности,
блок 196 суммирования сигналов блоков 194 и 195,
блок 197 «сигнал блока 196 не положителен»,
блок 198 задания давления воздуха в воздуховоде 24,
блок 199 рассогласования по разности заданного и реального давлений воздуха в воздуховоде 24,
блок 200 «сигнал блока 199 больше заданной зоны нечувствительности средств регулирования»,
блок 201 усиления относительного рассогласования реального и заданного давлений воздуха в воздуховоде 24,
блок 202 составляющая управляющего сигнала по скорости изменения реального давления воздуха в воздуховоде 24,
блок 203 суммирование сигналов блоков 201 и 202,
блок 204 «сигнал блока 203 положителен»,
блок 205 положения регулирующей заслонки 107,
блок 206 «регулирующая заслонка 107 полностью открыта»,
блок 207 «сигнал блока 196 положителен»,
блок 208 положения регулирующей заслонки 66,
блок 209 «регулирующая заслонка 66 закрыта»,
блок 210 «управляющий сигнал открытия заслонки 86»,
блок 211 «сигнал блока 203 не положителен»,
блок 212 задания скорости движения заслонки 107 по сигналу блока 196,
блок 213 задания скорости движения заслонки 107 по сигналу блока 203,
блок 214 задания длительности импульса и паузы команды для коммутации силового сигнала на электропривод заслонки 107,
блок 215 управляющего сигнала на закрытие заслонки 86,
блок 216 «есть управляющий сигнал на открытие заслонки 86»,
блок 217 управляющего сигнала на открытие заслонки 86,
блок 218 задания скорости движения заслонки 66 по сигналу блока 196,
блок 219 задания скорости движения заслонки 66 по сигналу блока 203,
блок 220 задания длительности импульса и паузы команды для коммутации силового сигнала на электропривод заслонки 66.
Давление воздуха в кабине 33 оптимизируют в соответствие с алгоритмом, реализуемым ЭВМ 110, в зависимости от величины сигналов датчиков 95 и 109. ЭВМ 110 формирует команду, а средство коммутации управляющих силовых сигналов – соответствующий силовой управляющий сигнал на электропривод регулирующей заслонки в регуляторе 104.
Расход воздуха, вентилирующего кабину 33, оптимизируют в зависимости от величины сигналов задатчика 93 и датчиков 91, 92 и 95 в соответствии с алгоритмом фиг.5, реализуемым ЭВМ 110. ЭВМ 110 формирует команду, а средство коммутации управляющих силовых сигналов соответствующий силовой управляющий сигнал на электропривод регулирующей заслонки 35.
Температуру воздуха в кабине 33 оптимизируют в зависимости от величины сигналов задатчика 93 и датчиков 91, 92, 94, 95 и 98 или 99 в соответствии с алгоритмом фиг.5, реализуемым ЭВМ 110. ЭВМ 110 формирует команду, а средство коммутации управляющих силовых сигналов соответствующий силовой управляющий сигнал на электроприводы регулирующих заслонок 38 и 60.
Температуру холодного воздуха после расширения поддерживают необходимой для термостатирования оборудования. В случаях повышенной влажности атмосферного воздуха и полете на малой высоте в жарких условиях температуру холодного воздуха поддерживают также достаточной для отделения конденсата. Для поддержания нужной температуры ЭВМ 110 формирует команду, а средство коммутации управляющих силовых сигналов соответствующий силовой управляющий сигнал на электропривод регулирующей заслонки 36. Формируемая команда зависит от величины сигналов датчиков 99, 109 и 98 или 99 в соответствии с алгоритмом фиг.6, реализуемым ЭВМ 110.
При отборе наружного воздуха для обработки контролируют (не показано) давление торможения встречного потока воздуха. Запорная заслонка 86 нормально закрыта, препятствуя отбору воздуха от компрессора 54. При достаточности статического давления (на стоянке) или давления торможения наружного воздуха для последующей обработки обрабатываемый воздух отбирают от приемника 76 или 77 в зависимости от статического давления отобранного воздуха. При недостаточности этого давления для последующей обработки формируют управляющий силовой сигнал на электропривод запорной заслонки 86. Команда, формируемая ЭВМ 110, зависит от величины сигналов датчиков 91, 96, 98 или 99 и 100 или 101 в соответствии с алгоритмом фиг.7, реализуемым ЭВМ 110.
При отборе от приемника 75 или 76 наружного воздуха для охлаждения обрабатываемого воздуха также контролируют (не показано) давление торможения встречного потока воздуха. Запорная заслонка 106 (фиг.1) или 108 (фиг.2, 3, и 4) нормально закрыта, препятствуя отбору воздуха из магистрали 48 или подаче его в вентилятор 81. При недостаточности давления торможения для продувки воздухо-воздушного теплообменного аппарата формируют управляющий силовой сигнал на открытие запорной заслонки 106 (фиг.1) или 108 (фиг.2,3 и 4).
В процессе обработки воздуха регулируют холодопроизводительность системы в зависимости от величины сигналов датчиков 91, 96, 98 или 99 и 100 или 101. В соответствии с алгоритмом фиг.7 ЭВМ 110 формируют команду, а средство коммутации управляющих силовых сигналов соответствующий силовой управляющий сигнал на электропривод регулирующей заслонки 107. В модификации системы, представленной на фиг.4, в соответствии с алгоритмом фиг.7, ЭВМ 110 формирует также команду, а средство коммутации управляющих силовых сигналов соответствующий силовой управляющий сигнал на электропривод регулирующей заслонки 66. В модификации системы, представленной на фиг.4, при отборе приводного воздуха от турбостартера 68 ЭВМ 110 формирует команду, а средство коммутации управляющих силовых сигналов соответствующий силовой управляющий сигнал на электропривод заслонки 67. В зависимости от величины сигналов датчиков 98 или 99 и 100 или 101 в модификациях системы, представленных на фиг.2, 3 и 4, ЭВМ 110 формирует команду, а средство коммутации управляющих силовых сигналов соответствующий силовой управляющий сигнал на электропривод заслонки 103.
При повышении температуры воздуха, контролируемой датчиком 97, в отсеке 28 с оборудованием 29 и 30 до предельно допустимого значения в зависимости от температуры торможения встречного потока наружного воздуха ЭВМ 110 формируют команду, а средство коммутации управляющих силовых сигналов соответствующий силовой управляющий сигнал на соответствующее открытие регулирующей заслонки 84.
Формула изобретения
1. Способ управления обработкой воздуха на самолёте, согласно которому в процессе вентиляции герметизированной кабины экипажа кондиционированным воздухом и термостатирования тепловыделяющего оборудования в негерметичном отсеке, основанном на отборе наружного воздуха для обработки, повышении давления обрабатываемого воздуха, охлаждении обрабатываемого воздуха наружным воздухом и поддержании нужной температуры части обрабатываемого воздуха после расширения, измеряя параметры давления, температуры, формируют управляющие сигналы на приводы регулирующих заслонок, определяющих расход отработанного воздуха, сбрасываемого из вентилируемой кабины экипажа, расход холодного воздуха, предназначенного для термостатирования тепловыделяющего оборудования, расход горячего воздуха, предназначенного для вентиляции кабины экипажа, расход горячего воздуха, предназначенного для подогрева воздуха, подвергнутого расширению, отличающийся тем, что измеряя параметры давления, температуры, силовые управляющие сигналы на электроприводы регулирующих заслонок формируют, используя цифровое электронно-вычислительное устройство, силовые управляющие сигналы формируют также при поддержании температуры части обрабатываемого воздуха после расширения, необходимой для термостатирования оборудования и обезвоживания, силовой управляющий сигнал на электропривод регулирующей заслонки, определяющей расход отработанного воздуха, сбрасываемого из вентилируемой кабины экипажа, формируют зависящим от величины и знака рассогласования заданного и реального значений давления воздуха в ней, силовой управляющий сигнал на электропривод регулирующей заслонки, определяющей расход холодного воздуха, предназначенного для термостатирования тепловыделяющего оборудования, формируют зависящим от величины и знака рассогласования заданного и реального значений расхода кондиционированного воздуха в кабину экипажа, силовой управляющий сигнал на электропривод регулирующей заслонки, определяющей расход горячего воздуха, предназначенного для вентиляции кабины экипажа, формируют зависящим от величины и знака рассогласования заданного и реального значений: температуры воздуха в кабине экипажа и температуры кондиционированного воздуха, подаваемого в кабину экипажа, силовой управляющий сигнал на электропривод регулирующей заслонки, определяющей расход горячего воздуха, предназначенного для подогрева воздуха, подвергнутого расширению, формируют зависящим от величины и знака рассогласования заданного и реального значений температуры воздуха при его возможном обезвоживании после расширения, для чего задают оптимальные значения расхода кондиционированного воздуха в кабину экипажа, температуры и давления воздуха в ней и температуры холодного воздуха при его возможном обезвоживании после расширения, замеряют атмосферное давление за бортом самолета, температуру воздуха, подвергнутого расширению и подогретого горячим воздухом, температуру и динамический перепад давлений в потоке кондиционированного воздуха, подаваемого в кабину экипажа, а также реальные давление и температуру воздуха в самой кабине, контролируют положение регулирующей заслонки, определяющей расход горячего воздуха, предназначенного для вентиляции кабины экипажа.
2. Способ по п.1, отличающийся тем, что формируют силовой управляющий сигнал на электропривод регулирующей заслонки, определяющей расход обрабатываемого воздуха, не подвергаемого предварительному или промежуточному охлаждению до или после завершающего повышения его давления, соответственно, в зависимости от величины и знака рассогласования заданного и реального значений температуры этого воздуха, температуры кондиционированного воздуха и температуры воздуха в кабине экипажа.
3. Способ по п.1, отличающийся тем, что при обезвоживании воздуха вследствие расширения формируют силовой управляющий сигнал на электропривод заслонки, определяющей подачу воздуха в продувочный тракт воздушно-испарительного теплообменного аппарата промежуточного охлаждения обрабатываемого воздуха.
4. Способ по п.1, отличающийся тем, что замеряют также температуру горячего воздуха, предназначенного для вентиляции кабины экипажа.
5. Способ по п.1, отличающийся тем, что измеряют скорость самолета или давление торможения встречного потока воздуха, делая вывод о степени достаточности давления торможения и при недостаточности его для продувки воздухо-воздушного теплообменного аппарата охлаждающим наружным воздухом формируют управляющий силовой сигнал на электропривод запорной заслонки, определяющей соединение сопла эжектора в продувочном тракте воздухо-воздушного теплообменного аппарата с источником обрабатываемого воздуха с повышенным давлением.
6. Способ по п.1, отличающийся тем, что определяют скорость самолета или давление торможения встречного потока воздуха и при недостаточности его для продувки воздухо-воздушного теплообменного аппарата охлаждающим наружным воздухом формируют управляющий силовой сигнал на электропривод запорной заслонки, определяющей включение в продувочный тракт воздухо-воздушного теплообменного аппарата вентилятора.
7. Способ по п.6, отличающийся тем, что формируют управляющий силовой сигнал на электропривод запорной заслонки, определяющей ограничение расхода обрабатываемого воздуха через турбину турбокомпрессорного агрегата.
8. Способ по п.6, отличающийся тем, что формируют управляющий силовой сигнал на электропривод запорной заслонки, определяющий соединение магистрали подготовки обрабатываемого воздуха с приемником скоростного напора встречного потока наружного воздуха или с одной из ступеней компрессора маршевого двигателя.
9. Способ по п.1, отличающийся тем, что силовой управляющий сигнал на электропривод регулирующей заслонки, определяющей расход горячего воздуха, предназначенного для вентиляции кабины экипажа, формируют зависящим от величины и знака рассогласования заданного и реального значений расхода кондиционированного воздуха в неё.
10. Способ по п.1, отличающийся тем, что контролируют температуру воздуха в негерметичном отсеке с термостатируемым оборудованием и температуру торможения встречного потока наружного воздуха или скорость самолета, при повышении температуры воздуха в негерметичном отсеке до значения, близкого предельно допустимому, и температуре торможения встречного потока наружного воздуха ниже этого же значения формируют управляющий силовой сигнал на электропривод регулирующей заслонки, определяющей подачу для термостатирования тепловыделяющего оборудования наружного воздуха встречного потока.
11. Способ по п.1, отличающийся тем, что контролируют давление и температуру обрабатываемого воздуха после предварительного или завершающего повышения его давления и путем сравнения формируют управляющий силовой сигнал на электропривод регулирующей заслонки, определяющей расход обрабатываемого воздуха.
12. Способ по п.11, отличающийся тем, что формируют силовой сигнал на электропривод регулирующей заслонки, определяющей расход приводного воздуха в приводную турбину турбокомпрессорного агрегата.
13. Способ по п.11, отличающийся тем, что формируют управляющий силовой сигнал на электропривод запорной заслонки, определяющей подключение приводной турбины турбокомпрессорного агрегата к выходу компрессора маршевого двигателя.
14. Способ управления обработкой воздуха на самолете, согласно которому в процессе вентиляции герметизированной кабины экипажа кондиционированным воздухом и термостатирования тепловыделяющего оборудования в негерметичном отсеке, основанном на отборе наружного воздуха для обработки, повышении давления обрабатываемого воздуха, охлаждении обрабатываемого воздуха наружным воздухом и топливом маршевого газотурбинного двигателя и поддержании нужной температуры воздуха после расширения, измеряя параметры давления, температуры, формируют управляющие сигналы на приводы регулирующих заслонок, определяющих расход отработанного воздуха, сбрасываемого из вентилируемой кабины экипажа, расход холодного воздуха, предназначенного для термостатирования тепловыделяющего оборудования, расход горячего воздуха, предназначенного для вентиляции кабины экипажа, расход горячего воздуха, предназначенного для подогрева воздуха, подвергнутого расширению, отличающийся тем, что, измеряя параметры давления, температуры, силовые управляющие сигналы на электроприводы регулирующих заслонок, формируют, используя цифровое электронно-вычислительное устройство, силовые управляющие сигналы формируют также при поддержании температуры части обрабатываемого воздуха после расширения, необходимой для термостатирования оборудования и обезвоживания, силовой управляющий сигнал на электропривод регулирующей заслонки, определяющей расход отработанного воздуха, сбрасываемого из вентилируемой кабины экипажа, формируют зависящим от величины и знака рассогласования заданного и реального значений давления воздуха в ней, силовой управляющий сигнал на электропривод регулирующей заслонки, определяющей расход холодного воздуха, предназначенного для термостатирования тепловыделяющего оборудования, формируют зависящим от величины и знака рассогласования заданного и реального значений расхода кондиционированного воздуха в кабину экипажа, силовой управляющий сигнал на электропривод регулирующей заслонки, определяющей расход горячего воздуха, предназначенного для вентиляции кабины экипажа, формируют зависящим от величины и знака рассогласования заданного и реального значений: температуры воздуха в кабине экипажа и температуры кондиционированного воздуха, подаваемого в кабину экипажа, силовой управляющий сигнал на электропривод регулирующей заслонки, определяющей расход горячего воздуха, предназначенного для подогрева воздуха, подвергнутого расширению, формируют зависящим от величины и знака рассогласования заданного и реального значений температуры воздуха при его возможном обезвоживании после расширения, для чего задают оптимальные значения расхода кондиционированного воздуха в кабину экипажа, температуры и давления воздуха в ней и температуры холодного воздуха при его возможном обезвоживании после расширения, замеряют атмосферное давление за бортом самолета, температуру воздуха, подвергнутого расширению и подогретого горячим воздухом, температуру и динамический перепад давлений в потоке кондиционированного воздуха, подаваемого в кабину экипажа, а также реальные давление и температуру воздуха в самой кабине, контролируют положение регулирующей заслонки, определяющей расход горячего воздуха, предназначенного для вентиляции кабины экипажа.
15. Способ по п.14, отличающийся тем, что при обезвоживании воздуха вследствие расширения формируют силовой управляющий сигнал на электропривод заслонки, определяющей подачу воздуха в продувочный тракт воздушно-испарительного теплообменного аппарата промежуточного охлаждения обрабатываемого воздуха.
16. Способ по п.14, отличающийся тем, что измеряют скорость самолета или давления торможения встречного потока воздуха, делая вывод о степени достаточности давления торможения, и при недостаточности его для продувки воздухо-воздушного теплообменного аппарата охлаждающим наружным воздухом формируют управляющий силовой сигнал на электропривод запорной заслонки, определяющей соединение сопла эжектора в продувочном тракте воздухо-воздушного теплообменного аппарата с источником обрабатываемого воздуха с повышенным давлением.
17. Способ по п.14, отличающийся тем, что определяют скорость самолета или давление торможения встречного потока воздуха и при недостаточности его для продувки воздухо-воздушного теплообменного аппарата охлаждающим наружным воздухом формируют управляющий силовой сигнал на электропривод запорной заслонки, определяющей включение в продувочный тракт воздухо-воздушного теплообменного аппарата вентилятора.
18. Способ по п.14, отличающийся тем, что контролируют давление и температуру обрабатываемого воздуха после предварительного или завершающего повышения его давления и путем сравнения формируют управляющий силовой сигнал на электропривод регулирующей заслонки, определяющей расход обрабатываемого воздуха.
19. Способ по п.14, отличающийся тем, что замеряют температуру горячего воздуха, предназначенного для вентиляции кабины экипажа.
20. Способ по п.11, отличающийся тем, что формируют силовой сигнал на электропривод регулирующей заслонки, определяющей расход приводного воздуха в приводную турбину турбокомпрессорного агрегата.
21. Способ по п.11, отличающийся тем, что формируют управляющий силовой сигнал на электропривод запорной заслонки, определяющей подключение приводной турбины турбокомпрессорного агрегата к выходу компрессора турбостартера маршевого двигателя.
22. Способ по п.21, отличающийся тем, что формируют управляющий силовой сигнал на электропривод запорной заслонки, определяющей ограничение расхода обрабатываемого воздуха через турбину турбокомпрессорного агрегата.
23. Способ по п.22, отличающийся тем, что формируют управляющий силовой сигнал на электропривод запорной заслонки, определяющий соединение магистрали подготовки обрабатываемого воздуха с приёмником скоростного напора встречного потока наружного воздуха или с одной из ступеней компрессора маршевого двигателя.
24. Способ по п.14, отличающийся тем, что силовой управляющий сигнал на электропривод регулирующей заслонки, определяющей расход горячего воздуха, предназначенного для вентиляции кабины экипажа, формируют зависящим от величины и знака рассогласования заданного и реального значений расхода кондиционированного воздуха в неё.
25. Способ по п.15, отличающийся тем, что контролируют температуру воздуха в негерметичном отсеке с термостатируемым оборудованием и температуру торможения встречного потока наружного воздуха или скорость самолета, при повышении температуры воздуха в негерметичном отсеке до значения, близкого предельно допустимому, и температуре торможения встречного потока наружного воздуха ниже этого же значения формируют управляющий силовой сигнал на электропривод регулирующей заслонки, определяющей подачу для термостатирования тепловыделяющего оборудования наружного воздуха встречного потока.
26. Система управления обработкой воздуха на самолете, содержащая средства преобразования и обработки сигналов датчиков, цифровое электронно-вычислительное устройство и средства формирования управляющих сигналов на приводы регулирующих заслонок, определяющих расход горячего воздуха, предназначенного для вентиляции кабины экипажа, расход воздуха холодного, вследствие расширения, предназначенного для термостатирования оборудования в негерметичном отсеке, расход горячего воздуха, предназначенного для подогрева воздуха, подвергнутого расширению, отличающаяся тем, что содержит задатчик оптимальной температуры воздуха в кабине экипажа, датчики атмосферного давления за бортом самолёта, давления и температуры воздуха в кабине экипажа, температуры и динамического перепада давлений в потоке кондиционированного воздуха перед кабиной экипажа, температуры воздуха, подвергнутого расширению и подогретого горячим воздухом, средство цифрового кодирования электрических сигналов указанных задатчика и датчиков, средство коммутации силовых управляющих сигналов, которое электрически связано с цифровым электронно-вычислительным устройством и подключено к электроприводам указанных регулирующих заслонок, датчик положения регулирующей заслонки, определяющей расход горячего воздуха, предназначенного для вентиляции кабины экипажа, который подключён к дополнительному входу средства цифрового кодирования сигналов, цифровое электронно-вычислительное устройство связано со средством кодирования сигналов и снабжено программным обеспечением для реализации алгоритма задания констант, формирования и коммутации управляющих команд.
27. Система по п.26, отличающаяся тем, что снабжена датчиком температуры горячего воздуха, предназначенного для вентиляции кабины экипажа.
28. Система по п.26, отличающаяся тем, что содержит регулирующую заслонку, определяющую расход обрабатываемого воздуха, не подвергаемого предварительному или промежуточному охлаждению до или после завершающего повышения его давления, соответственно, электропривод регулирующей заслонки, определяющей расход обрабатываемого воздуха, не подвергаемого предварительному или промежуточному охлаждению, подключенный к дополнительному выходу средства коммутации управляющих силовых сигналов.
29. Система по п.28, отличающаяся тем, что содержит заслонку, определяющую подачу воздуха в продувочный тракт воздушно-испарительного теплообменного аппарата промежуточного охлаждения обрабатываемого воздуха, электропривод заслонки, подключенной к дополнительному выходу средства коммутации управляющих силовых сигналов.
30. Система по п.26, отличающаяся тем, что содержит запорную заслонку, определяющую соединение магистрали подготовки обрабатываемого воздуха за одной из ступеней компрессора маршевого двигателя с соплом эжектора в продувочном тракте воздухо-воздушного теплообменного аппарата, электропривод запорной заслонки, подключенный к дополнительному выходу средства коммутации управляющих силовых сигналов.
31. Система по п.26, отличающаяся тем, что содержит запорную заслонку, определяющую включение в продувочный тракт воздухо-воздушного теплообменного аппарата вентилятора, соединенного с валом турбокомпрессорного агрегата, электропривод запорной заслонки, подключенной к дополнительному выходу средства коммутации управляющих силовых сигналов.
32. Система по п.26, отличающаяся тем, что содержит датчики температуры и давления обрабатываемого воздуха после завершающего или промежуточного повышения его давления, которые подключены к дополнительным входам средства цифрового кодирования сигналов, регулирующую заслонку, определяющую расход обрабатываемого воздуха, электропривод которой подключен к дополнительному выходу средства коммутации управляющих силовых сигналов.
33. Система по п.32, отличающаяся тем, что содержит регулирующую заслонку, определяющую расход приводного воздуха из магистрали подготовки обрабатываемого воздуха за одной из ступеней компрессора маршевого двигателя в приводную турбину турбокомпрессорного агрегата, электропривод регулирующей заслонки, подключенный к дополнительному выходу средства коммутации управляющих силовых сигналов.
34. Система по п.32, отличающаяся тем, что содержит запорную заслонку, определяющую подключение приводной турбины турбокомпрессорного агрегата к выходу компрессора турбостартера маршевого двигателя, электропривод запорной заслонки, подключенный к дополнительному выходу средств коммутации управляющих силовых сигналов.
35. Система по п.32, отличающаяся тем, что содержит запорную заслонку, определяющую ограничение расхода обрабатываемого воздуха через турбину турбокомпрессорного агрегата, электропривод запорной заслонки, подключенный к дополнительному выходу средства коммутации управляющих силовых сигналов.
36. Система по п.32, отличающаяся тем, что содержит запорную заслонку, определяющую соединение магистрали подготовки обрабатываемого воздуха с приемником скоростного напора встречного потока наружного воздуха или с одной из ступеней компрессора маршевого двигателя, электропривод запорной заслонки, подключенный к дополнительному выходу средства коммутации силовых сигналов.
37. Система по п.26, отличающаяся тем, что содержит датчик температуры воздуха в негерметичном отсеке с термостатируемым оборудованием, который подключен к дополнительному входу средства цифрового кодирования сигналов, регулирующую заслонку, определяющую подачу для термостатирования тепловыделяющего оборудования наружного воздуха встречного потока, электропривод регулирующей заслонки, подключенный к дополнительному выходу средства коммутации управляющих сигналов.
РИСУНКИ
TH4A – Переиздание описаний изобретений к патентам Российской Федерации
Причина переиздания: Коррекция библиографических данных
Извещение опубликовано: 20.01.2007 БИ: 02/2007
|