|
(21), (22) Заявка: 2005102493/04, 02.02.2005
(24) Дата начала отсчета срока действия патента:
02.02.2005
(45) Опубликовано: 27.02.2006
(56) Список документов, цитированных в отчете о поиске:
RU 2139917 C1, 20.10.1999. US 4244702 A, 13.01.1981. WO 80/00449 A1, 20.03.1980. FR 2419970 A1, 16.11.1979. RU 2143312 C1, 27.12.1999.
Адрес для переписки:
105568, Москва-568, а/я 11, А.Б. Булгакову
|
(72) Автор(ы):
Булгаков Алексей Борисович (UA), Булгаков Борис Борисович (UA)
(73) Патентообладатель(и):
Булгаков Алексей Борисович (UA), Булгаков Борис Борисович (UA)
|
(54) СПОСОБ ПОЛУЧЕНИЯ КОТЕЛЬНОГО ТОПЛИВА
(57) Реферат:
Данное изобретение относится к способу получения котельных топлив и может быть использовано на нефтеперерабатывающих заводах и теплоэлектростанциях. Топливо получают путём предварительного приготовления эмульсии воды в легких фракциях переработки нефти. Затем полученную эмульсию вводят в исходную смесь тяжелых фракций нефтепродуктов в процессе гидродинамической кавитационной обработки. Изобретение повышает эффективность способа за счет снижения расхода легких фракций. 5 з.п.ф-лы, 1 ил. 
Известен способ получения жидкого котельного топлива, включающий перемешивание пылевидного твердого топлива, предварительно смоченного водой, с органической жидкостью, причем и смачивание и перемешивание проводят на кавитационном смесителе (см. патент РФ № 2097408, C 10 L 1/32, 02.12.1994 г.)
Недостатком известного способа является узкая область применения, ограничивающаяся пылевидным твердым топливом в качестве основы, поскольку использование данного способа с основой в виде мазута или гудрона приводит к перерасходу легких фракций.
Наиболее близким к предложенному является способ получения котельного топлива, включающий введение в исходную смесь тяжелых фракций нефтепродуктов (гудрон, прямогонный мазут, остаточные фракции) в качестве присадок, снижающих вязкость, легких фракций переработки нефти, например дизельное топливо, причем введение легких фракций осуществляют путем совместной гидродинамической кавитационной обработки исходной смеси нефтепродуктов и легких фракций, а перед гидродинамической кавитационной обработкой в смесь нефтепродуктов вводят воду (замазученную воду) в количестве до 10 об.%.
Недостатком данного способа является высокий расход легких фракций.
Таким образом, техническим эффектом, ожидаемым от использования изобретения, является повышение эффективности способа за счет снижения расхода легких фракций.
Указанный результат достигается тем, что в известном способе получения котельного топлива, включающем введение в исходную смесь тяжелых фракций нефтепродуктов в качестве присадок, снижающих вязкость, легких фракций переработки нефти и воды в процессе гидродинамической кавитационной обработки, предварительно готовят эмульсию воды в легких фракциях переработки нефти, а затем полученную эмульсию вводят в исходную смесь тяжелых фракций нефтепродуктов.
При этом приготовление эмульсии воды в легких фракциях переработки нефти осуществляют путем гидромеханической кавитационной обработки.
Кроме того, число кавитации в процессе приготовления эмульсии воды в легких фракциях переработки нефти выбирают большим, чем число кавитации в процессе гидродинамической кавитационной обработки эмульсии и исходной смеси тяжелых фракций нефтепродуктов.
Целесообразно также введение воды осуществлять путем добавления обводненных нефтепродуктов.
В частности, в качестве обводненных нефтепродуктов может использоваться предварительно полученная эмульсия нефтепродуктов в воде.
И наконец, количество воды и/или обводненных нефтепродуктов определяют из соотношения:

где Vнп, Vм и Vв – объемный расход обводненных нефтепродуктов, тяжелых фракций нефтепродуктов и воды;
Wнп, Wм и WT – влажность обводненных нефтепродуктов, тяжелых фракций нефтепродуктов и котельного топлива соответственно.
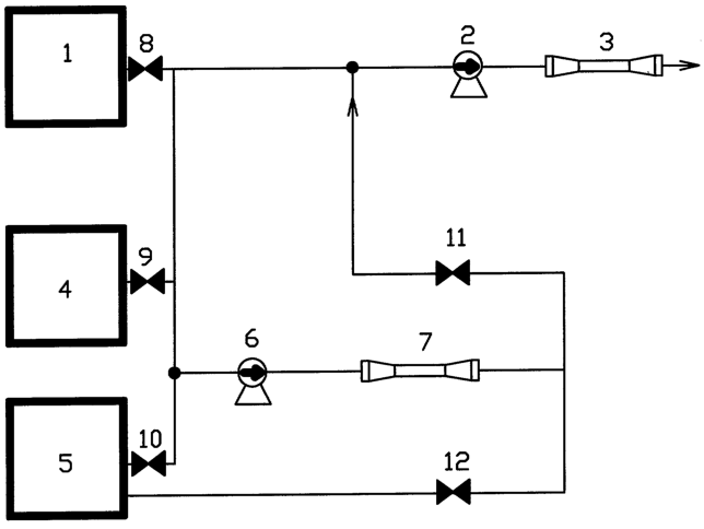
На чертеже изображено устройство для осуществления способа. Устройство содержит емкость 1 для тяжелых нефтепродуктов, подключенную к входу насоса 2, на выходе которого установлен кавитационный смеситель 3. Емкость 4 с легкими фракциями переработки нефти (дизельное топливо, термогазойль и т.п.) и емкость 5 для воды и/или обводненных нефтепродуктов (шлам, ловушечный продукт и т.п.) через насос 6 и кавитационный смеситель 7 соединены с входом насоса 2. Позициями 8-12 обозначены запорно-регулирующие задвижки.
Рассмотрим различные варианты осуществления способа.
Вариант 1. В емкость 5 заливается вода, включаются насосы 2,6. Задвижки 8-11 открыты на величину, обеспечивающую необходимый расход компонентов котельного топлива, задвижка 12 закрыта. На выходе кавитационного смесителя 7 в результате гидродинамической кавитационной обработки образуется эмульсия воды в дизельном топливе, поступающем из емкости 4. Насосом 2 эта эмульсия подается вместе со смесью мазута и гудрона из емкости 1 на вход кавитационного смесителя 3, в котором тяжелые исходные фракции в присутствии эмульсии воды в дизельном топливе подвергаются кавитационной обработке.
Вариант 2. В качестве емкости 5 используется резервуар с ловушечным продуктом, т.е. сильно обводненными нефтепродуктами, шламом. В остальном способ осуществляют аналогично варианту 1.
Вариант 3. Насос 2 выключен, насос 6 включен, задвижки 9,10,12 открыты, задвижки 8,11 закрыты. Вода из емкости 5 и нефтепродукты из емкости 4 поступают на смеситель 7, образуя эмульсию нефтепродуктов в воде. После того как в результате рециркуляции емкость 5 заполнится эмульсией, включают насос 2, закрывают задвижки 9,12, открывают задвижки 8,11 и компоненты котельного топлива поступают на вход смесителя 3, как в варианте 1.
Пример 1. К обработке в лабораторной кавитационной установке подготовили
смесь:
– Вязкий нефтепродукт (смесь мазута и гудрона) – 80% при вязкости 24° ВУ
– Дизельное топливо 15%
– Бензин с водой 5% при влажности 10%
После совместной кавитационной обработки полученная смесь имеет вязкость 15,7° ВУ, влажность 0,5% при размере капель воды 8-12 мкм.
Пример 2. К обработке подготовлена такая же смесь, как и в п.1, но перед общим смешиванием подвергнута кавитационной обработке смесь дизельного топлива и обводненного бензина, а затем проведена совместная кавитационная обработка. Вязкость полученного топлива 14,6°ВУ, влажность 0,5% при размере капель 3-7 мкм.
Пример 3. Подбиралась смесь, для которой смешивание проводилось по примеру 2, а результирующая вязкость была бы близка к 16 °ВУ. Получилась такая смесь:
– Высоковязкий продукт – 85%
– Дизельное топливо – 10%
– Бензин с водой – 5%
Вязкость – 15,9° ВУ, влажность 0,5% размер капель 3-7 мкм. Рассмотрим теперь примеры расчета согласно вышеприведенной формуле, учитывая что влажность тяжелых фракций обычно близка к нулю, влажность обводненных нефтепродуктов может достигать 30%, а влажность котельного топлива не должна превышать 1%.
Пример № 1


Пример № 2



Пример № 3


Пример №4


Пример №5


Таким образом, в случае предварительной кавитационной обработки смеси влажных нефтепродуктов и последующей кавитационной обработки этой смеси с высоковязкими нефтепродуктами (тяжелыми фракциями) расход дизельного топлива, при той же вязкости конечного продукта, уменьшается примерно на 30%.
Формула изобретения
1. Способ получения котельного топлива, включающий введение в исходную смесь тяжелых фракций нефтепродуктов в качестве присадок, снижающих вязкость, легких фракций переработки нефти и воды в процессе гидродинамической кавитационной обработки, предварительно готовят эмульсию воды в легких фракциях переработки нефти, а затем полученную эмульсию вводят в исходную смесь тяжелых фракций нефтепродуктов.
2. Способ получения котельного топлива по п.1, отличающийся тем, что приготовление эмульсии воды в легких фракциях переработки нефти осуществляют путем гидромеханической кавитационной обработки.
3. Способ получения котельного топлива по п.2, отличающийся тем, что число кавитации в процессе приготовления эмульсии воды в легких фракциях переработки нефти выбирают большим, чем число кавитации в процессе гидродинамической кавитационной обработки эмульсии и исходной смеси тяжелых фракций нефтепродуктов.
4. Способ получения котельного топлива по п.1, отличающийся тем, что введение воды осуществляют путем добавления обводненных нефтепродуктов.
5. Способ получения котельного топлива по п.4, отличающийся тем, что в качестве обводненных нефтепродуктов используют предварительно полученную эмульсию нефтепродуктов в воде.
6. Способ получения котельного топлива по п.1 или 4, отличающийся тем, что объемный расход обводненных нефтепродуктов определяют из соотношения

где VНП, VМ и VВ – объемный расход обводненных нефтепродуктов, тяжелых фракций нефтепродуктов и воды;
WНП, WМ и Wт – влажность обводненных нефтепродуктов, тяжелых фракций нефтепродуктов и котельного топлива соответственно.
РИСУНКИ
|