|
|
(21), (22) Заявка: 2004111818/11, 19.04.2004
(24) Дата начала отсчета срока действия патента:
19.04.2004
(43) Дата публикации заявки: 20.10.2005
(45) Опубликовано: 27.02.2006
(56) Список документов, цитированных в отчете о поиске:
RU 2211156 С2, 27.08.2003. JP 2004019590 А, 22.01.2004. GB 2386681 А, 24.09.2003. JP 2003322019, 14.11.2003. JP 2003239737 А, 27.08.2003.
Адрес для переписки:
390027, г.Рязань, ул. Новая, 51В, ОАО “Рязанский завод металлокерамических приборов”
|
(72) Автор(ы):
Карабанов Сергей Михайлович (RU), Гармаш Юрий Владимирович (RU), Ясевич Виктор Игоревич (RU), Папанов Павел Александрович (RU), Андрук Михаил Юрьевич (RU)
(73) Патентообладатель(и):
ОАО “Рязанский завод металлокерамических приборов” (ОАО “РЗМКП”) (RU)
|
(54) СИСТЕМА УПРАВЛЕНИЯ РАБОТОЙ ОТОПИТЕЛЯ САЛОНА АВТОМОБИЛЯ
(57) Реферат:
Изобретение относится к транспортному машиностроению, а именно к системам регулирования микроклимата помещения транспортного средства, использующих в качестве теплоносителя охлаждающую жидкость двигателя транспортного средства. Система управления работой отопителя салона автомобиля содержит систему трубопроводов охлаждающей жидкости, циркулирующей по большому и малому контурам охлаждения. Радиатор отопителя и электромагнитный клапан радиатора отопителя включены в малый контур циркуляции охлаждающей жидкости. Система также снабжена схемой управления, содержащей задатчик температуры, датчик температуры воздуха, силовой ключ управления электромагнитным клапаном. В систему управления работой отопителя салона автомобиля дополнительно введены первый и второй мультивибраторы, управляемый током сумматор, схема преобразования разности температур в ток управления, конденсатор, диод, стабилизатор напряжения. Технический результат заключается в снижении стоимости и упрощении системы. 3 ил. 
Изобретение относится к транспортному машиностроению, а именно к системам регулирования микроклимата помещения транспортного средства, использующих в качестве теплоносителя охлаждающую жидкость двигателя транспортного средства.
Известны системы [1,2], содержащие три ведущих теплообменника, систему запорных аппаратов и трубопроводов. Недостатком подобных устройств является отсутствие регулировки температуры охлаждающей жидкости в воздушном теплообменнике в зависимости от температуры воздуха в салоне.
Известна система [3] регулирования микроклимата помещения транспортного средства, содержащая первый контур циркуляции теплоносителя, соединенный рубашкой охлаждения двигателя внутреннего сгорания, включающий в себя гидромагистрали с запорным элементом, циркуляционным насосом и воздушным теплообменником, второй контур циркуляции теплоносителя, включающий в себя гидромагистрали с запорным элементом и воздушным теплообменником, схему управления, содержащую задатчик температуры, датчик температуры воздуха, схему сравнения, силовой ключ управления электромагнитным клапаном, причем выход задатчика температуры соединен с первым входом схемы сравнения, выход датчика температуры воздуха соединен со вторым входом схемы сравнения, выход схемы сравнения связан с управляющим входом силового ключа, а его первый силовой вывод соединен с силовой шиной источника питания, второй с первым выводом обмотки электромагнитного клапана, второй вывод которой связан со второй силовой шиной источника питания. Недостатками данного устройства являются невысокая точность поддержания температуры воздуха, поступающего от вентилятора отопителя, и низкая надежность работы электромагнитного клапана.
Наиболее близкой к предлагаемой является система [4] регулирования микроклимата помещения транспортного средства, содержащая первый контур циркуляции теплоносителя, соединенный рубашкой охлаждения двигателя внутреннего сгорания, включающий в себя гидромагистрали с запорным элементом, циркуляционным насосом и воздушным теплообменником, второй контур циркуляции теплоносителя, включающий в себя гидромагистрали с запорным элементом и воздушным теплообменником, вентилятор отопителя салона, задатчик температуры салона, датчик тампературы салона, мультивибратор с регулируемой скважностью, мультивибратор с терморегулируемой скважностью, логический блок, блок сравнения температуры салона, блок сравнения температуры воздуха, поступающего от вентилятора отопителя, электромагнитный клапан, ключ управления электромагнитным клапаном и циркуляционным насосом, ключ широтно-импульсного регулятора управления вентилятором отопителя, датчик температуры воздуха вентилятора отопителя, причем выход датчика температуры воздуха вентилятора отопителя связан через блок сравнения температуры воздуха, поступающего от вентилятора отопителя, с первым входом логического блока и со входом управления мультивибратора с терморегулируемой скважностью, выход которого соединен со вторым входом логического блока, выход датчика температуры салона связан через блок сравнения температуры салона с третьим входом логического блока, выход мультивибратора с регулируемой скважностью связан с четвертым входом логического блока, выход блока задатчика температуры связан с вторым входом блока сравнения температуры воздуха, поступающего от вентилятора отопителя, и с вторым входом блока сравнения температуры воздуха салона, первый выход логического блока связан с входом управления силовым ключом управления электромагнитным клапаном и циркуляционным насосом, второй выход логического блока связан с входом управления ключом широтно-импульсного регулятора управления вентилятора отопителя, эмиттеры ключей соединены с плюсом питания, а коллектор ключа управления электромагнитным клапаном и циркуляционным насосом связан с электромагнитным клапаном и циркуляционным насосом, вторые выводы которых соединены с корпусом, коллектор ключа широтно-импульсного регулятора управления вентилятором отопителя соединен с вентилятором отопителя, второй вывод обмотки которого связан с корпусом.
Недостатками системы являются его высокая сложность и стоимость.
Техническая задача направлена на снижение стоимости и сложности системы.
Технический результат достигается тем, что в систему управления работой отопителя салона автомобиля, содержащую систему трубопроводов охлаждающей жидкости, циркулирующей по большому и малому контурам охлаждения, радиатор отопителя, включенный в малый контур циркуляции охлаждающей жидкости, электромагнитный клапан радиатора отопителя, включенный в малый контур циркуляции охлаждающей жидкости и схему управления, содержащую задатчик температуры, датчик температуры воздуха, силовой ключ управления электромагнитным клапаном, его первый силовой вывод соединен с силовой шиной источника питания, второй – с первым выводом обмотки электромагнитного клапана, второй вывод которой связан со второй силовой шиной источника питания, дополнительно введены первый и второй мультивибраторы, управляемый током сумматор, схема преобразования разности температур в ток управления, конденсатор, диод, стабилизатор напряжения, причем второй силовой вывод ключа и первый вывод обмотки электромагнитного клапана соединены с минусовыми выводами питания первого и второго мультивибратора, управляемого током сумматора, схемы преобразования разности температур в ток управления, а также со вторыми выводами конденсатора и стабилизатора напряжения, выход стабилизатора напряжения связан с плюсовыми выводами питания первого и второго мультивибратора, управляемого током сумматора, схемы преобразования разности температур в ток управления, датчик температуры воздуха соединен последовательно с задатчиком температуры и подключен к первому входу схемы преобразования разности температур в ток управления, задатчик температуры связан со вторым входом схемы преобразования разности температур в ток управления, выходы первого и второго мультивибратора и схемы преобразования разности температур в ток управления связаны с тремя входами управляемого током сумматора, выход которого соединен со входом управления силового ключа, анод диода связан с силовой шиной источника питания, а его катод – с входом стабилизатора напряжения и первым выводом конденсатора.
Отличительным признаком от прототипа является то, что в систему дополнительно введены первый и второй мультивибраторы, управляемый током сумматор, схема преобразования разности температур в ток управления, конденсатор, диод, стабилизатор напряжения, а также имеются новые связи между вновь введенными и ранее применяемыми блоками.
Сопоставительный анализ заявляемой системы с имеющимися техническими решениями показывает, что заявляемая система обладает рядом существенных отличий: удобной регулировкой температуры воздуха в салоне автомобиля, автоматическим поддержанием выбранного режима, невысокой потребляемой мощностью, низкой стоимостью и простотой системы.
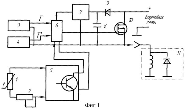
На фигуре 1 представлена функциональная схема предлагаемого устройства; на фигуре 2 – временные диаграммы работы устройства; на фигуре 3 – зависимость временных характеристик схемы от температуры.
Система управления работой отопителя салона автомобиля содержит систему трубопроводов охлаждающей жидкости, циркулирующей по большому и малому контурам охлаждения, радиатор отопителя, включенный в малый контур циркуляции охлаждающей жидкости, электромагнитный клапан 11 радиатора отопителя, включенный в малый контур циркуляции охлаждающей жидкости, и схему управления, содержащую задатчик 2 температуры, датчик 1 температуры воздуха, силовой ключ 10 управления электромагнитным клапаном 11, его первый силовой вывод соединен с силовой шиной источника питания, второй – с первым выводом обмотки электромагнитного клапана 11, второй вывод которой связан со второй силовой шиной источника питания, первый и второй мультивибраторы 3 и 4, управляемым током сумматор 6, схему 5 преобразования разности температур в ток управления, конденсатор 8, диод 9, стабилизатор 7 напряжения, причем второй силовой вывод ключа 10 и первый вывод обмотки электромагнитного клапана 11 соединены с минусовыми выводами питания первого 3 и второго 4 мультивибраторов, управляемого током сумматора 6, схемы 5 преобразования разности температур в ток управления, а также со вторыми выводами конденсатора 8 и стабилизатора 7 напряжения, выход стабилизатора 7 напряжения связан с плюсовыми выводами питания первого 3 и второго 4 мультивибраторов, управляемого током сумматора 6, схемы 5 преобразования разности температур в ток управления, датчик 1 температуры воздуха соединен последовательно с задатчиком 2 температуры и подключен к первому входу схемы 5 преобразования разности температур в ток управления, задатчик 2 температуры связан со вторым входом схемы 5 преобразования разности температур в ток управления, выходы первого 3 и второго 4 мультивибраторов и схемы 5 преобразования разности температур в ток управления связаны с тремя входами управляемого током сумматора 6, выход которого соединен с входом управления силового ключа 10, анод диода 9 связан с силовой шиной источника питания, а его катод – со входом стабилизатора 7 напряжения и первым выводом конденсатора 8.
Работает система управления работой отопителя салона автомобиля следующим образом.
Мультивибраторы 3 и 4 формируют последовательности импульсов различной частоты и длительности и tи, как показано на чертеже 2б, поступающие на входы управляемого током сумматора 6.
С помощью задатчика температуры 2 устанавливается желаемая температура воздуха tуст в салоне. Если температура ниже установленной, то сопротивление датчика температуры 1 оказывается высоким и выходной ток схемы 5 преобразования разности температур в ток управления будет небольшим и практически весь период Т на выходе управляемого током сумматора 6 будет заполнен короткими импульсами которые удерживают сработавший электромагнитный клапан 11. Теплоноситель при этом свободно циркулирует по радиатору отопителя и происходит прогрев салона.
Как только температура воздуха в салоне достигнет установленной температуры tуст, выходной ток схемы 5 преобразования разности температур в ток управления начнет увеличиваться, и только часть периода Т, равную Тпер, электромагнитный клапан 11 будет находиться в открытом для прохождения теплоносителя состоянии. Этот режим наблюдается в течение некоторого температурного диапазона t (как показано на чертежах 2 и 3), такое построение схемы позволяет обеспечить плавный выход на нужную температуру и исключает образование «тепловой волны».
Если температура в салоне достигнет значения (tуст+ t), то срабатывания клапана 11 практически не происходит и циркуляция теплоносителя по радиатору отопителя прекращается.
При понижении температуры воздуха в салоне процесс повторяется.
Применение схемы «вольтодобавки», содержащей конденсатор 8, диод 9, стабилизатор 7 напряжения, позволяет применить в качестве силового ключа 10 недорогой полевой транзистор с индуцируемым каналом п-типа. Действительно при закрытом ключе 10 происходит заряд конденсатора 8 через диод 9 от плюса бортовой сети через обмотку электромагнитного клапана 11. При появлении открывающего импульса на выходе управляемого током сумматора 6 силовой ключ 10 открывается и потенциал его истока увеличивается, что приведет к увеличению потенциала на катоде диода 9 и входе стабилизатора 7 напряжения до практически удвоенного напряжения бортовой сети автомобиля. Это напряжение на конденсаторе и используется в качестве «вторичного источника напряжения» для создания открывающего силовой ключ напряжения во время действия импульсов на выходе управляемого током сумматора 6. Поскольку при любом режиме работы в данной схеме транзистор 11 периодически находится в закрытом состоянии, то конденсатор 8 за это время успевает подзарядиться через диод 9 и все время находится в заряженном состоянии, что обеспечивает работоспособность схемы.
Источники информации
1. Авт.свид. СССР SU 1468777 А1, МПК В 60 H 1/08, 1989, БИ №2.
2. Авт.свид. СССР SU 1593988 A1, МПК В 60 H 1/08, 1990, БИ №35.
3. Патент США US 4143706 А, кл. В 60 Н 3/04, опубл. 13.03.1979.
4. Патент РФ №2211156 С2, МПК В 60 Н 1/08, 2003, БИ №24.
Формула изобретения
Система управления работой отопителя салона автомобиля, содержащая систему трубопроводов охлаждающей жидкости, циркулирующей по большому и малому контурам охлаждения, радиатор отопителя, электромагнитный клапан радиатора отопителя, включенные в малый контур циркуляции охлаждающей жидкости, и схему управления, содержащую задатчик температуры, датчик температуры воздуха, силовой ключ управления электромагнитным клапаном, его первый силовой вывод соединен с силовой шиной источника питания, второй – с первым выводом обмотки электромагнитного клапана, второй вывод которой связан со второй силовой шиной источника питания, отличающаяся тем, что в систему дополнительно введены первый и второй мультивибраторы, управляемый током сумматор, схема преобразования разности температур в ток управления, конденсатор, диод, стабилизатор напряжения, причем второй силовой вывод ключа и первый вывод обмотки электромагнитного клапана соединены с минусовыми выводами питания первого и второго мультивибраторов, управляемого током сумматора, схемы преобразования разности температур в ток управления, а также со вторыми выводами конденсатора и стабилизатора напряжения, выход стабилизатора напряжения связан с плюсовыми выводами питания первого и второго мультивибраторов, управляемого током сумматора, схемы преобразования разности температур в ток управления, датчик температуры воздуха соединен последовательно с задатчиком температуры и подключен к первому входу схемы преобразования разности температур в ток управления, задатчик температуры связан со вторым входом схемы преобразования разности температур в ток управления, выходы первого и второго мультивибраторов и схемы преобразования разности температур в ток управления связаны с тремя входами управляемого током сумматора, выход которого соединен со входом управления силового ключа, анод диода связан с силовой шиной источника питания, а его катод – со входом стабилизатора напряжения и первым выводом конденсатора.
РИСУНКИ
MM4A – Досрочное прекращение действия патента СССР или патента Российской Федерации на изобретение из-за неуплаты в установленный срок пошлины за поддержание патента в силе
Дата прекращения действия патента: 20.04.2007
Извещение опубликовано: 20.07.2008 БИ: 20/2008
|
|