|
|
(21), (22) Заявка: 2004121253/09, 12.07.2004
(24) Дата начала отсчета срока действия патента:
12.07.2004
(45) Опубликовано: 20.02.2006
(56) Список документов, цитированных в отчете о поиске:
RU 2172517 C1, 20.08.2001. RU 2013002 C1, 15.05.1994. RU 2044407 C1, 20.09.1995.
Адрес для переписки:
197082, Санкт-Петербург, ул. Ждановская, 13, ВКА им. А.Ф.Можайского МО РФ
|
(72) Автор(ы):
Андреев Андрей Михайлович (RU), Дикарев Виктор Иванович (RU), Мирталибов Тахир Ахметович (RU), Сазонов Константин Викторович (RU)
(73) Патентообладатель(и):
Военно-космическая академия им. А.Ф. Можайского Министерства обороны РФ (RU)
|
(54) УСТРОЙСТВО ДЛЯ РАСПОЗНАВАНИЯ ИНФОРМАЦИОННЫХ СИГНАЛОВ
(57) Реферат:
Предлагаемое устройство относится к области автоматики и вычислительной техники и может быть использовано для анализа амплитудного спектра информационных сигналов и определения вида их модуляции. Технической задачей изобретения является повышение избирательности, помехоустойчивости и достоверности распознавания информационных сигналов путем подавления ложных сигналов (помех), принимаемых по дополнительным каналам. Устройство для распознавания информационных сигналов содержит приемную антенну, гетеродин, первый смеситель, первый усилитель промежуточной частоты, первый, второй и третий умножители фазы на два, лазер, коллиматор, первую, вторую, третью и четвертую ячейки Брэгга, первую, вторую, третью и четвертую линзы, первый, второй, четвертый фотоприемники, первый, второй, третий и четвертый осциллографические индикаторы, блок приема и усиления сигнала, выключатель, пятую ячейку Брэгга, первую и вторую диафрагму, пятую линзу, оптический клин, пятый фотоприемник, пятый осциллографический индикатор, первый и второй узкополосные фильтры, первый, второй и третий фазоинверторы, первый, второй, третий и четвертый сумматоры, первый и второй фазовращатели на 90°, второй смеситель, второй усилитель промежуточной частоты. 6 ил. 
Предлагаемое устройство относится к области автоматики и вычислительной техники и может быть использовано для анализа амплитудного спектра информационных сигналов и определения вида их модуляции.
Известны устройства для распознавания информационных сигналов (авторское свидетельство СССР №№997.244, 1.053.293, 1.069.149, 1.185.359, 1.193.819, 1.328.829, 1.400.441, 1.401.615, 1.417.195, 1.536.508, 1.580.569, 1.765.894, 1.789.996; патенты РФ №№2.013.002, 2.044.407, 2.080.650, 2.172.517 и другие).
Из известных устройств наиболее близкими к предлагаемому является «Устройство для распознавания информационных сигналов» (патент РФ №2.172.517, G 06 K 9/00, 2000), которое и выбрано в качестве прототипа.
Указанное устройство обеспечивает визуальное распознавание вида модуляции принимаемого информационного сигнала с большой базой. Это достигается путем использования в качестве признаков распознавания амплитудного спектра и его деформации при умножении фазы принимаемого сигнала на два, четыре и восемь. При этом устройство реализует акустооптический метод обработки информационных сигналов и состоит из радиотехнической и акустооптической частей.
Радиотехническая часть выполнена на базе супергетеродинного приемника, в котором одно и тоже значение промежуточной частоты пр, может быть получено в результате приема сигналов на двух частотах с и з, то есть пр= с– г и пр= г– з.
Следовательно, если частоту настройки с принять за основной канал приема, то наряду с ним будет иметь место зеркальный канал приема, частота з которого отличается от частоты с на 2 пр и расположена семерично (зеркально) относительно частоты гетеродина г (фиг.3). Преобразование по зеркальному каналу приема происходит с тем же коэффициентом преобразования Кпр, что и по основному каналу. Поэтому он наиболее существенно влияет на избирательность и помехоустойчивость супергетеродинного приемника.
Кроме зеркального существуют и другие дополнительные (комбинационные) каналы приема. В общем виде любой комбинационный канал приема имеет место при выполнении условия (Дикарев В.И. Методы и технические решения приема и обработки радиосигналов. Учебник. СПб, 2000, 533 с.):

где ki – частота i-го комбинационного канала приема;
m, n, i – целые положительные числа, включая n=0.
Наиболее вредными комбинационными каналами приема являются каналы, образующиеся при взаимодействии первой гармоники частоты принимаемого сигнала с гармониками частоты гетеродина малого порядка (второй, третьей и т.д.), так как чувствительность приемника по этим каналам близка к чувствительности основного канала. Так, два комбинационных канала при m=1 и n=2 соответствуют частотам:
к1=2 г– пр и к2=2 г+ пр.
Если несущая частота помехи близка или равна промежуточной частоте, то образуется канал прямого прохождения. Для данной помехи элементы преобразователя частоты служат простыми передаточными звеньями.
Интермодуляционные каналы субъективно проявляются как появление в свободном канале сразу двух сигналов, наложенных друг на друга, хотя излучающие станции работают совсем в других диапазонах частот.
На практике при работе со слабым источником излучения интермодуляционные помехи могут его заглушать. В ряде случаев интермодуляционные помехи проявляются настолько сильно, что в условиях большого города работать почти невозможно: эфир кажется сплошь забит помехами.
Природа интермодуляционных помех такова.
Если на вход преобразователя частоты попадает одновременно два сигнала большой амплитуды с частотами 1 и 2, то они образуют на любых нелинейных элементах ряд интермодуляционных частот:
m 1±n 2= mn.
Сумма (разность) коэффициентов тип называется порядком, т.е. интермодуляционная частота mn называется частотой порядка m+n.
Как видно из фиг.4 и 5, два мощных ложных сигнала (помех) образуют множество интермодуляционных частот.
Наличие ложных сигналов (помех), принимаемых по зеркальному, комбинационным и интермодуляционным каналам, а также по каналу прямого прохождения, приводит к снижению избирательности, помехоустойчивости и достоверности распознавания информационных сигналов.
Технической задачей изобретения является повышение избирательности, помехоустойчивости и достоверности распознавания информационных сигналов путем подавления ложных сигналов (помех), принимаемых по дополнительным каналам.
Поставленная задача решается тем, что устройство для распознавания информационных сигналов, содержащее приемную антенну, две диафрагмы, оптический клин, последовательно включенный гетеродин, первый смеситель и первый усилитель промежуточной частоты, последовательно включенные первый, второй и третий умножители фазы на два, а также последовательно установленные на одной оптической оси источник излучения, коллиматор и с первого по пятый модуляторы излучения, управляющие входы со второго по четвертый модуляторов излучения соединены с выходами первого, второго и третьего умножителей фазы на два соответственно, на пути распространения дифрагированных с первого по пятый модуляторами излучения пучков света установлены соответственно с первого по пятый объективы, в фокальной плоскости которых размещены соответственно, с первого по пятый фотоприемники, выходы которых являются соответственно с первого по пятый информационными выходами устройства, при этом первая диафрагма, пятый объектив и вторая диафрагма установлены последовательно на пути распространения дифрагированного пятым модулятором излучения пучка света, а оптический клин предназначен для преобразования координаты максимума светового распределения пятого объектива и размещен в его фокальной плоскости, снабжено двумя узкополосными фильтрами, двумя полосовыми фильтрами, тремя фазоинверторами, четырьмя сумматорами, амплитудным детектором, ключом, перемножителем, двумя фазовращателями на 90°, вторым смесителем и вторым усилителем промежуточной частоты, причем к выходу приемной антенны последовательно подключены первый узкополосный фильтр, первый фазоинвертор, первый сумматор, второй вход которого соединен с выходом приемной антенны, первый полосовой фильтр, второй фазоинвертор, второй сумматор, второй вход которого соединен с выходом первого сумматора, второй полосовой фильтр, третий фазоинвертор, третий сумматор, второй вход которого соединен с выходом второго сумматора, второй смеситель, второй вход которого через первый фазовращатель на 90° соединен с вторым выходом гетеродина, второй усилитель промежуточной частоты, второй фазовращатель на 90°, четвертый сумматор, второй вход которого соединен с выходом первого усилителя промежуточной частоты, перемножитель, второй вход которого соединен с выходом третьего сумматора, второй узкополосный фильтр, амплитудный детектор и ключ, второй вход которого соединен с выходом четвертого сумматора, а выход подключен к первому умножителю фазы на два, управляющий вход первого модулятора излучения соединен с выходом четвертого сумматора, управляющий вход пятого модулятора излучения через выключатель соединен с выходом четвертого сумматора, второй вход первого смесителя соединен с выходом третьего сумматора.
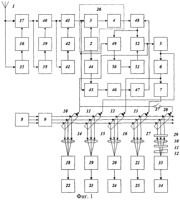
Структурная схема предлагаемого устройства представлена на фиг.1. Взаимное расположение символьных частот сигналов с многократной частотной манипуляцией (ЧМн) показано на фиг.2. Частотные диаграммы, поясняющие процесс образования дополнительных каналов приема, показаны на фиг.3, 4 и 5. Вид возможных осциллограмм показан на фиг.6.
Устройство для распознавания информационных сигналов содержит последовательно включенные приемную антенну 1, первый узкополостный фильтр 35, первый фазоинвертор 36, первый сумматор 37, второй вход которого соединен с выходом приемной антенны 1, первый полосовой фильтр 38, второй фазоинвертор 39, второй сумматор 40, второй вход которого соединен с выходом первого сумматора 37, второй полосовой фильтр 41, третий фазоинвертор 42, третий сумматор 43, второй вход которого соединен с выходом второго сумматора 40, первый смеситель 3, второй вход которого соединен с первым выходом гетеродина 2, первый усилитель 4 промежуточной частоты, четвертый сумматор 48, перемножитель 49, второй вход которого соединен с выходом сумматора 43, второй узкополосный фильтр 50, амплитудный детектор 51, ключ 52, второй вход которого соединен с выходом сумматора 48, первый умножитель 5 фазы на два, второй множитель 6 фазы на два и третий умножитель 7 фазы на два. К выходу сумматора 43 последовательно подключены второй смеситель 45, второй вход которого через первый фазовращатель 44 на 90° соединен с вторым выходом гетеродина 2, второй усилитель 46 промежуточной частоты и второй фазовращатель 47 на 90°, выход которого подключен к второму входу сумматора 48. Гетеродин 2, смеситель 3 и усилитель 4 промежуточной частоты образуют блок 26 приема и усиления сигнала.
На пути распространения оптического сигнала источника 8 излучения, сколлимированного коллиматором 9, последовательно установлены модуляторы излучения 10-13, 28, управляющие входы которых соединены с выходами сумматора 52, умножителей 5-7 фазы на два соответственно. На пути распространения каждого дифрагированного пучка света установлена линза 14 (15, 16, 17), в фокальной плоскости которой размещен фотоприемник 18 (19, 20, 21), к выходу которого подключен осциллографический индикатор 22 (23, 24, 25). На пути распространения дифрагированного модулятором 28 света последовательно установлены первая диафрагма 29, линза 30 и вторая диафрагма 31. В фокальной плоскости линзы 30 установлены оптический клин 32 и фотоприемник 33, к выходу которого подключен осциллографический индикатор 34.
В качестве источника 8 излучения используется лазер. В качестве модуляторов 10-13, 28 излучения используются ячейки Брэгга.
Распознавание информационных сигналов с большой базой основано на получении и анализе их амплитудных спектров. Причем в качестве признаков распознавания используются деформации амплитудного спектра принимаемого информационного сигнала при умножении его фазы на два, четыре и восемь.
Распознавание информационных сигналов с частотной модуляцией основано на использовании ячейки Брэгга 28, линзы 30, двух диафрагм 29 и 31, оптического клина 32, выполняющих роль акустооптического частотного демодулятора.
Подавление ложных сигналов (помех), принимаемых по каналу прямого прохождения на частоте пр, осуществляется фильтром-пробкой, состоящим из узкополосного фильтра 35, фазоинвертора 36, сумматора 37 и реализующим фазокомпенсационный метод. При этом частота настройки н1 узкополосного фильтра 35 выбирается равной промежуточной частоте пр( н1= пр).
Подавление ложных интермодуляционных сигналов (помех), принимаемых в полосе частот  п1= 2– 1, обеспечивается фильтром-пробкой, состоящим из полосового фильтра 38, фазоинвертора 39 и сумматора 40 и реализующим фазокомпенсационный метод. При этом частота настройки н2 полосового фильтра 38 выбирается равной 
Подавление ложных интермодуляционных сигналов (помех), принимаемых в полосе частот  п2= 4– 3, обеспечивается фильтром-пробкой, состоящим из полосового фильтра 41, фазоинвертора 42 и сумматора 43 и реализующим фазокомпенсационный метод. При этом частота настройки н3 полосового фильтра 41 выбирается равной 
Подавление ложных сигналов (помех), принимаемых по зеркальному каналу на частоте 3 и по первому комбинационному каналу на частоте к1, осуществляется «внешним кольцом», состоящим из смесителей 3, 45, гетеродина 2, фазовращателей 44 и 47 на 90°, усилителей 4 и 46 промежуточной частоты и сумматора 48. Это кольцо реализует фазокомпенсационный метод.
Подавление ложных сигналов (помех), принимаемых по второму комбинационному каналу на частоте к2, осуществляется «внутренним кольцом», состоящим из перемножителя 49, узкополосного фильтра 50, амплитудного детектора 51 и ключа 52. При этом частота настройки нч узкополосного фильтра 50 выбирается равной частоте г гетеродина 2( нч= г).
Устройство работает следующим образом.
Если на вход устройства поступает информационный сигнал с фазовой манипуляцией (ФМн), то его аналитически можно записать следующим образом:

где с, с, с, Tс – амплитуда, несущая частота, начальная фаза и длительность сигнала;
k(t) – манипулируемая составляющая фазы, отображающая закон фазовой манипуляции в соответствии с модулирующим кодом M(t), причем k(t)=const при k uu и может изменяться скачком при t=k u, то есть на границах между элементарными посылками (k=1,2,…,N-1);
u, N – длительность и количество элементарных посылок, из которых составлен сигнал длительностью Тc(Tc=N u).
Если на одной несущей частоте дискретная информация передается от одного источника сообщения, то целесообразно использовать однократную (бинарную) фазовую манипуляцию [ФМн-2, k(t)={0, }]. Для передачи сообщений от двух источников используется двукратная фазовая манипуляция [ФМн-4, ]. Причем от одного источника фаза манипулируется по закону 0- , а от другого – по закону . Для передачи сообщений от трех источников используется трехкратная фазовая манипуляция [ФМн-8, ].
В общем случае на одной несущей частоте одновременно можно передать сообщения от n источников, используя для этого n-кратную фазовую манипуляцию. Однако целесообразным являются одно, двух и трехкратная фазовая манипуляции, которые и нашли широкое применение на практике. Дальнейшее повышение кратности фазовой манипуляции ограничивается тем, что уменьшается расстояние между элементарными сигналами и в существенной мере снижается помехоустойчивость канала связи.
Принимаемый бинарный ФМн-2 сигнал с выхода приемной антенны 1 через сумматоры 37, 40 и 43, у которых работает только одно плечо, поступает на первые входы смесителей 3 и 45, на вторые входы которых поступает напряжение гетеродина 2
UГ1(t)=UГcos( Гt+ Г),
UГ1(t)=UГcos( Гt+ Г+90°),
где UГ, Г, Г – амплитуда, частота и начальная фаза напряжения гетеродина.
На выходе смесителей 3 и 45 образуются напряжения комбинационных частот. Усилителями 4 и 46 выделяются напряжения только промежуточной (разностной) частоты:
Uпр1(t)=Uпрcos[ прt+ k(t)+ пр],
Uпр2(t)=Uпрcos[ прt+ k(t) пр-90°], 0 t Tc
где 
k1 – коэффициент передачи смесителя;
пр= c– Г – промежуточная частота;
пр= с– Г.
Напряжение Uпр2(t) с выхода усилителя 46 промежуточной частоты поступает на вход фазовращателя 47 на 90°, на выходе которого образуется следующее напряжение
Uпр3(t)=Uпрcos[ прt+ k(t)+ пр-90°+90°]=
=Uпрcos[ прt+ k(t)+ пр], 0 t Tc.
Напряжение Uпp1(t) и Uпр3(t) поступают на два входа сумматора 48, на выходе которого образуется суммарное напряжение
U (t)=U cos[ прt+ k(t)+ пр], 0 t Tс,
где U =2Uпр.
Это напряжение поступает на второй вход перемножителя 49, на первый вход которого подается принимаемый ФМн-2 сигнал Uc(t). На выходе перемножителя образуется гармоническое напряжение:
U1(t)=U1cos( Гt+ Г),
где 
k2 – коэффициент передачи перемножителя;
которое выделяется узкополосным фильтром 50, детектируется амплитудным детектором 51 и поступает на управляющий вход ключа 52, открывая его. В исходном состоянии ключ 52 всегда закрыт.
При этом напряжение U (t) с выхода сумматора 48 через открытый ключ 52 последовательно поступает на входы умножителей 5, 6 и 7 фазы на два. На выходах последних образуются напряжения:
U2(t)=U2cos(2 прt+2 пр),
U3(t)=U3cos(4 прt+4 пр),
U4(t)=U4cos(8 прt+8 пр), 0 t Tс,
где 


Каждый умножитель фазы на два представляет собой перемножитель, на два входа которого подается один и тот же сигнал.
Так как 2 k(t)={0,2 }; 4 k(t)={0,4 }; 8 k(t)={0,8 }, то в указанных колебаниях фазовая манипуляция уже отсутствует.
Оптический сигнал формируется с помощью лазера 8 и коллиматора 9. Пространственная модуляция оптического сигнала информационным сигналом U (t) и его гармониками U2(t), U3(t) и U4(t) осуществляется с помощью ячеек Брэгга 10-13 соответственно. Каждая ячейка Брэгга состоит из светозвукопровода и возбуждающей гиперзвук пьезоэлектрической пластины (пьезоэлектрического преобразователя), выполненной из кристалла ниобата лития соответственно Х и Y-35° среза. Это обеспечивает автоматическую подстройку по углу Брэгга и работу ячейки в широком диапазоне частот.
Напряжение U (t), U2(t), U3(t) и U4(t) с выхода сумматора 48 (ключа 52), умножителей 5, 6 и 7 фазы на два поступает на пьезоэлектрические преобразователи ячеек Брэгга 10-13. Ячейки Брэгга располагаются таким образом, чтобы сколлимированный оптический сигнал проходил через все ячейки Брэгга. Пьезоэлектрические преобразователи преобразуют информационный сигнал U (t) и его гармоники U2(t), U3(t) и U4(t) в звуковые колебания, которые распространяются в звукопроводах и поглощаются демпферами. Сколлимированный оптический сигнал, проходя через ячейки Брэгга 10-13, дифрагирует на акустооптических колебаниях, возбужденных сигналом U (t) и его гармониками U2(t), U3(t) и U4(t). Следует отметить, что на каждой ячейке Брэгга дифрагирует только приблизительно 1/10 часть сколлимированного пучка света. На пути распространения каждого дифрагированного пучка света установлена линза 14 (15, 16, 17), в фокальной плоскости которой размещен фотоприемник 18 (19, 20, 21), к выходу которого подключен индикатор 22 (23, 24, 25), в качестве которого может быть использован осциллографический индикатор.
Ширина спектра fc, ФМн-2 сигнала определяется длительностью u и его элементарных посылок ( fc=1/ u). Тогда как ширина спектра второй f2, четвертой f4 и восьмой f8 гармоник сигнала определяется длительностью Tc сигнала 
Следовательно, при умножении фазы на два, четыре и восемь спектр ФМн -2 сигнала сворачивается в N раз и трансформируется в одиночные спектральные составляющие. Это обстоятельство и является признаком распознавания ФМн-2 сигнала. Амплитудные спектры принимаемого ФМн-2 сигнала и его гармонических составляющих наблюдаются визуально на экранах осциллографических индикаторов 22-25 (фиг.6, а).
Если на вход устройства поступает информационный сигнал с двукратной фазовой манипуляцией [ФМн-4, ], то на выходе умножителя 5 фазы на два образуется ФМн-2 сигнал [ k(t)={0, ,2 ,3 }], а на выходе умножителей 6 и 7 фазы на два образуются соответствующие гармонические колебания U3(t) и U4(t). В этом случае на экранах индикаторов 22 и 23 наблюдаются амплитудные спектры ФМн-4 и ФМн-2 сигналов, а на экранах индикаторов 24 и 25 наблюдаются одиночные спектральные составляющие (фиг.6, б).
Если на вход устройства поступает ФМн-8 сигнал ,то на входах умножителей 5 и 6 фазы на два образуются ФМн-4 и ФМн-2 сигналы, а на выходе умножителя 7 фазы на два образуется гармоническое колебание U4(t). В этом случае на экранах индикаторов 22, 23 и 24 наблюдаются амплитудные спектры ФМн-8, ФМн-4 и ФМн-2 сигналов, а на экране индикатора 25 наблюдается одиночная спектральная составляющая (фиг.6, в). Именно такая ситуация характерна для ФМн-8 сигнала.
Среди информационных сигналов с частотной манипуляцией (ЧМн) широкое распространение получили сигналы с минимальной частотной манипуляцией (ЧМн-2), с дуобинарной частотной манипуляцией (ЧМн-3) и со скругленной частотной манипуляцией (ЧМн-5) (фиг.2).
Сложный ЧМн-2 сигнал аналитически описывается выражением:

где (t) – изменяющаяся во времени фазовая функция;
cp=( 1+ 2)/2 – средняя частота сигнала;
– частота сигнала, соответствующая символу «-1»;
– частота сигнала, соответствующая символу «+1».
Фазовая функция на каждом символьном интервале u изменяется во времени линейно. За время одного символьного интервала набег фазы равен 
Если на вход устройства поступает ЧМн-2 сигнал, то на выходе умножителя 5 фазы на два образуется ЧМн – сигнал с индексом девиации частоты h=1. При этом его амплитудный спектр трансформируется в две спектральные составляющие на частотах 2 1 и 2 2. На выходах умножителей 6 и 7 фазы на два образуются две спектральные составляющие на частотах 4 1, 4 2, 8 1, 8 2 соответственно (фиг.6, г).
Если на вход устройства поступает ЧМн-3 сигнал, то на выходах умножителей 6 и 7 фазы на два образуются три спектральные составляющие на частотах 4 1, 4 ср, 4 2 и 8 ср, 8 2, то есть сплошной спектр трансформируется в три спектральные составляющие (фиг.6, д). На выходе умножителя 5 фазы на два амплитудный спектр ЧМн-3 сигнала трансформируется в другой сплошной спектр, поскольку h<1.
Таким образом, на экранах индикаторов 22 и 23 будут наблюдаться сплошные амплитудные спектры (фиг.6, д). Если на вход устройства поступает ЧМн-5 сигнал, то на выходе умножителя 7 фазы на два его сплошной спектр трансформируется в пять спектральных лепестков с пиковыми значениями на частотах 8 1 8 3, 8 ср и 8 4 и 8 2 выходах умножителей 5 и 6 фазы на два сплошной спектр ЧМн-5 сигнала трансформируется в другие сплошные амплитудные спектры, так как в этом случае h<1. Таким образом, на экранах индикаторов 22, 23 и 24 будут наблюдаться сплошные амплитудные спектры, а на экране индикатора 25 – пять спектральных лепестков (фиг.6, е). Именно такая ситуация и является признаком распознавания ЧМн-5 сигнала.
Если на вход устройства поступает сигнал с частотной модуляцией (ЧМ):
,
где Uс, с, с, Tс – амплитуда, начальная частота, начальная фаза и длительность сигнала;
– скорость изменения частоты внутри импульса;
fд – девиация частоты;
j=1,2,3,…,
то преобразованием частоты он переносится на промежуточную частоту:
Напряжение U 1(t) поступает на пьезоэлектрический преобразователь ячейки Брэгга 10 и на вход умножителя 5 фазы на два, на выходе которого образуется ЧМ-сигнал:

где который поступает на пьезоэлектрический преобразователь ячейки Брэгга 11. Так как длительность Тс ЧМ-сигнала на основной пр и удвоенной 2 пр промежуточных частотах одинакова, то увеличение в 2 раза происходит за счет увеличения в два раза девиации частоты fд.
Из этого следует, что ширина спектра ЧМ -сигнала на удвоенной промежуточной частоте в 2 раза больше его ширины спектра на основной промежуточной частоте ( f2=2 fc). Аналогично на выходах умножителей 6 и 7 фазы на два ширина спектра ЧМ-сигнала увеличивается в 4 и 8 раз ( f4=4 fc, f8=8 fc).
Следовательно, на экране индикатора 22 визуально наблюдается и анализируется амплитудный спектр ЧМ-сигнала, а на экранах индикаторов 23, 24 и 25 наблюдаются амплитудные спектры ЧМ-сигналов, ширина спектра которых в 2, 4 и 8 раз больше ширины спектра исходного сигнала (фиг.6, ж). Это обстоятельство и является признаком распознавания ЧМ-сигналов.
Для распознавания вида частотной модуляции оператором замыкается выключатель 27. При этом напряжение U 1(t) с выхода сумматора 48 через открытый ключ 52 и замкнутый выключатель 27 одновременно поступает на пьезоэлектрический преобразователь ячейки Брэгга 28. На пути распространения дифрагированного пучка света последовательно установлены диафрагма 29, линза 30 и диафрагма 31. В фокальной плоскости линзы 30 размещены оптический клин 32 и фотоприемник 33.
Оптический клин 32 представляет собой маску, имеющую вид прозрачного равнобедренного треугольника на непрозрачном фоне. Прозрачность оптического клина 32 изменяется по линейному закону вдоль оси ОХ, расположенной перпендикулярно пучку света. За счет диафрагм 29 и 31 размер апертуры выбран так, чтобы максимально локализовать в пространстве мгновенный спектр анализируемого сигнала. С помощью оптического клина 32 осуществляется преобразование координаты максимума светового распределения в величину выходного тока фотоприемника 33. При анализе ЧМ-сигнала ток фотоприемника 33, как функция времени, соответствует закону изменения частоты в анализируемом сигнале.
При этом ячейка Брэгга 28, диафрагмы 29 и 31, линза 30 оптический клин 32 образуют акустооптический демодулятор ЧМ-сигналов.
Если на вход устройства поступает ЛЧМ-сигнал (j=2), то на экране индикатора 34 в этом случае образуется изображение, пропорциональное закону ЛЧМ (фиг.6, з).
Если на вход устройства поступает сигнал с симметричной линейной частотной модуляцией (СЛЧМ), то на экране индикатора 34 образуется изображение, пропорциональное СЛЧМ (фиг.6, и, к).
Если на вход устройства поступает сигнал с квадратичной частотной модуляцией (КЧМ) (j=3), то на экране индикатора 34 образуется изображение, пропорциональное закону КЧМ (фиг.6, л).
Описанная выше работа устройства соответствует случаю приема информационных сигналов по основному каналу на частоте c (фиг.3). Если ложный сигнал (помеха) принимается по каналу прямого прохождения на частоте n
Un(t)=Uncos( nt+ n), 0n,
где n= пр,
то он поступает на первый вход сумматора 37, выделяется узкополосным фильтром 35, частота настройки н1 которого выбирается равной пр ( н1= пр), и инвертируется по фазе на 180° в фазоинверторе 36
Un‘(t)=Uncos( nt+ n+180°)=
=-Uncos( nt+ n), 0 t Тn.
Напряжения Un(t) и Un‘(t), поступающие на два входа сумматора 37, на его выходе компенсируются.
Следовательно, ложный сигнал (помеха), принимаемый по каналу прямого прохождения на частоте n= пр, подавляется фильтром-пробкой, состоящим из узкополосного фильтра 35, фазоинвертора 36 и сумматора 37 и реализующим фазокомпенсационный метод.
Если ложные сигналы (помехи) принимаются по интермодуляционным каналам в полосе частот  n1, расположенной «слева» от полосы пропускания  n приемника, то они поступают на первый вход сумматора 40, выделяются полосовым фильтром 38, инвертируются по фазе на 180° в фазоинверторе 39 и подаются на второй вход сумматора 40, на выходе которого они компенсируются (фиг.4). При этом частота настройки н2 и полоса пропускания полосового фильтра 38 выбираются следующим образом:
н2=( 1+ 2)/2,  n1= 2– 1,
где 1, 2 – граничные частоты, определяющие полосу частот  n1, расположенную «слева» от полосы пропускания  n приемника, попадание в которую двух или более сигналов приводит к образованию интермодуляционных помех.
Если ложные сигналы (помехи) принимаются по интермодуляционным каналам в полосе частот  n2, расположенной «справа» от полосы пропускания  n приемника, то они поступают на первый вход сумматора 43, выделяются полосовым фильтром 41, инвертируются по фазе на 180° в фазоинверторе 42 и подаются на второй вход сумматора 43, на выходе которого они компенсируются (фиг.5). При этом частота настройки н3 и полоса пропускания  n2 полосового фильтра 41 выбираются следующим образом:
н3=( 3+ 4)/2,  n2= 4– 3,
где 3, 4 – граничные частоты, определяющие полосу частот  n2, расположенную «справа» от полосы пропускания  n приемника, попадание в которую двух или более сигналов приводит к образованию интермодуляционных помех.
Если ложный сигнал (помеха) принимается по зеркальному каналу на частоте 3 (фиг.3).
Uз(t)=Uзcos( зt+ з), 0з,
то усилителями 4 и 46 выделяются следующие напряжения:
Uпр4(t)=Uпр4cos( прt+ пр4),
Uпр5(t)=Uпр4cos( прt+ пр4+90°), 0з,
где 
пр= г– з – промежуточная частота;
пр4= г– з.
Напряжение Uпр5(t) с выхода усилителя 46 промежуточной частоты поступает на вход фазовращателя 47 на 90°, на выходе которого образуется напряжение
Uпр6(t)=Uпр4cos( прt+ пр4+90°+90°)=
=-Uпр4cos( прt+ пр4), 0 t Тз.
Напряжения Uпр4(t) и Uпр6(t), поступающие на два входа сумматора 48, на его выходе компенсируются.
Следовательно, ложный сигнал (помеха), принимаемый по зеркальному каналу на частоте з, подавляется «внешним кольцом», состоящим из смесителей 3 и 45, гетеродина 2, фазовращателей 44 и 47 на 90°, усилителей 4 и 46 промежуточной частоты и сумматора 48 и реализующим фазокомпенсационный метод.
По аналогичной причине подавляется и ложный сигнал (помеха), принимаемый по первому комбинационному каналу на частоте к1 (фиг.3).
Если ложный сигнал (помеха) принимается по второму комбинационному каналу на частоте к2
Uк2(t)=Uк2cos( к2t+ к2), 0 t Тк2,
то усилителями 4 и 46 промежуточной частоты выделяются следующие напряжения:
Uпр7(t)=Uпр7cos( прt+ пр7),
Uпр8(t)=Uпр7cos( прt+ пр7-90°), 0 t Тк2,
где 
пр= к2-2 г – промежуточная частота;
пр7= к2– г.
Напряжение Uпр8(t) с выхода усилителя 46 промежуточной частоты поступает на вход фазовращателя 47 на 90°, на выходе которого образуется напряжение
Uпр9(t)=Uпр7cos( пр7t+ пр7-90°+90°)=
=Uпр7cos( прt+ пр7), 0 t Tк2
Напряжения Uпр7(t) и Uпр9(t) поступают на два входа сумматора 48, на выходе которого образуется суммарное напряжение
U 2(t)=U 2cos( прt+ пр7), 0 t Tк2
где U 2=2Uпр7.
Это напряжение поступает на второй вход перемножителя 49, на первый вход которого подается принимаемый ложный сигнал (помеха) с выхода сумматора 43. На выходе перемножителя 49 образуется гармоническое напряжение
U6(t)=U6cos(2 гt+ г), 0 t Tк2
где 
которое не попадает в полосу пропускания узкополосного фильтра 50. Ключ 52 не открывается и ложный сигнал (помеха), принимаемый по второму комбинационному каналу на частоте к2, подавляется «внутренним кольцом», состоящим из перемножителя 49, узкополосного фильтра 50, амплитудного детектора 51 и реализующим метод узкополосной фильтрации.
Таким образом, предлагаемое устройство по сравнению с прототипом и другими техническими решениями аналогичного назначения обеспечивает повышение избирательности, помехоустойчивости и достоверности распознавания информационных сигналов. Это достигается путем подавления ложных сигналов (помех), принимаемых по каналу прямого прохождения на частоте n= пр, по интермодуляционным каналам в полосе частот  n1, расположенной «слева» от полосы пропускания  n приемника, и в полосе частот  n2, расположенной «справа» от полосы пропускания  n приемника, по зеркальному каналу на частоте з, по первому и второму комбинационным каналам на частотах к1 и к2.
Формула изобретения
Устройство для распознавания информационных сигналов, содержащее приемную антенну, две диафрагмы, оптический клин, последовательно включенные гетеродин, первый смеситель и первый усилитель промежуточной частоты, последовательно включенные первый, второй и третий умножители фазы на два, а также последовательные установленные на одной оптической оси источник излучения, коллиматор и с первого по пятый модуляторы излучения, управляющие входы со второго по четвертый модуляторов излучения соединены с выходами первого, второго и третьего умножителей фазы на два соответственно, на пути распространения дифрагированных с первого по пятый модуляторами излучения пучков света установлены соответственно с первого по пятый объективы, в фокальной плоскости которых размещены, соответственно, с первого по пятый фотоприемники, выходы которых являются соответственно с первого по пятый информационными выходами устройства, при этом первая диафрагма, пятый объектив и вторая диафрагма установлены последовательно на пути распространения дифрагированного пятым модулятором излучения пучка света, а оптический клин предназначен для преобразования координаты максимума светового распределения пятого объектива и размещен в его фокальной плоскости, отличающееся тем, что оно снабжено двумя узкополосными фильтрами, двумя полосовыми фильтрами, тремя фазоинверторами, четырьмя сумматорами, амплитудным детектором, ключом, перемножителем, двумя фазовращателями на 90°, вторым смесителем и вторым усилителем промежуточной частоты, причем к выходу приемной антенны последовательно подключены первый узкополосный фильтр, первый фазоинвертор, первый сумматор, второй вход которого соединен с выходом приемной антенны, первый полосовой фильтр, второй фазоинвертор, второй сумматор, второй вход которого соединен с выходом первого сумматора, второй полосовой фильтр, третий фазоинвертор, третий сумматор, второй вход которого соединен с выходом второго сумматора, второй смеситель, второй вход которого через первый фазовращатель на 90° соединен с вторым выходом гетеродина, второй усилитель промежуточной частоты, второй фазовращатель на 90°, четвертый сумматор, второй вход которого соединен с выходом первого усилителя промежуточной частоты, перемножитель, второй вход которого соединен с выходом третьего сумматора, второй узкополосный фильтр, амплитудный детектор и ключ, второй вход которого соединен с выходом четвертого сумматора, а выход подключен к первому умножителю фазы на два, управляющий вход первого модулятора излучения соединен с выходом четвертого сумматора, управляющий вход пятого модулятора излучения через выключатель соединен с выходом четвертого сумматора, второй вход первого смесителя соединен с выходом третьего сумматора.
РИСУНКИ
MM4A – Досрочное прекращение действия патента СССР или патента Российской Федерации на изобретение из-за неуплаты в установленный срок пошлины за поддержание патента в силе
Дата прекращения действия патента: 13.07.2006
Извещение опубликовано: 10.04.2008 БИ: 10/2008
|
|