|
|
(21), (22) Заявка: 2004125533/09, 24.08.2004
(24) Дата начала отсчета срока действия патента:
24.08.2004
(45) Опубликовано: 20.02.2006
(56) Список документов, цитированных в отчете о поиске:
SU 481929 A1, 25.08.1975. RU 2210184 C1, 10.08.2003. RU 2020752 C1, 30.09.1994. RU 2175812 C1, 10.11.2001. SU 416717 A1, 25.02.1974. WO 91/11056 A1, 25.07.1991.
Адрес для переписки:
140103, Московская обл., г. Раменское, ул. Гурьева, 2, ОАО “РПКБ”
|
(72) Автор(ы):
Чернышев Дмитрий Алексеевич (RU)
(73) Патентообладатель(и):
Открытое акционерное общество “Раменское приборостроительное конструкторское бюро” (RU)
|
(54) ПРЕОБРАЗОВАТЕЛЬ УГЛА ПОВОРОТА ВАЛА В КОД
(57) Реферат:
Устройство относится к области вычислительной техники и может быть использовано в автоматике и информационно-измерительной технике. Техническим результатом является повышение точности преобразования. Устройство содержит синусно-косинусные трансформаторные датчики, коммутатор, четыре интегратора, пороговые элементы, элемент 4И-НЕ, блок запуска и остановки интеграторов, функциональный преобразователь отношения напряжений в код, два переключателя, два триггера, два элемента И и счетчик. 2 ил. 
Изобретение относится к области вычислительной техники, в частности к преобразователям угла поворота вала в код, и может быть использовано в системах обработки данных.
Известен преобразователь угла поворота вала в код, содержащий синусно-косинусный трансформаторный датчик, селектор октантов, суммирующие масштабные усилители, линейные множительные устройства, суммирующий блок, масштабные устройства, компаратор, регистр и блок управления (см. а.с. СССР №416717, Кл. G 08 C 9/00, 1972 г.).
Недостатком преобразователя является его сложность и невысокая точность.
Наиболее близким к изобретению по технической сущности и достигаемому результату является преобразователь угла поворота вала в код, принятый за прототип и содержащий (см. а.с. СССР №481929, Кл. G 08 C 9/04, 1975 г.) синусно-косинусные трансформаторные датчики, выходы которых подключены к входам коммутатора, первый и второй выходы которого подключены соответственно к входам первого и второго интеграторов непосредственно и через пороговые элементы, настроенные попарно на положительные и отрицательные пороговые напряжения, подключены к входам элемента 4И-НЕ, выход которого подключен к входу блока запуска и остановки интеграторов, выход которого подключен к управляющему входу функционального преобразователя отношения напряжений в код и к управляющим входам первого и второго интеграторов, выходы которых подключены к входам функционального преобразователя отношения напряжений в код, выходы которого являются выходами преобразователя.
Недостатком известного преобразователя является низкая точность, обусловленная погрешностью интеграторов, а именно влиянием предыдущих циклов интегрирования на последующие, причем это влияние тем больше, чем больше амплитуда напряжения в предыдущих циклах интегрирования, что обусловлено эффектом диэлектрической абсорбции интегрирующих конденсаторов, а именно тем, что после обнуления/разряда конденсаторов для подготовки к следующему циклу интегрирования на них остается значительное остаточное напряжение, величина которого находится в прямой зависимости от величины входного напряжения:

что в конечном счете приводит к погрешности преобразователя угла поворота вала в код в целом (см. В.Г.Балакай и др. “Интегральные схемы АЦП и ЦАП”, Москва, “Энергия”, 1978, с.64).
Цель изобретения – повышение точностных характеристик преобразователя.
Поставленная цель достигается тем, что в преобразователь угла поворота вала в код, содержащий синусно-косинусные трансформаторные датчики, выходы которых подключены к входам коммутатора, первый и второй выходы которого подключены соответственно к входам первого и второго интеграторов непосредственно и через пороговые элементы, настроенные попарно на положительные и отрицательные пороговые напряжения, подключены к входам элемента 4И-НЕ, выход которого подключен к входу блока запуска и остановки интеграторов, выход которого подключен к управляющему входу функционального преобразователя отношения напряжений в код, выходы которого являются выходами преобразователя, введены третий и четвертый интеграторы, первый и второй переключатели, первый и второй триггеры, первый и второй элементы И и счетчик, вход которого соединен с входом первого триггера, первым входом второго триггера, с одними из входов первого и второго элементов И и подключен к выходу блока запуска и остановки интеграторов, а выход подключен к управляющему входу коммутатора, входы третьего и четвертого интеграторов подключены соответственно к первому и второму выходам коммутатора, выходы первого и второго интеграторов подключены соответственно к первым входам первого и второго переключателей, вторые входы которых подключены соответственно к выходам третьего и четвертого интеграторов, а выходы подключены к входам функционального преобразователя отношения напряжений в код, первый выход первого триггера подключен к другому входу второго элемента И, выход которого подключен к входам управления/интегрирования третьего и четвертого интеграторов, второй выход первого триггера подключен к управляющим входам первого и второго переключателей и к другому входу первого элемента И, выход которого подключен к входам управления/интегрирования первого и второго интеграторов, второй вход второго триггера подключен к управляющему выходу функционального преобразователя отношения напряжений в код, а выход подключен к входам обнуления первого, второго, третьего и четвертого интеграторов.
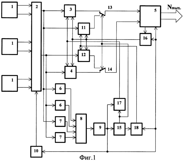
Структурная схема преобразователя угла поворота вала в код приведена на Фиг.1, временные диаграммы его работы – на Фиг.2.
Преобразователь угла поворота вала в код содержит синусно-косинусные трансформаторные датчики 1, коммутатор 2, первый 3 и второй 4 интеграторы, функциональный преобразователь 5 отношения напряжений в код, пороговые элементы 6 и 7, элемент 4И-НЕ 8, блок 9 запуска и остановки интеграторов, счетчик 10, третий 11 и четвертый 12 интеграторы, первый 13 и второй 14 переключатели, первый 15 и второй 16 триггеры, первый 17 и второй 18 элементы И.
Выходы синусно-косинусных трансформаторных датчиков 1 соединены с входами коммутатора 2, первый и второй выходы коммутатора 2 соединены соответственно с входами первого 3, третьего 11 и второго 4, четвертого 12 интеграторов непосредственно и через пороговые элементы 6 и 7, настроенные попарно на положительные и отрицательные пороговые напряжения, соединены с входами элемента 4И-НЕ 8, выход элемента 4И-НЕ 8 соединен с входом блока 9 запуска и остановки интеграторов, выход блока 9 запуска и остановки интеграторов соединен с управляющим входом функционального преобразователя 5 отношения напряжений в код, с входом первого 15 триггера, с первым входом второго 16 триггера, с одними из входов первого 17 и второго 18 элементов И и с входом счетчика 10, выход счетчика 10 соединен с управляющим входом коммутатора 2, первый выход первого 15 триггера соединен с другим входом второго 18 элемента И, второй выход первого 15 триггера соединен с управляющими входами первого 13 и второго 14 переключателей и с другим входом первого 17 элемента И, выход первого 17 элемента И соединен с входами управления/интегрирования первого 3 и второго 4 интеграторов, выход второго 18 элемента И соединен с входами управления/интегрирования третьего 11 и четвертого 12 интеграторов, выходы первого 3 и второго 4 интеграторов соединены соответственно с первыми входами первого 13 и второго 14 переключателей, выходы третьего 11 и четвертого 12 интеграторов соединены соответственно со вторыми входами первого 13 и второго 14 переключателей, выходы первого 13 и второго 14 переключателей соединены с входами функционального преобразователя 5 отношения напряжений в код, управляющий выход функционального преобразователя 5 отношения напряжений в код соединен со вторым входом второго 16 триггера, выход второго 16 триггера соединен с входами обнуления первого 3, второго 4, третьего 11 и четвертого 12 интеграторов, выходы функционального преобразователя 5 отношения напряжений в код являются выходами преобразователя.
Преобразователь угла поворота вала в код работает следующим образом.
При повороте вала синусно-косинусных трансформаторных датчиков 1 на некоторый угол i напряжения с их выходных обмоток, пропорциональные sin i и cos i, через коммутатор 2, согласно выбранному счетчиком 10 адресу, соответствующему определенному входному параметру, последовательно во времени подключаются к входам первого 3 и третьего 11, и второго 4 и четвертого 12 интеграторов соответственно.
В первом периоде сигнальных напряжений по сигналу управления, сформированного блоком 9 запуска и остановки интеграторов, первым 15 триггером и первым 17 элементом И (см. Фиг.2), первый 3 и второй 4 интеграторы интегрируют входные напряжения, поступающие с выходов нечетных (k=n+1, где n=0, 2, 4…; k – номер синусно-косинусных трансформаторных датчиков 1) синусно-косинусных трансформаторных датчиков 1, в течение первого полупериода сигнальных напряжений, что обеспечивается пороговыми элементами 6 и 7, настроенными попарно на положительные и отрицательные пороговые напряжения, элементом 4И-НЕ 8 и блоком 9 запуска и остановки интеграторов и, тем самым, позволяет исключить ошибку от квадратурной составляющей и высших гармоник, кратных двум. В результате интегрирования на выходах первого 3 и второго 4 интеграторов получаем:

где Um – амплитудное значение выходных сигнальных напряжений;
i – угол поворота синусно-косинусных трансформаторных датчиков 1.
В этом же (первом) периоде сигнальных напряжений напряжения с выходов первого 3 и второго 4 интеграторов через нормально замкнутые контакты первого 13 и второго 14 переключателей соответственно по сигналу управления с инверсного выхода первого 15 триггера (см. Фиг.2) подключаются к входам функционального преобразователя 5 отношения напряжений в код, который по сигналу управления с выхода блока запуска и остановки интеграторов производит кодирование напряжений и по его окончании формирует сигнал “конец кодирования” (для подготовки интеграторов к следующему циклу интегрирования), который поступает на счетный вход второго 16 триггера, на вход обнуления которого поступает сигнал с выхода блока 9 запуска и остановки интеграторов, и на выходе которого будет сформирован сигнал обнуления/подготовки первого 3 и второго 4, а также третьего 11 и четвертого 12 интеграторов к следующему циклу интегрирования.
Во втором периоде сигнальных напряжений по сигналу управления, сформированного блоком 9 запуска и остановки интеграторов, первым 15 триггером и вторым 18 элементом И (см. Фиг.2) третий 13 и четвертый 14 интеграторы интегрируют входные напряжения, поступающие с выходов четных (k=n, где n=0, 2, 4…; k – номер синусно-косинусных трансформаторных датчиков 1) синусно-косинусных трансформаторных датчиков 1, в течение первого полупериода сигнальных напряжений, что обеспечивается пороговыми элементами 6 и 7, настроенными попарно на положительные и отрицательные пороговые напряжения, элементом 4И-НЕ 8 и блоком 9 запуска и остановки интеграторов и, тем самым, позволяет исключить ошибку от квадратурной составляющей и высших гармоник, кратных двум. В результате интегрирования на выходах третьего 13 и четвертого 14 интеграторов получаем:

где Um – амплитудное значение выходных сигнальных напряжений;
i – угол поворота синусно-косинусных трансформаторных датчиков 1.
В этом же (втором) периоде сигнальных напряжений напряжения с выходов третьего 11 и четвертого 12 интеграторов через другие контакты первого 13 и второго 14 переключателей соответственно по сигналу управления с инверсного выхода первого 15 триггера (см. Фиг.2) подключаются к входам функционального преобразователя 5 отношения напряжений в код, который по сигналу управления с выхода блока запуска и остановки интеграторов производит кодирование напряжений и по его окончании формирует сигнал “конец кодирования” (для подготовки интеграторов к следующему циклу интегрирования), который поступает на счетный вход второго 16 триггера, на вход обнуления которого поступает сигнал с выхода блока 9 запуска и остановки интеграторов, и на выходе которого будет сформирован сигнал обнуления/подготовки третьего 11 и четвертого 12, а также первого 3 и второго 4 интеграторов к следующему циклу интегрирования.
Таким образом, введение в преобразователь угла поворота вала в код третьего и четвертого интеграторов, первого и второго переключателей, первого и второго триггеров, первого и второго элементов И и счетчика обеспечивает интегрирование входных напряжений через период сигнальных напряжений, а обнуление интеграторов – каждый период, т.е. производя двойное обнуление интеграторов при подготовке к следующему циклу интегрирования, что позволяет исключить влияние предыдущего цикла интегрирования на последующий за счет значительного снижения остаточного напряжения на интегрирующих конденсаторах интеграторов и, тем самым, повысить точностные характеристики преобразователя в целом.
Формула изобретения
Преобразователь угла поворота вала в код, содержащий синусно-косинусные трансформаторные датчики, выходы которых подключены ко входам коммутатора, первый и второй выходы которого подключены соответственно ко входам первого и второго интеграторов непосредственно и через пороговые элементы, настроенные попарно на положительные и отрицательные пороговые напряжения, подключены к входам элемента 4И-НЕ, выход которого подключен к входу блока запуска и остановки интеграторов, выход которого подключен к управляющему входу функционального преобразователя отношения напряжений в код, выходы которого являются выходами преобразователя, отличающийся тем, что в него введены третий и четвертый интеграторы, первый и второй переключатели, первый и второй триггеры, первый и второй элементы И и счетчик, вход которого соединен с входом первого триггера, первым входом второго триггера, с одними из входов первого и второго элементов И и подключен к выходу блока запуска и остановки интеграторов, а выход подключен к управляющему входу коммутатора, входы третьего и четвертого интеграторов подключены соответственно к первому и второму выходам коммутатора, выходы первого и второго интеграторов подключены соответственно к первым входам первого и второго переключателей, вторые входы которых подключены соответственно к выходам третьего и четвертого интеграторов, а выходы подключены к входам функционального преобразователя отношения напряжений в код, первый выход первого триггера подключен к другому входу второго элемента И, выход которого подключен к входам управления/интегрирования третьего и четвертого интеграторов, второй выход первого триггера подключен к управляющим входам первого и второго переключателей и к другому входу первого элемента И, выход которого подключен к входам управления/интегрирования первого и второго интеграторов, второй вход второго триггера подключен к управляющему выходу функционального преобразователя отношения напряжений в код, а выход подключен к входам обнуления первого, второго, третьего и четвертого интеграторов.
РИСУНКИ
|
|