|
|
(21), (22) Заявка: 2004125532/09, 24.08.2004
(24) Дата начала отсчета срока действия патента:
24.08.2004
(45) Опубликовано: 20.02.2006
(56) Список документов, цитированных в отчете о поиске:
SU 691909 A1, 15.10.1979. RU 2210184 C1, 10.08.2003. RU 2020752 C1, 30.09.1994. RU 2175812 C1, 10.11.2001. SU 416717 A1, 25.02.1974. WO 91/11056 А1, 25.07.1991.
Адрес для переписки:
140103, Московская обл., г. Раменское, ул. Гурьева, 2, ОАО “РПКБ”
|
(72) Автор(ы):
Глазов Виктор Викторович (RU), Чернышев Дмитрий Алексеевич (RU)
(73) Патентообладатель(и):
Открытое акционерное общество “Раменское приборостроительное конструкторское бюро” (RU)
|
(54) ПРЕОБРАЗОВАТЕЛЬ УГЛА ПОВОРОТА ВАЛА В КОД
(57) Реферат:
Устройство относится к области вычислительной техники и может быть использовано в автоматике и информационно-измерительной технике. Техническим результатом является повышение быстродействия и глубины контроля преобразователя в процессе работы. Устройство содержит синусно-косинусный датчик угла, первый и второй блоки умножения, блок вычитания, три компаратора, блок синусно-косинусного преобразования кода, генератор тактовых импульсов, регистр последовательных приближений, источник порогового напряжения, элемент И, D-триггер и пороговый блок. 1 ил. 
Изобретение относится к области вычислительной техники, в частности к преобразователям угла поворота вала в код, и может быть использовано в системах обработки данных.
Известен преобразователь угла поворота вала в код, содержащий синусно-косинусный трансформаторный датчик, селектор октантов, суммирующие масштабные усилители, линейные множительные устройства, суммирующий блок, масштабные устройства, компаратор, регистр и блок управления (см. а.с. СССР №416717, кл. G 08 C 9/00, 1972 г.).
Недостатком преобразователя является его сложность, низкое быстродействие и отсутствие автономного контроля в процессе работы.
Наиболее близким к изобретению по технической сущности и достигаемому результату является преобразователь угла поворота вала в код, принятый за прототип и содержащий (см. а.с. СССР №691909, кл. G 08 C 9/00, 1977 г.) синусно-косинусный датчик угла, первый и второй выходы которого подключены соответственно к аналоговым входам первого и второго блоков умножения, цифровые входы которых подключены соответственно к первому и второму выходам блока синусно-косинусного преобразования кода, а выходы – подключены к входам блока вычитания, выход которого подключен к входу блока преобразования амплитуды напряжения в последовательный код и к одному из входов компаратора, другой вход которого подключен к шине нулевого потенциала преобразователя, а выход – подключен к одному из входов реверсивного счетчика, другой вход которого подключен к выходу блока преобразования амплитуды напряжения в последовательный код, а выходы – подключены к входам блока синусно-косинусного преобразования кода и одновременно являются информационными выходами преобразователя.
Недостатком известного преобразователя является низкое быстродействие, обусловленное необходимостью проведения нескольких циклов преобразования, а также отсутствие автономного контроля в процессе работы.
Цель изобретения – повышение быстродействия и глубины контроля преобразователя в процессе работы.
Поставленная цель достигается тем, что в преобразователь угла поворота вала в код, содержащий синусно-косинусный датчик угла, первый и второй выходы которого подключены соответственно к аналоговым входам первого и второго блоков умножения, цифровые входы которых подключены соответственно к первому и второму выходам блока синусно-косинусного преобразования кода, а выходы – подключены к входам блока вычитания, выход которого подключен к одному из входов компаратора, другой вход которого подключен к шине нулевого потенциала преобразователя, введены генератор тактовых импульсов, регистр последовательных приближений, второй и третий компараторы, источник порогового напряжения, элемент И, D-триггер и пороговый блок, вход которого является входом задания переменного опорного напряжения преобразователя, а выход – подключен к входу запуска регистра последовательных приближений, синхровход которого подключен к выходу генератора тактовых импульсов, информационный вход – подключен к выходу первого компаратора, выход “конец преобразования” – подключен к входу записи D-триггера, а информационные выходы – подключены к входам блока синусно-косинусного преобразования кода и одновременно являются информационными выходами преобразователя, парафазные входы второго и третьего компараторов объединены и подключены соответственно к выходу блока вычитания и к выходу источника порогового напряжения, а выходы – подключены к входам элемента И, выход которого подключен к информационному входу D-триггера, выход которого является выходом исправности преобразователя.
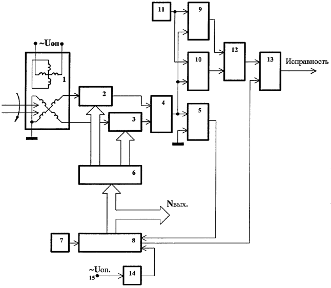
Структурная схема преобразователя угла поворота вала в код приведена на чертеже.
Преобразователь угла поворота вала в код содержит синусно-косинусный датчик угла 1, первый 2 и второй 3 блоки умножения, блок 4 вычитания, первый 5, второй 9 и третий 10 компараторы, блок 6 синусно-косинусного преобразования кода, генератор 7 тактовых импульсов, регистр 8 последовательных приближений, источник 11 порогового напряжения, элемент И 12, D-триггер 13 и пороговый блок 14.
Первый и второй выходы синусно-косинусного датчика угла 1 соединены соответственно с аналоговыми входами первого 2 и второго 3 блоков умножения, выходы первого 2 и второго 3 блоков умножения соединены с входами блока 4 вычитания, выход блока 4 вычитания соединен с первыми входами первого 5 и второго 9 компараторов и вторым входом третьего 10 компаратора, второй вход первого 5 компаратора соединен с шиной нулевого потенциала преобразователя, выход первого 5 компаратора соединен с информационным входом регистра 8 последовательных приближений, выход генератора 7 тактовых импульсов соединен с синхровходом регистра 8 последовательных приближений, вход порогового блока 14 является входом задания переменного опорного напряжения преобразователя, выход порогового блока 14 соединен с входом запуска регистра 8 последовательных приближений, выход “конец преобразования” регистра 8 последовательных приближений соединен с входом записи D-триггера 13, информационные выходы регистра 8 последовательных приближений соединены с входами блока 6 синусно-косинусного преобразования кода и одновременно являются информационными выходами преобразователя, первый и второй выходы блока 6 синусно-косинусного преобразования кода соединены соответственно с цифровыми входами первого 2 и второго 3 блоков умножения, выход источника 11 порогового напряжения соединен с вторым входом второго 9 компаратора и первым входом третьего 10 компаратора, выходы первого 9 и третьего 10 компаратора соединены с входами элемента И 12, выход элемента И 12 соединен с информационным входом D-триггера 13, выход D-триггера 13 является выходом исправности преобразователя.
Преобразователь угла поворота вала в код работает следующим образом.
При повороте вала синусно-косинусного датчика угла 1 на некоторый угол i в его выходных обмотках вырабатываются напряжения, амплитуда которых пропорциональна sin i и cos i угла поворота вала. По сигналу переменного опорного напряжения Uоп пороговый блок 14 вырабатывает последовательность импульсов длительностью, равной его полупериоду, которые являются сигналом запуска регистра 8 последовательных приближений, на синхровход которого поступают тактовые импульсы от генератора 7 тактовых импульсов. Преобразование выполняется путем поразрядного уравновешивания при последовательном переключении разрядов регистра 8 последовательных приближений, начиная со старшего разряда, информационные выходы которого подключены к входам блока 6 синусно-косинусного преобразования кода, который в каждом такте преобразования вырабатывает на первом и втором выходах цифровые коды, соответствующие косинусу (N1=cosN) и синусу (N2=sinN) угла. Первый 2 и второй 3 блоки умножения осуществляют операцию умножения соответствующих напряжений, пропорциональных Usin i и Ucos i, приложенных к их аналоговым входам, на коды N1=cosN и N2=sinN соответственно, приложенных к их цифровым входам. Напряжения с выходов первого 2 и второго 3 блоков умножения поступают на блок 4 вычитания, на выходе которого получаем:
Usin i×N1-Ucos i×N2= U (1)
где: N1 и N2 – выходные коды блока 6 синусно-косинусного преобразования кода, причем N1=cosN и N2=sinN, где N – код регистра 8 последовательных приближений в каждом такте преобразования.
Напряжение с выхода блока 4 вычитания поступает на первый вход первого компаратора 5, второй вход которого подключен к шине нулевого потенциала преобразователя. Результат сравнения с выхода первого 5 компаратора в каждом такте преобразования поступает на информационный вход регистра 8 последовательных приближений, на выходе которого в последнем такте преобразования каждого из циклов будет сформирован код, пропорциональный углу поворота вала синусно-косинусного датчика угла 1.
Одновременно напряжение с выхода блока 4 вычитания поступает на инвертирующий вход второго 9 компаратора и неинвертирующий вход третьего 10 компаратора, на другие входы которых поступает пороговое напряжение Uпор от источника 11 порогового напряжения, причем его величина выбирается из необходимых требований контролирования точности работы преобразователя. Таким образом, если напряжение U на выходе блока 4 вычитания в последнем такте преобразования меньше значения порогового напряжения Uпор с выхода источника 11 порогового напряжения, т.е.:
Uпор/ (2),
на выходах второго 9 и третьего 10 компараторов, а соответственно, и на выходе элемента И 12 будет присутствовать напряжение, соответствующее уровню “лог.0”, которое по сигналу “конец преобразования” регистра 8 последовательных приближений, записывается в D-триггер 13 и свидетельствует об исправной работе преобразователя.
А если напряжение U на выходе блока 4 вычитания в последнем такте преобразования больше значения порогового напряжения Uпор с выхода источника 11 порогового напряжения, т.е.:
U>/Uпор/, (3)
что может быть вызвано отказами элементов или их завышенными смещениями нулевого уровня и дрейфов в трактах преобразования, на выходах второго 9 и третьего 10 компараторов, а соответственно, и на выходе элемента И 12 будет присутствовать напряжение, соответствующее уровню “лог.1”, которое по сигналу “конец преобразования” регистра 8 последовательных приближений записывается в D-триггер 13 и свидетельствует об неисправной работе/отказе преобразователя.
Таким образом, введение в преобразователь угла поворота вала в код генератора тактовых импульсов, регистра последовательных приближений, источника порогового напряжения, второго и третьего компараторов, элемента И, D-триггера и порогового блока позволяет повысить быстродействие преобразователя и глубину его контроля в рабочем режиме.
Формула изобретения
Преобразователь угла поворота вала в код, содержащий синусно-косинусный датчик угла, первый и второй выходы которого подключены соответственно к аналоговым входам первого и второго блоков умножения, цифровые входы которых подключены соответственно к первому и второму выходам блока синусно-косинусного преобразования кода, а выходы подключены ко входам блока вычитания, выход которого подключен к одному из входов компаратора, другой вход которого подключен к шине нулевого потенциала преобразователя, отличающийся тем, что в него введены генератор тактовых импульсов, регистр последовательных приближений, второй и третий компараторы, источник порогового напряжения, элемент И, D-триггер и пороговый блок, вход которого является входом задания переменного опорного напряжения преобразователя, а выход подключен к входу запуска регистра последовательных приближений, синхровход которого подключен к выходу генератора тактовых импульсов, информационный вход подключен к выходу первого компаратора, выход «конец преобразования» подключен к входу записи D-триггера, а информационные выходы подключены к входам блока синусно-косинусного преобразования кода и одновременно являются информационными выходами преобразователя, парафазные входы второго и третьего компараторов объединены и подключены соответственно к выходу блока вычитания и к выходу источника порогового напряжения, а выходы подключены к входам элемента И, выход которого подключен к информационному входу D-триггера, выход которого является выходом исправности преобразователя.
РИСУНКИ
|
|