|
|
(21), (22) Заявка: 2004121092/09, 12.07.2004
(24) Дата начала отсчета срока действия патента:
12.07.2004
(45) Опубликовано: 20.02.2006
(56) Список документов, цитированных в отчете о поиске:
SU 546887, 15.02.1977. SU 335688, 11.04.1972. SU 463972, 15.03.1975. RU 2207616 C2, 27.06.2003. WO 84/00071 A1, 05.01.1984. JP 57155649, 25.09.1982. EP 1132815 A2, 12.09.2001.
Адрес для переписки:
109074, Москва, Китайгородский пр-д, 9/5, Военная академия Ракетных войск стратегического назначения им. Петра Великого
|
(72) Автор(ы):
Кулешов Владимир Васильевич (RU), Алимова Лариса Львовна (RU)
(73) Патентообладатель(и):
Военная академия Ракетных войск стратегического назначения им. Петра Великого (RU)
|
(54) МНОГОКАНАЛЬНОЕ АДАПТИВНОЕ УСТРОЙСТВО
(57) Реферат:
Заявленное устройство относится к области резервированных устройств дискретной техники и может быть использовано при создании различных адаптивных резервируемых устройств для обработки дискретной информации. Достигаемый технический результат – экономия рабочего ресурса устройства при сохранении требуемого уровня надежности функционирования. Многоканальное адаптивное устройство содержит М идентичных каналов с системой контроля (СК) в каждом из них, ключи питания (КП), блок управления (БУ) и блок результатов (БР). БУ – цифровой автомат с памятью, имеет прямые и обратные связи со всеми элементами устройства, а также с внешними источниками информации, определяющими уровень надежности функционирования, количество одновременно работающих резервных каналов, периодичность их коммутации. БУ содержит логический узел (ЛУ), запоминающий узел (ЗУ), логическую схему (ЛС). БР содержит М-1 идентичных схем сравнения (СС) и М многоразрядных мультиплексоров (МХ). Одни из выходов блока результатов связаны с выходом устройства. СК – система встроенного аппаратного контроля работоспособности каналов на основе проверки избыточных кодов. 3 ил. 
Заявляемое изобретение «Многоканальное адаптивное устройство резервирования» относится к области резервированных устройств дискретной техники и может быть использовано при создании различных многоканальных адаптивных устройств для обработки дискретной информации, функционирующих в различных условиях эксплуатации, требования по надежности в которых могут быть разными. Например, устройство должно иметь максимальную надежность при одних условиях эксплуатации либо иметь минимальный расход своего рабочего ресурса с сохранением допустимого уровня надежности при других условиях эксплуатации, т.е. удовлетворять в различное время противоречивым требованиям в зависимости от внешних условий эксплуатации устройства. Таким образом, помимо решения задачи повышения надежности их функционирования решается также задача экономии рабочего ресурса этих устройств при сохранении требуемого уровня надежности их функционирования.
Известны устройства, в которых для повышения надежности их функционирования выходы параллельно работающих каналов включены на мажоритарный элемент [1, 2]. Известно также резервированное устройство, в котором имеются основной блок – рабочий и резервные блоки, соединенные с источниками питания через ключи питания (КП), а также логические схемы И-ИЛИ. Резервные блоки находятся в выключенном состоянии. При отказе основного блока производится его замена путем подключения одного из резервных блоков [5].
Недостатками рассмотренных резервированных устройств являются либо отсутствие экономии рабочего ресурса устройства при включенных всех его каналах либо недостаточно высокая надежность функционирования устройства при выключенных резервных каналах данного устройства.
Известны адаптивные структуры устройств с перекрестными связями, в которых помимо однородных каналов имеется центральный канал, который, кроме решения основной задачи, производит анализ состояния остальных каналов. На основе результатов анализа в случае необходимости принимается решение о выводе того иди иного канала из действующей конфигурации и передаче его функций соответствующему соседнему каналу. Здесь необходимо создание и использование гибкой системы диспетчирования, базирующейся на предварительно разработанных планах, основная информация по которым, например, в виде таблиц, хранится в памяти центрального канала.
Недостатком рассмотренной адаптивной структуры устройства является его сложность [4].
Наиболее близким по технической сущности является многоканальное устройство для резервирования замещением [3], содержащее в каждом канапе резервируемый блок, соединенный с системой контроля (СК), и ключ, соединенный с резервируемым блоком. Кроме того, в многоканальном устройстве в каждом его канале имеется логический элемент ИЛИ-НЕ, соединенный с управляющим входом ключа.
Таким образом, в рассматриваемом многоканальном устройстве между ключами, выполняющими роль блока результатов (БР), и логическими элементами ИЛИ-НЕ, выполняющими роль блока управления (БУ), имеются односторонние связи между выходами БУ и входами БР.
Поэтому рассмотренные выше устройства являются либо достаточно сложными и трудоемкими либо не отвечают поставленным требованиям обеспечения необходимого уровня надежности функционирования и экономии рабочего ресурса в зависимости от изменения условий эксплуатации устройств.
Задачей, решаемой изобретением, является создание устройства, позволяющего максимально экономить рабочий ресурс устройства при обеспечении минимально необходимого уровня надежности его функционирования, который и определяет количество включенных каналов. Кроме этого, должны отсутствовать перерывы в работе устройства, связанные с переключением резервных каналов.
Уровень надежности функционирования устройства от минимально необходимого до максимального задается информацией, поступающей на входы заявляемого устройства от внешних источников.
В отличие от прототипа [3], в котором также имеется БУ, состоящий из логических элементов ИЛИ-НЕ, в заявляемом устройстве БУ содержит, кроме логической части, элементы памяти по числу каналов устройства. Таким образом, на вход БУ заявляемого устройства поступает информация не только от СК каналов, как в прототипе, но и от БР, в котором осуществляется сравнение выходной информации нескольких каналов при одновременном их функционировании. Кроме того, на БУ поступает информация от внешних источников.
В БР прототипа используются только ключи. В предлагаемом многоканальном адаптивном устройстве в БР используются мультиплексоры по числу одновременно работающих каналов устройства, схемы сравнения выходной информации каналов и дополнительные связи между БР и БУ.
В заявляемом изобретении, несмотря на то, что все каналы устройства предназначены для выполнения одних и тех же функций и изменение начальной физической конфигурации практически не приводит к изменению функциональной и семантической конфигурации, данное многоканальное устройство может рассматриваться как устройство адаптивное к отказам и сбоям каналов, а также к изменению внешних условий его функционирования, определяющих уровень надежности рассматриваемого устройства.
Система контроля, используемая в каждом канале, представляет собой систему встроенного аппаратного контроля, осуществляющая: контроль работоспособности каналов на основе проверки обрабатываемой каналом дискретной информации с использованием, например, избыточных корректирующих кодов (Хемминга, по модулю 2, Рида-Маллера и других).
Сущность предлагаемого устройства заключается в том, что в нем имеется специальный дополнительный блок управления, который представляет собой цифровой автомат с памятью, имеющий n входов y1…уП, L внутренних переменных хi и К выходов z1…zК.
Логическая часть БУ может быть выполнена, например, на программируемых логических матрицах (ПЛМ), запоминающая часть – на триггерах. Кроме этого, в заявляемое устройство входит блок результатов, содержащий М мультиплексоров (MX) по возможному числу одновременно работающих каналов и М-1 схем сравнения (СС).
Мультиплексоры в соответствии с управляющими сигналами, поступающими из БУ, обеспечивают коммутацию каналов, информация от которых поступает на выход многоканального адаптивного устройства, а в СС производится сравнение выходной информации нескольких какалов при одновременной их работе и выработка сигналов о наличии или отсутствии равенства указанной информации, которые поступают в БУ.
Между БР и БУ имеются двухсторонние связи.
Сравнительный анализ с прототипом показал, что в заявляемом устройстве имеются отличия в блоках БР и БУ. Если в прототипе блок БУ содержит только логические элементы ИЛИ-НЕ по числу резервных каналов с различным количеством входов, то в заявляемом устройстве блок БУ содержит, кроме логического узла, выполненного на ПЛМ, еще и оперативный запоминающий узел (ЗУ), а также логическую схему на элементах И-ИЛИ-НЕ. Кроме того, БУ заявляемого устройства имеет связи не только с БР и СК, как в прототипе, но и с КП каждого канала, а также с внешними источниками информации.
В блоке результатов заявляемого устройства роль ключей, используемых в прототипе, выполняют мультиплексоры. Помимо этого, в БР адаптивного многоканального устройства имеются схемы сравнения результатов на выходе одновременно работающих каналов.
Между БР и БУ в заявляемом устройстве имеются двухсторонние прямые и обратные связи в отличие от прототипа, в котором между указанными блоками имеются только односторонние связи выходов БУ со входами БР. Поэтому возможности заявляемого устройства являются значительно шире.
Следовательно, техническое решение, используемое в заявляемом устройстве, отвечает требованиям новизны.
Поиск в патентной и научно-технической литературе не выявил устройств того же назначения с такой же введенной совокупностью существенных признаков, что говорит об изобретательском уровне технического решения.
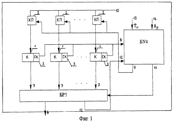
Сущность устройства поясняется чертежами, где на фиг.1, 2 и 3 приведены структурные схемы многоканального адаптивного устройства и его основных блоков БР и БУ.
На структурной схеме (фиг.1) заявляемого устройства изображены: М каналов – 1 с системой контроля СК-3 в каждом из них ключи питания КП-2, через которые осуществляется подача питания с шины питания 10 на каналы устройства – 1, блок управления – 4 и блок результатов – 5. На выходную шину 6 поступает выходная информация устройства. Шины 13 и 14 являются входными шинами устройства, через которые осуществляется управление режимами работы устройства. Шины 11 и 12 служат для обмена управляющей информацией между БУ и БР, а с помощью шины 9 осуществляется управление ключами питания КП-2 каналов-1.
Информация с выходов каналов – 1 поступает по шинам 7 в БР-5, а информация об их работоспособности поступает от СК-3 каналов – 1 в БУ-4 по шине 8.
На фиг.2 приведена структурная схема БУ-4, включающая логическое устройство (ЛУ-15), выполненное на программируемых логических матрицах, состоящих, например, из матриц И и ИЛИ, оперативное запоминающее устройство (ЗУ-16), выполненное на триггерах типа D, и логическую схему (ЛС-17) – на логических элементах И-ИЛИ-НЕ. Блок управления БУ-4 с помощью шин 8, 9, 11, 12, 13, 14 имеет внешние связи с адаптивным устройством с помощью шин 18 и 19, по которым поступают сигналы yi i и соответственно, выход ЛС-17 связан с входом ЗУ-16, а шин 21 и 9, передающих сигналы xi и , выход ЗУ-16 связан с входом ЛУ-15 и выходом БУ-4 соответственно.
На фиг.3 приведена структурная схема блока результатов БР-5, включающая мультиплексоры MX по возможному числу одновременно работающих каналов М и М-1 схем сравнения СС информации на выходе одновременно работающих каналов. В схеме БР-5 используются многоразрядные MX, особенностью которых является то, что на выходы MX коммутируются неединичные сигналы, а группы сигналов, т.е. кодовые комбинации. Кроме того, выходы MX имеют три состояния, определяемые управляющими сигналами, что значительно облегчает построение БР-5.
Схемы сравнения СС выполняют операцию сравнения двух кодов A={am-1…a1, а0), B={bm-1-b1, b0} и формируют на своих выходах признак результата сравнения FA=B или Наиболее простой является схема формирования признака равенства двух чисел. Она состоит из логического элемента ИЛИ-НЕ, на входы которого подаются результаты поразрядного сложения по mod 2 (F=A+B) входных чисел. БР-5 имеет шину 6, на которую поступает выходная информация устройства, и шину 12, на которую поступают сигналы признаков результатов сравнения. Через шину 7 на БР-5 поступает входная информация с выходов каналов – 1 устройства.
Устройство, в которое поступает информация от внешних источников, связанных с условиями функционирования устройства и определяющих количество включенных каналов, а также информация от систем контроля каналов о состоянии работоспособности каждого канала и информация от блока результатов, в котором происходит сравнение выходной информации от нескольких одновременно работающих каналов, по п.1 работает следующим образом.
В исходном состоянии на шину питания 10 поданы все питающие напряжения, а по цепям подачи внешних сигналов 13 и 14, подключенных к входам БУ-4, поступают коды, соответствующие какому-либо уровню надежности Ар и определяющие количество включенных каналов – 1 (вход 14), а также коды, соответствующие заданной очередности (последовательности) работы каналов – 1 П (вход 13). В БУ-4, кроме этого, хранится информация о состоянии всех каналов – Сi («исправен – неисправен»).
Предположим, что в БУ-4 хранится «нулевая» информация, соответствующая состоянию исправности всех каналов-1 и тому, что на входы этого, блока поступает код 01 уровня надежности Ар, например, «первого», который определяет включение только одного из каналов-1 и код последовательности работы каналов, которому соответствует, например, «первый» порядковый номер каналов – 1.
БУ-4 производит анализ внешних сигналов и сигналов внутреннего состояния устройства. На основании этого анализа в нем вырабатываются управляющие сигналы, обеспечивающие включение выбранных каналов – 1. Эти управляющие сигналы поступают по выходной шине 9 БУ-4 на управляющие входы соответствующих ключей питания КП-2, через которые подаются все питающие напряжения на соответствующие каналы – 1, и открывают необходимые ключи питания, обеспечивая тем самым включение выбранных каналов – 1 и их работу (в предполагаемом случае включение одного канала – 1 с порядковым номером «первый»).
Одновременно с работой каналов – 1 начинают работать их системы контроля СК-3. Сигналы от СК-3 каждого канала – 1 о состоянии работоспособности этих каналов – Ci поступают на вход 8 БУ-4, где обрабатываются в соответствии с логикой работы устройства согласно ниже приведенной системе уравнении (1) для случая, когда, например, М=3:

где А1,2,3 – код режима; xi – канал i включен; сi – канал i исправен;

Информация с выходов работающих каналов – 1 поступает на информационные входы 7 блока результатов – 5, в который поступают также по входу 11 управляющие сигналы с выхода БУ-4. Эти управляющие сигналы разрешают прохождение информации, поступающей на входы 7 БР-5 от работающих каналов – 1 через мультиплексор МХ1 (фиг.3) далее на выход 6 устройства.
В этом состоянии устройство может находиться до тех пор, пока не произойдет изменение необходимого в данный момент времени уровня надежности устройства, или не возникнет отказ работающего канала – 1, или не наступит момент времени очередного переключения рабочих каналов.
При наступлении момента времени очередного периодического переключения рабочих каналов – 1 в БУ-4 в соответствии с функцией переключения:

где П – сигнал переключения каналов; 
по цепи подачи внешних сигналов 13, подключенной ко входу БУ-4, поступит код, соответствующий отключению рабочего канала, например, «первого», и включению очередного, например «второго», исправного канала – 1. При этом в ЗУ-16 БУ-4 (фиг.2) произойдет изменение состояния триггеров под воздействием кода, поступающего по цепи 13 на входы триггеров ЗУ-16 через логическую схему ЛС-17, что приведет к изменению выходных сигналов на шине 9 БУ-4. Эти изменения вызовут срабатывание соответствующих ключей питания КП-2 рабочего – «первого» канала – 1 и очередного, например «второго», исправного канала – 1, причем первый из них прекратит подачу питающих напряжений на «первый» рабочий канал – 1, а второй ключ питания КП-2, напротив, обеспечит подачу питания на очередной исправный канал – 1, например «второй». Информация с выхода «второго» канала – 1 поступает на информационные входы 7 БР-5, в который поступает также по управляющему входу 11 на мультиплексор МХ1 управляющий сигнал с выхода БУ-4. Этот управляющий сигнал переключает второй вход мультиплексора МХ1, соответствующий «второму» рабочему каналу – 1, на его выход и тем самым на выход 6 устройства.
В этом состоянии устройство может находиться до тех пор, пока не произойдет вновь изменение или требуемого уровня надежности устройства или отказ работающего канала, или не наступит момент времени очередного переключения работающего канала.
При наступлении момента времени очередного переключения рабочих каналов – 1 устройство будет работать аналогично предыдущему. На вход 13 БУ-4 поступит код, соответствующий, например, «третьему» порядковому номеру канала – 1, и БУ-4 выработает управляющий сигнал, который по шине 9 включит КП-2, подающий питающие напряжения на канал – 1 с номером «три» и отключит КП-2, который снимет питающие напряжения на предыдущий канал – 1 с номером «два». Дальнейшая процедура полностью повторяется, как было описано выше.
При отказе работающего канала-1 в блок управления БУ-4 по шине 8 поступит сигнал от СК-3 об отказе этого канала. Указанный сигнал вызовет срабатывание элементов логического устройства ЛУ-15 (фиг.2) таким образом, что информация на шине 11 первого выхода ЛУ-15 изменится в соответствии с функцией поддерживания:

и на первый вход оперативного запоминающего устройства ЗУ-16 поступит код yi, который изменит состояние триггеров ЗУ-16 блока управления. Изменение состояния памяти ЗУ-16 вызовет появление нового соответствующего кода xi на выходной шине 9 БУ-4. Этот код поступит на ключи питания КП-2 и обеспечит отключение питания неисправного канала – 1 и включение питания очередного, исправного канала – 1. Кроме этого, управляющий сигнал у’i с шины 11 второго выхода ЛУ-15 поступит на вход ЛС-17 и на выход БУ-4, обеспечивая тем самым условия, при которых в блоке результатов БР-5 происходит коммутация информационных входов мультиплексора МХ1 на очередной исправный канал – 1 (фиг.3). Кроме, этого, информация с выхода ЛС-17 по шине 18 поступит в ЗУ-16 .
Поэтому после включения исправного очередного канала – 1 информация с его выхода поступит по шине 7 на вход БР-5 и далее на выход 6 устройства.
Таким образом, обеспечивается с помощью предлагаемого устройства автоматическое переключение с неисправного канала-1 по сигналу Сi от системы контроля СК-3 данного канала на исправный резервный канал – 1.
В этом состоянии устройство может находиться до тех пор, пока не произойдет изменение требуемого уровня надежности устройства (Ар) или не наступит момент времени очередного переключения рабочих каналов ( П), или не произойдет отказ работающего канала (Сi).
При возникновении нового отказа очередного работающего канала – 1 устройство будет работать аналогично вышеописанному.
При повышении (понижении) уровня надежности функционирования заявляемого устройства по цепи подачи внешних сигналов 14, подключенной ко второму входу БУ-4, поступит код, соответствующий требуемой надежности. Этот код вызовет выборку из матрицы ПЛМ БУ-4 кодовой комбинации, реализующей логические функции, описанные системой уравнений (1) в соответствии с изменением значения аргумента Ар. При этом на первом выходе ЛУ-15 (фиг.2) информация изменится таким образом, что по шине 20 на первый вход ЗУ-16 БУ-4 поступит код (yi), который изменит состояние элементов памяти этого узла, что приведет к появлению нового кода хi на шине 9 БУ-4 (фиг.2). Новый код по шине 9 поступит на ключи питания КП-2 и обеспечит включение (отключение) дополнительного числа каналов – 1, соответствующего установленному уровню надежности Ар устройства. Кроме этого, управляющий сигнал по шине 11 со второго выхода ЛУ-15 (фиг.2) поступит на выход 11 БУ-4 и обеспечит условия работы мультиплексоров MXi и схем сравнения CCi информации каналов – 1 блока результатов БР-5 (фиг.3).
В случае, если информация, поступающая от работающих каналов-1 по шинам 7 на информационные входы мультиплексоров MXi и далее на входы схем сравнения ССi совпадает, то на шине 12 БР-5 (фиг.3) вырабатывается сигнал равенства FA=B, который поступает далее в БУ-4, и информация от работающих каналов – 1 поступит на выход 6 устройства.
В случае несовпадения информации от работающих каналов – 1 в схемах сравнения CCi БР-5 на шине 12 указанного блока вырабатывается сигнал неравенства FA B, который вызовет определенную реакцию в блоке управления – 4.
При этом в БУ-4 (фиг.2) произойдет изменение состояния элементов памяти – ЗУ-16, е результате которого на шину 9 БУ-4 поступит код, обеспечивающий подачу напряжений питания через ключи питания КП-2 (фиг.1) на другой очередной канал – 1, т.е. произойдет замена того канала, от СК-3 которого получен сигнал об отказе.
Если сигналы от СК-3 сравниваемых каналов при этом отсутствуют, то заменяются оба работающих канала.
ИСТОЧНИКИ ИНФОРМАЦИИ
1. Комаров В.А. Изобретение: «Устройство для мажоритарного выбора сигнала». А.С. №335688 от 11.04.72.
2. Редченко В.И. н др. Изобретение: «Трехканальное резервированное устройство». А.С. №463972 от 15.03.75.
3. Григорьев М.А., Опалев В.Н. Изобретение: «Многоканальное устройство для резервирования замещением». А.С. №546887 от 15.02.77. Б.И. №6, 1977.
4. Дроздов Е.А. Основы построения и развития специализированных вычислительных систем. – М.: МО СССР, 1985.
5. Пахунов В.Н., Белкин О.С. Изобретение: «Резервируемое устройство». А.С. №392500 от 27.07.73. Б.И. №32, 1973.
Формула изобретения
Многоканальное адаптивное устройство резервирования, содержащее М идентичных каналов с системой контроля (СК) в каждом из них, ключи питания (КП), через которые каналы подключены к шинам питания, блок управления (БУ) и блок результатов (БР), первые входы которого подключены с помощью шин к выходам каналов, отличающееся тем, что БУ содержит логическую схему (ЛС), запоминающий узел (ЗУ), логический узел (ЛУ), при этом внешние и внутренние связи БУ выполнены с помощью шин, БР содержит М-1 идентично подключенных схем сравнения (СС) и М мультиплексоров (МХ), при этом выход первого МХ подключен к входу первой СС, выход последующего МХ подключен ко второму входу первой СС и к входу последующей СС, на первый вход ЛС поступает код, соответствующий заданной очередности работы каналов, на входы ЗУ с выходов ЛС и с одного из выходов ЛУ поступает код изменения состояния памяти, с выхода ЗУ на вход ЛУ и управляющие входы соответствующих ключей питания поступают сигналы, обеспечивающие включение выбранных каналов, второй выход ЗУ связан со вторым входом ЛУ, на ЛУ также поступают сигналы с выходов систем контроля каждого из каналов, код, соответствующий требуемому уровню надежности функционирования, сигналы о результатах сравнения информации на выходе работающих каналов с выходов СС блока результатов, управляющий сигнал с другого выхода ЛУ поступает на второй вход ЛС и на мультиплексоры (МХ) блока результатов, обеспечивая коммутацию информации от исправных каналов через МХ на выход многоканального адаптивного устройства.
РИСУНКИ
MM4A – Досрочное прекращение действия патента СССР или патента Российской Федерации на изобретение из-за неуплаты в установленный срок пошлины за поддержание патента в силе
Дата прекращения действия патента: 13.07.2008
Извещение опубликовано: 20.07.2010 БИ: 20/2010
|
|