|
(21), (22) Заявка: 2003101954/28, 24.01.2003
(24) Дата начала отсчета срока действия патента:
24.01.2003
(45) Опубликовано: 20.02.2006
(56) Список документов, цитированных в отчете о поиске:
SU 1023250 А, 15.06.1983. SU 1318932 A1, 23.06.1987. GB 2259992 A, 31.03.1993. JP 2001-153902 A, 08.06.2001.
Адрес для переписки:
427960, Удмурдская Республика, г. Сарапул, ул. Труда, 8, Сарапульский политехнический институт (филиал) Ижевского государственного технического университета
|
(72) Автор(ы):
Подкин Юрий Германович (RU)
(73) Патентообладатель(и):
Ижевский государственный технический университет (RU)
|
(54) ИЗМЕРИТЕЛЬ СОСТАВЛЯЮЩИХ CG-ДВУХПОЛЮСНИКОВ
(57) Реферат:
Использование: в измерительной техники для измерения емкостей и проводимостей параллельных CG-двухполюсников. Технический результат изобретения: расширение диапазона рабочих частот и измеряемых величин. Сущность: измеритель содержит генератор гармонического напряжения, соединенный с сигнальным входом аттенюатора, первый и второй фазовращатели, первый и второй амплитудные детекторы и индикатор напряжения. Дополнительно в измеритель введены ключ, фазовый детектор, генератор уставки, индикатор фазы. Выход аттенюатора соединен с входом первого амплитудного детектора и первым входом фазового детектора непосредственно, а с входом второго амплитудного детектора, измеряемым двухполюсником и вторым входом фазового детектора – через ключ и первый или второй фазовращатель. Выход первого амплитудного детектора соединен с индикатором напряжения, выход фазового детектора подключен к индикатору фазы, а выход второго амплитудного детектора соединен с управляющим входом аттенюатора через устройство управления, опорный вход которого соединен с выходом генератора уставки. 1 ил. 
Изобретение относится к измерительной технике, предназначено для измерения емкостей и проводимостей параллельных CG-двухполюсников в широком диапазоне частот и измеряемых величин и может использоваться для создания диэлькометрических спектроанализаторов.
Известно устройство для преобразования параметров комплексной проводимости [1], содержащее источник переменного тока, подключенный через блок преобразования комплексной проводимости в сигнал переменного тока и сумматор к первому выходному зажиму устройства, который через фазочувствительный индикатор и блок с регулируемым коэффициентом передачи соединен с сумматором. С целью повышения точности преобразования, устойчивости и расширения частотного диапазона частот в него введены фазовращатели и блок с коэффициентом передачи, пропорциональным частоте. Такой преобразователь не обеспечивает раздельное измерение составляющих проводимости CG-двухполюсников.
Известно устройство для измерения составляющих CG-двухполюсников, содержащее источник питания, измеряемый двухполюсник, два фазовращателя, аттенюатор, два сумматора, два амплитудных детектора и индикатор [2].
Из-за трудности реализации образцового фазовращателя со сдвигом фазы на 180° такое устройство имеет ограниченный частотный диапазон, а также существует необходимость выделения измеряемой составляющей проводимости на фоне неинформативной, ограниченной диапазоном измеряемых величин.
Цель изобретения – расширение диапазонов рабочих частот и измеряемых величин.
Поставленная цель достигается тем, что в измеритель составляющих CG-двухполюсников, содержащий генератор гармонического напряжения, соединенный с сигнальным входом аттенюатора, первый и второй фазовращатели, первый и второй амплитудные детекторы, индикатор напряжения, дополнительно введены ключ, фазовый детектор, генератор уставки, индикатор фазы, причем выход аттенюатора соединен с входом первого амплитудного детектора и первым входом фазового детектора непосредственно, а с входом второго амплитудного детектора, измеряемым двухполюсником и вторым входом фазового детектора – через ключ и первый или второй фазовращатель, выход первого амплитудного детектора соединен с индикатором напряжения, выход фазового детектора подключен к индикатору фазы, а выход второго амплитудного детектора соединен с управляющим входом аттенюатора через устройство управления, опорный вход которого соединен с выходом генератора уставки.
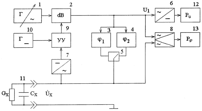
На чертеже приведена функциональная схема измерения.
Измеритель содержит источник гармонического напряжения 1 с изменяемой частотой, аттенюатор 2 с регулируемым коэффициентом передачи, первый и второй фазовращатели 3 и 4, ключ 5, первый и второй амплитудные детекторы 6 и 7, фазовый детектор 8, устройство управления 9, генератор уставки 10, измеряемый двухполюсник 11, индикаторы напряжения 12 и фазы 13.
Измеритель составляющих проводимости работает следующим образом. На генераторе устанавливают частоту f, ключом 5 сигнал генератора вводят на измеряемый двухполюсник 11 через первый фазовращатель 3, обеспечивающий фазовый сдвиг тока на угол /2. В качестве такого фазовращателя можно использовать конденсатор постоянной емкости С с малыми потерями. Если с выхода аттенюатора 2 на фазовращатель вводится комплексное напряжение то комплексное напряжение на измеряемом двухполюснике 11 будет равно

здесь 
=2 f.
С выхода второго детектора 7 на вход устройства управления 9 поступает модуль этого напряжения

Устройство управления 9 сравнивает Ux с напряжением уставки U0 и изменяет коэффициент передачи аттенюатора 2 так, чтобы обеспечивалось равенство U0=Ux. При этом на выходе аттенюатора устанавливается напряжение

прямо пропорциональное модулю полной проводимости измеряемого двухполюсника 11. Это напряжение отображает индикатор напряжения 12.
Фазовый сдвиг напряжения относительно составляет

Этот фазовый сдвиг фазовым детектором 8 преобразуется в сигнал 1, отображаемый индикатором фазы 13.
Замена первого фазовращателя на второй фазовращатель производится ключом 5. Второй фазовращатель обеспечивает нулевой фазовый сдвиг. В качестве такого фазовращателя можно использовать образцовую активную проводимость G. При подключении второго фазовращателя комплексное напряжение на измеряемом двухполюснике составит

Устройство управления сравнивает его модуль

с напряжением уставки U0 и изменяет U2 до величины

Это напряжение детектируется первым амплитудным детектором и отражается индикатором напряжения 12.
Фазовый сдвиг напряжения относительно 

Фазовый детектор 8 преобразует этот фазовый сдвиг в сигнал 2, отображаемый индикатором фазы 13. При этом изменением полярности включения отрицательный знак нейтрализуется.
Результаты измерений рассчитываются по формулам:


где K1=U1/U0, a K2=U2/U0.
Таким образом, результаты измерений не зависят от частоты, что позволяет использовать предлагаемое устройство в более широких диапазонах частот и измеряемых величин, чем известные.
При малых углах 1 и 2 расчетные соотношения дополнительно упрощаются.
Это позволяет определять составляющие CG-двухполюсников как линейные взаимно независимые функции выходных напряжений U1 и U2.


Исследования метрологических характеристик предлагаемого устройства подтвердили указанные достоинства. Кроме того, установлено, что предлагаемое устройство легко сопрягается с компьютером, обладает высоким быстродействием и имеет хорошо воспроизводящиеся характеристики.
ИСТОЧНИКИ ИНФОРМАЦИИ
1. А.с. СССР № 572723. Ю.Р.Агамалов и В.И.Курчавов. Устройство преобразования параметров комплексной проводимости. Б.И. № 34, 1977 г.
2. А.с. СССР № 1023250. В.И.Коряков, Ю.Г.Подкин. Устройство для измерения составляющих CG-двухполюсников. Бюл. № 22,1983 г.
Формула изобретения
Измеритель составляющих CG-двухполюсников, содержащий генератор гармонического напряжения, соединенный с сигнальным входом аттенюатора, первый и второй фазовращатели, первый и второй амплитудные детекторы, индикатор напряжения, отличающийся тем, что в него дополнительно введены ключ, фазовый детектор, генератор уставки, индикатор фазы, причем выход аттенюатора соединен с входом первого амплитудного детектора и первым входом фазового детектора непосредственно, а с входом второго амплитудного детектора, измеряемым двухполюсником и вторым входом фазового детектора – через ключ 5 и первый или второй фазовращатель, выход первого амплитудного детектора соединен с индикатором напряжения, выход фазового детектора подключен к индикатору фазы, а выход второго амплитудного детектора соединен с управляющим входом аттенюатора через устройство управления, опорный вход которого соединен с выходом генератора уставки.
РИСУНКИ
MM4A – Досрочное прекращение действия патента СССР или патента Российской Федерации на изобретение из-за неуплаты в установленный срок пошлины за поддержание патента в силе
Извещение опубликовано: 20.07.2007 БИ: 20/2007
|