|
| На основании пункта 3 статьи 13 Патентного закона Российской Федерации от 23 сентября 1992 г. № 3517-I патентообладатель обязуется передать исключительное право на изобретение (уступить патент) на условиях, соответствующих установившейся практике, лицу, первому изъявившему такое желание и уведомившему об этом патентообладателя и федеральный орган исполнительной власти по интеллектуальной собственности, – гражданину РФ или российскому юридическому лицу. |
|
(21), (22) Заявка: 2004126051/28, 27.08.2004
(24) Дата начала отсчета срока действия патента:
27.08.2004
(43) Дата публикации заявки: 27.03.2005
(45) Опубликовано: 20.02.2006
(56) Список документов, цитированных в отчете о поиске:
Радиовещание и электроакустика. Под ред. Ю.А.Ковалгина. – М.: Радио и связь, 2000, с.775, рис.20.8. SU 1041952 А, 15.09.1983. US 5420516 А, 30.05.1995. RU 2229157 C2, 20.05.2004.
Адрес для переписки:
143909, Московская обл., г.Балашиха, Щелковское шоссе, 119, Г.Р. Аванесяну
|
(72) Автор(ы):
Аванесян Гарри Романович (RU)
(73) Патентообладатель(и):
Аванесян Гарри Романович (RU)
|
(54) СХЕМА ДЛЯ ИЗМЕРЕНИЯ РАЗНОСТИ ГРУППОВОГО ВРЕМЕНИ ЗАПАЗДЫВАНИЯ (ВАРИАНТЫ)
(57) Реферат:
Схема предназначена для оценки временного рассогласования, возникающего в двухканальных трактах прохождения сигналов, например в стереоусилителях. Схема содержит два двухканальных мультиплексора, выходы которых подключены к входам измерителя временных сдвигов. Выход измерителя временных сдвигов подключен к входу блока вычисления оценки разности группового времени запаздывания. Входы одного из мультиплексоров подключаются к входам исследуемого усилителя, а входы другого мультиплексора – к выходам усилителя. Разность группового времени запаздывания сигналов, поступающих с выходов тестируемого усилителя, измеряется путем поочередного измерения запаздывания, возникающего в каждом из каналов усилителя. В схеме по второму варианту входы измерителя временных сдвигов подключены к выходам мультиплексоров через два идентичных фильтра. Измеритель временных сдвигов может быть корреляционным измерителем временных сдвигов. Схема позволяет производить измерения, используя в качестве тестовых сигналов любые случайные сигналы, спектры которых лежат в интересуемой полосе частот независимо для каждого канала. 2 н. и 2 з.п. ф-лы, 3 ил. 
Изобретение относится к области радиоизмерений и может быть использовано для измерения относительного временного сдвига реальных случайных сигналов на выходах двух каналов стереоусилителя.
В настоящее время временное рассогласование каналов стереоусилителя, вызванное неидентичностью динамических характеристик каналов, оценивают путем измерения разности фаз сигналов на выходах двух каналов, при этом измерения проводят на гармоническом сигнале, который подают одновременно на оба входа стереоусилителя [Радиовещание и электроакустика /С.И.Алябьев, А.В.Выходец, Р.Гермер и др. Под ред. Ю.А.Ковалгина – М.: Радио и связь, 2000, стр. 775]. Существенным недостатком такого способа является необходимость перевода исследуемого усилителя в специальный измерительный режим, а следовательно, прерывание выполнения усилителем своих рабочих функций. Попытка измерить временное рассогласование на рабочем сигнале, например, путем взаимокорреляционного анализа выходных случайных сигналов стереоусилителя классическими способами также не удается, так как оценка временного сдвига корреляционным путем требует априорного знания знака временного сдвига. Особенностью же стоящей задачи является именно априорная неопределенность знака относительной задержки сигналов. В данном случае работоспособными оказываются фазометры, для которых направление сдвига фаз роли не играет, но которые, в свою очередь, требуют подачи на оба входа стереоусилителя одного тестового сигнала – гармонического напряжения и, следовательно, отключения усилителя от рабочего тракта.
Схема измерений (прототип), реализующая вышеописанный способ, содержит задающий генератор и фазометр, первый и второй информационные входы которого подключены соответственно к выходам первого и второго каналов исследуемого усилителя, входы которого объединены и подключены к выходу задающего генератора [Радиовещание и электроакустика /С.И.Алябьев, А.В.Выходец, Р.Гермер и др. Под ред. Ю.А.Ковалгина – М.: Радио и связь, 2000, стр. 775, рис.20.8].
Недостатки схемы предопределены особенностями способа и проявляются в виде ограниченных функциональных возможностей.
Технический результат, достигаемый при использовании настоящего изобретения, заключается в расширении функциональных возможностей схемы за счет измерения разности группового времени запаздывания на рабочем сигнале исследуемого усилителя без его перевода в специальный измерительный режим.
Технический результат достигается тем, что схема для измерения разности группового времени запаздывания (вариант 1) согласно изобретению содержит два двухканальных мультиплексора, измеритель временных сдвигов случайных сигналов и блок вычисления оценки разности группового времени запаздывания, выход которого является выходом схемы, выходы первого и второго мультиплексоров подключены соответственно к двум входам измерителя временных сдвигов, выход которого соединен со входом блока вычисления оценки, первый и второй канальные входы первого мультиплексора служат соответственно первым и вторым информационными входами схемы, первый и второй канальные входы второго мультиплексора служат соответственно третьим и четвертым информационными входами схемы.
Технический результат достигается тем, что схема для измерения разности группового времени запаздывания (вариант 2) согласно изобретению содержит два двухканальных мультиплексора, два фильтра, измеритель временных сдвигов случайных сигналов и блок вычисления оценки разности группового времени запаздывания, выход которого является выходом схемы, выходы первого и второго мультиплексоров подключены ко входам соответственно первого и второго фильтров, выходы которых подключены соответственно к двум входам измерителя временных сдвигов, выход которого соединен со входом блока вычисления оценки, первый и второй канальные входы первого мультиплексора служат соответственно первым и вторым информационными входами схемы, первый и второй канальные входы второго мультиплексора служат соответственно третьим и четвертым информационными входами схемы.
Кроме того, измеритель временных сдвигов случайных сигналов может быть выполнен в виде корреляционного измерителя временных сдвигов.
Сущность изобретений поясняется функциональными схемами.
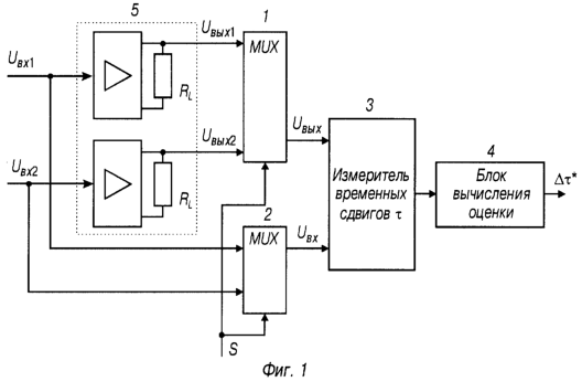
На фиг.1 приведена функциональная схема для измерения разности группового времени запаздывания по первому варианту, на фиг.2 – функциональная схема для измерения по второму варианту, на фиг.3 – функциональная схема блока вычисления оценки разности группового времени запаздывания.
Функциональная схема первого варианта (фиг.1) содержит мультиплексоры 1, 2, измеритель 3 временных сдвигов , блок 4 вычисления оценки  * разности группового времени запаздывания, а также исследуемый двухканальный усилитель 5 с подключенными нагрузками сопротивлением RL. Выход первого канала усилителя 5 соединен с первым входом мультиплексора 1, второй вход которого соединен с выходом второго канала усилителя 5, первый вход мультиплексора 2 объединен со входом первого канала усилителя 5, а второй вход – со входом второго канала, адресные входы мультиплексоров 1, 2 объединены и составляют управляющий вход S (Select) схемы, выходы мультиплексоров 1, 2 подключены ко входам измерителя 3, выход которого соединен со входом блока 4, выход которого служит выходом схемы.
Функциональная схема второго варианта (фиг.2) содержит мультиплексоры 6, 7, фильтры 8, 9, измеритель 10 временных сдвигов , блок 11 вычисления оценки  * разности группового времени запаздывания, а также исследуемый двухканальный усилитель 12 с подключенными нагрузками сопротивлением RL. Выход первого канала усилителя 12 соединен с первым входом мультиплексора 6, второй вход которого соединен с выходом второго канала усилителя 12, первый вход мультиплексора 7 объединен со входом первого канала усилителя 12, а второй вход – со входом второго канала, адресные входы мультиплексоров 6, 7 объединены и составляют управляющий вход S (Select) схемы, выходы мультиплексоров 6, 7 подключены через фильтры 8, 9 ко входам измерителя 10, выход которого соединен со входом блока 11, выход которого служит выходом схемы.
Функциональная схема блока 4 (11) вычисления оценки  * разности группового времени запаздывания (фиг.3) содержит блок 13 вычитания и регистр 14, выход которого является выходом блока 4 (11), входом которого служит вход уменьшаемого блока 13, вход вычитаемого которого соединен с выходом регистра 14, вход которого соединен с выходом блока 13.
Для измерения разности группового времени запаздывания  между каналами, например, стереоусилителя в схемах по фиг.1 и 2 реализован принцип поочередной оценки вносимых задержек в каждом из каналов 1 и 2. Здесь 1 – время запаздывания сигнала в левом (первом) канале, а 2 – в правом (втором) канале. При таком подходе измерения можно проводить на любых случайных сигналах, спектр которых лежит в полосе частот интересующей исследователя, и, кроме того, сигналы, подаваемые на входы двух каналов, могут быть различными, что и соответствует нормальному режиму функционирования стереоусилителя. Учитывая, что сигнал на выходе усилителя не может не запаздывать по отношению к сигналу на входе, то, следовательно, задача выяснения знака временного сдвига 1 или 2 также не стоит, поскольку знак известен заранее как исходное условие. Значит, для измерения временных сдвигов можно применять известные устройства оценки временного рассогласования случайных сигналов, в которых один из сигналов априори принимается за опорный, опережающий. Таким образом, схемы, представленные на фиг.1 и 2, позволяют работать с реальными случайными сигналами вместо специальных измерительных и измерять величину  = 2– 1 при помощи классических средств временного анализа.
Процесс получения оценки  * на функционально-аппаратном уровне (фиг.1) достаточно прост и состоит из двух этапов. При S=0 мультиплексоры 1, 2 коммутируют на входы измерителя 3 сигналы левого канала – входной Uвх1(t) и выходной Uвых1(t). Предполагается, что Uвх1(t)=Uвых1(t+ 1). Измеренная в блоке 3 величина 1 посылается в блок 4, где она хранится до окончания цикла измерений. Далее, на втором этапе на управляющий вход S подают логическую единицу и мультиплексоры 1, 2 переключают на входы измерителя 3 сигналы правого канала – входной Uвх2(t) и выходной Uвых2(t), причем предполагается, что Uвх2(t)=Uвых2(t+ 2). Измеренное на втором этапе значение 2, также как и на первом этапе, пересылается в блок 4, в котором вычисляется разность 2– 1, являющаяся искомой оценкой  *.
Влияние реактивностей в реальных устройствах приводит к запаздыванию различных частотных составляющих, то есть появляется искажающая выходной сигнал зависимость временного сдвига от частоты . Исходя из факта существующей зависимости ( ) целесообразно измерять  не только во всей полосе частот, получая некоторую интегральную оценку  *, но и на отдельных участках спектра. Для этого схему по фиг.1 дополняют частотно-избирательными цепями. Такой вариант показан на фиг.2 и отличается от вышерассмотренного первого лишь наличием двух идентичных фильтров 8 и 9, которые могут быть как полосовыми, так и фильтрами нижних или верхних частот. Форма частотной характеристики фильтра зависит от конкретных решаемых задач.
В качестве измерителя 3 (10) временных сдвигов может быть использован корреляционный измеритель, разрешение по задержке и диапазон измеряемых значений которого отвечает требованиям поставленных задач. Примером является устройство, описанное в [Пат. РФ №2229157. Опубл. в Бюл. №14, 2004].
Одним из вариантов реализации блока 4 (11) вычисления оценки  * может быть схема накапливающего вычитателя (по аналогии с накапливающим сумматором), работающего в цикле измерений всего два такта. В первом такте по фронту импульса CLK, по окончании первого этапа измерений, в регистр 14 заносится код величины 1, поступающий с выхода блока 13 (в исходном состоянии регистр 14 обнулен). Во втором такте, после второго этапа измерений, когда подготовлен код величины 2, происходит вычитание записанного в регистр 14 кода 1 из кода 2. Результат  * по фронту второго тактового импульса записывается в регистр 14.
Формула изобретения
1. Схема для измерения разности группового времени запаздывания, отличающаяся тем, что содержит два двухканальных мультиплексора, измеритель временных сдвигов случайных сигналов и блок вычисления оценки разности группового времени запаздывания, выход которого является выходом схемы, выходы первого и второго мультиплексоров подключены соответственно к двум входам измерителя временных сдвигов, выход которого соединен со входом блока вычисления оценки, первый и второй канальные входы первого мультиплексора служат соответственно первым и вторым информационными входами схемы, первый и второй канальные входы второго мультиплексора служат соответственно третьим и четвертым информационными входами схемы.
2. Схема по п.1, отличающаяся тем, что измеритель временных сдвигов выполнен в виде корреляционного измерителя временных сдвигов.
3. Схема для измерения разности группового времени запаздывания, отличающаяся тем, что содержит два двухканальных мультиплексора, два фильтра, измеритель временных сдвигов случайных сигналов и блок вычисления оценки разности группового времени запаздывания, выход которого является выходом схемы, выходы первого и второго мультиплексоров подключены ко входам соответственно первого и второго фильтров, выходы которых подключены соответственно к двум входам измерителя временных сдвигов, выход которого соединен со входом блока вычисления оценки, первый и второй канальные входы первого мультиплексора служат соответственно первым и вторым информационными входами схемы, первый и второй канальные входы второго мультиплексора служат соответственно третьим и четвертым информационными входами схемы.
4. Схема по п.3, отличающаяся тем, что измеритель временных сдвигов выполнен в виде корреляционного измерителя временных сдвигов.
РИСУНКИ
|
|