|
|
(21), (22) Заявка: 2004102306/28, 26.01.2004
(24) Дата начала отсчета срока действия патента:
26.01.2004
(43) Дата публикации заявки: 10.07.2005
(45) Опубликовано: 20.02.2006
(56) Список документов, цитированных в отчете о поиске:
RU 35441 U1, 10.01.2004. SU 291146 A1, 01.01.1971. JP 55046128 A, 31.03.1980. JP 62077803 А, 10.04.1987. DE 4211144 A1, 07.10.1993. DE 19634692 А1, 06.03.1997.
Адрес для переписки:
305040, г.Курск, ул. 50 лет Октября, 94, КГТУ, ОИС
|
(72) Автор(ы):
Захаров Иван Сафонович (RU), Яцун Сергей Федорович (RU), Сысоева Светлана Станиславовна (RU)
(73) Патентообладатель(и):
Государственное образовательное учреждение Курский государственный технический университет ГОУ КурскГТУ (RU)
|
(54) БЕСКОНТАКТНЫЙ ДАТЧИК СКОРОСТИ АВТОМОБИЛЯ
(57) Реферат:
Изобретение относится к автомобильному электронному приборостроению и может быть непосредственно использовано для измерения линейной скорости автомобиля. Бесконтактный датчик скорости автомобиля (ДСА), измеряющий угловую скорость ферромагнитного зубчатого ротора с увеличенным воздушным зазором и расширенным диапазоном измеряемых частот (до нуля вниз), содержит магниточувствительный элемент на основе ультратонкой и высокочувствительной дифференциальной интегральной схемы (ИС), гигантского магниторезистора с обратно смещающим постоянным магнитом уменьшенной остаточной намагниченности и малой геометрии, в котором постоянный магнит размещается на расстоянии L=0-2,5 мм от поверхности установки ИС гигантского магниторезистора, что позволяет оптимизировать функциональные характеристики ДСА, способствует получению минимальных геометрических размеров устройства при его общей простоте и увеличенной чувствительности. 3 з.п. ф-лы, 3 ил. 
Предлагаемое изобретение датчика скорости автомобиля (ДСА) относится к автомобильному электронному приборостроению и может быть непосредственно использовано как для измерения линейной скорости автомобиля, так и для измерения угловой скорости (частоты вращения) большого числа ферромагнитных зубчатых роторов, линейных и угловых перемещений (положений) других зубчатых механизмов и вращающихся валов в автомобильной, легкой и тяжелой промышленности.
Известен бесконтактный датчик скорости автомобиля, предназначенный для измерения угловой скорости зубчатого ротора, применяющий магнитопровод в составе магниточувствительного элемента на основе дифференциальной интегральной схемы (ИС) Холла для получения скважности, близкой к двум. (RU 35441 U1 от 10.01.2004, МПК G 01 Р3/488).
Недостатком данного устройства является необходимость компромисса между помехоустойчивостью и точностью выходного сигнала (скважностью) и величиной максимального рабочего воздушного зазора, связанная с использованием эффекта Холла, и, в частности, с применением магнитопровода и дифференциальной ИС.
Известен бесконтактный датчик скорости автомобиля, предназначенный для измерения угловой скорости зубчатого ротора, применяющий технику разнесения дифференциальной ИС Холла и постоянного магнита обратного смещения по разные стороны печатной платы ДСА для получения скважности, близкой к двум, без компромисса с получением величины максимального воздушного зазора.
Недостатками данного устройства являются признаки, связанные с применением эффекта Холла, – ограниченный диапазон рабочего воздушного зазора, принципиальные ограничения при измерении малых угловых скоростей, практически близких к нулевой, малая чувствительность эффекта Холла к магнитному полю с образованием слабого первичного сигнала, означающая малую помехоустойчивость устройства в условиях динамического воздействия вибраций, электромагнитных помех, повышенную статическую чувствительность к допускам позиционирования, необходимость совместного применения с дифференциальной ИС «сильных» редкоземельных магнитов с высокой остаточной намагниченностью (высоким энергетическим произведением), также другие признаки, например повышенная пьезочувствительность и чувствительность ИС Холла к перепадам температур, ограничения свойств высокотемпературной стабильности рекомендуемых для эффекта Холла магнитов из материала NdFeB, совокупность которых в конечном итоге означает необходимость учета множества ограничивающих факторов и различных компромиссов в области оптимальных решений. В частности, введение с целью оптимизации скважности выходного сигнала расстояния L в конструкции прототипа между обратной стороной ИС и смещающим магнитом, имеющим для повышения максимального воздушного зазора увеличенную остаточную намагниченность и увеличенную геометрию, означает общее увеличение геометрических размеров устройства.
Задачи изобретения – повышение чувствительности, точности и надежности бесконтактных ДСА, измеряющих угловую скорость вращения ферромагнитного зубчатого ротора, увеличение диапазона рабочего воздушного зазора, расширение измеряемого частотного диапазона, в том числе измерение скоростей практически до нуля вниз, расширение оптимизированной рабочей области со скважностью выходного сигнала, близкой к двум, дальнейшее упрощение процесса сборки и миниатюризация конструкции устройства.
Поставленные задачи решаются тем, что в бесконтактном ДСА, измеряющем угловую скорость ферромагнитного зубчатого ротора, состоящем из магниточувствительного элемента и зафиксированной в пазах корпуса ДСА печатной платы ДСА с размещенной на ней электронной схемой обработки сигнала, печатная плата располагается между дифференциальной ИС гигантского магниторезистора и магнитом обратного смещения, образующими магниточувствительный элемент, ИС гигантского магниторезистора, установленная относительно оси ее чувствительного направления перпендикулярно заданной диаметральной оси ротора и коаксиально этой же оси ротора относительно своей оси симметрии, запаивается способом поверхностного монтажа с одной стороны платы ДСА, аксиально намагниченный постоянный магнит обратного смещения из материалов типа ферритов или Алнико, центрированный относительно оси симметрии ИС, жестко устанавливается с другой стороны платы в отдельном пластмассовом корпусе или специальном пазе платы вдоль своей оси легкой намагниченности перпендикулярно плоскости, образованной вращением чувствительной оси в плане ИС, причем, с целью оптимизации скважности выходного сигнала, постоянный магнит размещается на расстоянии L=0÷2,5 мм от поверхности установки ИС гигантского магниторезистора, в зависимости от собственных геометрии, величины и однородности остаточной намагниченности и других конструктивных соображений.
В общем случае для совместимости с существующими схемами последующей обработки частотного сигнала ДСА fДСА в автомобильных системах контроля и управления электронная схема обработки сигнала ДСА, размещаемая на плате, реализует схему деления частоты fИС импульсного сигнала с выхода дифференциальной ИС гигантского магниторезистора, кратной заданному целому коэффициенту деления Кд=fИС/fДСА (число Кд 1), содержит стандартные схемы преобразования в выход с открытым коллектором двухпроводного токового интерфейса дифференциальной ИС гигантского магниторезистора, обеспечивает выход ДСА с втекающим через внешнее сопротивление током, и включает, при Кд>1, кроме дифференциальной ИС гигантского магниторезистора и схем преобразования токового выхода, ИС делителя частоты (счетчика), резистор, включенный между «плюсом» питания и стробирующим входом ИС счетчика, транзистор, обеспечивающий выход схемы ДСА с открытым коллектором, схемы защиты от перенапряжений, напряжения обратной полярности, импульсных помех по цепям питания.
В частном случае, когда требованиям совместимости соответствует коэффициент деления частоты Кд, равный единице, в схеме обработки сигнала ДСА исключаются ИС делителя частоты, резистор, обеспечивающий прохождение на вход ИС счетчика, выходной транзистор.
Дополнительно, если требованиям совместимости соответствует двухпроводной токовый интерфейс, исключается схема преобразования двухпроводного выхода ИС гигантского магниторезистора в выход с открытым коллектором.
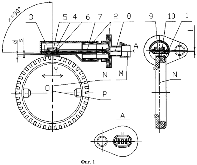
Заявляемый ДСА показан на фиг.1, 2, 3.
На фиг.1 показано основное исполнение ДСА, на фиг.2 – исполнение, содержащее некоторые конструктивные варианты, на фиг.3 – пример основного исполнения схемы электрической принципиальной ДСА.
ДСА состоит из ферромагнитного зубчатого ротора 1, корпуса бесконтактного датчика 2, магниточувствительного элемента 3 на основе дифференциальной ИС гигантского магниторезистора 4 и аксиально намагниченного постоянного магнита 5 обратного смещения, из ферритового материала (типа Ceramic 8) или материала типа Алнико (Alnico 8), печатной платы 7, контактов 8. Магнит 5, центрированный относительно оси симметрии N ИС 4, жестко установлен вдоль своей оси легкой намагниченности перпендикулярно плоскости, образованной вращением чувствительной оси Y в плане ИС 4, на расстоянии L от поверхности установки ИС 4 на плате 7 (запрессован и вклеен в пластмассовом корпусе 6, оплавленном на плате 7 со стороны ИС 4 (фиг.1), или в специальном пазе платы 7, как показано на фиг.2). Выводы ИС 4 запаяны на плате 7 способом поверхностного монтажа, контакты 8 запрессованы в корпусе 2 и запаяны на плате 7.
Конструкция и малые геометрические размеры заявляемого ДСА допускают расположение магниточувствительного элемента 3 на плате 7, симметричное относительно оси N, коаксиально любой заданной диаметральной оси ОР ротора 1, под любым углом х=0÷90° относительно оси симметрии М корпуса 2 ДСА.
Технология изготовления ДСА допускает как поэтапную сборку механических компонентов в одну или несколько механических частей корпуса 2 ДСА, как в ДСА, показанных на фиг.1, так и применение технологии обливки пластмассой электронного блока с выполненными электрическими соединениями (фиг.2).
Конструкция ДСА предполагает использование большого числа типов зубчатых роторов 1, среди которых оптимальными являются конструкции с расчетом среднего шага ротора 1 в зависимости от расстояния между чувствительными элементами в дифференциальной ИС 4 гигантского магниторезистора, преимущественно штампованного типа. На фиг.1 показан ротор 1, штамповка зубьев 9 которого выполняется поверх пластмассовой основы 10. С целью повышения рабочего воздушного зазора d зубья 9 ротора 1 увеличенной высоты могут также изготавливаться методом штампования поверх ферромагнитной основы 10, как показано на фиг.2.
ДСА функционирует следующим образом.
При вращении зубчатого ротора 1, установленного на выходном валу коробки передач автомобиля, переходы зуб – слот формируют на выходе ИС 4 последовательность импульсов напряжения. Частота выходных импульсов fИС пропорциональна: частоте вращения ротора F, количеству зубьев ротора К и линейной скорости автомобиля vавт
fИС=FK,

где F -частота вращения ротора, Гц,
F0 – коэффициент пропорциональности, или частота вращения ротора при скорости автомобиля 1 м/с, м-1;
vавт – скорость автомобиля, м/с.
Функциональность заявляемого ДСА в составе конкретного автомобиля обеспечивается выбранным соотношением числа зубьев ротора К с последующим пересчетом частотного сигнала fИС (делением на целое число Кд) в схеме обработки сигнала ДСА

где fДСА – выходной сигнал ДСА, Гц.
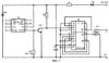
Пример реализации схемы электрической принципиальной ДСА приведен на фиг.3.
ДСА имеет трехпроводную электрическую схему подключения напряжения питания и сопротивления нагрузки: 1 – «плюс» напряжения питания, 2 – выход с втекающим током через внешнее сопротивление (открытый коллектор), 3 – «минус» питания (общий провод). Номинальное напряжение питания – 12 В постоянного тока.
Выходной импульсный сигнал тока с вывода 5 двухпроводной дифференциальной ИС гигантского магниторезистора D1 типа AKL001-12 Nonvolatile Electronics, преобразованный с помощью резистора R3=100 Ом, включенного между выходом D1 и «землей», и переключающего биполярного транзистора VT2 (или полевого n-канального типа BST82 Philips) в трехпроводную схему подключения (выход с открытым коллектором), подается на стробирующий вход MCD2 счетчика CD4013BD Fairchild в схеме деления частоты на четыре, при помощи включенного между «плюсом» питания и входом счетчика параллельного резистора R2, имеющего сопротивление порядка 1,2÷2,5 кОм (до 20 кОм). Выход ДСА с открытым стоком обеспечивает транзистор VT1 (типа BST82 Philips).
Для защиты от повышенного напряжения питания в схему включен параллельный стабилизатор – стабилитрон VD2 (типа BZX84-C15 Philips) с резистором R1 (сопротивление порядка 7÷10 кОм), для защиты от напряжений обратной полярности применяется выпрямительный диод VD1 типа BYD17D Philips. Конденсатор С1 (емкостью порядка 50ч100 нФ) предназначен для защиты схемы ДСА от импульсных помех по цепям питания.
Все элементы схемы электрической принципиальной рассчитаны на диапазон рабочих температур внутри коробки передач (-40°С÷+150°С). Напряжение выходного сигнала высокого уровня составляет 12 В, скважность Q выходного сигнала ДСА определяется значениями 2÷2,2.
В таблице приведены общие сравнительные технические данные, характеризующие функционирование магниточувствительных элементов на основе дифференциальных ИС Холла, интегрального магниторезистивного модуля (типа KMI16/1 Philips), и дифференциальных ИС гигантского магниторезистора серии AKL00x-12 Nonvolatile Electronics, включенных по упрощенной схеме (без триггера), со штампованными роторами, без применения специальных механических способов оптимизации скважности выходного сигнала.
| Таблица |
| Сравнительные технические данные |
| Рабочие параметры датчиков |
Дифференциальные ИС Холла типа TLE4921-5U Infineon, HAL320A Micronas Intermetall, А3046 Allegro Microsystems |
Градиентный интегральный магниторезистивный модуль KMI16/1 Philips |
Дифференциальная ИС гигантского магниторезистора серии AKL00x-12 Nonvolatile Electronics |
| 1 |
2 |
3 |
4 |
| Чувствительность S, мВ/В/кА/м |
0,4÷0,7 |
20 |
45÷60 |
| Максимальный рабочий воздушный зазор магниточувствительного элемента dmax, без учета толщины стенки корпуса 2 ДСА, мм |
2÷3,1 (на примере ротора 1 со средним шагом Т=7 мм и модулем m=2,25) |
3,1 (на примере ротора 1 с модулем m=2,25) |
3,5 для AKL001-12 (в паре с роторами со средним шагом Т=2,5÷6 мм), 2,5 для AKL002-12 (роторы с Т=1÷2,5 мм) |
| Гарантированный рабочий воздушный зазор dг между корпусом ДСА 2 и ротором 1, типичные значения на примере ротора 1 с модулем m=2,25, с учетом толщины s=0,8 мм стенки корпуса 2 ДСА, мм |
0,2÷2,0 |
0,1÷2,2 |
0,2÷2,5 (на примере AKL001-12) |
| Диапазон измеряемых частот следования зубьев, кГц |
0,012÷10 (HAL320A), 0,010÷20 (TLE4921-5U, А3046) |
0÷25 |
0÷10 |
| Скважность Q |
2÷3 |
2÷3 |
2÷2,5 |
| Рекомендуемые типы магнитов, из материала |
NdFeB, SmCo |
Интегральный ферритовый магнит |
Ферритовые (Ceramic 8) или Алнико (Alnico 8) |
| Рабочий температурный диапазон ДСА |
(-40÷+150°С), несколько лучшие свойства высокотемпературной стабильности (и больший рабочий зазор) обеспечиваются с магнитами из материала SmCo |
(-40÷+150°С) для всех интегральных компонентов, в области чувствительного пермаллоевого элемента(20% Fe, 80% Ni), допускаются температуры до 190°С |
(-40÷+150°С), в перспективе материал на основе слоев сплавов никеля, железа, кобальта и меди допускает температуры до +225°С; для лучших свойств высокотемпературной стабильности магниточувствительного элемента рекомендуется материал магнита Alnico (типа Alnico 8) |
| Коэффициент заполнения магниточувствительным элементом рабочей высоты корпуса ДСА, подобно показанному на фиг.1, 2 |
0,5÷1 |
1÷1,1 |
0,4÷0,5 |
| Продолжение таблицы 1 |
| 1 |
2 |
3 |
4 |
| Рекомендуемые типы роторов |
Роторы, имеющие средний шаг Т, устанавливаемый относительно оптимального шага Topt: для ТLЕ4921-5U Topt=5(4,5÷8)мм, для HAL320A Topt=4,5 мм, для А3046 Topt=3 мм |
Роторы с модулем m 1,5 мм |
Роторы, имеющие средний шаг Т: для AKL001-12, Т=2,5÷6 мм, для AKL002-12 Т=1÷2,5 мм, для AKL003-12 Т=0,6÷1,5 мм |
| Цена |
Низкая или средняя |
Высокая |
Низкая или средняя |
В соответствии с данными таблицы заявляемый ДСА имеет повышенную точность и надежность измерений, увеличенный диапазон рабочего воздушного зазора d (на 10÷30% по сравнению с ИС Холла и магниторезистивным модулем KMI16/1 Philips), расширенный рабочий частотный диапазон с возможностью измерения частот вращения (угловых скоростей), близких к нулевой, улучшенные показатели скважности выходного сигнала Q, что обеспечивается использованием магниточувствительного элемента на основе дифференциальной ИС гигантского магниторезистора, за счет собственной высокой чувствительности эффекта гигантского магнитосопротивления и высокой стабильности сильного первичного сигнала.
Заявляемый ДСА отличается тем, что имеет совокупность признаков, включающую перечисленные выше признаки (увеличенный рабочий воздушный зазор, расширенный частотный диапазон, возможность измерения скоростей, близких к нулевой), а также повышенную устойчивость к динамическим механическим воздействиям (вибрациям, ударам), внешним электромагнитным помехам, малую пьезочувствительность, улучшенные показатели простоты и миниатюрности конструкции, сокращение числа операций и количества механических компонентов, необходимых для сборки изделия: поверхностный монтаж ультратонкой ИС непосредственно на плате ДСА исключает необходимость специального фиксирующего корпуса и дополнительно способствует улучшенному тепловому рассеянию ИС, применение для реализации эффекта гигантского магнитосопротивления «слабых» магнитов означает уменьшение их геометрических размеров и значительное уменьшение расстояния L, необходимого для минимизации неоднородностей их поверхности, а также исключает применение магнитопровода.
Поскольку дифференциальные ИС гигантского магниторезистора специально оптимизированы для роторов с малыми значениями средних шагов, увеличение плотности зубьев в которых дополнительно означает повышение разрешающей способности ДСА (точности), использование магниточувствительного элемента на основе ИС гигантского магниторезистора в заявляемом ДСА способствует миниатюризации всей конструкции устройства (ДСА и ротора). Простота обеспечения заданных допусков позиционирования магниточувствительного элемента на плате, обеспечивающих наилучшие функциональные показатели ДСА, и получаемые при этом увеличенные значения максимального рабочего воздушного зазора позволяют также при необходимости увеличивать допуски рабочего зазора при инсталляции ДСА.
Формула изобретения
1. Бесконтактный датчик скорости автомобиля (ДСА), измеряющий угловую скорость ферромагнитного зубчатого ротора, состоящий из магниточувствительного элемента и зафиксированной в пазах корпуса ДСА печатной платы ДСА с размещенной на ней электронной схемой обработки сигнала, отличающийся тем, что печатная плата располагается между дифференциальной ИС гигантского магниторезистора и магнитом обратного смещения, образующими магниточувствительный элемент, ИС гигантского магниторезистора, установленная относительно оси ее чувствительного направления перпендикулярно заданной диаметральной оси ротора и коаксиально этой же оси ротора относительно своей оси симметрии, запаивается способом поверхностного монтажа с одной стороны платы ДСА, аксиально намагниченный постоянный магнит обратного смещения из материалов типа ферритов или алнико, центрированный относительно оси симметрии ИС, жестко устанавливается с другой стороны платы в отдельном пластмассовом корпусе или специальном пазе платы вдоль своей оси легкой намагниченности перпендикулярно плоскости, образованной вращением чувствительной оси в плане ИС, причем с целью оптимизации скважности выходного сигнала постоянный магнит размещается на расстоянии L=0÷2,5 мм от поверхности установки ИС гигантского магниторезистора, в зависимости от собственных геометрии, величины и однородности остаточной намагниченности и других конструктивных соображений.
2. Бесконтактный датчик скорости автомобиля (ДСА) по п.1, отличающийся тем, что электронная схема обработки сигнала ДСА, размещаемая на плате, реализует схему деления частоты fИС импульсного сигнала с выхода дифференциальной ИС гигантского магниторезистора, кратной заданному целому коэффициенту деления Кд=fИС/fДСА (число Кд 1), содержит стандартные схемы преобразования в выход с открытым коллектором двухпроводного токового интерфейса дифференциальной ИС гигантского магниторезистора, обеспечивает выход ДСА с втекающим через внешнее сопротивление током и включает, при Кд>1, кроме дифференциальной ИС гигантского магниторезистора и схем преобразования токового выхода, ИС делителя частоты (счетчика), резистор, включенный между “плюсом” питания и стробирующим входом ИС счетчика, транзистор, обеспечивающий выход схемы ДСА с открытым коллектором, схемы защиты от перенапряжений, напряжения обратной полярности, импульсных помех по цепям питания.
3. Бесконтактный датчик скорости автомобиля (ДСА) по п.2, отличающийся тем, что при Кд=1 в схеме обработки сигнала ДСА исключаются ИС делителя частоты, резистор, обеспечивающий прохождение сигнала на вход ИС счетчика, выходной транзистор.
4. Бесконтактный датчик скорости автомобиля (ДСА) по п.3, отличающийся тем, что при Кд=1, если требованиям совместимости соответствует двухпроводной токовый интерфейс, исключается схема преобразования двухпроводного выхода ИС гигантского магниторезистора в выход с открытым коллектором.
РИСУНКИ
MM4A – Досрочное прекращение действия патента СССР или патента Российской Федерации на изобретение из-за неуплаты в установленный срок пошлины за поддержание патента в силе
Дата прекращения действия патента: 27.01.2006
Извещение опубликовано: 20.08.2007 БИ: 23/2007
|
|