|
|
(21), (22) Заявка: 2004108227/28, 23.03.2004
(24) Дата начала отсчета срока действия патента:
23.03.2004
(43) Дата публикации заявки: 20.10.2005
(45) Опубликовано: 20.02.2006
(56) Список документов, цитированных в отчете о поиске:
SU 1214259 A, 28.02.1986. RU 1128639 A, 10.08.2003. JP 63243847 A, 11.10.1988. О.Д.Бычков. Контроль внутренних поверхностей. – М.: Энергия, 1975, с.75-80.
Адрес для переписки:
140003, Московская обл., г. Люберцы-3 , в/ч 75360
|
(72) Автор(ы):
Маклашевский Виктор Яковлевич (RU), Кеткович Андрей Анатольевич (RU)
(73) Патентообладатель(и):
Войсковая часть 75360 (RU), Кеткович Андрей Анатольевич (RU), Маклашевский Виктор Яковлевич (RU)
|
(54) УСТРОЙСТВО ДЛЯ КОНТРОЛЯ ВНУТРЕННИХ ПОВЕРХНОСТЕЙ ТЕЛ
(57) Реферат:
Устройство содержит цилиндрический корпус с последовательно расположенными осветительной системой, состоящей из электрической лампы и тороидальной линзы, системой наблюдения, состоящей из конического зеркала кольцевого обзора, объектива, световода, масштабной сетки и окуляра. Дополнительно введены второй объектив, расположенный перед входным торцом световода и формирующий его изображение в плоскости масштабной сетки, находящейся в фокальной плоскости окуляра, оптическая ось которого совпадает с осью второго объектива, микрообъектив, расположенный на оптической оси, параллельной оси окуляра и второго объектива. Второй объектив и микрообъектив установлены с возможностью взаимного перемещения для последовательной установки на оптическую ось окуляра, микрообъектив фокусируется на выходной торец световода и строит изображение фрагментов светового сечения в плоскости масштабной сетки, второй объектив, масштабная сетка, окуляр и микрообъектив конструктивно объединены в одном блоке, установленном на выходной части световода с возможностью перемещения в двух ортогональных направлениях. Технический результат – повышение чувствительности устройства и точности измерения размеров дефектов. 3 ил. 
Изобретение относится к неразрушающему контролю, а более конкретно к устройствам визуального и измерительного контроля внутренней поверхности сварных труб, корпусов ракет и двигателей, сосудов высокого давления и т.п. объектов.
Известно устройство для контроля внутренней поверхности тел, содержащее цилиндрический корпус и последовательно установленные внутри него вдоль его продольной оси осветительную систему с электрической лампой и тороидальной линзой, систему наблюдения, состоящую из конического зеркала кольцевого обзора, объектива, световода, масштабной сетки и окуляра [1].
Недостатком данного устройства является невозможность наблюдения увеличенных изображений дефектов, что снижает дефектоскопическую чувствительность устройства и точность измерения размеров дефектов.
Действительно, при использовании в устройстве окуляров с большим увеличением одновременно с увеличением размера изображения дефекта происходит идентичное увеличение масштабной сетки и число ее делений, приходящееся на изображение дефекта, остается постоянным, т.к. выходной торец световода и сетка находятся в одной плоскости.
Кроме того, при использовании окуляров повышенного увеличения с фокусным расстоянием, меньшим, чем у использованного в устройстве, поле зрения которого практически равно диаметру световода, изображение кольцевого светового сечения, размер которого также практически равен диаметру торца световода, может оказаться вне пределов поля зрения оптической системы устройства.
Цель изобретения – устранение этих недостатков.
Для этого в устройство, содержащее цилиндрический корпус с последовательно расположенными вдоль его продольной оси осветительной системой, состоящей из электрической лампы и тороидальной линзы, системой наблюдения, состоящей из конического зеркала кольцевого обзора, объектива, световода, масштабной сетки и окуляра, дополнительно введены второй объектив, расположенный перед выходным торцом световода на оптической оси, проведенной через центр этого торца перпендикулярно к нему и формирующей его изображение в плоскости масштабной сетки, находящейся в фокальной плоскости окуляра, оптическая ось которого совпадает с осью второго объектива, микрообъектив, расположенный на оптической оси, параллельной оси окуляра и второго объектива и удаленной от нее на расстояние A 1/2(DМ+d), где d и DM – диаметры торца световода и микрообъектива соответственно, при этом второй объектив и микрообъектив установлены с возможностью взаимного перемещения для последовательной установки на оптическую ось окуляра, микрообъектив фокусируется на выходной торец световода и строит увеличенное изображение фрагментов светового сечения в плоскости масштабной сетки, второй объектив, масштабная сетка, окуляр и микрообъектив конструктивно объединены в одном блоке, установленном на выходной части световода с возможностью перемещения в двух ортогональных направлениях относительно его выходного торца в плоскости, совпадающей с плоскостью этого торца, в пределах ±d/2 с помощью сканирующего устройства, установленного на выходной части световода.
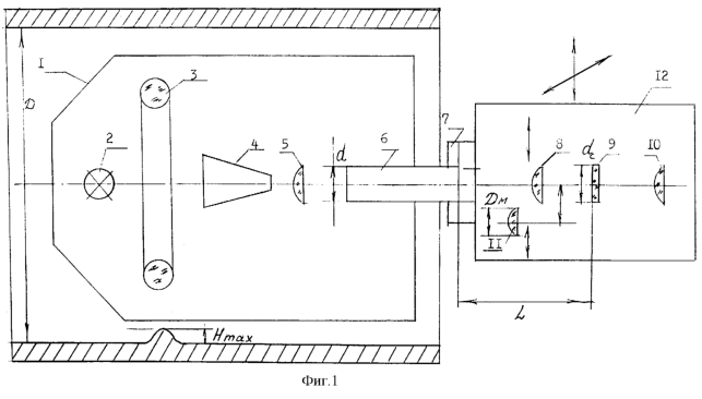
Схема устройства показана на фиг.1.
Устройство содержит полый цилиндрический корпус 1, в котором вдоль его продольной оси последовательно установлены электрическая лампа 2, тороидальная линза 3, коническое зеркало кольцевого обзора 4, объектив 5 и регулярный световод 6, двухкоординарное сканирующее устройство 7, второй объектив 8, масштабная сетка 9, окуляр 10 и микрообъектив 11. Второй объектив 8, сетка 9, окуляр 10, микрообъектив 11 и сканирующее устройство 11 конструктивно объединены в едином окулярном блоке, закрепленном на сканере, закрепленном на выходной части световода 6. Микрообъектив 11 расположен на оптической оси, параллельной оси второго объектива 6 к удаленной от нее на расстояние
где DM и d – диаметры выходного торца световода и микрообъектива соответственно, что необходимо для устранения взаимного экранирования микрообъектива и второго объектива.
Микрообъектив 11 и второй объектив 8 установлены с возможностью взаимного перемещения для последовательной установки на оптической оси, проходящей через центры масштабной сетки 9 и окуляра 10 и перпендикулярной выходному торцу световода 6. Механизм перемещения на схеме не показан в силу общеизвестности конструктивного пополнения подобных узлов [2]. Второй объектив 8 проектирует изображение с выходного торца световода в плоскость масштабной сетки 9 с масштабом М1, а микрообъектив проектирует это изображение в плоскость сетки с масштабом М2. Масштабная сетка с ценой деления установлена с возможностью вращения относительно оптической оси окуляра для обеспечения возможности измерения размера дефектов в любом радиальном направлении. С помощью сканирующего устройства 7 окулярный блок 12 перемещается в двух взаимноортогональных направлениях в плоскости, совпадающей с плоскостью выходного торца световода 6. При этом оптическая ось окуляра 10, проходящая через центр масштабной сетки 9 перпендикулярно выходному торцу световода 6, совпадает с оптической осью второго объектива 8 или микрообъектива 10 в зависимости от того, какой из этих оптических блоков используется в данный момент, и последовательно совмещается с различными участками выходного торца световода 6.
Устройство работает следующим образом.
Тороидальная линза 3 формирует на внутренней поверхности объекта изображение точечного тела накала электрической лампы 2 в виде узкого светящегося кольца.
Объектив 5 с помощью конического зеркала кольцевого обзора 4 формирует изображение этого кольца, т.е. световое сечение отображающего профиль объекта в данном сечении, на входном торце световода 6. При этом масштаб этого изображения, определяемый фокусным расстоянием объектива 5 и расстоянием от него до формируемого тороидальной линзой на внутренней поверхности светящегося кольца, выбирается из соотношения М0 d/D, где d – диаметр входного торца световода, D – диаметр объекта в заданном сечении с тем, чтобы размер светового сечения и диаметр световода были примерно равными для обеспечения масштабной информативности контроля. В результате изображение на выходном торце регулярного световода 6 идентично изображению на его входном торце.
Это изображение вторым объективом 8 или устанавливаемым вместо него микрообъективом 11 проектируется в плоскость масштабной сетки 9 с увеличениями соответственно М1 и М2 и наблюдается в окуляр 10.
Контроль производится в два этапа.
На первом этапе на оптической оси окуляра устанавливается второй объектив 8 и с помощью сканирующего устройства 7 эта оптическая ось совмещается с центром изображения светящегося кольца на выходном торце световода 6 (фиг.2, а). Затем оператор перемещает корпус устройства 1 вдоль продольной оси контролируемого объекта, наблюдая изображение светового сечения. При этом корпус 1 центрируется внутри объекта с помощью стандартной системы прижимных роликов (на схеме не показаны в силу общеизвестности конструкции). При обнаружении на световом сечении локальных изменений, вызванных наличием дефектов типа рисок, раковин, загрязнений и т.п., оператор с помощью сканирующего устройства 7 совмещает центр изображения дефекта с центром поля зрения окуляра (фиг.2, б).
Затем вместо второго объектива 8 на оптической оси окуляра устанавливают микрообъектив 1, наблюдают увеличенное изображение дефекта и производят его измерение в нужном радиальном направлении, вращая сетку 9 (фиг.2, в). На фиг.3, а, б и в представлены изображения поля зрения окуляра для случаев установки фиг.2а, б и в соответственно.
Увеличение второго объектива выбирается равным М1=dc/d с тем, чтобы изображение выходного торца световода полностью вписалось в сетку диаметром dс. Увеличение микрообъектива выбирается из соотношения M2=dc/Hmax, где Hmax – максимальная величина дефекта. Рассмотрим пример практической реализации устройства.
Стандартные масштабные сетки, например, сетка луны измерительной ЛИЗ-10, С0=0,1 имеют диаметр dc=15 мм и цену деления.
Диаметр световода d=10 мм для большинства реальных задач. При этом М1 1,5Х. Нmax обычно равно 1,0 мм. При этом М2=dc/Hmax 15Х. Из конструктивных соображений, чтобы не увеличивать габариты окулярного блока, фокусное расстояние объектива 8 выбирают f2 15-20 мм. Например, при f2=20 мм расстояние L0 от выходного торца световода 6 до масштабной сетки 9 будет равно, согласно известной формуле [2]
L=2f+f(M1+1/M2) или L=f(2+M1+1/M2) 82 мм.
При этом фокусное расстояние микрообъектива определяется из этой же формулы следующим образом.

Цена деления сетки в пространстве объектов (в плоскости светового сечения) составит соответственно для второго объектива
а для микрообъектива

Для характерного размера объекта D 1D0 мм
М0=10Х, то С1=0,1·10·0,6 0,6 мм,
C2=0,1·10·1/15=0,06 мм.
Таким образом, предлагаемая оптическая схема устройства позволяет повысить точность измерения по крайней мере в десять раз.
Понятно, что она может быть увеличена за счет увеличения диаметра масштабной сетки или диаметра световода. Разрешающая способность объектива и микрообъектива может быть и более чем в 10 раз увеличена.
ЛИТЕРАТУРА
1. Патент РФ №1214259.
2. Справочник конструктора оптико-механических приборов, Л., под ред. Кругера, Машиностроение, 680 с, 1989 г.
Формула изобретения
Устройство для контроля поверхности тел, содержащее полый цилиндрический корпус, внутри которого вдоль его продольной оси установлены осветительная система, состоящая из электрической лампы и тороидальной линзы, система наблюдения, состоящая из конического зеркала, кольцевого объектива и световода, отличающееся тем, что перед масштабной сеткой, расположенной перед окуляром в его фокальной плоскости, на оптической оси окуляра, расположенной перпендикулярно выходному торцу световода, между выходным торцом световода и масштабной сеткой дополнительно последовательно вводятся второй объектив или микрообъектив, проектирующий изображение на выходном торце световода в плоскость масштабной сетки с увеличениями соответственно M1=Dc/d и М2=Dс/Нmax, где Dс – диаметр сетки, d – диаметр выходного торца световода, Нmax – максимальная величина дефекта, второй объектив, микрообъектив, масштабная сетка и окуляр конструктивно объединены в едином конструктивном блоке, перемещаемом с помощью сканирующего устройства, установленного на выходной части световода в двух ортогональных направлениях в плоскости, совпадающей с плоскостью выходного торца световода, при этом оптическая ось микрообъектива параллельна оптической оси второго объектива и удалена от нее на расстояние A 1/2(DМ+d), где DМ – диаметр микрообъектива.
РИСУНКИ
MM4A – Досрочное прекращение действия патента СССР или патента Российской Федерации на изобретение из-за неуплаты в установленный срок пошлины за поддержание патента в силе
Дата прекращения действия патента: 24.03.2006
Извещение опубликовано: 27.04.2007 БИ: 12/2007
|
|