|
|
(21), (22) Заявка: 2004121025/06, 08.07.2004
(24) Дата начала отсчета срока действия патента:
08.07.2004
(45) Опубликовано: 10.02.2006
(56) Список документов, цитированных в отчете о поиске:
RU 2211948 С2, 10.09.2003. SU 861715 A, 07.09.1981. SU 861716 А, 07.09.1981. RU 2184267 C1, 27.06.2002. RU 2211951 С1, 10.09.2003. ЕР 0761964 А1, 12.03.1997. DE 3601745A1, 23.07.1987.
Адрес для переписки:
394026, г.Воронеж, Московский пр-кт, 14, ВГТУ, патентный отдел
|
(72) Автор(ы):
Литвиненко Александр Михайлович (RU)
(73) Патентообладатель(и):
Воронежский государственный технический университет (RU)
|
(54) ВЕТРОЭЛЕКТРОГЕНЕРАТОР СЕГМЕНТНОГО ТИПА
(57) Реферат:
Ветроэлектрогенератор сегментного типа относится к области ветроэнергетики и может быть использован для получения электроэнергии. Технический результат, заключающийся в повышении эксплуатационных характеристик за счет использования как низкоскоростных, так и высокоскоростных ветров, обеспечивается за счет того, что в ветроэлектрогенераторе, содержащем источник магнитного поля, рабочую катушку и магнитопроводы, согласно изобретению магнитопроводы выполнены в виде двух симметричных Т-образных пластин, расположенных в двух основных параллельных плоскостях и в виде двух несимметричных Т-образных пластин, причем несимметричные пластины расположены перпендикулярно основным плоскостям, при этом каждая вертикальная стойка несимметричной пластины прикреплена к одной из стоек симметричных пластин, а между этими стойками установлены источник магнитного поля и рабочая катушка. 8 ил. 
Изобретение относится к области ветроэнергетики и может быть использовано для получения электроэнергии.
Известен ветроэлектрогенератор, содержащий башню с поворотными ветроколесами, устройство установки на ветер, а также роторы и статор с обмотками [1].
Недостатком данного устройства является увеличенная масса ротора, который для увеличения производительности должен иметь большое количество лопастей с роторными элементами, что в случае ветроколес большого диаметра практически неприемлимо.
Из наиболее близких к заявляемому по совокупности существенных признаков является ветроэлектрогенератор [2], содержащий башню с поворотными ветроколесами, устройство установки на ветер, роторы и статоры с обмотками, роторы выполнены в виде аэродинамических шайб, а ветроколеса связаны гибкими элементами, что позволяет осуществить последовательную работу каждого из двух колес на один статор.
Недостатком данного устройства является возможность работы с ветроколесами только одной пары, что в случае применения быстроходных колес приводит к неоправданным потерям энергии при низкопотенциальных ветрах, а в случае применения тихоходных колес приводит к их недоиспользованию при сильных ветрах, что в целом снижает эксплуатационные характеристики устройства.
Технический результат, заключающийся в повышении эксплуатационных характеристик за счет использования двух пар ветроколес – горизонтальной и вертикальной – обеспечивается за счет того, что в ветроэлектрогенераторе сегментного типа, содержащем источник магнитного поля, рабочую катушку и магнитопроводы, отличающийся тем, что согласно изобретению магнитопроводы выполнены в виде двух симметричных Т-образных пластин, расположенных в двух основных параллельных плоскостях и в виде двух несимметричных Т-образных пластин, причем несимметричные пластины расположены перпендикулярно основным плоскостям, при этом каждая вертикальная стойка несимметричной пластины прикреплена к одной из стоек симметричных пластин, а между этими стойками установлены источник магнитного поля и рабочая катушка.
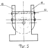
Сущность изобретения иллюстрируется чертежом, где на фиг.1 показан общий вид спереди ветроэлектрогенератора, на фиг.2 – вид сверху. В более крупном масштабе статор генератора показан на фиг.3 – вид спереди, на фиг.4 – вид сбоку, на фиг.5 – вид сверху, на фиг.6 – вид сзади, на фиг.7 показано отдельно Т-образная симметричная пластина магнитопровода, на фиг.8 – две несимметричные пластины.
Ветроэлектрогенератор сегментного типа состоит из башни 1, ветроколес, имеющих обод 2 с ферромагнитными роторными сегментными элементами 3. Ветроколеса велосипедного типа имеют спицы-лопасти 4, ветроколеса связаны гибким элементом 5 (например цепью или зубчатым ремнем), который охватывает шкивы 6, укрепленные на ступице. В центре, между вертикально установленными ветроколесами и одновременно между горизонтально установленными ветроколесами, установлен статор 7. На башне установлено вращающееся основание 8, а гибкий элемент снабжен натяжным устройством – роликом 9 с подпружиненным рычагом 10. Вращающееся основание снабжено хвостом 11, поперечной траверсой 12, на концах которой установлены подшипниковые узлы 13.
Рассмотрим подробнее устройство статора (фиг.3-8). Его основу составляют четыре шихтованных магнитопровода, выполненных в виде Т-образных пластин. Из них две пластины 14 и 15 симметричные – см. фиг.7 и две пластины 18 и 19 – несимметричные – фиг.8. Имеется источник магнитного поля – центральный сердечник 16 с рабочей катушкой 17. В стойке несимметричных пластин выполнены отверстия 23, через которые пропущены немагнитные крепящие болты 20. Также имеется центральный крепящий немагнитный болт 21, стягивающий пластины 14 и 15 и сердечник 16. В стойках симметричных пластин выполнены отверстия 22 для прохода болтов 20 и центральное отверстие для болта 21 – см. фиг.7.
Работа устройства. Под воздействием ветрового потока на лопасти 4, ветроколеса, а следовательно, и обод 2 приходят во вращение. Роторные элементы 3 поочередно вступают в магнитное взаимодействие с полюсными наконечниками и в соответствие с принципом работы индукторного генератора коммутируют магнитный поток источников поля 6 – постоянных магнитов, выполненных в виде шайб с отверстиями для центрального немагнитного болта 21.
Техническим преимуществом данного ветроэлектрогенератора является то, что за счет исполнения магнитопроводов в виде четырех пространственно расположенных Т-образных пластин удалось ввести в магнитное взаимодействие не только пару горизонтально установленных ветроколес, но и пару вертикально установленных ветроколес, что, в свою очередь, позволило практически вдвое увеличить производительность данного генератора по сравнению с прототипом.
Применение данного ветроэлектрогенератора позволяет получить стабильные эксплуатационные характеристики, заключающиеся в том, что выработка напряжения происходит при ветрах любой интенсивности, поскольку четыре быстроходных колеса работают на одну нагрузку поочередно, что обуславливает уменьшение моментов трогания при сохранении всех основных показателей.
Источники информации
1. Патент РФ 2184267 – Ветрогенератор / А.М.Литвиненко, заявка №20000128442, от 13.11.2000, опубл. 27.06.2002, Бюл.№18
2. Патент РФ 2211948 – Контрроторный ветроэлектрогенератор / А.М.Литвиненко, заявка №2001129415/06 от 31.10.2001, опубл. 10.09.2003, Бюл.№25.
Формула изобретения
Ветроэлектрогенератор сегментного типа, содержащий источник магнитного поля, рабочую катушку и магнитопроводы, отличающийся тем, что магнитопроводы выполнены в виде двух симметричных Т-образных пластин, расположенных в двух основных параллельных плоскостях, и в виде двух несимметричных Т-образных пластин, причем несимметричные пластины расположены перпендикулярно основным плоскостям, при этом каждая вертикальная стойка несимметричной пластины прикреплена к одной из стоек симметричных пластин, а между этими стойками установлены источник магнитного поля и рабочая катушка.
РИСУНКИ
MM4A – Досрочное прекращение действия патента СССР или патента Российской Федерации на изобретение из-за неуплаты в установленный срок пошлины за поддержание патента в силе
Дата прекращения действия патента: 09.07.2006
Извещение опубликовано: 10.04.2008 БИ: 10/2008
|
|