|
|
(21), (22) Заявка: 2004119342/04, 24.06.2004
(24) Дата начала отсчета срока действия патента:
24.06.2004
(45) Опубликовано: 10.02.2006
(56) Список документов, цитированных в отчете о поиске:
RU 2196804 С1, 20.01.2003. RU 2120464 C1, 20.10.1998. RU 2220756 С2, 10.01.2004. RU 2218974 С1, 20.12.2003. JP 62-025194, 03.02.1987. US 4490246, 25.12.1984.
Адрес для переписки:
420045, г.Казань, ул. Н. Ершова, 35А, ГУП РТ ВНИИУС, директору А.М.Мазгарову
|
(72) Автор(ы):
Мазгаров Ахмет Мазгарович (RU), Гарифуллин Ришат Гусманович (RU), Вильданов Азат Фаридович (RU), Салин Валерий Николаевич (RU), Шакиров Фоат Гафиевич (RU)
(73) Патентообладатель(и):
Государственное унитарное предприятие Республики Татарстан Всероссийский научно-исследовательский институт углеводородного сырья (RU)
|
(54) СПОСОБ ПОДГОТОВКИ СЕРОВОДОРОДСОДЕРЖАЩЕЙ НЕФТИ
(57) Реферат:
Изобретение относится к способам первичной переработки нефти для очистки от сероводорода и меркаптанов и может быть использовано в газо-нефтедобывающей промышленности. Способ осуществляют путем двухступенчатой очистки нефти от сероводорода и отдувки углеводородсодержащим газом с последующим окислением оставшейся части сероводорода кислородом воздуха в присутствии водно-щелочных и аммиачных растворов фталоцианиновых катализаторов под давлением до 2,5 МПа с последующей сепарацией отработанного воздуха путем снижения давления до 0,15-0,30 МПа. Отработанный воздух, содержащий 40-75% углеводородов, под этим давлением подают на стадию отдувки и используют в качестве углеводородсодержащего продувочного газа. Способ позволяет снизить потери углеводородов с отработанным воздухом, а также снижается расход воздуха и реагентов на стадии окислительной очистки. 3 з.п. ф-лы, 1 табл., 1 ил. 
Изобретение относится к способам первичной обработки углеводородного сырья и может быть использовано в нефтедобывающей и нефтеперерабатывающей промышленности.
На нефтепромыслах основное количество сероводорода удаляется при многоступенчатой сепарации с углеводородными газами. С целью повышения степени очистки от сероводорода и снижения содержания меркаптанов C1-C2 последние ступени сепарации проводят при 50-60°С [1]. Однако даже после горячей сепарации при 50-55°С в тяжелой высокосернистой нефти может оставаться до 0,06% (600 ppm) сероводорода. В легкой нефти после сепарации одновременно могут присутствовать до 0,04% (400 ppm) сероводорода и столько же низкомолекулярных меркаптанов C1 и С2. Присутствие высокотоксичных сероводорода и меркаптанов создает неприятный запах и экологические проблемы при добыче, хранении и транспортировке нефти. По ГОСТ Р 51858-2002 «Нефть. Общие технические условия» массовая доля сероводорода в нефти вида (сорта) 1 не должна превышать 0,002% (20 ppm), низкомолекулярных меркаптанов C1 и С2 – 40 ppm. В нефти вида 2 массовая доля сероводорода не должна превышать 50 ppm, меркаптанов C1 и C2 – 60 ppm. Присутствие более тяжелых меркаптанов С3+ не лимитируется.
Для удаления из тяжелой нефти сероводорода в некоторых случаях применяют метод продувки инертным или углеводородным газом. Используют пропан-бутановую фракцию или природный газ. Продувочный газ после этаноламинновой очистки от сероводорода используют повторно, многократно. В последние годы для очистки нефти и газоконденсатов предложены различные окислительные и реагентные способы. В окислительных способах сероводород и меркаптаны окисляют при 45-60°С кислородом воздуха, растворенного в сырье под давлением, в присутствии водно-щелочных растворов фталоцианиновых катализаторов до элементной серы и тиосульфата (S2O3 —), а меркаптаны – до дисульфидов (RSSR) [2, 3].
По технической сущности и достигаемому результату наиболее близким к предлагаемому изобретению является описанный в патенте РФ 219804 способ подготовки сероводородсодержащей нефти [4]. Способ включает многоступенчатую сепарацию нефти и отдувку углеводородным газом в концевой ступени сепарации или в дополнительной десорбционной колонне при температуре 25-70°С и давлении 0,1-0,6 МПа. Отдувку углеводородным газом проводят до достижения 60-85%-ной степени удаления содержащегося сероводорода, после чего в нефть при перемешивании вводят азотсодержащий основной и/или щелочной реагент и окислитель, взятые из расчета не менее 0,2 моль основного или щелочного реагента и не менее 1,2 моль окислителя на 1 моль остаточного сероводорода, и полученную смесь выдерживают под давлением не менее 0,15 МПа при температуре 15-70°С в течение не менее 10 мин с последующей сепарацией снижением давления до близкого к атмосферному.
В качестве азотсодержащего основного реагента в нефть вводят водорастворимый органический амин и/или аммиак, а в качестве щелочного реагента – 20-40%-ный водный раствор гидроксида натрия или калия, предпочтительно взятый из расчета 0,2-2 моль на 1 моль остаточного сероводорода.
В качестве окислителя в нефть вводят сжатый воздух или 20-50%-ный раствор пероксида водорода, предпочтительно взятый из расчета 1,2-3 моль кислорода воздуха или пероксида водорода на 1моль остаточного сероводорода.
В нефть дополнительно вводят водный или водно-щелочной раствор соли или комплекса металла переменной валентности, предпочтительно взятый из расчета 0,1-1 г-ионов металла на 1 т нефти. В качестве соли металла переменной валентности используют сульфат, хлорид или нитрат двухвалентной меди, никеля, кобальта, марганца или трехвалентного железа или их смеси, а в качестве комплекса металла – комплекс двухвалентной меди, никеля или кобальта с пирофосфатом щелочного металла или с аммиаком.
В качестве углеводородного газа на отдувку подают предварительно очищенный от сероводорода газ сепарации нефти, предпочтительно взятый в количестве 3-9 м3 на 1 м3 нефти. Очистку отдувочного углеводородного газа от сероводорода проводят обработкой раствором этаноламинометанола.
Недостатками известного способа являются:
– использование для продувки нефти углеводородного газа, в качестве которого предложено использовать предварительно очищенный от сероводорода газ сепарации. Это означает, что необходимо иметь отдельную установку очистки продувочного газа сепарации от сероводорода;
– большой расход воздуха, подаваемого на процесс окисления, отсюда большое количество отработанного воздуха и высокие потери углеводородов с этим воздухом, а также необходимость обезвреживания этого нерегенерируемого отработанного воздуха. Ввиду большого расхода воздуха на окислительные процессы расходуется только 50-75% кислорода от общего его количества. При температуре окисления около 50°С отработанный воздух содержит 50-60% углеводородов, 30-40% азота и 2-5% кислорода. Такую смесь нельзя подавать в газопровод для сбора попутного газа, поэтому вынуждены ее сжигать в специальных печах или на факеле.
Предлагаемым изобретением решаются следующие задачи:
1. Снижаются потери углеводородов с отработанным воздухом.
2. Снижается расход воздуха и расход реагентов на стадии окислительной очистки.
3. Исключается операция очистки продувочного газа от сероводорода.
Для получения указанных результатов в предлагаемом способе отработанный воздух со стадии окислительной очистки используют для продувки неочищенной нефти на стадии предварительной очистки сырья от сероводорода. Подачу отработанного воздуха на продувку неочищенного сырья производят или принудительно с помощью газодувки, или сепарацию отработанного воздуха проводят при 0,15-0,30 МПа, и отработанный воздух под этим своим давлением поступает на отдувку.
Процесс окисления проводят, как в известном способе: в поток нефти или газоконденсата вводят при эффективном перемешивании водно-щелочной или водно-аммиачный раствор фталоцианинового катализатора и сжатый воздух под давлением до 0,6-2,5 МПа, достаточным для растворения воздуха. Воздух вводят из расчета 0,5-1,1 моль кислорода на 1 моль сероводорода.
Если сырье содержит много сероводорода и мало меркаптанов, то используют 0,01-0,05%-ные растворы катализатора в 20-30%-ном водном аммиаке. Окисление проводят при 20-60°С. Если сырье содержит мало сероводорода (менее 150 ppm) и много меркаптанов C1-С2 (более 200 ppm), то используют 0,03-0,1%-ные растворы фталоцианинового катализатора в 2-20%-ных растворах NaOH и окисление проводят при 45-60°С.
Отличительными признаками предлагаемого изобретения являются:
– использование в качестве углеводородного продувочного газа отработанного воздуха, содержащего 40-75% углеводородов и 20-58% азота;
– использование отработанного воздуха (углеводородсодержащего газа) без предварительной очистки от сероводорода;
– использование кислорода воздуха в количестве 0,5-1,1 моля на 1 моль сероводорода;
– использование 2-20%-ных растворов NaOH и 20-30%-ных растворов аммиака.
В известном способе в качестве углеводородного продувочного газа используют предварительно очищенный от сероводорода газ сепарации нефти, следовательно, для этого необходимо иметь отдельную установку очистки продувочного газа от сероводорода. В известном способе на стадии окисления на 1 моль H2S берут не менее 1,2 моля (1,2-3,0 моля) кислорода воздуха, то есть расход воздуха в два раза выше. Соответственно унос углеводородов из нефти с отработанным воздухом в известном способе в два раза выше, чем в предлагаемом способе. В известном способе используют 20-40%-ные растворы NaOH.
Сероводород в присутствии фталоцианиновых катализаторов в слабощелочной среде, в том числе в аммиачных растворах, окисляется по реакции:

На 1 моль сероводорода требуется не менее 0,5 молей или 16 г кислорода. Теоретически минимальный расход воздуха составляет:

или

где 0,231 – массовая доля кислорода в воздухе, %;
1,293 – плотность воздуха, кг/м3.
Вводить в нефть кислорода более 1,1 моль или воздуха более 0,12 м3 на 1 моль сероводорода нет необходимости. С увеличением количества введенного в нефть воздуха увеличивается количество отработанного воздуха и количество легких углеводородов, уносимых с отработанным воздухом, то есть увеличиваются потери нефти. Ввод в нефть 0,1-0,2 нм3 воздуха на 1 моль H2S известно из пат. РФ 2109033.
В известном способе применяют сильные щелочи (NaOH) и берут щелочной агент в большом количестве (0,2-2,0 моля на 1 моль сероводорода нефти). 20-40%-ные растворы NaOH имеют плотность 1200-1450 кг/м3. В сильнощелочной среде (рН>12,5) сероводород окисляется до тиосульфата по реакции:

Поэтому кислорода в известном способе расходуется в два раза больше, соответственно расход воздуха требуется в 2-3 раза больше.
Необходимое давление 0,6-2,5 МПа установлено с учетом растворимости воздуха в нефти. Для растворения 0,5 нм3 воздуха в тяжелой нефти (d 880 кг/м3) необходимо давление около 0,6 МПа, для растворения 1 нм3 – около 1,3 МПа. Для окисления 600 ppm или 17,647 моля сероводорода требуется 0,882-1,765 нм3 воздуха, а для растворения в нефти таких количеств воздуха необходимо давление 1,1-2,2 МПа. При низкой концентрации сероводорода в нефти и расходе воздуха менее 0,5 нм3 эффект от продувки нефти малым количеством воздуха незначителен. Поэтому за нижний предел давления взято 0,6 МПа, а за верхний предел взято давление 2,5 МПа. В повышении давления выше 2,5 МПа нет необходимости.
В предлагаемом изобретении используют 20-30%-ные растворы аммиака. Высокосернистые тяжелые нефти имеют плотность 880-900 кг/м3. Концентрированные 20-30% растворы аммиака имеют плотность 900-910 кг/м3. Чем ближе плотности нефти и водных растворов, тем легче создавать однородную эмульсию водно-щелочного раствора катализатора в нефти. Поэтому в предлагаемом способе достигается более эффективное перемешивание. Кроме того, 25-28% растворы аммиака выпускаются Российской промышленностью.
В предлагаемом способе используют 2-20%-ные растворы NaOH с плотностью 1020-1200 кг/м3, которые также эмульгируются в нефти легче, чем 25-40%-ные концентрированные растворы с плотностью 1220-1400 кг/м3.
Необходимый расход катализатора установлен на основании экспериментов. Расход ниже 0,01 г на 1 моль Н2S не обеспечивает необходимой скорости окисления, а в повышении количества дорогостоящего катализатора (цена 1 г 2-3 руб.) выше 0,05 г на 1 моль H2S нет необходимости. Использование 0,01-0,1%-ных растворов фталоцианиновых катализаторов в щелочных и аммиачных растворах известно из пат. РФ 2109033 и 2120464.
При 45-70°С сероводород полностью окисляется за 15-30 мин, и в повышении температуры выше 70°С нет необходимости. При 18-20°С для полноты реакции требуется время около 2 часов. Ограничение нижнего предела температуры 20°С связано с замедлением скорости реакции и повышением вязкости нефти, что затрудняет эмульгирование раствора катализатора в нефти.
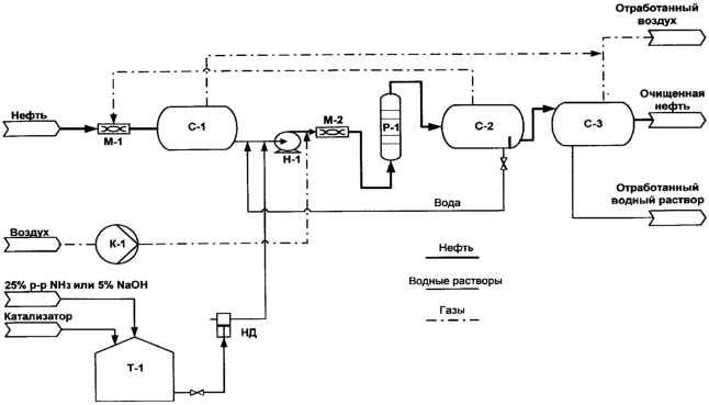
Предлагаемый способ очистки нефти прост в осуществлении и может быть реализован непосредственно на нефтепромыслах. Предлагаемый способ поясняется прилагаемой технологической схемой (см. чертеж) и расчетами.
Описание технологической схемы
В емкости Т-1 готовят 0,02-0,04%-ные катализаторные растворы путем растворения натриевой или аммониевой соли сульфофталоцианинов кобальта в 5-10%-ном растворе NaOH или 25±5%-ном растворе аммиака. Использование таких растворов известно из пат. 2189340, 7 В 69 Д 90/30, 90/28; 2000 г.
Нефть, прошедшая предварительную подготовку (сепарацию, обессоливание, обезвоживание) и содержащая 300-600 ppm сероводорода, нагретая до температуры 20-70°С (предпочтительно 45-55°С), поступает в сепаратор С-1. Из С-1 насосом Н-1 нефть под давлением 0,6-2,5 МПа подают в реактор окисления колонного типа Р-1. На всас насоса Н-1 из емкости Т-1 дозировочным насосом НД подают расчетное количество (предпочтительно 0,5-5 кг/т) раствора фталоцианинового катализатора в 5-10%-ном растворе NaOH или в 25%-ном водном растворе аммиака. В поток нефти после насоса Н-1 компрессором К-1 подают под давлением 0,6-2,5 МПа сжатый воздух, который растворяется в нефти. Далее смесь поступает в реактор Р-1 колонного типа. В реакторе происходит окисление сероводорода кислородом растворенного в нефти воздуха: .
После реактора нефть поступает в сепаратор С-2, где давление снижается до 0,15-0,30 МПа, и основная часть отработанного воздуха сепарируется от нефти. Далее нефть поступает в сепаратор С-3, где давление снижается до атмосферного, и происходит сепарация оставшейся части отработанного воздуха. Отработанный воздух, отделившийся в С-2, под давлением 0,15-0,30 МПа поступает в трубопровод нефти перед сепаратором С-1. В трубопроводе и смесителе М-1 происходит смешение отработанного воздуха в потоке нефти. При этом легкие углеводороды и водяной пар, находящиеся в отработанном воздухе, растворяются и конденсируются в нефти. Смесительный элемент М-1 в простейшем случае представляет собой рулон сетки РВС, помещенный в трубопровод диаметром 500-600 мм и длиной до 2 м. После смешения нефтегазовая смесь поступает в сепаратор С-1, где отработанный воздух, содержащий 45-70% углеводородов и до 7% сероводорода, отделяется от нефти. Двухстадийная сепарация отработанного воздуха путем снижения давления в сепараторе С-2 до 0,15-0,3 МПа и в сепараторе С-3 до 0,1-0,12 МПа дает следующие положительные эффекты:
1. Уменьшаются потери легких углеводородов, уносимых с отработанным воздухом, так как основное количество отработанного воздуха выделяется (сепарируется) в сепараторе С-2 при снижении давления, например, с 2 до 0,30 МПа или с 1 до 0,15 МПа. При сепарации под давлением 0,15-0,30 МПа газовая фаза содержит паров углеводородов значительно меньше, чем в случае сепарации отработанного воздуха при атмосферном давлении.
2. При испарении отработанного воздуха из нефти при снижении давления до 0,15-0,30 МПа выделяется в основном азот, а кислород остается в растворе, так как растворимость кислорода в нефти почти в два раза выше, чем растворимость азота. Оставшийся в нефти в растворенном виде кислород продолжает процессы окисления H2S и в сепараторах. В результате достигается более полная очистка нефти от сероводорода.
В сепараторах С-2 и С-3 часть отработанного водного катализаторного раствора отделяется от очищенной нефти. По технологической схеме предусмотрена возможность возврата этого раствора или эмульсии его с нефтью с С-2 на смешение с неочищенной нефтью. Этот прием описан в пат. РФ №2120464. Возврат катализаторного раствора на повторное использование позволяет экономить расход катализаторного раствора.
Часть отработанного щелочного раствора в случае отстаивания его из нефти в сепараторе С-3 периодически выводится из технологического процесса. Отработанный щелочной раствор может быть утилизирован путем смешения с пластовыми водами с последующей закачкой их в пласт. Объем пластовых вод в 10-1000 раз больше, чем объем отработанных щелочных растворов, поэтому добавка их в пластовые воды не изменяет состава последних. Возможен также вариант совместного обезвреживания смеси отработанной щелочной воды с пластовыми водами.
Результаты компьютерного расчета фазового равновесия, выполненные по программе Соова Редлиха Квонга (SRK), состава газов приведены в таблице. Как видно из таблицы после отдувки отработанным воздухом при 55°С и сепарации содержание сероводорода снижается с 600 до 360 ppm. Для сравнения: при горячей сепарации газов при 55°С в том же сепараторе без отдувки отработанным воздухом содержание сероводорода снижается до 460 ppm. Кроме того, за счет возврата углеводородов, содержащихся в отработанном воздухе (2,07·0,5756=1,17 кг/т), снижается унос углеводородов из нефти.
Список использованной литературы
1. Соркин Я.Г. Особенности переработки сернистых нефтей и охрана окружающей среды. М.: Химия. 1975, с.93-108.
| Результаты расчетов продувки отработанным воздухом при 55°С |
| Наименование стадий процесса |
Состав нефти, ppm |
Кол-во газа, кг/т |
Состав продувочного газа, % |
| H2S |
CH3SH |
Углеводороды |
H2S |
CH3SH |
N2 |
O2 |
NH3 |
Н2O |
| До продувки |
600 |
10,0 |
2,07 |
57,56 |
0,34 |
0,001 |
36,5 |
1,7 |
0,7 |
3,2 |
| После продувки |
360 |
8,9 |
4,14 |
70,37 |
5,80 |
0,027 |
17,0 |
0,3 |
0,1 |
6,4 |
| После окислительной обработки |
15 |
2,0 |
|
– |
– |
– |
– |
– |
– |
– |
Экономический эффект за счет снижения потерь на 0,68 кг/т составит 0,68·7000=4760 кг, или 4,76 т/сутки, или около 1360 т/год. Фактически эффект может быть в 2 раза ниже, так как в расчетах взято максимально возможное содержание углеводородов в отработанном воздухе 57,56%, когда компоненты отработанного воздуха рассматриваются как идеальные газы.
Формула изобретения
1. Способ подготовки сероводородсодержащей нефти путем ступенчатой сепарации и отдувки углеводородсодержащим газом в концевой ступени сепарации с последующим окислением сероводорода и легких меркаптанов кислородом воздуха, растворенным в сырье под давлением до 2,5 МПа, в присутствии водно-щелочных или водно-аммиачных растворов фталоцианиновых катализаторов при температуре 20-70°С и далее сепарацией отработанного воздуха путем понижения давления, отличающийся тем, что в качестве углеводородсодержащего газа для отдувки используют отработанный воздух, содержащий 40-75% легких углеводородов.
2. Способ по п.1, отличающийся тем, что в нефть вводят воздух из расчета 0,5-1,1 моль кислорода на 1 моль сероводорода.
3. Способ по п.1, отличающийся тем, что растворение воздуха в нефти и окисление сероводорода и меркаптанов проводят под давлением 0,6-2,5 МПа, а сепарацию проводят при давлении 0,15-0,3 МПа.
4. Способ по п.1, отличающийся тем, что в качестве катализаторного раствора используют 0,01-0,1%-ные растворы натриевых или аммониевых солей сульфофталоцианинов кобальта в 2-20%-ных водных растворах едкого натра или в 20-30%-ных растворах аммиака.
РИСУНКИ
|
|