|
|
(21), (22) Заявка: 2004125090/14, 18.08.2004
(24) Дата начала отсчета срока действия патента:
18.08.2004
(45) Опубликовано: 10.02.2006
(56) Список документов, цитированных в отчете о поиске:
US 5460186 А, 24.10.1995. WO 03013402 A1, 20.02.2003. JP 10124243 А, 15.05.1998. RU 2161816 С2, 10.01.2001. SU 95110648 A1, 27.05.1997. JP 9244797 А, 19.09.1997.
Адрес для переписки:
119330, Москва, ул. Мосфильмовская, 37, корп.2, кв.7, А.И. Кузнецову
|
(72) Автор(ы):
Косик Леонид Андреевич (RU), Косик Алексей Леонидович (RU), Косик Тарас Леонидович (RU)
(73) Патентообладатель(и):
Косик Леонид Андреевич (RU), Косик Алексей Леонидович (RU), Косик Тарас Леонидович (RU)
|
(54) УСТРОЙСТВО ДЛЯ ДИСТАНЦИОННОГО УПРАВЛЕНИЯ КОМПЬЮТЕРОМ ДЛЯ ЧЕЛОВЕКА С ОГРАНИЧЕННЫМИ ФИЗИЧЕСКИМИ ВОЗМОЖНОСТЯМИ
(57) Реферат:
Изобретение относится к медицине и может быть использовано для людей с параличами верхних и нижних конечностей. Устройство содержит электрически связанные блок питания, координатное приспособление, блок обработки сигналов и передатчик с антенной. Координатное приспособление состоит из непроводящей электрический ток пластины прямоугольной формы, каретки, подвижной относительно продольной оси пластины, спаренного контакта, электрически связанного через проводник с блоком обработки сигналов и установленного на каретке с возможностью перемещения спаренного контакта по каретке и из управляющей клавиши, жестко закрепленной на спаренном контакте. Устройство размещают в ротовой полости человека и обращают управляющей клавишей к кончику языка. Поверхность управляющей клавиши выполнена рельефной. Поверхность пластины имеет два резистивных поля. Каждое поле разделено на равные части непроводящей электрический ток полосой. Первое резистивное поле имеет по краям проводящие электрический ток вертикальные контактные площадки. Второе резистивное поле имеет по краям проводящие электрический ток горизонтальные контактные площадки. Все контактные площадки через проводники соединены с блоком обработки сигналов. Устройство компактно, удобно в эксплуатации при размещении его в ротовой полости человека и обеспечивает эффективное дистанционное управление компьютером. 3 з.п. ф-лы, 3 ил. 
Изобретение относится к медицине и может быть использовано для людей с параличами верхних и нижних конечностей, а также для людей, род занятий которых ограничивает использование рук.
Люди с параличами верхних и нижних конечностей (тетраплегией) не могут выполнять никаких действий руками. При высоком поражении спинного мозга перестают функционировать скелетные мышцы. Функционируют лишь группы челюстно-лицевых мышц и языка, так как они иннервируются черепными нервами.
Известно устройство для дистанционного управления компьютером для человека с ограниченными физическими возможностями, которое содержит координатное приспособление, размещенное в ротовой полости, и блок обработки сигналов, электрически связанный с координатным приспособлением (US 5460186 А, 24.10.1995).
Хотя это устройство и позволяет управлять компьютером путем действия мышц языка на рычаг – джойстик. Однако координатное приспособление выполнено без учета особенностей управления языком, а блок обработки сигналов размещен вне ротовой полости. Зубы удерживают эту внешнюю конструкцию, при этом челюстно-лицевые мышцы постоянно напряжены и передние зубы не могут быть использованы для управления компьютером.
Известно также устройство для дистанционного управления компьютером для человека с ограниченными физическими возможностями (прототип), содержащее координатное приспособление, размещенное в ротовой полости, и блок обработки сигналов, электрически связанный с координатным приспособлением (WO 03/013402 А1, 20.02.2003).
Однако в известном из WO 03/013402 устройстве координатное приспособление выполнено в виде рычага джойстика и управляется методом наклона его, что делает невозможным выполнение непрерывных движений сложной траектории (напр., изображение геометрических фигур – круг, треугольник и др.), так как язык не может охватить рычаг, так же как пальцы руки и при перемене направления движения он соскальзывает.
Наряду с этим в известном устройстве (прототипе) электронный блок обработки сигналов находится вне ротовой полости и удерживается передними зубами. При этом челюстно-лицевые мышцы постоянно напряжены и передние зубы не могут участвовать в работе, хотя они являются наиболее мобильными. Функцию левой кнопки условной мыши в известном устройстве выполняют две кнопки, нажимаемые боковыми (коренными) зубами нижней челюсти. В этом случае необходимо постоянно контролировать силу сжатия челюстей, чтобы удерживать устройство и при этом не нажать кнопку. Функция правой кнопки мыши реализуется толканием рычага (джойстика) вперед по оси и поэтому выполнение функции Drag & Drop (нажатия с перемещением) невыполнимо. А эта функция очень важна для работы с операционной системой и многими игровыми программами. Во время работы губы не сомкнуты, поскольку этому препятствует соединение между наружной (блок обработки сигналов) и внутренней частью устройства (задающее координаты приспособление), что приводит к непрерывному подтеканию слюны. Кроме того, человек, работая с данным устройством, не может разговаривать. Для этого требуется извлечь устройство изо рта, используя постороннюю помощь, либо вытолкнуть его языком. А затем для использования конструкции вновь необходимо прибегнуть к посторонней помощи.
Также в известном устройстве координатное приспособление выполнено громоздким и занимает значительную часть ротовой полости. Наиболее доступной зоной для работы языка является задняя поверхность передних зубов и передняя треть твердого неба. Работа языка в пределах этой зоны является наиболее физиологичной, точно скоординированной и наименее утомительной для мышц языка. В известном устройстве удлиненный рычаг оттесняет язык и для контроля над ним требуется напряжение мышц, отводящих язык в заднем направлении. При этом быстро развивается усталость, снижается точность выполнения движений.
Актуальной задачей является создание устройства, позволяющего обеспечить деятельность человека с параличами верхних и нижних конечностей (тетраплегией). Для этого необходимо разработать устройство для работы с компьютером при помощи языка и челюстно-лицевого аппарата, максимально прилежащее к задней поверхности зубов и к передней части твердого неба, занимающее объем не более 1/15 объема ротовой полости, имеющее размер не более 3 мм вглубь от задней поверхности передних зубов, а также содержащее тактильные ориентиры, то есть признаки, осязаемые методом ощупывания языком, тактильный экран прямоугольной формы, стороны которого пропорциональны таковым у экрана монитора, присоску, управляемую языком для перемещения курсора, имеющую форму, конгруэнтную (соответствующую) форме кончика языка, рельефные тактильные кнопки для управления функциями компьютера.
Таким образом, задача настоящего изобретения заключалась в разработке компактного и удобного в эксплуатации при размещении в ротовой полости человека устройства, обеспечивающего эффективное дистанционное управление компьютером.
Указанный технический результат достигается тем, что в устройстве для дистанционного управления компьютером для человека с ограниченными физическими возможностями, содержащем электрически связанные блок питания, координатное приспособление, блок обработки сигналов, передатчик с антенной и приемник, согласно изобретению координатное приспособление состоит из непроводящей электрический ток пластины прямоугольной формы с двумя резистивными полями с проводящими электрический ток контактными площадками, через проводники соединенными с блоком обработки сигналов, из каретки, подвижной относительно продольной оси пластины, спаренного контакта, установленного на каретке с возможностью его перемещения по каретке относительно поперечной оси пластины и оси, перпендикулярной плоскости пластины, и из управляющей клавиши с рельефной поверхностью, жестко закрепленной на спаренном контакте в его верхней части, причем устройство содержит, по меньшей мере, две управляющие контактные кнопки, электрически связанные с блоком обработки сигналов и выполняющие функции кнопок “мыши”, и, по меньшей мере, две электрически связанные с блоком обработки сигналов дополнительные кнопки для дистанционного управления функциями клавиатуры.
Кроме того, каждое резистивное поле может быть разделено на равные части непроводящей электрический ток полоской, при этом вертикальные контактные площадки первого резистивного поля и горизонтальные площадки второго резистивного поля размещены по их краям.
Целесообразно, чтобы пластина была выполнена с соотношением сторон от 1:2 до 1:4 и толщиной не более 0,5 мм.
Предусмотрено, что устройство может быть заключено в эластичный корпус с возможностью его размещения в ротовой полости человека.
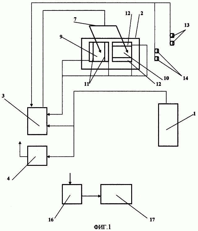
На фиг.1 представлена принципиальная схема устройства для дистанционного управления компьютером для человека с ограниченными физическими возможностями.
На фиг.2 показан чертеж координатного приспособления (вид в плане).
На фиг.3 показано размещение предложенного устройства в ротовой полости человека.
Устройство для дистанционного управления компьютером для человека с ограниченными физическими возможностями содержит электрически связанные блок питания (1), координатное приспособление (2), блок обработки сигналов (модуль оцифровки сигналов) (3) и передатчик (4) с антенной. Координатное приспособление (2) состоит из непроводящей электрический ток пластины (5) прямоугольной формы, каретки (6), подвижной относительно продольной оси пластины, спаренного контакта (7), электрически связанного через проводник с блоком обработки сигналов и установленного на каретке (6) с возможностью перемещения спаренного контакта по каретке относительно поперечной оси пластины и относительно оси, перпендикулярной плоскости пластины, и из управляющей клавиши (8), жестко закрепленной на спаренном контакте (7) в верхней и, или средней его части. Устройство размещено в ротовой полости человека и обращено управляющей клавишей (8) к кончику языка. Поверхность управляющей клавиши выполнена рельефной, а поверхность пластины (5) имеет два резистивных поля (9, 10), каждое из которых разделено на равные части непроводящей электрический ток полосой. Первое резистивное поле (9) имеет по краям проводящие электрический ток вертикальные контактные площадки (11), второе резистивное поле (10) имеет по краям проводящие электрический ток горизонтальные контактные площадки (12). Вертикальные и горизонтальные контактные площадки через проводники соединены с блоком обработки сигналов (3).
Устройство снабжено двумя управляющими контактными кнопками (13) для дистанционного управления компьютером, которые выполняют функцию “левой” и “правой” кнопок “мыши” соответственно. Контактные кнопки могут быть соединены планкой в один узел. Контактные кнопки электрически связанны с блоком обработки сигналов с возможностью поочередного их включения нажатием зубами нижней челюсти с перемещением челюсти вперед – назад. Устройство может содержать от двух до пяти электрически связанных с блоком обработки сигналов дополнительных кнопок (14), предназначенных для дистанционного управления основными функциями компьютера с помощью языка. Целесообразно, чтобы пластина (5) была выполнена с соотношением сторон от 1:2 до 1:4 и толщиной не более 0,5 мм.
Предусмотрено, что устройство, включающее блок питания (1), координатное приспособление (2), блок обработки сигналов (3) и передатчик с антенной (4), заключено в эластичный корпус (15) с возможностью размещения корпуса в ротовой полости человека. Управляющие контактные кнопки (13) и дополнительные кнопки (14) размещены в корпусе (15) устройства. Приемник сигналов (16) с приемной антенной располагается вне ротовой полости и подключается к компьютеру (17).
Устройство работает следующим образом.
Перед тем как приступить к использованию устройства его необходимо разместить в ротовой полости таким образом, чтобы контактные кнопки (13) для дистанционного управления компьютером находились на жевательной поверхности передних зубов нижней челюсти. При этом корпус (15) устройства должен прилегать к твердому небу и внутренней поверхности передних зубов верхней челюсти, а управляющая клавиша (8) своей рельефной поверхностью обращена к кончику языка. После этого смыкают губы и создают разрежение воздуха в ротовой полости, что приводит к присасыванию поверхности корпуса к слизистой оболочке твердого неба и надежной фиксации устройства в полости рта, а кончик языка, позиционированный перед этим на рельефной поверхности управляющей клавиши (8) присасывается к ней.
Для перемещения курсора на мониторе компьютера (17) слегка надавливают кончиком языка на управляющую клавишу и двигают ее в нужном направлении. При этом спаренный контакт (7) касается резистивных полей (9) и (10) и подает на них управляющий ток, переменные значения которого по проводникам передаются в модуль обработки сигналов (3). Перемещение левого плеча спаренного контакта (7) по поверхности резистивного поля (9) инициирует перемещение курсора в горизонтальном направлении на мониторе компьютера, а перемещение правого плеча спаренного контакта по поверхности резистивного поля (10) инициирует перемещение курсора в вертикальном направлении. Чем ближе спаренный контакт приближают соответственно к вертикальным и горизонтальным контактным площадкам (11) и (12), тем меньше омическое сопротивление и больше сила управляющего тока и, как результат, большая скорость перемещения курсора на экране монитора в любом заданном направлении. Каретка (6) при этом препятствует вращательным движениям спаренного контакта.
Для фиксации курсора в нужном месте ослабевают прижимающее воздействие на управляющую клавишу (8), при этом спаренный контакт (7) разъединяется с резистивными полями и электрическая цепь размыкается. Для активизации выбранного на экране монитора объекта передними зубами нижней челюсти включают одну из контактных кнопок (13) условной “мыши”, а для включения другой контактной кнопки нижнюю челюсть выдвигают на 2-3 мм вперед. Также удерживая любой контакт в прижатом состоянии и нажав на управляющую клавишу языком, можно перемещать выбранный объект на экране монитора.
Для дистанционного управления основными функциями клавиатуры компьютера кончиком языка надавливают на любую из дополнительных кнопок (14), которые могут дублировать любые кнопки клавиатуры компьютера. Сигналы, поступающие от координатного приспособления и контактных кнопок на блок обработки сигналов (2) по проводникам, далее поступают в передатчик (4), который передает их по радио эфиру на приемник (16), соединенный с компьютером (17).
Формула изобретения
1. Устройство для дистанционного управления компьютером для человека с ограниченными физическими возможностями, содержащее электрически связанные блок питания, координатное приспособление, блок обработки сигналов, передатчик с антенной и приемник, отличающееся тем, что координатное приспособление состоит из непроводящей электрический ток пластины прямоугольной формы с двумя резистивными полями с проводящими электрический ток контактными площадками, через проводники соединенными с блоком обработки сигналов, из каретки, подвижной относительно продольной оси пластины, спаренного контакта, установленного на каретке с возможностью его перемещения по каретке относительно поперечной оси пластины и оси, перпендикулярной плоскости пластины, и из управляющей клавиши с рельефной поверхностью, жестко закрепленной на спаренном контакте в его верхней части, причем устройство содержит, по меньшей мере, две управляющие контактные кнопки, электрически связанные с блоком обработки сигналов и выполняющие функции кнопок “мыши”, и, по меньшей мере, две электрически связанные с блоком обработки сигналов дополнительные кнопки для дистанционного управления функциями клавиатуры.
2. Устройство по п.1, отличающееся тем, что каждое резистивное поле разделено на равные части непроводящей электрический ток полоской, при этом вертикальные контактные площадки первого резистивного поля и горизонтальные площадки второго резистивного поля размещены по их краям.
3. Устройство по п.1, отличающееся тем, что пластина выполнена с соотношением сторон от 1:2 до 1:4 и толщиной не более 0,5 мм.
4. Устройство по п.1, отличающееся тем, что оно заключено в эластичный корпус с возможностью его размещения в ротовой полости человека.
РИСУНКИ
|
|