|
|
(21), (22) Заявка: 2004117931/14, 16.06.2004
(24) Дата начала отсчета срока действия патента:
16.06.2004
(45) Опубликовано: 10.02.2006
(56) Список документов, цитированных в отчете о поиске:
RU 2207484 C1, 27.06.2003. RU 2070703 С1, 20.12.1996. GB 2195008 А, 23.03.1988. FR 2346671 А, 28.10.1977.
Адрес для переписки:
111250, Москва, 1-й Краснокурсантский пр., 3/5, НИО, М.М. Старостину
|
(72) Автор(ы):
Медведев Владимир Романович (RU), Старостин Михаил Михайлович (RU), Ткаченко Владимир Иванович (RU), Ткаченко Наталья Владимировна (RU), Тучков Юрий Николаевич (RU)
(73) Патентообладатель(и):
Общевойсковая академия вооруженных сил Российской Федерации (ОА ВС РФ) (RU)
|
(54) УСТРОЙСТВО ДЛЯ ПСИХОФИЗИОЛОГИЧЕСКИХ ИССЛЕДОВАНИЙ ЧЕЛОВЕКА-ОПЕРАТОРА
(57) Реферат:
Изобретение относится к устройствам для психологических исследований человека-оператора. Оно содержит пульты управления оператора, оптическую формирующую систему, генераторы, источник питания, блок изменения яркости, сумматоры, фильтр низкой частоты, блоки подсветки визирного индекса, светофильтров, формирования визирных индексов, дальности и др., а также каналы связи между элементами. В него введены блок задания программ, масштабирующее устройство, ключ, первый вход которого через масштабирующее устройство соединен с выходом датчика частоты периодического сигнала, привод ручного управления подачей тестов, интегратор, вход которого соединен с выходом датчика временных интервалов, блок определения среднего времени правильного выполнения теста, последовательно соединенные дополнительный пульт управления оператора, генератор случайных сигналов, блок ввода программ, блок программ, второй вход которого соединен с выходом блока задания программ, блок подачи тестов, второй вход которого соединен с выходом ключа, и видеоконтрольное устройство, второй и третий входы которого соединены со вторыми выходами соответственно дополнительного пульта управления оператора и генератора случайных сигналов, а выход – со вторым входом блока определения среднего времени правильного выполнения теста. Изобретение обеспечивает расширение функциональных возможностей устройства для проведения психофизиологических исследований, оценки (особенно степени умственного утомления) и коррекции состояния операторов. Это позволяет повысить эффективность их работы на 10-15%. 1 ил. 
Изобретение относится к военно-технической и медико-технической областям и применяется при исследовании психофизиологических характеристик человека-оператора. Оно касается прежде всего исследования состояния человека-оператора, связанного с его умственным и зрительным утомлением, в частности с определением степени умственного утомления.
В практике функциональной деятельности работников различных специальностей значительную долю рабочего времени занимает напряженная умственная работа. Это касается научных сотрудников, преподавателей, исследователей, операторов, членов экипажей подвижных средств и др. Наступление умственной усталости наступает незаметно для человека-оператора, особенно, если это происходит на фоне эмоциональной напряженности. Например, в книге М.А. Котик, А.М. Емельянов: “Природа ошибок человека-оператора” (Москва, “Транспорт”, 1993, с.9) авторы об этом говорят следующим образом: “… Знание человека о своих возможностях весьма приблизительные … Ему не дано знать о себе все, о тех сдвигах в его организме, которые происходят под влиянием внутренних процессов, внешних воздействий, многого он просто не чувствует …”. Поэтому появляются ошибки, снижающие эффективность труда. Их появление особенно опасно в операторском труде, где следствием могут быть аварии, катастрофы и другие чрезвычайные происшествия, связанные с гибелью людей. Появление ошибок у военных операторов происходит еще более интенсивно, поскольку их деятельность происходит в условиях эмоциональной напряженности, связанной с риском для жизни. Характерным примером является деятельность операторов комплексов вооружения бронированных машин, вынужденных сочетать тяжелый физический труд с выполнением напряженных зрительных и умственных действий по наблюдению за местностью, визированию целей и стрельбой по ним, выполнению логико-математических операций при вычислении поправок и принятии решений на поражение целей. Поэтому своевременное выявление наступления усталости вообще и, прежде всего, зрительной и умственной – с целью принятия необходимых мер по недопущению ошибок, способствует повышению эффективности труда специалистов, а в ряде случаев позволяет предупредить наступление чрезвычайных ситуаций и уменьшить риск для жизни персонала.
Известно устройство для психофизиологических исследований человека-оператора прицельного комплекса танка Т-72 (см., например: Вооружение танка Т-72. Под ред. В.М. Шишковского: М.: ВАБТВ, 1979, с.74-91; Котовский В.И. и др. Курс вооружения танков. М.: ВАБТВ, 1957, с.311-358). Оно содержит последовательно соединенные пулы управления оператора, оптическую формирующую систему и блок формирования визирного индекса, блок подсветки визирного индекса, первый вход которого соединен с выходом пульта управления оператора, источник питания, блок изменения яркости визирного индекса, первый вход которого соединен с выходом источника питания, а второй – с выходом пульта управления оператора.
Это устройство выгодно отличается от аналогичных, получивших широкое распространение в серийных системах управления огнем. В этом устройстве оператор при каждом визировании совмещает визирный индекс с центром цели, чем достигается однообразие прицеливания во всех случаях стрельбы. Кроме того, для облегчения обнаружения визирного индекса в неблагоприятных условиях стрельбы (плохая видимость, пыледымовые и световые помехи и др.) он подсвечивается.
Однако это устройство имеет недостатки. При стрельбе по различным целям оператор должен удерживать линию визирования на объекте визирования (цели) в течение продолжительного времени (не менее 3 с), которое необходимо для ввода требуемых поправок. Это время может быть еще большим, если при стрельбе использовать управляемые ракеты. Например, при стрельбе управляемой ракетой на максимальную дальность оператор вынужден удерживать визирный индекс на объекте визирования (цели) более 15 с (см., например: Латухин А.Н. Противотанковое вооружение. М.: Воениздат, 1974, с.192-235). Такое прицеливание, несмотря на то, что оно точнее и проще, чем в более ранних устройствах, вызывает повышенную напряженность оператора, в частности его зрительного аппарата, что очень часто приводит к потере цели (объекта визирования) или визирного индекса (даже при его подсветке) в условиях действия пыледымовых помех, световых помех, особенно на пестрых фонах различной яркости. При стрельбе в режиме “С превышением” необходимо вовремя определять момент снижения управляемой ракеты на линию прицеливания, то есть правильно определять временные интервалы. Это вызывает не только умственную напряженность, но требует еще и определенных способностей и навыков. Ситуация еще более усугубляется, если физическое состояние наводчика-оператора по каким-либо причинам не соответствует требуемому (ранение, утомление, стрессовые срывы и др.). Продолжение стрельбы в таком состоянии оператора возможно, однако ее эффективность резко падает, а причину резкого снижения эффективности определить очень сложно, так как состояния наводчика-оператора ни он сам, ни экипаж танка в процессе стрельбы не замечают. Контроль и коррекция состояния операторов возможны лишь по результатам реальных стрельб, что слишком дорого и малодостоверно, а специальных средств для объективного контроля и коррекции состояния операторов в этом устройстве не предусмотрено (кроме результатов реальных стрельб).
Известно устройство для психофизиологических исследований человека-оператора, используемое в устройстве для визирования (см., например, патент РФ №2070703), которое содержит пульт управления оператора, оптическую формирующую систему, последовательно соединенные источник питания, блок изменения яркости, второй вход которого соединен со вторым выходом пульта управления оператора, сумматор, фильтр низкой частоты, блок подсветки визирного индекса, второй вход которого соединен с третьим выходом пульта управления оператора, блок светофильтров и блок формирования визирного индекса, последовательно соединенные генератор периодических сигналов, блок регулировки периодических сигналов и датчик частоты периодических сигналов, первый выход которого соединен со вторым входом фильтра низкой частоты.
Наличие в этом устройстве генератора и блока регулировки периодических сигналов, фильтра низкой частоты, датчика частоты периодических сигналов и других элементов и связей позволило помимо подсветки визирного индекса достичь и периодического изменения его яркости, благодаря чему его обнаружение на пестрых фонах различной яркости значительно облегчается. Этому способствует и фильтрация электрического сигнала подсветки от высокочастотных помех с помощью фильтра низких частот и от оптических помех с помощью блока светофильтров. Эргономические условия деятельности человека-оператора улучшились. Степень усталости за один и тот же промежуток времени у операторов уменьшилась. Однако недостатки, связанные с контролем и коррекцией состояния наводчика-оператора, в частности его усталости, в устройстве для визирования по патенту РФ №2070703 не устранены.
Известно также устройство для психофизиологических исследований человека-оператора, используемое в устройстве для визирования по патенту РФ 2207484, которое является по технической сути и существенным признакам наиболее близким к заявляемому и принимается за его прототип. Оно содержит блок экранирования, пульт управления оператора и соединенную с его первым выходом оптическую формирующую систему, выход которой соединен со входом блока экранирования, последовательно соединенные источник питания, блок изменения яркости, второй вход которого соединен со вторым выходом пульта у правления оператора, сумматор, фильтр низкой частоты, блок подсветки визирного индекса, второй вход которого соединен с третьим выходом пульта управления оператора, блок светофильтров и блок формирования визирного индекса, второй вход которого соединен с выходом блока экранирования, последовательно соединенные генератор периодических сигналов, блок регулировки периодических сигналов и датчик частоты периодических сигналов, первый выход которого соединен со вторым входом фильтра низкой частоты, первый, второй и третий блоки управления, датчик амплитуды периодических сигналов и датчик временных интервалов, указатели амплитуды и частоты периодических сигналов, указатель временных интервалов, последовательно соединенные блоки дальности, формирования дополнительного визирного индекса и ввода дополнительного визирного индекса в поле зрения оператора, при этом вход датчика амплитуды периодических сигналов и вход датчика временных интервалов соединены с третьим выходом блока регулировки периодических сигналов, первые входы указателей амплитуды и частоты периодических сигналов и первый вход указателя временных интервалов соединены с выходами датчиков соответственно амплитуды и частоты периодических сигналов и датчика временных интервалов, а вторые входы – с выходами соответственно первого, второго и третьего блоков управления, второй выход которого соединен со вторым входом датчика временных интервалов, второй вход и второй выход блока формирования дополнительного визирного индекса соединены соответственно со вторым выходом и третьим входом датчика временных интервалов, выход блока ввода дополнительного визирного индекса оптически сопряжен с полем зрения оператора, а третий вход блока формирования дополнительного визирного индекса соединен с третьим выходом пульта управления оператора.
В этом устройстве в существенной степени устранены отмеченные недостатки. Регулируя и амплитуду, и частоту изменения периодического сигнала, контролируя свои временные характеристики, операторы могут не только выбирать для себя оптимальный с учетом реальных условий режим изменения подсветки визирного индекса, но и оценивать свое состояние, в частности определять степени своего зрительного и умственного утомления, что позволяет своевременно принимать соответствующие меры либо по коррекции выполняемых функциональных действий, либо по замене операторов на рабочих местах.
Недостатками этого устройства являются его ограниченные возможности и низкая достоверность оценки состояния человека-оператора, связанная с его умственной утомляемостью, что объясняется использованием для оценки в нем только зрительного аппарата, участвующего в умственной деятельности лишь частично, и способности человека определять временные интервалы, не включающей динамику мыслительных процессов и операций.
С целью устранения этих недостатков в устройство для психологических исследований человека-оператора, содержащее блок экранирования, пульт управления оператора и соединенную с его первым выходом оптическую формирующую систему, выход которой соединен со входом блока экранирования, последовательно соединенные источник питания, блок изменения яркости, второй вход которого соединен со вторым выходом пульта управления оператора, сумматор, фильтр низкой частоты, блок подсветки визирного индекса, второй вход которого соединен с третьим выходом пульта управления оператора, блок светофильтров и блок формирования визирного индекса, второй вход которого соединен с выходом блока экранирования, последовательно соединенные генератор периодических сигналов, блок регулировки периодических сигналов и датчик частоты периодических сигналов, первый выход которого соединен со вторым входом фильтра низкой частоты, первый, второй и третий блоки управления, датчик амплитуды периодических сигналов и датчик временных интервалов, указатели амплитуды и частоты периодических сигналов, указатель временных интервалов, последовательно соединенные блоки дальности, формирования дополнительного визирного индекса и ввода дополнительного визирного индекса в поле зрения оператора, при этом вход датчика амплитуды периодических сигналов и вход датчика временных интервалов соединены с третьим выходом блока регулировки периодических сигналов, первые входы указателей амплитуды и частоты периодических сигналов и первый вход указателя временных интервалов соединены с выходами датчиков соответственно амплитуды и частоты периодических сигналов и датчика временных интервалов, а вторые входы – с выходами соответственно первого, второго и третьего блоков управления, второй выход которого соединен со вторым входом датчика временных интервалов, второй вход и второй выход блока формирования дополнительного визирного индекса соединены соответственно со вторым выходом и третьим входом датчика временных интервалов, выход блока ввода дополнительного визирного индекса оптически сопряжен с полем зрения оператора, а третий вход блока формирования дополнительного визирного индекса соединен с третьим выходом пульта управления оператора, введены блок задания программ, масштабирующее устройство, ключ, первый вход которого через масштабирующее устройство соединен с выходом датчика частоты периодического сигнала, привод ручного управления подачей тестов, выход которого соединен со вторым входом ключа, интегратор, вход которого соединен с выходом датчика временных интервалов, блок определения среднего времени правильного выполнения теста, вход которого соединен с выходом интегратора, последовательно соединенные дополнительный пульт управления оператора, генератор случайных сигналов, блок ввода программ, блок программ, второй вход которого соединен с выходом блока задания программ, блок подачи тестов, второй вход которого соединен с выходом ключа, и видеоконтрольное устройство, второй и третий входы которого соединены со вторыми выходами соответственно дополнительного пульта управления оператора и генератора случайных сигналов, а выход – со вторым входом блока определения среднего времени правильного выполнения теста.
Введение новых элементов и связей расширяет возможности устройства по определению степени умственного утомления, позволяет повысить достоверность оценки за счет реализации возможности предоставления оператору различного рода тестов, активизирующих его мыслительную деятельность, и применения более совершенного методического аппарата.
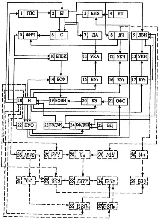
На чертеже показано взаимное расположение и связи элементов предлагаемого устройства для психофизиологических исследований человека-оператора. Новые элементы и связи показаны пунктиром. Сплошными линиями показаны элементы и связи, реализующие прототип. При этом приняты следующие обозначения: 1 – генератор периодических сигналов (ГПС), 2 – блок регулировки периодических сигналов (БР), 3 – блок изменения яркости (БИЯ), 4 – источник питания (ИП), 5 – фильтр низкой частоты (ФНЧ), 6 – сумматор (С), 7 – датчик амплитуды периодических сигналов (ДА), 8 – датчик частоты периодических сигналов (ДЧ), 9 – датчик временных интервалов (ДВИ), 10 – блок подсветки визирного индекса (БПВИ), 11 и 12 – указатели амплитуды (УКА) и частоты (УКЧ) периодических сигналов, 13 – указатель временных интервалов (УКИ), 14 – блок светофильтров (БСФ), 15 – первый блок управления (БУ1). 16 – второй блок управления (БУ2), 17 – третий блок управления (БУ3), 18 – наводчик-оператор (Н), 19 – блок формирования визирного индекса (БФВИ), 20 – блок экранирования (БЭ), 21 – оптическая формирующая система (ОФС), 22 – пульт управления наводчика-оператора (ПУО), 23 – блок ввода дополнительного визирного индекса в поле зрения оператора (БВДВИ), 24 – блок формирования дополнительного визирного индекса (БФДВИ), 25 – блок дальности (БД), 26 – дополнительный пульт управления оператора (ДПУО), 27 – привод ручного управления подачей тестов (РУЧ), 28 – ключ (Кл), 29 – масштабирующее устройство (МУ), 30 – интегратор (И), 31 – генератор случайных сигналов (ГСС), 32 – видеоконтрольное устройство (ВКУ), 33 – блок подачи тестов (БИТ), 34 – блок программ (БПр), 35 – блок определения среднего времени правильного выполнения теста (БОБ), 36 – блок ввода программ (БВП), 37 – блок задания программ (БЗП).
Блоки 1-25 являются штатными элементами прототипа и используются в предлагаемом техническом решении без каких-либо конструктивных изменений. Кроме того, конструктивное исполнение блоков 7, 9, 10, 11, 12, 13 широко известно и в научно-технической литературе (см., например, Корнеев В.В. и др. Электроавтоматика и электрооборудование танков, ч.1. М.: ВАБТВ, 1964, с.19-104, 191-220; Энциклопедия кибернетики, т.1. Киев. 1975, с.254-256; Основы автоматики и танковые автоматические системы. М.: ВАБТВ, 1976, с.134-136 и др.). Первый 15, второй 16 и третий 17 блоки управления выполнены на основе выключателей (тумблеров) и кнопок управления (см. там же), при нажатии которых на входы блоков 11, 12 и 13 подаются сигналы управления, по которым на информационных табло указателей 11, 12 и 13 появляется информация о текущих значениях амплитуды и частоты периодических сигналов, а также временных интервалов, полученных с выходов датчиков соответственно амплитуды 7, частоты 8 и временных интервалов 9. Для питания датчика временных интервалов 9 используется генератор периодических сигналов 1, что дает возможность калибровать периодический сигнал в широких пределах и обойтись без дополнительных источников питания. Блок экранирования 20 выполнен на основе подвижной шторки с ручным приводом, с помощью которого наводчик-оператор 18 может вручную вводить шторку в оптическую систему, экранируя блок формирования визуального индекса 19 от оптической формирующей системы 21. Блоки 23, 24 и 25 выполнены по аналогии с соответствующими блоками прототипа и других аналогов (см. выше). Дополнительный пульт управления 26 по аналогии с блоком 22 содержит органы управления, выполненные в основном с использованием кнопок, тумблеров, переключателей, клавиш и т.д. Прохождение команд и сигналов с дополнительного пульта управления отображается и контролируется с помощью экрана видеоконтрольного устройства 32. В случае необходимости приводить выполнение (решение) тестов в машинописном виде дополнительный пульт управления оператора оснащен клавиатурой печатающего устройства (наборного устройства). Привод ручного управления подачей тестов 27 содержит кнопки и рукоятки управления по аналогии с дополнительным пультом управления оператора 26, коммутирующую и переключающую аппаратуру, аналогичную аппаратуре персональных компьютеров. Исполнение блоков 28-31 широко известно из научно-технической литературы (см. выше). Генератор случайных сигналов 31 обеспечивает случайный характер порядка и содержания выдаваемых тестов, случайное значение чисел в математических выражениях и др. Видеоконтрольное устройство 32 оптико-электронного типа снабжено экраном и элементами, обеспечивающими выдачу на экран необходимой информации как исходной, так и результирующей. Видеоконтрольное устройство, а также блоки 33-37 по своим конструктивным особенностям соответствуют аналогичным устройствам персональных компьютеров (см., например, В.Э. Фигурнов. IBM PC для пользователя. М.: Издательство “ИНФРА – М”, 1966. – 432 с.). Блок подачи тестов 33 содержит электромеханический привод подачи носителя информации, на котором записаны тесты: кинолента, слайд, вращающийся барабан, видеокассета и др.), и сам носитель. Блок программ 34 обеспечивает ввод (запись), хранение, выбор и выдачу заданных с блока 37 программ на видеоконтрольное устройство 32. Блок 35 служит для определения среднего времени правильного выполнения теста. Для этого он соединен с выходами блоков 30 и 32. С выхода блока 30 поступает информация о времени выполнения теста и общем времени выполнения всей программы, а с выхода блока 32 поступает информация о количестве правильно выполненных тестов. Блок задания программ 37 служит также для выработки кодированного сигнала (перед подачей его на блок 37), по которому включается заданная программа подачи тестов. Управляется блок 37 либо сигналом с пульта управления оператора 22 (на чертеже не показано), либо вручную наводчиком (оператором), а также руководителем. При этом человек-оператор (оператор, наводчик) может не только исполнять заданную программу и указания руководителя, но и сам вводить условия и содержание тестов как в пульт управления оператора 22, так и с его помощью в блоки 36 и 37 (на чертеже не показано). Ряд операций может выполнять (вводить, задавать условия) руководитель исследований (на чертеже не показано).
Работает предлагаемое устройство для психофизиологических исследований человека-оператора следующим образом. Как и в прототипе, оператор (наводчик) 18, включив систему управления огнем (в том числе блоки: 1, 2, 3, 4, 10, 22-25), наблюдает через блок формирования визирного индекса 19 и оптическую формирующую систему 21 поле боя, ведет разведку целей (объектов визирования) и выбирает определенную из них (например, объект визирования) для поражения. Затем с помощью пульта управления оператора 22 и оптической формирующей системы 21 совмещает точку визирования на объекте визирования с визирными индексами, сформированными в блоках 19 и 24. В прототипе визирный индекс нанесен на стеклянную пластинку в форме угольника, с вершиной которого и совмещается точка визирования. Дополнительный индекс (визирный) сформирован электронно-оптическим путем. Его изображение образуется на экране электронно-лучевой трубки в виде окружности, диаметр которой пропорционален дальности цели, и при помощи оптических преломляющих устройств вводится в поле зрения наводчика-оператора (см., например: Гуглин И.Н. Телевизионные игровые автоматы и тренажеры. М.: Радио и связь, 1982). Центр окружности, как и основной визирный индекс, совмещен с оптической осью поля зрения оператора. В современных визирных устройствах изменение яркости визирных индексов достигается за счет изменения напряжения подсветки, для чего в цепь питания лампы подсветки включается регулируемое сопротивление (см., например, Танк “Урал” (Т-72), ТО и ИЭ. Кн.1. М.: Воениздат, 1975, 304 с.). Таким образом производится изменение яркости визирного индекса в блоке 3 предлагаемого устройства. В блоке 24 яркость определяется характеристиками ЭЛТ. В дальнейшем (в процессе всего процесса визирования при выстреле одного снаряда или наведении одной ракеты) сигнал на выходе блоков 3 и 24 остается постоянным. Для получения переменной составляющей сигнала подсветки основного визирного индекса в прототипе используется блок 1 (генератор периодических сигналов). При этом его параметры (амплитуда и частота) устанавливаются с помощью блока 2, поскольку для различных операторов они (параметры) различны. Одновременно с установкой оптимальной частоты в блоке 2, благодаря связям блока 2 с блоками 8 и затем 5, такая же частота устанавливается и в блоках 8 и 5.
Изменение амплитуды сигнала подсветки визирного индекса будет происходить синфазно с изменением периодического сигнала. Наличие переменной составляющей в сигнале подсветки вызывает необходимость его фильтрации. Электрическую фильтрацию периодического сигнала подсветки производят путем включения электрического фильтра (блок 5) в электрическую цепь, передающую электрический сигнал с сумматора 6 в блок подсветки визирного индекса 10 для преобразования сигнала из электрической формы в оптическую. При этом фильтр настраивается на частоту изменения сигнала подсветки визирного индекса (благодаря связи блока 5 с блоком 8). Включение фильтра 5 обеспечивает исключение из электрического сигнала высокочастотных составляющих, способствующих размыванию изображения визирного индекса.
Перед началом визирования путем ручного переключения светофильтров на блоке 14 наводчик-оператор добивается оптимального контраста между основным визирным индексом и фоном с целью, устанавливает необходимую яркость дополнительного визирного индекса на блоке 24, а затем, совместив основной визирный индекс с объектом визирования, он, воздействуя на пульт управления 22 и через него – на оптическую формирующую систему 21, продолжает визирование (слежение за целью) до момента производства выстрела и оценки результатов стрельбы.
В режиме стрельбы управляемой ракетой до момента производства выстрела размеры дополнительного визирного индекса максимальны. После пуска управляемой ракеты его размеры уменьшаются пропорционально уменьшению дальности управляемой ракеты от цели. Тем самым обеспечивается повышение точности визирования и выполнения временных показателей.
При необходимости определения состояния наводчика-оператора, например его зрительной усталости, включаются блоки 15 и 16, по сигналам с выходов которых указатели 11 и 12 подключаются к выходам датчиков 7 и 8, благодаря чему информация об амплитуде конкретного периодического сигнала и его частоте поступает соответственно на указатели 11 и 12 и при нажатии соответствующей кнопки выдается на информационное табло соответствующего указателя. Затем перемещением наводчиком 18 вручную рукоятки блока экранирования 20 его шторка вводится в оптическую систему прицельного устройства, благодаря чему блок формирования визирного индекса 19 экранируется от оптической формирующей системы 21, что способствует исключению световых помех и однообразию визуальной обстановки. После этого, используя один из известных способов определения степени зрительного утомления (см. а.с. 339280), воздействуют на органы регулировки блока 2, изменяя либо частоту, либо амплитуду периодического сигнала, определяют критическое значение измеряемого показателя. Это значение определяется по его величине, при которой мелькающий свет станет казаться ровным. В этот момент наводчик-оператор нажимает на кнопку соответствующего блока управления (15 или 16) и на информационное табло соответствующего указателя (11 или 12) выдается численное значение измеряемой величины, по которой и судят о степени изменения состояния наводчика-оператора.
Определение (самоопределение) степени умственного утомления наводчика (оператора) производится их временным тестированием (по качеству выполнения ими временных тестов). Для этого используются блоки 9, 13 и 17: датчик временных интервалов, указатель интервалов и третий блок управления. В отличие от первого 15 и второго 16 блоков управления, третий блок управления 17 соединен не только со “своим” указателем 13, но еще и со вторым входом датчика временных интервалов 9. При первом нажатии на кнопку управления третьего блока управления 17 сигналы с его выходов подаются на вход указателя интервалов 13 и второй вход датчика временных интервалов 9. Благодаря этому с первого выхода датчика временных интервалов 9 на вход указателя интервалов 13 подается сигнал, величина которого пропорциональна длительности временного интервала между первым и вторым нажатиями на кнопку управления (на третьем блоке управления 17). Таким образом, датчик временных интервалов работает подобно работе электрического секундомера: при первом нажатии на кнопку управления блока 17 секундомер начинает работу; при втором нажатии – секундомер останавливается; при третьем нажатии – на табло указателя 13 происходит сброс информации. Оценка степени умственного утомления производится по отклонению от заданного значения численного значения временного интервала, измеренного наводчиком умственно и представленного после второго нажатия кнопки управления блока 19 на информационном табло указателя интервалов 13.
Для закрепления навыков в прицеливании и выполнении временных показателей используются дополнительно блоки 23-25. При установке на блоке 25 определенной дальности блок 24 формирует дополнительный визирный индекс соответствующего размера, а блок 23 обеспечивает его введение в поле зрения наводчика. После первого нажатия на кнопку управления третьего блока управления 17 со второго выхода датчика временных интервалов 9 сигнал, пропорциональный времени (от нажатия кнопки), поступает на второй вход блока 24. Его полярность обратная полярности сигнала с выхода блока дальности. Поэтому по мере его увеличения размер дополнительного визирного индекса уменьшается, и при его исчезновении со второго выхода блока 24 снимается сигнал для выключения блока 9.
Для расширения возможности тестирования человека-оператора включаются блоки 26-37, что обеспечивает их выход на режим. Блок задания программ 37 обеспечивает выдачу сигнала на вход блока программ 34, в котором заданная программа включается и ее сигналы в определенной последовательности и с определенной частотой подаются с выхода блока 34 на вход блока 33. Эти сигналы, содержащие определенные тесты, воспроизводятся на экране видеоконтрольного устройства 32. Наблюдая за экраном блока 32, испытуемый (наводчик-оператор) вникает в суть теста и выполняет его, докладывая при этом свой ответ руководителю голосом, или воспроизводя его на видеоконтрольном устройстве с помощью дополнительного пульта управления 26 (печатающей приставки, наборной клавиатуры и др.). Блок 31 обеспечивает случайный характер подачи тестов. В простейшем случае в качестве тестов выдаются случайные числа из заданного диапазона (ряда) чисел, затем (заранее) формируются различные выражения для их решения испытуемым (наводчиком-оператором). Частота подаваемых тестов задается либо вручную с помощью блока 27, либо автоматически посредством блоков 2, 8, 29. Выбор варианта задания частоты определяется положением ключа 28. На основании информации, полученной с выхода блока 28, изменяется скорость подачи тестов на блоке 33, а следовательно, и скорость их появления на экране блока 32. При этом и тесты, и программы их подачи как в отдохнувшем, так и в утомленном состояниях должны быть равноценными по сложности.
Следует подчеркнуть, что для проведения психофизиологических исследований человека-оператора, в частности степени его умственного утомления, предъявляют испытуемому сигналы переменной частоты в отдохнувшем и утомленном состояниях. Сигналы формируют в виде тестов, требующих решения, то есть представляющих именно умственную нагрузку. Целесообразно, чтобы эта умственная нагрузка была близкой к профессиональной деятельности испытуемого. Тесты могут составляться из типовых задач, характерных для профессиональной деятельности испытуемого, что обеспечивает стабильность результатов и статистическую надежность, так как процесс испытания практически не изменяет уровень мастерства испытуемого, а также экономию времени, поскольку исключает необходимость предварительной подготовки испытуемого. Для обеспечения универсальности в тестах используются общепринятые, доступные широкой аудитории логические, математические, технические и др. выражения, не требующие глубоких или специальных знаний. Например, каждый тест может содержать определенное математическое выражение, требующее выполнения заданных действий. В простейшем случае это могут быть две или несколько цифр, которые необходимо сложить. Тесты по сложности и структуре подбираются однотипными, подобными друг другу (для обеспечения однородности), а цифры задаются случайным образом (чтобы обеспечить независимость и последующую сравнимость результатов различных испытаний и испытуемых). Частота предъявления гестов (сигналов) изменяется и зависит от скорости выполнения тестов. Каждый последующий тест предъявляется испытуемому только после решения им предыдущего теста (в случае математических выражений). Математические тесты предъявляются (руководителем) с помощью экрана видеоконтрольного устройства. Их решения, если их необходимо записывать, также размещаются (испытуемым) на экране, рядом с математическим выражением.
С целью сближения условий испытаний в отдохнувшем и утомленном состояниях количество тестов и в первом, и во втором случаях принимают одинаковым и проводят в несколько серий, как правило, в 3-5 серии, по 10 тестов в каждой из них. С целью максимального выравнивания нагрузок для всех серий и состояний, упрощения проведения испытаний и обеспечения инвариантности по отношению к профессиональным особенностям испытуемых в каждом тесте математические выражения составляют из двухзначных целых случайных чисел, а в качестве действий используются: суммирование и вычитание. При этом числа подбираются и расставляются таким образом, чтобы результат был также двухзначным числом. Затем определяется суммарное время решения заданного количества тестов в утомленном состоянии Тсум.у и в отдохнувшем состоянии – Тсум.о, а также количество правильно решенных тестов в утомленном состоянии Кпр.у и в отдохнувшем состоянии Кпр.о. Далее определяют среднее время правильного решения в каждом из состояний. В утомленном: Тср.у=Тсум.у/Кпр.у и в отдохнувшем: Тср.о=Тсум.о/Кпр.о. Оценку степени умственного утомления у.у производят по относительному изменению среднего времени правильного решения в процентах в соответствии с выражением у.у=(Тср.у-Тср.о)100%/Тср.у. Такая оценка по сравнению с известными более критична к умственной нагрузке, поскольку из оценки практически исключена составляющая зрительного аппарата.
При выключенных блоках 26-37 предлагаемое устройство работает как прототип, а при выключении блоков 1, 15, 16, 20, 23-25 – как штатные прицельные устройства современных боевых машин (например, танков Т-72).
Введение новых элементов и связей позволило в существенной степени устранить отмеченные недостатки, расширить возможности устройства и достичь положительного эффекта. Операторы получили возможность в реальных условиях проводить исследования своего психофизиологического состояния с большей достоверностью, особенно определять степень умственного утомления, что позволило своевременно принимать соответствующие меры либо по коррекции выполняемых функциональных действий, либо по замене наводчиков-операторов. После 4 часов непрерывной работы операторов такие меры позволяют уменьшить снижение эффективности их работы на (10-15)%.
Кроме того, с использованием предлагаемого устройства повышается достоверность оценки влияния различных внешних условий как на эффективность действий наводчиков-операторов, так и на их состояние.
Формула изобретения
Устройство для психологических исследований человека-оператора, содержащее блок экранирования, пульт управления оператора и соединенную с его первым выходом оптическую формирующую систему, выход которой соединен со входом блока экранирования, последовательно соединенные источник питания, блок изменения яркости, второй вход которого соединен со вторым выходом пульта управления оператора, сумматор, фильтр низкой частоты, блок подсветки визирного индекса, второй вход которого соединен с третьим выходом пульта управления оператора, блок светофильтров и блок формирования визирного индекса, второй вход которого соединен с выходом блока экранирования, последовательно соединенные генератор периодических сигналов, блок регулировки периодических сигналов и датчик частоты периодических сигналов, первый выход которого соединен со вторым входом фильтра низкой частоты, первый, второй и третий блоки управления, датчик амплитуды периодических сигналов и датчик временных интервалов, указатели амплитуды и частоты периодических сигналов, указатель временных интервалов, последовательно соединенные блоки дальности, формирования дополнительного визирного индекса и ввода дополнительного визирного индекса в поле зрения оператора, при этом первый вход датчика временных интервалов, вход датчика амплитуды периодических сигналов и второй вход сумматора соединены соответственно с первым, вторым и третьим выходами блока регулировки периодических сигналов, первые входы указателей амплитуды и частоты периодических сигналов и первый вход указателя временных интервалов соединены с выходами датчиков соответственно амплитуды и частоты периодических сигналов и датчика временных интервалов, а вторые входы – с выходами соответственно первого, второго и третьего блоков управления, второй выход которого соединен со вторым входом датчика временных интервалов, второй вход и второй выход блока формирования дополнительного визирного индекса соединены соответственно со вторым выходом и третьим входом датчика временных интервалов, выход блока ввода дополнительного визирного индекса оптически сопряжен с полем зрения оператора, а третий вход блока формирования дополнительного визирного индекса соединен с третьим выходом пульта управления оператора, отличающееся тем, что в него введены блок задания программ, масштабирующее устройство, ключ, первый вход которого через масштабирующее устройство соединен с выходом датчика частоты периодического сигнала, привод ручного управления подачей тестов, выход которого соединен со вторым входом ключа, интегратор, вход которого соединен со вторым выходом датчика временных интервалов, блок определения среднего времени правильного выполнения теста, вход которого соединен с выходом интегратора, последовательно соединенные дополнительный пульт управления оператора, генератор случайных сигналов, блок ввода программ, блок программ, второй вход которого соединен с выходом блока задания программ, блок подачи тестов, второй вход которого соединен с выходом ключа, и видеоконтрольное устройство, второй и третий входы которого соединены со вторыми выходами соответственно дополнительного пульта управления оператора и генератора случайных сигналов, а выход – со вторым входом блока определения среднего времени правильного выполнения теста.
РИСУНКИ
MM4A – Досрочное прекращение действия патента СССР или патента Российской Федерации на изобретение из-за неуплаты в установленный срок пошлины за поддержание патента в силе
Дата прекращения действия патента: 17.06.2006
Извещение опубликовано: 20.02.2008 БИ: 05/2008
|
|