|
| На основании пункта 3 статьи 13 Патентного закона Российской Федерации от 23 сентября 1992 г. № 3517-I патентообладатель обязуется передать исключительное право на изобретение (уступить патент) на условиях, соответствующих установившейся практике, лицу, первому изъявившему такое желание и уведомившему об этом патентообладателя и федеральный орган исполнительной власти по интеллектуальной собственности, – гражданину РФ или российскому юридическому лицу. |
|
(21), (22) Заявка: 2004132120/14, 03.11.2004
(24) Дата начала отсчета срока действия патента:
03.11.2004
(45) Опубликовано: 10.02.2006
(56) Список документов, цитированных в отчете о поиске:
М. Qu et al. Motion artifact from Spot and Band Sbectrodes During Impedance Cardiography. B: IEEE Transaction on BME, 1986, BME-33, №11, November, p.p.1029-1036. RU 2240035 C2, 20.11.2004. SU 1641274 A2, 15.04.1991.
Адрес для переписки:
620042, г.Екатеринбург, ул. Орджоникидзе, 26, кв.39, А.М. Поводатору
|
(72) Автор(ы):
Поводатор Аркадий Моисеевич (RU)
(73) Патентообладатель(и):
Поводатор Аркадий Моисеевич (RU)
|
(54) ЧЕТЫРЕХЭЛЕКТРОДНОЕ УСТРОЙСТВО ДЛЯ СЪЕМА КАРДИОРЕСПИРАТОРНЫХ ПАРАМЕТРОВ БИООБЪЕКТА
(57) Реферат:
Изобретение относится к медицинской и ветеринарной технике, а именно к устройствам для измерения объемных параметров дыхания и электрокардиограммы методами соответственно импедансной пневмографии и электрокардиографии, и предназначено для использования при физиологических исследованиях в естественных условиях жизни и деятельности человека – на производстве, в спорте, в быту и в естественных условиях содержания (жизни) животных. Устройство содержит два генераторных и два сигнальных электрода, генератор стабильного переменного тока и два фильтра, первый из которых предназначен для выделения кардиографического, а второй – респираторного сигналов. Генератор стабильного переменного тока выполнен с симметричным дифференциальным выходом, а в цепь соединения указанного генератора с генераторными электродами введены два Т-образных звена, при этом два последовательно соединенных резистора первого и второго Т-образного звена включены соответственно в цепь соединения первого (второго) генераторного электрода с выходом генератора, а пассивный элемент (резистор или индуктивность) каждого Т-образного звена включен между точкой соединения между собой двух резисторов этого звена и корпусом устройства. Кроме того, в устройство дополнительно введены четыре разрядника и два резистора. Такое выполнение обеспечивает повышение помехозащищенности устройства по синфазной для всех электродов помехе и расширение области его использования. 3 з.п. ф-лы, 2 ил. 
Изобретение относится к медицинской и ветеринарной технике, а именно к устройствам для измерения и регистрации параметров биообъектов (человека, животных) – объемных параметров дыхания и электрокардиограммы методами соответственно импедансной пневмографии и электрокардиографии. Изобретение предназначено для использования при физиологических исследованиях в естественных условиях жизни и деятельности человека – на производстве, в спорте, в быту и в естественных условиях содержания (жизни) животных.
Известно многоэлектродное устройство для съема кардиореспираторных параметров биообъекта [J.Fradin e.a. A dry electrode monitoring system. – IEEE/Eng.Med. and Biol. Soc. 41-st Ann. Conf. Denver, Colo, 1979, N.Y. 1979, p.p.36-39], содержащее два генераторных и два сигнальных электрода, а также два общих электрода, цепь соединения первого генераторного электрода с первой выходной клеммой генератора стабильного переменного синусоидального тока содержит последовательно включенный конденсатор, второй генераторный электрод соединен непосредственно со второй выходной клеммой генератора стабильного переменного тока, причем генератор стабильного переменного тока имеет несимметричный выход, первый сигнальный электрод соединен непосредственно с первой входной клеммой канала широкополосного усиления снимаемых с биообъекта сигналов, второй сигнальный электрод соединен непосредственно со второй входной клеммой широкополосного усиления снимаемых с биообъекта сигналов, канал широкополосного усиления снимаемых с биообъекта сигналов содержит последовательно соединенные первый и второй каскады усиления снимаемых с биообъекта сигналов, с выходом первого из вышеупомянутых каскадов соединен вход канала компенсации синфазной помехи, выход которого соединен с одним из общих электродов, второй общий электрод соединен с корпусом (общей шиной) устройства, выход второго каскада усиления снимаемых с биообъекта сигналов соединен с двумя фильтрами, каждый из которых предназначен для выделения одного из снимаемых с биообъекта сигналов, а именно кардиографического и респираторного сигналов.
Использование в указанном устройстве генератора стабильного переменного тока дает возможность прецизионного измерения параметров биообъекта (в данном случае – частоты дыхания). Вообще, использование генератора стабильного переменного тока дает возможность прецизионного измерения любых параметров внешнего дыхания человека и животных. Наличие специального канала компенсации синфазной помехи, мешающей измерению электрокардиограммы, обеспечивает защиту устройства от помех, возникающих вследствие изменений приэлектродного импеданса при движениях биообъекта и внешних электромагнитных помех, в частности, помех от промышленной силовой сети электропитания.
Однако данное устройство не обеспечивает защиту от внешних электромагнитных помех, наводимых на цепь соединения выхода генератора стабильного переменного тока с генераторными электродами и выделяющихся на нелинейных элементах этого генератора. Такого рода помехи имеют место особенно при использовании устройства для съема кардиореспираторных параметров биообъекта в естественных условиях, в частности при биотелеметрических исследованиях параметров биообъектов в сфере физиологии и гигиены труда на производстве.
Недостатком указанного известного устройства является также повышенная сложность вследствие увеличенного количества размещаемых на биообъекте электродов (шесть электродов) и наличия специального канала компенсации помехи. Это вносит затруднения в обслуживание этого устройства, повышает требования к обслуживающему персоналу и обусловливает повышенную стоимость изготовления и эксплуатации устройства. Практически указанные обстоятельства исключают применение устройства в естественных условиях деятельности биообъектов. Кроме того, схемное построение устройства исключает возможность использования дефибриллятора и/или электрохирургического инструмента при одновременном съеме параметров биообъекта, так как, например, одновременное использование дефибриллятора приводит к выходу устройства из строя вследствие воздействия на него высокого напряжения дефибриллятора, поступающего на входы устройства через наложенные на биообъект электроды. Все указанное ограничивает область использования известного устройства.
Наиболее близким к предложенному техническому решению (прототипом) является [М. Qu e.a. Motion artifact from Spot and Band Electrodes During Impedance Cardiography. – IEEE Transaction on BME, 1986, BME-33, #11, November, p.p.1029-1036] четырехэлектродное устройство для съема кардиореспираторных параметров биообъекта, содержащее два генераторных и два сигнальных электрода, цепь соединения первого генераторного электрода с первой выходной клеммой генератора стабильного переменного тока содержит последовательно включенный первый конденсатор, цепь соединения второго генераторного электрода со второй выходной клеммой генератора стабильного переменного тока содержит последовательно включенный второй конденсатор, причем генератор стабильного переменного тока имеет несимметричный выход, а сигнальные электроды соединены со входами двух фильтров, каждый из которых предназначен для выделения одного из снимаемых с биообъекта сигналов, а именно, емкостно-резистивный высокочастотный фильтр выделения респираторного сигнала и резистивный низкочастотный фильтр выделения кардиографического сигнала, с выхода каждого фильтра выделенный сигнал подается на соответствующий канал усиления этого сигнала.
Недостатком прототипа является пониженная помехоустойчивость при наличии внешних электромагнитных помех, наводимых на цепь соединения выхода генератора стабильного переменного тока с генераторными электродами и выделяющихся на нелинейных элементах этого генератора, а также отсутствие защиты от синфазных помех, возникающих вследствие изменений приэлектродного импеданса генераторных электродов при движениях биообъекта и от помех по сети питания устройства.
Пониженная помехоустойчивость к внешним электромагнитным помехам, особенно имеющим место в производственных условиях, ограничивает область использования известного устройства-прототипа.
Кроме того, схемное построение устройства-прототипа исключает возможность использования дефибриллятора и/или электрохирургического инструмента при одновременном съеме параметров биообъекта, так как высокое напряжение дефибриллятора или электрохирургического инструмента и возникающие при этом токи большой величины, действующие на теле пациента, через электроды устройства воздействуют на цепи устройства, выводя из строя его элементы, нормальные рабочие напряжения и токи которых значительно меньше, чем напряжения и токи дефибриллятора и электрохирургического инструмента. Это также ограничивает область использования известного устройства-прототипа.
Задачей предложенного изобретения является повышение помехоустойчивости устройства и расширение области его использования.
Указанная задача решена двумя вариантами изобретения.
Для решения поставленной задачи по первому варианту четырехэлектродное устройство для съема кардиореспираторных параметров биообъекта, содержащее два генераторных и два сигнальных электрода, цепь соединения первой выходной клеммы генератора стабильного переменного тока с первым генераторным электродом, цепь соединения второй выходной клеммы генератора стабильного переменного тока со вторым генераторным электродом, сигнальные электроды соединены со входами двух фильтров, первый из которых предназначен для выделения кардиографического, а второй – респираторного сигналов, отличается тем, что генератор стабильного переменного тока выполнен с симметричным дифферециальным выходом, средняя точка которого является третьей выходной клеммой указанного генератора и соединена с корпусом устройства, а первая и вторая выходные клеммы генератора являются клеммами симметричного дифференциального выхода генератора, кроме того, в устройство введены первый, второй, третий и четвертый резисторы, а также первый и второй пассивные элементы, каждый из которых может являться либо резистором, либо индуктивностью, причем первый и второй резисторы и первый пассивный элемент образуют первое Т-образное звено, а третий и четвертый резисторы и второй пассивный элемент образуют второе Т-образное звено, каждое из указанных Т-образных звеньев включено в цепь соединения соответственно первой или второй выходной клеммы генератора стабильного переменного тока с первым или вторым генераторным электродом таким образом, что два последовательно соединенных резистора первого и второго Т-образного звена включены соответственно между вторым выводом первого (второго) конденсатора и первым (вторым) генераторным электродом, а пассивный элемент каждого Т-образного звена включен между точкой соединения между собой двух резисторов этого звена и корпусом устройства, причем каждый из пассивных элементов каждого Т-образного звена имеет сопротивление, по крайней мере в пять раз превышающее выходное сопротивление генератора стабильного переменного тока.
Четырехэлектродное устройство для съема кардиореспираторных параметров биообъекта по первому варианту отличается также тем, что в него введены первый, второй, третий и четвертый разрядники, а также дополнительно введены пятый и шестой резисторы, первый разрядник включен между точкой соединения между собой первого и второго резисторов первого Т-образного звена и корпусом устройства, второй разрядник таким же образом включен во второе Т-образное звено, каждый из двух дополнительно введенных резисторов включен последовательно в цепь соединения сигнального электрода со входом одного из фильтров таким образом, что первый вывод каждого дополнительно введенного резистора соединен непосредственно с одним из сигнальных электродов, второй вывод каждого дополнительно введенного резистора соединен со входом одного из фильтров, третий разрядник включен между корпусом устройства и вторым выводом одного из дополнительно введенных резисторов, а четвертый разрядник включен между корпусом устройства и вторым выводом другого из дополнительно введенных резисторов.
Кроме того, четырехэлектродное устройство для съема кардиореспираторных параметров биообъекта по первому варианту отличается тем, что каждый из пассивных элементов каждого Т-образного звена имеет сопротивление, по крайней мере в пять раз превышающее выходное сопротивление генератора стабильного переменного тока.
Для решения поставленной задачи по второму варианту четырехэлектродное устройство для съема кардиореспираторных параметров биообъекта, содержащее два генераторных и два сигнальных электрода, цепь соединения первой выходной клеммы генератора стабильного переменного тока с первым генераторным электродом, цепь соединения второй выходной клеммы генератора стабильного переменного тока со вторым генераторным электродом, сигнальные электроды соединены со входами двух фильтров, первый из которых предназначен для выделения кардиографического, а второй – респираторного сигналов, отличается тем, что генератор стабильного переменного тока выполнен с симметричным дифферециальным выходом, средняя точка которого является третьей выходной клеммой указанного генератора и соединена с корпусом устройства, а первая и вторая выходные клеммы генератора являются клеммами симметричного дифференциального выхода генератора, кроме того, в устройство введены первый, второй, третий, четвертый, пятый и шестой резисторы, первый и второй пассивные элементы, каждый из которых может являться либо резистором, либо индуктивностью, а также введены первый, второй, третий и четвертый разрядники, причем первый и второй резисторы и первый пассивный элемент образуют первое Т-образное звено, а третий и четвертый резисторы и второй пассивный элемент образуют второе Т-образное звено, каждое из указанных Т-образных звеньев включено в цепь соединения соответственно первой или второй выходной клеммы генератора стабильного переменного тока с первым или вторым генераторным электродом таким образом, что два последовательно соединенных резистора первого и второго Т-образного звена включены соответственно между вторым выводом первого (второго) конденсатора и первым (вторым) генераторным электродом, а пассивный элемент каждого Т-образного звена включен между точкой соединения между собой двух резисторов этого звена и корпусом устройства, стабильного переменного тока, первый разрядник включен между точкой соединения между собой первого и второго резисторов первого Т-образного звена и корпусом устройства, второй разрядник таким же образом включен во второе Т-образное звено, пятый и шестой резисторы включены по одному последовательно в цепь соединения сигнального электрода со входом одного из фильтров таким образом, что первый вывод пятого (шестого) резистора соединен непосредственно с одним из сигнальных электродов, второй вывод пятого (шестого) резистора соединен со входом одного из фильтров, третий разрядник включен между корпусом устройства и вторым выводом пятого резистора, а четвертый разрядник включен между корпусом устройства и вторым выводом шестого резистора.
Кроме того, четырехэлектродное устройство для съема кардиореспираторных параметров биообъекта по второму варианту отличается тем, что каждый из пассивных элементов каждого Т-образного звена имеет сопротивление, по крайней мере в пять раз превышающее выходное сопротивление генератора стабильного переменного тока.
Выполнение в предложенном устройстве по первому варианту генератора стабильного переменного тока с симметричным дифферециальным выходом с введением в устройство четырех резисторов и двух пассивных элементов при вышеуказанном соединении всех элементов устройства обеспечивает неожиданный технический результат – повышение помехозащенности по синфазной для всех электродов помехе, что особенно важно для электрокардиографического сигнала, так как доминирующая синфазная помеха является сетевой помехой с частотой 50-60 Гц, находящейся в спектре электрокардиографического сигнала. Кроме того, предложенное схемное решение устройства по первому варианту обеспечивает возможность введения в схему устройства защитных элементов в виде разрядников, позволяющих использовать дефибриллятор и/или электрохирургический инструмент при одновременном съеме параметров биообъекта. Область использования устройства расширяется, его можно использовать для съема кардиореспираторных параметров объектов в естественных условиях трудовой и спортивной деятельности, при реабилитационных процедурах, в постинфарктных наблюдениях, а также при обследованиях животных, находящихся в условиях свободного перемещения на фермах.
Введение в предложенное устройство по первому варианту первого, второго, третьего и четвертого разрядников и двух дополнительных резисторов при вышеуказанном соединении этих элементов обеспечивает возможность работы устройства по первому варианту с дефибриллятором или электрохирургическими инструментами без отключения схемы измерения, без нарушения процесса измерения, а также без необходимости снятия электродов с тела пациента. Это обеспечивается тем, что высокое напряжение дефибриллятора или электрохирургического элемента и действующие при этом на теле пациента токи отводятся от цепей устройства через указанные разрядники.
Выполнение в предложенном устройстве по второму варианту генератора стабильного переменного тока с симметричным дифферециальным выходом с введением в устройство шести резисторов, двух пассивных элементов и четырех разрядников при вышеуказанном соединении всех элементов устройства обеспечивают такой же технический результат, как и по первому варианту изобретения – повышение помехозащищенности по синфазной для всех электродов помехе. Кроме того, обеспечивается нормальная работа устройства по второму варианту при одновременном применении дефибриллятора или электрохирургического инструмента без отключения схемы измерения, без нарушения процесса измерения и без необходимости снятия электродов с тела пациента. Предложенное устройство можно использовать для съема кардиореспираторных параметров объектов в естественных условиях трудовой и спортивной деятельности, при реабилитационных процедурах, в постинфарктных наблюдениях, а также при обследованиях животных, находящихся в условиях свободного перемещения на фермах.
Придание в четырехэлектродном устройстве для съема кардиореспираторных параметров биообъекта по любому варианту каждому из пассивных элементов каждого Т-образного звена величиы сопротивления, по крайней мере в пять раз превышающей величину выходного сопротивления генератора стабильного переменного тока, обеспечивает минимальное шунтирование выхода генератора стабильного переменного тока.
В известном уровне техники не выявлено технических решений, содержащих вышеуказанные совокупности ограничительных и отличительных признаков независимых пунктов формулы, что при достижении вышеописанного технического результата, позволяет считать предложенные технические решения имеющими изобретательский уровень. Единство изобретения обеспечивается наличием в обоих вариантах изобретения одинаковых признаков для достижения одного технического результата – повышение помехоустойчивости устройства.
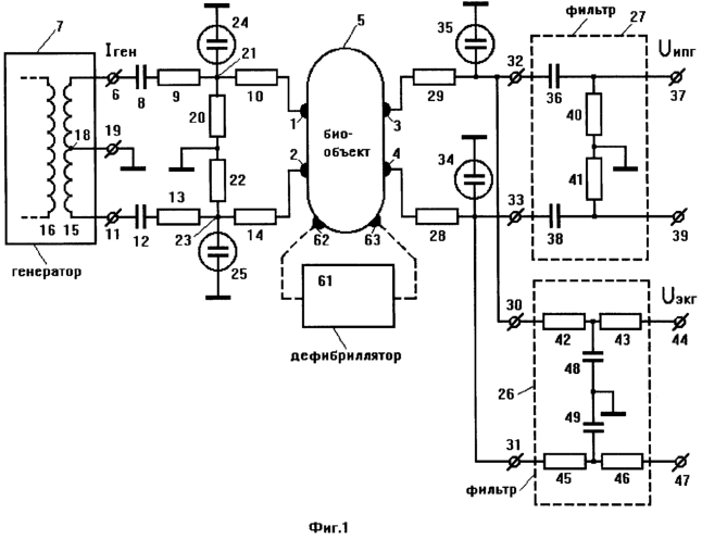
Изобретение поясняется чертежами:
фиг.1 – блок-схема предложенного четырехэлектродного устройства для съема кардиореспираторных параметров биообъекта с трансформаторным выполнением симметричного дифференциального выхода генератора стабильного переменного тока;
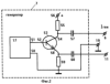
фиг.2 – бестрансформаторное выполнение симметричного дифференциального выхода генератора стабильного переменного тока.
Четырехэлектродное устройство для съема кардиореспираторных параметров биообъекта содержит (фиг.1) два генераторных 1, 2 и два сигнальных электрода 3, 4. При эксплуатации устройства указанные электроды закреплены на биообъекте 5, которым является, в частности, тело пациента. Цепь соединения первой выходной клеммы 6 генератора 7 стабильного переменного тока с первым генераторным электродом 1 содержит последовательно соединенные (последовательно включенные) первый конденсатор 8, первый и второй резисторы 9 и 10. При этом первый вывод конденсатора 8 соединен с первой выходной клеммой 6 генератора 7, второй вывод конденсатора 8 соединен с первым выводом резистора 9, второй вывод которого соединен с первым выводом резистора 10, а второй вывод резистора 10 соединен с генераторным электродом 1. Цепь соединения второй выходной клеммы 11 генератора 7 со вторым генераторным электродом 2 содержит последовательно включенные (соединенные) второй конденсатор 12, третий резистор 13 и четвертый резистор 14, причем первый вывод конденсатора 12 соединен с первой выходной клеммой 11 генератора 7, второй вывод конденсатора 12 соединен с первым выводом резистора 13, второй вывод которого соединен с первым выводом резистора 14, а второй вывод резистора 14 соединен с генераторным электродом 2.
Каждая из выходных клемм 6, 11 генератора 7 соединена с соответствующим выводом вторичной обмотки 15 выходного трансформатора генератора 7. Первичная обмотка 16 этого трансформатора соединена с генератором 17 переменного сигнала, являющимся, например, синусоидальным генератором (см. фиг.2, на фиг.1 не показано). Средняя точка 18 вторичной обмотки 15 соединена с третьей выходной клеммой 19 генератора 7 и с корпусом устройства. Таким образом, генератор 7 имеет симметричный дифференциальный выход.
Первый пассивный элемент 20 (резистор или индуктивность) включен между корпусом устройства и общей точкой 21 соединения между собой соответствующих выводов резисторов 9 и 10. Второй пассивный элемент 22 (резистор или индуктивность) включен также между корпусом устройства и общей точкой 23 соединения между собой соответствующих выводов резисторов 13 и 14. Резисторы 9, 10 и пассивный элемент 20 образуют первое Т-образное звено, а резисторы 13, 14 и второй пассивный элемент 22 образуют второе Т-образное звено. Таким образом, каждое из указанных Т-образных звеньев включено в цепь соединения соответственно первой или второй выходной клеммы 6, 11 генератора 7 стабильного переменного тока с первым или вторым генераторным электродом 1, 2 таким образом, что два последовательно соединенных резистора первого или второго Т-образного звена (9 и 10 или 13 и 14) включены соответственно между первым (вторым) конденсатором 8 (12) и первым (вторым) генераторным электродом 1 (2).
Первый разрядник 24 включен между корпусом устройства и общей точкой 21 резисторов 9, 10 первого Т-образного звена, а второй разрядник 25 включен между корпусом устройства и общей точкой 23 резисторов 13, 14 второго Т-образного звена.
Каждый из пассивных элементов 20, 22 каждого Т-образного звена имеет сопротивление, по крайней мере в пять раз превышающее выходное сопротивление генератора 7 стабильного переменного тока. Это обусловлено необходимостью минимального шунтирования выхода генератора 7. В конкретном выполнении устройства при выходном сопротивлении генератора 7, равном 10 кОм, каждый из резисторов 20 и 22 (пассивные элементы) имел сопротивление 51 или 46 кОм, каждый из резисторов 9,13 имел сопротивление 10 кОм, а каждый из резисторов 10,14 – 5,6 кОм.
Сигнальные электроды 3, 4 соединены со входами двух фильтров 26, 27, первый из которых – фильтр нижних частот 26 предназначен для выделения кардиографического сигнала, а второй – фильтр высоких частот 27 – респираторного сигнала.
В цепи соединения сигнальных электродов 3, 4 со входами фильтров 26, 27 включены пятый 28 и шестой 29 резисторы. Вход каждого из фильтров 26, 27 имеет по две входных клеммы (соответственно, 30 и 31, 32 и 33). Первый вывод резистора 28 соединен с сигнальным электродом 3, второй вывод резистора 28 соединен со входной клеммой 30 фильтра 26 и с входной клеммой 32 фильтра 27. Первый вывод резистора 29 соединен с сигнальным электродом 4, второй вывод резистора 29 соединен со входной клеммой 31 фильтра 26 и со входной клеммой 33 фильтра 27. То есть каждый из резисторов 28, 29 включен последовательно в цепь соединения соответствующего сигнального электрода 3, 4 со входом одного из фильтров 26, 27. Третий разрядник 34 включен между корпусом устройства и вторым выводом одного резистора 28, а четвертый разрядник 35 включен между корпусом устройства и вторым выводом резистора 29.
Выходы фильтров 26, 27 являются выходами четырехэлектродного устройства для съема кардиореспираторных параметров биообъекта 5 и соединяются со входами каналов усиления и регистрации кардиографического и респираторного сигналов (на чертежах не показано).
Фильтр 27 является высокочастотным фильтром выделения респираторного сигнала, фильтр 26 – низкочастотным фильтром выделения кардиосигнала. Тип фильтра обусловлен тем, что кардиосигнал содержит спектр частот до 100 Гц, респираторный сигнал – до 100 кГц.
Емкостно-резистивный Г-образный фильтр 27 содержит конденсатор 36, включенный между входной клеммой 32 этого фильтра и выходной клеммой 37 этого же фильтра, конденсатор 38, включенный между входной клеммой 33 фильтра 26 и выходной клеммой 39 этого же фильтра, а также резисторы 40, 41, включенные последовательно друг другу между точками соединения конденсаторов 36, 38 с выходными клеммами 37, 39 фильтра 27. Общая точка соединения между собой резисторов 40, 41 соединена с корпусом устройства и может являться третьей входной-выходной клеммой фильтра 27.
Резистивно-емкостный Т-образный фильтр 26 содержит последовательно соединенные резистор 42 и резистор 43, включенные между входной клеммой 30 фильтра 26 и выходной клеммой 44 этого же фильтра, а также последовательно соединенные резистор 45 и резистор 46, включенные между входной клеммой 31 фильтра 26 и выходной клеммой 47 этого же фильтра. В каждой из указанных пар резистор-резистор (42-43 и 45-46) один из выводов первого резистора (42, 45) соединен с входной клеммой (30, 31), а один из выводов второго резистора (43, 46) соединен с выходной клеммой (44, 47). Другие выводы указанных резисторов каждой пары соединены между собой. Фильтр 26 содержит также соединенные последовательно друг с другом конденсаторы 48, 49, включенные между общими точками соединения между собой резисторов каждой вышеупомянутой пары резисторов. Общая точка соединения между собой конденсаторов 48, 49 соединена с корпусом устройства и может являться третьей входной-выходной клеммой фильтра 26.
Генератор 7 стабильного переменного тока с симметричным дифференциальным выходом может иметь бестрансформаторный выход. В таком случае генератор 7 может включать, например (фиг.2), генератор 17 переменного сигнала, один вывод 50 которой соединен с корпусом устройства, второй вывод 51 соединен с базой 52 транзистора 53 выходного каскада генератора 7. Коллектор 54 транзистора 53 через резистор 55 соединен с клеммой 56 электропитания устройства и через конденсатор 57 соединен с выходной клеммой 6 генератора 7. Эмиттер 58 транзистора 53 через резистор 59 соединен с корпусом устройства и через конденсатор 60 соединен с другой выходной клеммой 11 генератора 7. Корпус устройства и в таком выполнении генератора 7 соединен с третьей выходной клеммой 19 генератора 7.
Одновременно со снятием параметров респираторного сигнала и кардиосигнала биообъекта 5 могут быть использованы при необходимости дефибриллятор или электрохирургический инструмент 61 (фиг.1), которые подключены к специальным электродам 62, 63, размещенным на биообъекте 5. При отсутствии необходимости в использовании дефибриллятора (электрохирургического инструмента) 61 из схемы устройства исключаются разрядники 24, 25, 34, 35. В этом случае из схемы устройства могут быть также исключены резисторы 28, 29.
Конденсаторы 8 и 12 (фиг.1) не являются обязательными элементами устройства, так как в схеме по фиг.1 обмотки 15 и 16 выходного трансформатора генератора 7 выполняют роль гальванической развязки биобъекта 5 и устройства.
Пассивные элементы 20, 22 могут быть выполнены либо в виде резисторов, либо в виде индуктивностей. В качестве разрядников 24, 25, 34, 35 могут быть использованы неоновая лампа (например, типа ИНС-1) или диод (диодная цепочка).
Стабильность амплитуды переменного напряжения генератора 7 требуется в данном случае с точки зрения обеспечения точности снятия (измерения) кардио- и респираторного сигналов биообъекта 5. Переменный выходной сигнал генератора 7 может иметь вид синусоиды или другие виды, например, меандр, пилообразное напряжение. Частота генератора 7 составляет десятки кГц (в частности, 100 кГц).
При необходимости выход генератора 7 подключается к каналам усиления и обработки респираторного и кардиосигналов (на чертежах не показано) для обеспечения синхронного детектирования (демодуляции) этих сигналов в указанных каналах, как это осуществлено, например, в устройстве по а.с. СССР №819742.
Четырехэлектродное устройство для съема кардиореспираторных параметров биообъекта работает следующим образом.
На выходных клеммах 6, 11 включенного генератора 7 действует стабильный переменный ток Iген, который через Т-образные звенья из элементов 9, 10, 20, 13, 14, 22 передается на генераторные электроды 1, 2 и протекает через биообъект 5. Величина вариаций полезного респираторного сигнала на сигнальных электродах 3, 4, пропорциональная колебаниям импеданса биообъекта 5, прямо пропорциональна величине тока генератора 7, который, таким образом, обеспечивает повышенную амплитуду полезного респираторного сигнала. Величина вариаций полезного кардиосигнала на сигнальных электродах 3, 4 обеспечивается организмом биообъекта 5 как генератором напряжения.
Синфазная помеха, наводящаяся на биообъект 5, например, помеха с частотой сети 50 Гц, действует между двумя генераторными 1, 2 и двумя сигнальными 3, 4 электродами. Генераторные электроды 1, 2 и резисторы 10, 20, а также резисторы 14, 22 образуют для этой синфазной помехи относительно низкоомную цепь, которая является виртуальной общей шиной для кардиосигнала. Наличие этой виртуальной шины обеспечивает идентичность величин указанной синфазной помехи на обоих сигнальных электродах 3, 4 относительно корпуса устройства. А равенство этих величин синфазной помехи относительно корпуса устройства приводит к нулевой разнице между ними на одном сигнальном электроде (1) относительно другого сигнального электрода (2). При этом указанная синфазная помеха отсутствует на клеммах 32, 33 и клеммах 30, 31, являющихся входами фильтров 27, 26. В результате на сигнальных электродах 3, 4 действует сигнал, отражающий параметры кардиосигнала и респираторного сигнала и не содержащий синфазной помехи. С помощью фильтра 26 из этого сигнала выделяется составляющая, соответствующая кардиосигналу, и на выходных клеммах 44, 47 фильтра 26 действует напряжение Uэкг, отражающее параметры кардиосигнала. С помощью фильтра 27 из указанного сигнала выделяется составляющая, соответствующая респираторному сигналу, и на выходных клеммах 37, 39 фильтра 27 действует напряжение Uипг, отражающее параметры респираторного сигнала.
Одновременно со снятием параметров респираторного сигнала и кардиосигнала биообъекта 5 могут быть использованы при необходимости дефибриллятор или электрохирургический инструмент 61 (фиг.1). При включении, например, дефибриллятора 61 и подаче на биообъект высокого напряжения это напряжение через электроды 1, 2, 3, 4 и ограничительные резисторы 10, 14, 28, 29 поступает на разрядники 24, 25, 34, 35. Разрядники срабатывают, шунтируя выход генератора 7 и входы фильтров 26, 27 и ограничивая амплитуду высокого напряжения дефибриллятора 61 до уровня, безопасного для элементов устройства.
Формула изобретения
1. Четырехэлектродное устройство для съема кардиореспираторных параметров биообъекта, содержащее два генераторных и два сигнальных электрода, первую цепь соединения первой выходной клеммы генератора стабильного переменного тока с первым генераторным электродом, вторую цепь соединения второй выходной клеммы генератора стабильного переменного тока со вторым генераторным электродом, сигнальные электроды соединены со входами двух фильтров, первый из которых предназначен для выделения кардиографического, а второй – респираторного сигналов, отличающееся тем, что генератор стабильного переменного тока выполнен с симметричным дифференциальным выходом, средняя точка которого является третьей выходной клеммой указанного генератора и соединена с корпусом устройства, а первая и вторая выходные клеммы генератора являются клеммами симметричного дифференциального выхода генератора, первая и вторая цепи соединения выполнены на первом, втором, третьем и четвертом резисторах, а также первом и втором пассивных элементах, причем первый и второй резисторы и первый пассивный элемент образуют первое Т-образное звено, а третий и четвертый резисторы и второй пассивный элемент – второе Т-образное звено, при этом два последовательно соединенных резистора каждого из Т-образных звеньев включены между соответствующими первой (второй) выходной клеммой генератора стабильного переменного тока и первым (вторым) генераторным электродом, а пассивный элемент каждого Т-образного звена включен между точкой соединения между собой двух резисторов этого звена и корпусом устройства.
2. Устройство по п.1, отличающееся тем, что в него введены первый, второй, третий, и четвертый разрядники, а также пятый и шестой резисторы, при этом первый и второй разрядники включены между точкой соединения между собой первого и второго резисторов соответствующего Т-образного звена и корпусом устройства, а пятый и шестой резисторы включены между соответствующими сигнальным электродом и входом соответствующего фильтра, а третий и четвертый разрядники включены между корпусом устройства и входом соответствующего фильтра.
3. Устройство по п.1 или 2, отличающееся тем, что каждый из пассивных элементов каждого Т-образного звена имеет сопротивление, по крайней мере в пять раз превышающее выходное сопротивление генератора стабильного тока.
4. Устройство по п.1, отличающееся тем, что пассивные элементы выполнены в виде резисторов или индуктивностей.
РИСУНКИ
|
|