|
|
(21), (22) Заявка: 2003132719/15, 10.11.2003
(24) Дата начала отсчета срока действия патента:
10.11.2003
(43) Дата публикации заявки: 20.04.2005
(45) Опубликовано: 10.09.2005
(56) Список документов, цитированных в отчете о поиске:
RU 2157861 С2, 20.10.2000. RU 2157427 C1, 10.10.2000. RU 2213162 С2, 27.09.2003. WO 91/07525 А2, 30.05.1991. US 3969214 А, 13.07.1976. US 3992271 А, 16.11.1976.
Адрес для переписки:
350044, г.Краснодар, ул. Калинина, 13, КГАУ, ПИО
|
(72) Автор(ы):
Канарёв Ф.М. (RU), Тлишев А.И. (RU)
(73) Патентообладатель(и):
Кубанский Государственный аграрный университет (RU)
|
(54) УСТРОЙСТВО ДЛЯ ПОЛУЧЕНИЯ ТЕПЛОВОЙ ЭНЕРГИИ, ВОДОРОДА И КИСЛОРОДА
(57) Реферат:
Изобретение относится к физико-химическим технологиям получения тепла, водорода и кислорода. Устройство содержит корпус, выполненный из диэлектрического материала, крышку, также выполненную из диэлектрического материала, анод, катод и патрубок для ввода рабочего раствора. Анод выполнен в виде вертикального цилиндра и расположен в анодной полости. Цилиндрический катод вставлен в диэлектрический стержень, который посредством резьбы введен в корпус соосно с осевым отверстием крышки, выполняющим роль катодной полости. Анодная полость сообщена с катодной полостью посредством зазора между торцевой поверхностью диэлектрического стержня и нижней торцевой поверхностью крышки с возможностью регулирования зазора посредством осевого перемещения диэлектрического стержня. Крышка имеет полость для сбора кислорода, каналы для выхода кислорода и водорода и радиальный канал для выхода нагретого раствора, а анод и катод подключены к источнику питания, генерирующему импульсы. Технический эффект – повышение энергетических показателей устройства. 1 ил., 1 табл. 
Изобретение относится к физико-химическим технологиям и технике для получения тепла, водорода и кислорода.
Известно техническое решение (см. Яковлев С.В., Краснобородько И.Г. и Рогов В.М. Технология электрохимической очистки воды. Л.: Стройиздат, 1987, с.207-211, 227-231), содержащее корпус с патрубками для подвода и отвода обрабатываемого раствора, электроразрядную камеру с размещенными в ней плоским и игольчатым электродом.
Известно техническое решение, описанное в SU 487665, С 25 В 9/00, 15.10.75, содержащее корпус, верхнюю и нижнюю крышки, патрубки для ввода и вывода рабочего раствора, анод, соединенный с положительным полюсом источника питания и катод, соединенным с отрицательным полюсом источника питания.
Также известно техническое решение, описанное в патенте России №2157861 (прототип), для получения тепловой энергии водорода и кислорода, содержащее корпус, выполненный из диэлектрического материала, крышку, также выполненную из диэлектрического материала, которая имеет цилиндроконический прилив со сквозным отверстием, образующий совместно с корпусом анодную и катодную полости, анод выполнен плоским, кольцевым с отверстиями, расположен в анодной полости и соединен с положительным полюсом источника питания, катод – в виде стержня из тугоплавкого материала вставлен в диэлектрический стержень с наружной резьбой, посредством которой он введен в межэлектродную камеру через резьбовое отверстие в корпусе и центрирован в сквозном отверстии крышки и соединен с отрицательным полюсом источника питания, патрубок для ввода рабочего раствора расположен в средней части анодной полости.
Недостатком известных изобретений является то, что они имеют низкую энергетическую эффективность.
Техническим решением задачи является повышение энергетических показателей устройства.
Поставленная задача достигается тем, что в устройстве для получения тепловой энергии водорода и кислорода, содержащем корпус, выполненный из диэлектрического материала, крышку из диэлектрического материала, анод, катод и патрубок для ввода рабочего раствора, анод выполнен в виде вертикального цилиндра и расположен в анодной полости, цилиндрический катод вставлен в диэлектрический стержень, который посредством резьбы введен в корпус и соосно совмещен с осевым отверстием крышки, выполняющим роль катодной полости, анодная полость сообщена с катодной полостью посредством зазора между торцевой поверхностью диэлектрического стержня и нижней торцевой поверхностью крышки с возможностью регулирования зазора посредством осевого перемещения диэлектрического стержня, крышка имеет полость для сбора кислорода, канал для выхода водорода и кислорода и радиальный канал для выхода нагревательного раствора, а анод и катод подключены к источнику питания, генерирующего импульсы.
Новизна заявляемого предложения обусловлена тем, что раствор проходит через осевое отверстие катода, а зазор между анодной и катодной полостью регулируется с помощью резьбы крышки. За счет этого увеличивается активность воздействия на молекулы воды и повышается энергетическая эффективность процесса. Кроме того, в зазоре между крышкой и внутренним приливом корпуса формируется электрическая цепь с большим сопротивлением и формируется электрическое поле, напряженность которого можно изменять путем изменения величины зазора. Если это поле сделать импульсным, то молекулы воды легче разрушаются на ионы, водород и кислород, которые выходят через осевое отверстие крышки.
При такой схеме устройства можно подобрать резонансную частоту воздействия на молекулы воды и таким образом резко уменьшить затраты энергии на их разрушение. При последующем синтезе молекул воды, разрушенных резонансным электромагнитным полем, выделяется дополнительная тепловая энергия. Таким образом, устройство генерирует одновременно тепловую энергию и смесь газов: водород и кислород.
По данным патентно-технической литературы не обнаружена аналогичная совокупность признаков, что позволяет судить об изобретательском уровне предложения.
Сущность изобретения поясняется чертежом.
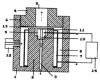
Устройство для получения тепловой энергии водорода и кислорода содержит корпус 1, изготовленный из диэлектрического материала и имеющий внутренний прилив 2 с осевым отверстием 3, диэлектрическую крышку 4 с осевым отверстием 5 и наружной резьбой 6. Цилиндрический анод 7 вставлен в анодную полость 8, образованную стенками корпуса и внутреннего прилива корпуса, и соединен с положительным полюсом источника питания. Цилиндрический катод 9 с осевым отверстием 10 вставлен посредством резьбы в верхнюю часть внутреннего прилива 2 соосно с его осевым отверстием 3 и соединен с отрицательным полюсом источника питания. Зазор между цилиндрической поверхностью катода и внутренней стенкой отверстия внутреннего прилива образует катодную полость 11. Раствор поступает в анодную полость 8 через патрубок 12 и проходит в катодную полость 11 через регулируемый зазор 13 между внутренним приливом 2 корпуса 1 и крышкой 4 и далее выходит через осевое отверстие 10 катода 9 и осевое отверстие 3 внутреннего прилива 2. Смесь газов выходит через осевое отверстие 5 крышки 4. Анод и катод подсоединяются к блоку питания 14, имеющему генератор импульсов.
Устройство работает следующим образом. Устанавливается заданный расход раствора, проходящего через устройство. Включается блок питания 14 и устанавливается заданное напряжение. Через несколько минут процесс приобретает установившийся характер. После этого задается необходимая частота импульсов и начинается процесс фиксирования расхода раствора, напряжения, тока, разности температур раствора на входе и выходе из устройства (табл.).
| Таблица |
| Показатели |
1 |
2 |
3 |
Сред. |
| 1 – масса раствора, прошедшего через реактор m, кг. |
0,354 |
0,339 |
0,322 |
0,338 |
| 2 – температура раствора на входе в реактор, t1, град. |
28 |
28 |
28 |
28 |
| 3 – температура раствора на выходе из реактора, t2, град. |
81 |
82 |
83 |
82,0 |
2 – разность температур раствора t=t2-t1, град. |
53 |
54 |
55 |
54 |
3 – длительность эксперимента  , с |
300 |
300 |
300 |
300 |
| 4 – показания вольтметра V, В |
5,0 |
5,0 |
5,0 |
5,0 |
| 5 – показания амперметра I, А |
2,1 |
2,1 |
2,1 |
2,1 |
6 – расход электроэнергии по показаниям вольтметра и амперметра E1=I·V· , кДж |
3,15 |
3,15 |
3,15 |
3,15 |
7 – энергия нагретого раствора, Е2=4,19·m· t, кДж |
78,61 |
76,70 |
74,20 |
76,50 |
8 – показатель эффективности реактора К=Е2/Е1 |
24,96 |
24,35 |
23,56 |
24,29 |
Формула изобретения
Устройство для получения тепловой энергии, водорода и кислорода, содержащее корпус, выполненный из диэлектрического материала, крышку из диэлектрического материала, анод, катод и патрубок для ввода рабочего раствора, отличающееся тем, что анод выполнен в виде вертикального цилиндра и расположен в анодной полости, цилиндрический катод вставлен в диэлектрический стержень, который посредством резьбы введен в корпус и соосно совмещен с осевым отверстием крышки, выполняющим роль катодной полости, анодная полость сообщена с катодной полостью посредством зазора между торцевой поверхностью диэлектрического стержня и нижней торцевой поверхностью крышки с возможностью регулирования зазора посредством осевого перемещения диэлектрического стержня, крышка имеет полость для сбора кислорода, каналы для выхода водорода и кислорода и радиальный канал для выхода нагревательного раствора, а анод и катод подключены к источнику питания, генерирующему импульсы.
РИСУНКИ
MM4A – Досрочное прекращение действия патента СССР или патента Российской Федерации на изобретение из-за неуплаты в установленный срок пошлины за поддержание патента в силе
Дата прекращения действия патента: 11.11.2005
Извещение опубликовано: 27.06.2007 БИ: 18/2007
|
|