|
|
(21), (22) Заявка: 2004111530/15, 15.04.2004
(24) Дата начала отсчета срока действия патента:
15.04.2004
(45) Опубликовано: 10.09.2005
(56) Список документов, цитированных в отчете о поиске:
SU 1043332 А, 12.11.1956. US 5375927 А, 27.12.1994. US 4907893 А, 13.03.1990. GB 2243089 А, 23.10.1991.
Адрес для переписки:
113556, Москва, ул. Болотниковская, 9, корп.2, кв.47, В.Ю. Леушину
|
(72) Автор(ы):
Гудков А.Г. (RU), Леушин В.Ю. (RU), Терешин С.Н. (RU)
(73) Патентообладатель(и):
Общество с ограниченной ответственностью Научно-производственная инновационная фирма “Гиперион” (RU)
|
(54) УСТРОЙСТВО ДЛЯ ПЕРЕМЕШИВАНИЯ И ТЕРМОСТАТИРОВАНИЯ ЖИДКОСТЕЙ
(57) Реферат:
Изобретение относится к аппаратам для перемешивания и термостатирования биологических проб при проведении исследований и анализов в биохимии, иммунологии, медицинской диагностики и т.д. Устройство содержит корпус, подвижную платформу, связанную через узел передачи движения с электродвигателем, соединенным с блоком управления электродвигателем, вход которого через цифроаналоговый преобразователь соединен с первым выходом микропроцессора, связанного с клавиатурой и дисплеем. Устройство содержит крышку корпуса, один или несколько датчиков температуры и соответствующее количество термоэлементов Пельтье, электронных ключей и узлов изменения полярности напряжения. Датчики температуры и термоэлементы Пельтье размещены на платформе, датчики температуры подключены к входам микропроцессорного блока управления, дополнительные управляющие выходы которого подсоединены к управляющим входам электронных ключей и узлов изменения полярности напряжения. Ключи включены между источником электрического питания и входами узлов изменения полярности напряжения, выходы которых подключены к элементам Пельтье. Изобретение обеспечивает возможность перемешивания и термостатирования жидкостей в контейнерах при повышенной или пониженной температуре окружающей среды. 2 з.п. ф-лы, 2 ил. 
Изобретение относится к аппаратам для перемешивания и термостатирования жидкостей в контейнерах, в частности биологических проб или продуктов крови при проведении исследований и анализов в биохимии, иммунологии, медицинской диагностики и т.д.
Известно устройство для точной расфасовки небольших жидких объемов для приготовления проб и смесей реагентов (см. US 4058370, кл. В 01 L 3/02, 15.11.1977), которое включает элемент с пипетками, расположенный в терморегулируемом месте устройства. Приготовленные реакционные смеси при необходимости встряхиваются на подвижной платформе. Известны устройства для перемешивания проб (шейкеры), применяемые в лабораториях (см. US 2003/0081499, кл. В 01 F 11/00, 01.05. 2003, US 6579002, кл. В 01 F 11/00, 17.06.2003). Указанные устройства имеют электромагнитный или кулачковый привод и блок управления приводом.
Недостатком этих устройств является узкая область применения, что ограничивает их использование для решения только одной конкретной задачи.
Наиболее близким к данному техническому решению является устройство для перемешивания жидкостей (см. US 5375927, кл. В 01 F 11/00, 27.12.1994), содержащее платформу, связанную через узел передачи движения с электродвигателем, соединенным с блоком управления электродвигателем, вход которого через цифроаналоговый преобразователь соединен с выходом микропроцессорного блока управления, и источник электрического питания, связанный с блоками управления.
Недостатками указанного устройства являются узкая область применения и отсутствие термостатирования жидкости в контейнерах.
Температура многих жидкостей (биологических проб) должна поддерживаться постоянной с достаточно высокой точностью, в частности температура концентрата тромбоцитов – компонента, полученного из дозы свежезаготовленной крови, который содержит большую часть тромбоцитов в терапевтически активной форме, должна поддерживаться на уровне 22±1°С.
В соответствии с Руководством по приготовлению, использованию и обеспечению качества компонентов крови, М., Фертрибстез. м.б.х, 1996, с.98, тромбоциты надо хранить в таких условиях, при которых будут сохранены жизнеспособность и гемостатическая активность клеток. Если тромбоциты предстоит хранить более 24 часов, для приготовления используют замкнутую систему полимерных контейнеров. Полимерные контейнеры должны обладать хорошей газопроницаемостью, чтобы обеспечить к тромбоцитам приток кислорода. Потребность в кислороде зависит от содержания в концентрате тромбоцитов и лейкоцитов. Объем плазмы должен быть достаточно большой, чтобы обеспечить в течение всего времени хранения рН между 6.0 и 7.4. Необходимым условием сохранения жизнеспособности тромбоцитов является их постоянное перемешивание. Оно должно быть достаточно эффективным, чтобы обеспечить доступ кислорода в течение всего времени хранения, которое при оптимальных условиях может составить 7 дней.
В ряде микробиологических, вирусологических, цитологических, биохимических исследований при проведении цветных био- и цитохимических реакций, подготовке объектов к микроскопированию, фотометрии и другим видам анализа требуется одновременное или раздельное перемешивание и термостатирование образцов, помещенных в планшеты в широком диапазоне частот и температур.
Технический результат, на достижение которого направлено изобретение, заключается в создании устройства широкой области применения для сохранения жизнеспособности биологических проб в контейнерах при проведении исследований и анализов, обеспечивающего одновременное или раздельное перемешивание и термостатирование при повышенной или пониженной температуре окружающей среды, а также доступ кислорода к поверхности полимерных контейнеров в случае работы с концентратом тромбоцитов.
Указанный технический результат достигается тем, что устройство для перемешивания жидкостей в контейнерах, содержащее корпус и подвижную платформу, связанную через узел передачи движения с электродвигателем, соединенным с блоком управления электродвигателем, вход которого через цифроаналоговый преобразователь соединен с выходом микропроцессорного блока управления и источник электрического питания, связанный с блоками управления, содержит крышку, установленную на корпус, один или несколько датчиков температуры и соответствующее количество термоэлементов Пельтье, электронных ключей и узлов изменения полярности напряжения, причем датчики температуры и термоэлементы Пельтье размещены на платформе, датчики температуры подключены к входам микропроцессорного блока управления, дополнительные управляющие выходы которого подсоединены к управляющим входам электронных ключей и узлов изменения полярности напряжения, электронные ключи включены между источником электрического питания и входами узлов изменения полярности напряжения, выходы которых подключены к элементам Пельтье.
Указанный технический результат достигается также тем, что количество элементов Пельтье и их размещение на платформе, выбрано из условий равномерности нагрева и охлаждения платформы.
Указанный технический результат достигается тем, что верхняя часть платформы выполнена ребристой.
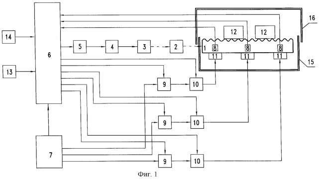
На фигуре 1 представлена структурная схема устройства для перемешивания и термостатирования жидкостей.
На фигуре 2 представлен пример размещения элементов Пельтье на платформе.
На фигурах приняты следующие обозначения:
1 – платформа;
2 – узел передачи движения;
3 – электродвигатель;
4 – блок управления электродвигателем;
5 – цифроаналоговый преобразователь;
6 – микропроцессор;
7 – источник электрического питания;
8 – датчик температуры;
9 – электронный ключ;
10 – узел изменения полярности напряжения;
11 – термоэлемент Пельтье;
12 – контейнер с жидкостью;
13 – клавиатура;
14 – дисплей.
15 – корпус;
16 – крышка.
Устройство для перемешивания и термостатирования жидкостей в контейнерах содержит платформу 1, связанную через узел передачи движения 2 с электродвигателем 3, соединенным с блоком управления электродвигателем 4, вход которого через цифроаналоговый преобразователь 5 соединен с выходом микропроцессора 6, и источник электрического питания 7. Устройство содержит также один или несколько датчиков температуры 8, соответствующее количество электронных ключей 9, узлов изменения полярности напряжения 10 и термоэлементов Пельтье 11. Датчики температуры и термоэлементы Пельтье размещены на платформе. На платформе расположены контейнеры 12 с жидкостью. Контейнеры могут быть выполнены в виде полимерных мешков, в которых содержится концентрат тромбоцитов, либо в виде планшетов с биологическими пробами. Устройство содержит также клавиатуру 13 для управления работой и дисплей 14 для индикации, соединенные с микропроцессором. На корпус 15 установлена крышка 16.
Практически элементы Пельтье [1] выпускаются в виде квадратных пластин размером 3×3 см или круглых плоских пластин диаметром около 3 см. Количество термоэлементов Пельтье и их расположение на платформе выбирается из условий равномерности нагрева и охлаждения контейнеров, расположенных на платформе. Размеры платформы при работе с планшетами составляет около 10×20 см, при работе с полимерными мешками около 20×40 см. На фигуре 2 приведен пример расположения на платформе шести термоэлементов Пельтье 11. При этом термоэлементы Пельтье 11 расположены на платформе равномерно с одинаковым расстоянием В между ними. В связи с тем, что на краю платформы отдача тепла (холода) при нагреве (охлаждении) повышена, опытным путем установлено, что расстояние А между краем платформы и краем термоэлемента Пельтье должно быть выбрано из отношения А/В=0,35.
Для случая работы с концентратом тромбоцитов верхняя часть платформы, на которой располагают газопроницаемые полимерные мешки с концентратом тромбоцитов, выполнена ребристой, при этом опытным путем установлено: в связи с тем, что устройство снабжено крышкой 16, указанная ребристость верхней части платформы не уменьшает теплопередачу от платформы и в случае работы с планшетами.
Устройство для перемешивания и термостатирования жидкостей в контейнерах работает следующим образом.
С помощью клавиатуры 13 через микропроцессор 6 пользователь включает источник питания 7, устанавливает условия работы блока управления электродвигателем, в частности устанавливает время работы и необходимую частоту вибрации в диапазоне (5-30) Гц, а также задает температуру жидкости в контейнерах от 20 до 60°С. В случае работы с концентратом тромбоцитов температуру задают на уровне 22±1°С. В случае работы с планшетами с биологическими пробами температуру задают в диапазоне от 30 до 60°С.
Крышка 16, установленная на корпус 15, закрывается, чем обеспечивается ограничение объема устройства, где установлены контейнеры, от окружающего пространства.
Микропроцессор 6 через цифроаналоговый преобразователь 5 и блок управления электродвигателем 4 обеспечивает подачу силового питания от источника электропитания 7 на электродвигатель 3. Электродвигатель 3 через узел передачи движения 2 обеспечивает движение платформы 1 с установленными на ней контейнерами 12 в ранее установленном режиме.
В случае изменения температуры окружающей среды и соответственно температуры жидкости в контейнерах сигналы датчиков температуры 8 поступают на вход микропроцессора 6, который вырабатывает соответствующие сигналы управления, поступающие на управляющие входы электронных ключей 9 и узлов изменения полярности напряжения 10. Электронные ключи обеспечивают поступление напряжения на узлы изменения полярности напряжения 10. Последние осуществляют изменение полярности напряжения в случае необходимости изменения процесса нагрева на процесс охлаждения. Элементы Пельтье 11 преобразуют электрическую энергию соответственно в тепло или холод [1].
Регулирование температуры может быть осуществлено микропроцессором по отдельным каналам, для этого на платформе устанавливают столько датчиков температуры 8, сколько установлено элементов Пельтье 11 (на фиг.1 приведен пример с двумя каналами управления). Возможна установка одного датчика температуры, обеспечивающего усредненный сигнал температуры, поступающего на микропроцессор.
Значения температуры, частоты вибрации и времени работы отображаются на дисплее 14.
Все элементы вибротермостата выполнены на основе известных и широко применяемых в промышленности элементов. В качестве микропроцессора может быть применена микросхема серии AT 89 S 8952 фирмы Atmel, в качестве клавиатуры – набор кнопок типа В 170 Н, в качестве дисплея – набор цифровых семисегментных индикаторов типа DA 56-11EWA, блок управления электродвигателем может быть выполнен на микросхемах И-НЕ серии 561, в качестве узла изменения полярности напряжения может быть применена микросхема BTS 780 GP фирмы INFINEON TECHNOLOGIES.
Промышленная применимость подтверждена созданием и опробыванием опытного образца устройства.
Наличие механизма встряхивания с подвижной платформой обеспечивает постоянное перемешивание проб.
Снабжение устройства крышкой обеспечивает равномерность поддержания температуры во всем объеме устройства, где расположены контейнеры с жидкостью.
Наличие соответствующего количества элементов Пельтье обеспечивает возможность равномерного термостатирования биологических проб при повышении или понижении температуры окружающей среды.
Выполнение верхней части платформы ребристой обеспечивает приток кислорода к тромбоцитам через газопроницаемые полимерные мешки.
Таким образом, вышеуказанная совокупность признаков позволяет создать устройство широкой области применения для сохранения жизнеспособности биологических проб при проведении исследований и анализов, обеспечивающего одновременное или раздельное перемешивание и термостатирование при повышенной или пониженной температуре окружающей среды, а также доступ кислорода в случае работы с концентратом тромбоцитов.
Устройство может быть использовано и в других отраслях науки и техники, где необходимо перемешивание и термостатирование жидкостей в контейнерах.
ЛИТЕРАТУРА
1. Коленко Е.А. Термоэлектрические охлаждающие приборы. Л, «Наука», 1967, с.5-16, с.52-65.
Формула изобретения
1. Устройство для перемешивания жидкостей в контейнерах, содержащее корпус, подвижную платформу, связанную через узел передачи движения с электродвигателем, соединенным с блоком управления электродвигателем, вход которого через цифроаналоговый преобразователь соединен с первым выходом микропроцессора, связанного с клавиатурой и дисплеем, источник электрического питания, связанный с блоком управления электродвигателем и микропроцессором, отличающееся тем, что содержит крышку, установленную на корпус, один или несколько датчиков температуры и соответствующее количество термоэлементов Пельтье, электронных ключей и узлов изменения полярности напряжения, причем датчики температуры и термоэлементы Пельтье размещены на платформе, датчики температуры подключены к входам микропроцессорного блока управления, дополнительные управляющие выходы которого подсоединены к управляющим входам электронных ключей и узлов изменения полярности напряжения, электронные ключи включены между источником электрического питания и входами узлов изменения полярности напряжения, выходы которых подключены к элементам Пельтье.
2. Устройство по п.1, отличающееся тем, что количество элементов Пельтье и их размещение на платформе выбрано из условий равномерности нагрева и охлаждения платформы.
3. Устройство по п.1, отличающееся тем, что верхняя часть платформы выполнена ребристой.
РИСУНКИ
|
|