|
(21), (22) Заявка: 2004108598/06, 22.03.2004
(24) Дата начала отсчета срока действия патента:
22.03.2004
(45) Опубликовано: 20.08.2005
(56) Список документов, цитированных в отчете о поиске:
RU 2078283 C1, 27.04.1997. RU 2076998 C1, 10.04.1997. SU 1673784 А2, 30.08.1991. DE 2523852 В1, 14.10.1976. WO 92/08078 А1, 14.05.1992. FR 2682459 А1, 16.04.1993.
Адрес для переписки:
454080, г.Челябинск, пр-кт им. В.И. Ленина, 76, ЮУрГУ, патентный отдел
|
(72) Автор(ы):
Кузнецов Г.Ф. (RU), Холпанов Л.П. (RU), Торопов Е.В. (RU), Елюхина И.В. (RU)
(73) Патентообладатель(и):
Южно-Уральский государственный университет (RU)
|
(54) СПОСОБ СЖИГАНИЯ ИЗМЕЛЬЧЕННОГО ТВЕРДОГО ТОПЛИВА
(57) Реферат:
Способ сжигания относится к области энергетики и может быть применен при сжигании твердого топлива, не только углей, но и других углеродосодержащих материалов. Разделение процесса газификации на две ступени позволяет эффективно совместить высокоскоростной процесс в закрученном потоке пылегазовой смеси и газификацию в кипящем слое при коэффициенте избытка воздуха меньше единицы. При этом высокая производительность процесса сочетается с высокой полнотой выгорания горючих элементов топлива при сжигании различных топлив. 1 з.п. ф-лы, 1 ил. 
Изобретение относится к энергетике и может быть использовано на котлах ТЭС, сжигающих уголь, отходы углеобогащения и углеродосодержащие отходы других производств, другие виды твердого топлива.
Известен способ сжигания топлива в топке с кипящим слоем (авторское свидетельство №1751598; МПК F 23 С 11/02 от 1.04.1992 г.; БИ: №28 от 1992 г.), который предполагает сжигание в кипящем слое и ввод воздуха по крайней мере двумя потоками первичного и вторичного воздуха, причем вторичный имеет скорость в 3-8 раз выше первичного. Это позволяет удерживать частицы топлива во взвешенном состоянии и поддерживать скорость закрученного потока газовоздушной смеси, достаточной для сепарирования крупных частиц в периферийную зону и циркуляции их внутри устройства для сжигания топлива.
Недостатком известного способа является невозможность отделения мелких частиц из потока смеси газа и частиц топлива. В связи с этим значительный унос частиц из зоны горения и механический недожог, связанный с уносом. Кроме тепловых потерь, определяемых недожогом частиц, устройство для сжигания, работающее по анализируемому способу, имеет недостаточно хорошие экологические характеристики вследствие большого выброса пыли с уходящими газами.
Кроме того, для эффективного протекания процесса сжигания по рассматриваемому способу необходимо поддерживать в зоне горения высокую температуру, вследствие чего в продуктах сгорания будет содержаться большое количество окислов азота.
Фонтанно-вихревая топка, имеющая пережим (Алексеенко С.В. и др. «Изотермическое моделирование аэродинамики фонтанно-вихревой топки». – Электрические станции, 1992, №1. – С.20-25), не лишена недостатков, выявленных в рассмотренном выше способе.
Известен также способ сжигания дробленого угля и устройство для его осуществления (патент №2078283; МПК F 23 С 1/12; БИ: №12 от 27.04.97 г.) путем предварительной ступенчатой газификации в кипящем слое и дожигания в топке котла полученного газа в результате раздельного и последовательного проведения операций газогенерации, дожигания и охлаждения в кипящем слое и ввода продуктов газификации и дожигания в топку котла. Этот способ может включать также подачу воды и пара в камеру с кипящим слоем, а также известняка.
Однако он имеет недостатки, а именно – ограниченность возможности газификации вследствие значительного уноса при повышении скорости на поверхности кипящего слоя, что ограничивает производительность газогенератора, т.к. превышение скорости газа свыше 3-4 м/с ведет к экспоненциальному возрастанию расхода уносимых частиц и среднего размера уносимых частиц. В результате самые крупные из них не успевают догореть в топке котла и образуют механический недожог, снижая КПД котла.
Кроме того, при определенных условиях в кипящем слое наблюдается шлакование. Сложная зависимость начала шлакования в кипящем слое является функцией температуры, скорости газового потока, содержания горючих в слое и существенно зависит от природы сжигаемого твердого топлива. Это накладывает ограничения на применение рассматриваемого способа и создает трудности для внедрения для некоторых сортов углей в качестве топлива.
Задача настоящего изобретения – повышение экономических и экологических характеристик способа сжигания твердого топлива, расширение диапазона применяемых топлив и, кроме того, повышение надежности работы устройств, использующих разрабатываемый способ сжигания.
Для решения поставленной задачи измельченное твердое топливо газифицируют в две ступени, причем в первой ступени газогенератора создают закрученный поток пылегазовой смеси при коэффициенте избытка воздуха меньше единицы, а полученные продукты газификации твердого топлива отделяют от крупных частиц и направляют в топку котла для дожигания, при этом крупные частицы направляют в кипящий слой второй ступени для их окончательной газификации, дожигания и отделения золовых частиц от потока газообразных продуктов, а последние направляют в топку котла для дожигания, кроме того, время пребывания частиц в газогенераторе регулируют изменением скорости газового потока и проходного сечения между высокоскоростной и низкоскоростной камерами первой и второй ступени газогенерации.
На первой ступени газификации дополнительно в скоростной поток пылегазовой смеси в направлении закрученного потока могут быть введены паровые струи.
Создание на первой ступени скоростного газового потока (порядка нескольких десятков метров) способствует сепарации твердых частиц из потока и проходу их во вторую ступень, где они попадают в кипящий слой и где процесс газификации продолжается. Скорость газового потока может регулироваться изменением а в пределах 0,4-0,8. Мелкие частицы вместе с генераторным газом попадают в топку котла и сгорают там в воздушном потоке, подаваемом для дожигания.
Наиболее крупные частицы, отсепарировавшиеся на стенке, вдоль нее и через провальные отверстия, попадают во вторую ступень в кипящий слой и газифицируются в нем. Таких частиц в потоке измельченного топлива содержится небольшая часть, поэтому для их газификации не требуется большого количества воздуха. Объем получаемого газа также небольшой, и поэтому в сравнении с прототипом скорость газа на поверхности кипящего слоя существенно меньше. Следовательно, меньший пылеунос и средний размер уносимых частиц, а также содержание углерода в недожженных частицах. Все перечисленные параметры определяют механический недожог твердого топлива и экономичность работы системы сжигания.
В предлагаемом способе гармонично сочетаются две ступени газификации.
На первой ступени происходит форсированное газообразование. При высоких скоростях ограничение температуры не настолько жесткое, как в кипящем слое. Вследствие этого производительность форсированной ступени газогенератора более высока, чем во второй ступени с кипящим слоем. Однако вторая ступень обеспечивает полное выгорание наиболее крупных частиц.
Двухступенчатая газификация обеспечивает также регулирование оптимального протекания процесса при переходе от одного вида твердого топлива к другому. Для этого достаточно скорректировать время пребывания частиц в газогенераторе за счет изменения скорости газового потока пылегазовой смеси и проходного сечения между высокоскоростной и низкоскоростной камерами первой и второй ступени, и эффективность газификации может быть получена на необходимом уровне.
В то же время полученные продукты газификации (получаемый генераторный газ) вместе с мелкими частицами золы и твердого топлива попадают в топку котла, в которой происходит их эффективное дожигание.
Вследствие многоступенчатости процесса сжигания выброс вредных веществ (оксиды азота, серы) с уходящими продуктами сгорания ниже, чем при одноступенчатой газификации.
Ввод струй пара в первую ступень газификации в том же направлении, что и воздушных струй, дает дополнительную энергию вращательного движения смеси твердых частиц и газа, позволяет эффективнее отделять твердые частицы, снизить вероятность шлакования и нарушения процесса газогенерации, а также повысить его эффективность.
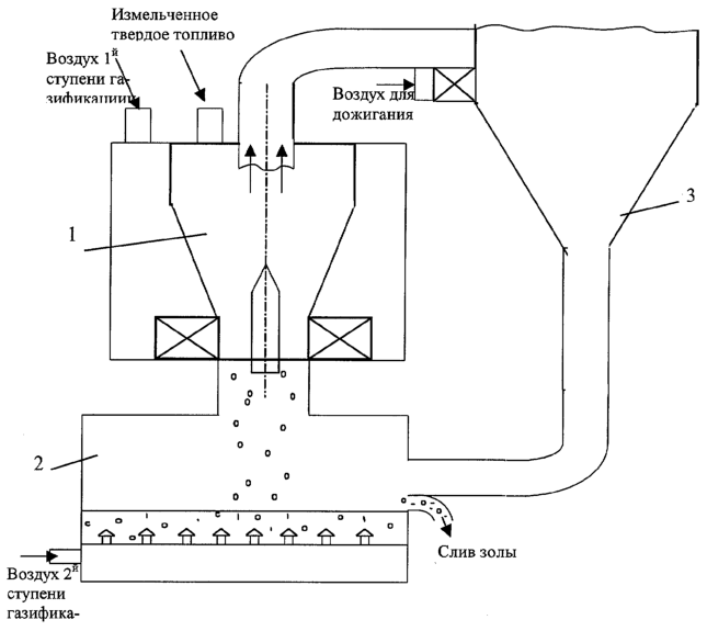
Пример реализации описанного способа сжигания измельченного твердого топлива с помощью конкретного устройства представлен на чертеже, где 1 – первая ступень газогенератора, 2 – вторая ступень газогенератора, 3 – топка котла. Измельченное топливо и воздух поступают в первую ступень.
Причем воздух поступает тангенциально со скоростью 40-180 м/с и совершает вращательное движение вместе с частицами твердого топлива. При этом происходит активное взаимодействие частиц твердого топлива с воздухом при температуре 900-1100°С и высокой относительной скорости частиц и газа, что обеспечивает низкое диффузионное и кинетическое сопротивление протеканию реакций газификации.
Вывод вверх продуктов газификации облегчает отделение крупных твердых частиц, уходящих вниз и попадающих в кипящий слой для прохождения второй ступени газификации. Форма камеры газификации первой ступени симметрична относительно вертикальной оси и способствует сохранению высокой скорости газового потока и частиц. Форма второй ступени произвольная.
Пройдя вторую ступень, частицы твердого топлива полностью теряют горючие элементы, и золовые остатки сливаются для продолжения технологии в качестве сырья для производства строительных материалов.
В промышленных условиях помимо применяемых котлов на ТЭС могут сжигаться углеродосодержащие материалы, характеристики которых существенно отличаются от применяемых. Сжигание таких материалов, в которых, например, очень мало содержание летучих, становится неэкономичным по причине большого механического недожога. Предлагаемый способ сжигания, использующий двухступенчатую газификацию, увеличивает время пребывания частиц в реакционной камере, повышает температуру сжигания в топке котла, тем самым существенно снижается технический недожог частиц углеродосодержащего материала, покидающих топку котла с уходящими газами, повышается экономичность при его сжигании.
Одновременно повышаются экономические характеристики, снижаются выбросы оксидов серы и азота с уходящими газами вследствие ступенчатости процесса и применения кипящего слоя в качестве второй ступени.
Формула изобретения
1. Способ сжигания измельченного твердого топлива путем предварительной двухступенчатой его газификации в газогенераторе с последующим дожиганием произведенного газа в топке котла, отличающийся тем, что в первой ступени создают закрученный поток пылегазовой смеси при коэффициенте избытка воздуха, меньшем единицы, а полученные продукты газификации твердого топлива отделяют от крупных частиц и направляют в топку котла для дожигания, при этом крупные частицы направляют в кипящий слой второй ступени для их окончательной газификации, дожигания и отделения золовых частиц от потока газообразных продуктов, а последние направляют в топку котла для дожигания, кроме того, время пребывания частиц в газогенераторе регулируют изменением скорости газового потока и проходного сечения между высокоскоростной и низкоскоростной камерами первой и второй ступеней газификации.
2. Способ по п.1, отличающийся тем, что в первой ступени газификации осуществляют подачу паровых струй в направлении закрученного потока пылегазовой смеси.
РИСУНКИ
MM4A – Досрочное прекращение действия патента СССР или патента Российской Федерации на изобретение из-за неуплаты в установленный срок пошлины за поддержание патента в силе
Дата прекращения действия патента: 23.03.2006
Извещение опубликовано: 10.12.2007 БИ: 34/2007
|