|
(21), (22) Заявка: 2003134303/06, 27.11.2003
(24) Дата начала отсчета срока действия патента:
27.11.2003
(45) Опубликовано: 20.08.2005
(56) Список документов, цитированных в отчете о поиске:
US 5450725 A, 19.09.1995. RU 2199675 C1, 27.02.2003. SU 1605648 A1, 05.05.1989. US 4464895 A1, 14.08.1984. US 4548032 A, 12.10.1985. FR 2658562 A1, 23.08.1991.
Адрес для переписки:
129301, Москва, ул. Касаткина, 13, ОАО “НПО “Сатурн”, НТЦ им. А. Люльки, патентный отдел
|
(72) Автор(ы):
Гончаров В.Г. (RU), Куприк В.В. (RU), Марчуков Е.Ю. (RU), Федоров С.А. (RU), Федюкин В.И. (RU)
(73) Патентообладатель(и):
Открытое акционерное общество “Научно-производственное объединение “Сатурн” (ОАО “НПО “Сатурн”) (RU)
|
(54) СПОСОБ РЕГУЛИРОВАНИЯ ПОДАЧИ ТОПЛИВА В КАМЕРУ СГОРАНИЯ ГАЗОТУРБИННОЙ УСТАНОВКИ И УСТРОЙСТВО ДЛЯ ЕГО ОСУЩЕСТВЛЕНИЯ
(57) Реферат:
Изобретение относится к камерам сгорания газотурбинных установок, а именно к способам регулирования подачи топлива в камеры сгорания и устройствам для их осуществления. Способ регулирования подачи топлива в камеру сгорания газотурбинной установки включает изменение расхода топлива в зависимости от ее мощности путем дозирования подачи топлива в коллекторы установленных коаксиально друг другу дежурных и основных горелок горелочных устройств с предварительным смешением топлива и воздуха. Горелочные устройства установлены в два яруса и подачу топлива осуществляют в оба яруса. На режиме запуска топливо подают в коллектор дежурных горелок наружного яруса, перед выходом на режим малого газа – в коллектор дежурных горелок внутреннего яруса. На режиме малого газа поддерживают близким по величине количество топлива, подаваемого в дежурные горелки наружного и внутреннего ярусов. Затем увеличивают подачу топлива в дежурные горелки наружного и внутреннего ярусов. Перед выходом на режим холостого хода подают топливо к основным горелкам наружного и внутреннего ярусов. В диапазоне режимов от холостого хода до номинального увеличивают подачу топлива в основные горелки, при этом уменьшают относительную долю топлива, подаваемого через дежурные горелки. Изобретение позволяет уменьшить содержание оксидов азота NOx в выхлопных газах газотурбинной установки при обеспечении устойчивого горения бедных смесей на всех режимах ее работы. 2 н. и 2 з.п. ф-лы, 2 ил. 
Изобретение относится к камерам сгорания газотурбинных установок (ГТУ), а именно к способам регулирования подачи топлива в камеры сгорания и устройствам для их осуществления.
Из известных способов наиболее близким к предложенному является способ регулирования подачи топлива в камеру сгорания ГТУ, включающий изменение расхода топлива в зависимости от мощности установки путем дозирования подачи топлива в коллекторы дежурных и основных горелок горелочных устройств с предварительным смешением топлива и воздуха [1].
Устройство для реализации этого способа содержит горелочные устройства с предварительным смешением топлива и воздуха, включающие дежурную и основную горелки, установленные коаксиально друг другу. Каждая горелка соединена с топливным коллектором, связанным трубопроводом с установленным на его входе дозатором топлива.
С помощью дозаторов топливо подводится к топливным коллекторам дежурных и основных горелок. Дежурные горелки содержат диффузионный канал для обеспечения запуска и устойчивости горения камеры сгорания на всех режимах работы ГТУ [1].
Недостатком известных способа и устройства является высокий уровень концентрации оксидов азота NOx в выхлопных газах ГТУ, что обусловлено наличием диффузионного канала дежурных горелок.
Задачей изобретения является снижение вредных выбросов оксидов азота NOx в выхлопных газах ГТУ при обеспечении устойчивого горения бедных смесей на всех режимах работы установки.
Указанная задача решается тем, что в известном способе регулирования подачи топлива в камеру сгорания ГТУ, включающем изменение расхода топлива в зависимости от ее мощности путем дозирования подачи топлива в коллекторы дежурных и основных горелок горелочных устройств с предварительным смешением топлива и воздуха, подачу топлива осуществляют в два яруса горелочных устройств, причем на режиме запуска топливо подают в коллектор дежурных горелок наружного яруса, перед выходом на режим малого газа – в коллектор дежурных горелок внутреннего яруса, на режиме малого газа поддерживают одинаковым количество топлива, подаваемого в дежурные горелки наружного и внутреннего ярусов, затем увеличивают подачу топлива в дежурные горелки наружного и внутреннего ярусов, перед выходом на режим холостого хода подают топливо к основным горелкам наружного и внутреннего ярусов, а в диапазоне режимов от холостого хода до номинального увеличивают подачу топлива в основные горелки, при этом уменьшают относительную долю топлива, подаваемого через дежурные горелки.
Указанная задача решается также тем, что в известном устройстве для регулирования подачи топлива в камеру сгорания ГТУ, содержащем горелочные устройства с предварительным смешением топлива и воздуха, включающие дежурную и основную горелки, установленные коаксиально друг другу, причем каждая горелка соединена с топливным коллектором, связанным трубопроводом с установленным на его входе дозатором топлива, горелочные устройства установлены в два яруса, устройство снабжено дополнительным коллектором, соединенным с дежурными горелками внутреннего яруса и дополнительным дозатором, вход которого подсоединен к трубопроводу, соединяющему коллектор дежурных горелок наружного яруса с его дозатором, при этом коллектор подачи топлива к основным горелкам соединен дополнительным трубопроводом с основными горелками внутреннего яруса.
Предложенный способ регулирования подачи топлива в камеру сгорания при использовании предложенного устройства позволяет сжигать предварительно подготовленные более бедные смеси, вследствие чего снижается уровень концентрации оксидов азота в выхлопных газах ГТУ.
Это обусловлено расположением горелочных устройств в двух ярусах.
Последовательная подача топлива в дежурные горелки наружного и внутреннего ярусов обеспечивает выход на режим запуска и устойчивую работу камеры на переходных режимах. При подключении основных горелок на основных режимах снижение NOx достигается за счет уменьшения относительной доли топлива, подаваемого в дежурные горелки.
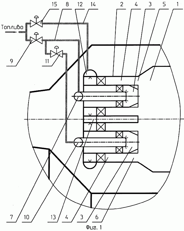
На фиг.1 схематично показано устройство для регулирования подачи топлива в камеру сгорания ГТУ,
на фиг.2 показана зависимость распределения топлива по коллекторам камеры сгорания от режима работы (мощности) ГТУ, где
график 1 представляет относительный расход топлива Gт1 через топливный коллектор дежурных горелок наружного яруса от суммарного,
график 2 – относительный расход топлива Gт2 через дополнительный коллектор дежурных горелок внутреннего яруса от суммарного,
график 3 – относительный расход топлива Gт3 через коллектор основных горелок наружного и внутреннего ярусов,
график 4 – суммарный относительный расход топлива Gт ,
график 5 – относительный расход топлива через топливный коллектор дежурных горелок наружного яруса с броском топлива при запуске.
Устройство для регулирования подачи топлива в камеру сгорания ГТУ (фиг.1) содержит установленные на входе в камеру сгорания 1 горелочные устройства 2 с предварительным смешением топлива и воздуха. Горелочное устройство 2 включает дежурную и основную горелки 3 и 4, установленные коаксиально.
Горелочные устройства 2 размещены в двух ярусах – наружном 5 и внутреннем 6. Дежурные горелки 3 наружного яруса 5 соединены с топливным коллектором 7, связанным трубопроводом 8 с дозатором топлива 9. Дежурные горелки 3 внутреннего яруса 6 соединены с дополнительным коллектором 10, связанным с дополнительным дозатором топлива 11, вход которого связан с трубопроводом 8. Основные горелки 4 наружного яруса 5 соединены с топливным коллектором 12, связанным дополнительным трубопроводом 13 с основными горелками 4 внутреннего яруса 6. Топливный коллектор 12 трубопроводом 14 связан с дозатором 15, установленным параллельно дозатору 9.
Способ осуществляют следующим образом. При запуске ГТУ топливо в камеру сгорания 1 подается дозатором 9 по трубопроводу 8 и поступает в топливный коллектор 7 дежурных горелок 3 наружного яруса 5. При этом дополнительный дозатор 11 и дозатор 15 закрыты. Перед выходом ГТУ на режим малого газа открывается дополнительный дозатор 11 и топливо поступает в дополнительный коллектор 10 дежурных горелок 3 внутреннего яруса 6. На режиме малого газа с помощью дозаторов 9 и 11 поддерживается близким по величине количество топлива, подаваемого в дежурные горелки 3 наружного яруса 5 и внутреннего яруса 6. Дальнейшее увеличение мощности ГТУ производится путем увеличения подачи топлива дозатором 9 в коллекторы 7 и 10 дежурных горелок 3 наружного и внутреннего ярусов 5 и 6. Перед выходом ГТУ на режим холостого хода открывается дозатор 15 и топливо поступает в коллектор 12 основных горелок 4 наружного яруса 5 и внутреннего яруса 6. Увеличение мощности ГТУ от режима холостого хода до номинального производится путем увеличения подачи топлива дозатором 15 в топливный коллектор 12 основных горелок 4 наружного яруса 5 и внутреннего яруса 6.
Регулирование подачи топлива в камеру сгорания при снижении мощности ГТУ от номинального режима до останова производится с помощью дозаторов 15, 11 и 9 в последовательности, обратной прямому ходу ГТУ.
Использование дополнительного дозатора 11, подключенного за дозатором 9, позволяет с помощью последнего управлять устройством на переходных режимах и поддерживать относительный расход через дежурные горелки 3 на основных режимах (см. фиг.2). Дозатор 11 включается на режиме запуска и обеспечивает равные величины расходов через дежурные горелки 3 наружного и внутреннего ярусов 5 и 6.
Целесообразно число горелочных устройств в ярусах выполнять одинаковым, что упрощает регулирование подачи топлива в камеру сгорания из-за равенства гидравлического сопротивления топливных коллекторов и горелок в ярусах.
Подача топлива в коллектор дежурных горелок наружного яруса на режиме запуска броском топлива за время меньше 1 секунды с последующей выдержкой в течение 2…5 секунд постоянного расхода топлива и дальнейшего его снижения на 15-50% значительно улучшает запуск камеры сгорания с предварительной подготовкой бедных топливо-воздушных смесей и повышает устойчивость работы ГТУ. Это достигается за счет резкого нарастания и достижения благоприятного для запуска избытка топлива. Снижение расхода топлива после розжига камеры сгорания уменьшает избытки топлива, что повышает устойчивость работы ГТУ.
Изобретение позволяет уменьшить содержание оксидов азота NOx в выхлопных газах ГТУ при обеспечении устойчивого горения бедных смесей на всех режимах ее работы.
Источник информации:
[1] Патент США № 5450725, МКИ F 23 R 3/30, опубл. в 1995 г.
Формула изобретения
1. Способ регулирования подачи топлива в камеру сгорания газотурбинной установки, включающий изменение расхода топлива в зависимости от ее мощности путем дозирования подачи топлива в коллекторы дежурных и основных горелок горелочных устройств с предварительным смешением топлива и воздуха, отличающийся тем, что подачу топлива осуществляют в два яруса горелочных устройств, причем на режиме запуска топливо подают в коллектор дежурных горелок наружного яруса, перед выходом на режим малого газа – в коллектор дежурных горелок внутреннего яруса, на режиме малого газа поддерживают близким по величине количество топлива, подаваемого в дежурные горелки наружного и внутреннего ярусов, затем увеличивают подачу топлива в дежурные горелки наружного и внутреннего ярусов, перед выходом на режим холостого хода подают топливо к основным горелкам наружного и внутреннего ярусов, а в диапазоне режимов от холостого хода до номинального увеличивают подачу топлива в основные горелки, при этом уменьшают относительную долю топлива, подаваемого через дежурные горелки.
2. Способ регулирования подачи топлива в камеру сгорания газотурбинной установки по п.1, отличающийся тем, что на режиме запуска топливо подают в коллектор дежурных горелок наружного яруса броском с последующей выдержкой в течение 2…5 с постоянного расхода топлива и дальнейшего его снижения на 15…50%.
3. Устройство для регулирования подачи топлива в камеру сгорания газотурбинной установки, содержащее горелочные устройства с предварительным смешением топлива и воздуха, включающие дежурную и основную горелки, установленные коаксиально друг другу, причем каждая горелка соединена с топливным коллектором, связанным трубопроводом с установленным на его входе дозатором топлива, отличающееся тем, что горелочные устройства установлены в два яруса, устройство снабжено дополнительным коллектором, соединенным с дежурными горелками внутреннего яруса и дополнительным дозатором, вход которого подсоединен к трубопроводу, соединяющему коллектор дежурных горелок наружного яруса с его дозатором, при этом коллектор подачи топлива к основным горелкам соединен дополнительным трубопроводом с основными горелками внутреннего яруса.
4. Устройство для регулирования подачи топлива в камеру сгорания газотурбинной установки по п.3, отличающееся тем, что число горелочных устройств в ярусах одинаково.
РИСУНКИ
PC4A – Регистрация договора об уступке патента Российской Федерации на изобретение
(73) Патентообладатель(и):
Открытое акционерное общество “Научно-производственное объединение “Сатурн”
(73) Патентообладатель:
Открытое акционерное общество “Уфимское моторостроительное производственное объединение”
(73) Патентообладатель:
Открытое акционерное общество “Научно-производственное объединение “Сатурн”
Дата и номер государственной регистрации перехода исключительного права: 07.05.2008 № РД0035843
Извещение опубликовано: 20.06.2008 БИ: 17/2008
|