|
|
(21), (22) Заявка: 2004106682/03, 05.03.2004
(24) Дата начала отсчета срока действия патента:
05.03.2004
(45) Опубликовано: 20.08.2005
(56) Список документов, цитированных в отчете о поиске:
КОРОЖ В.А. И ДР. Комбинированная отработка железных руд Кривбасса с минимальными количественными и качественными потерями. Горный информационно-аналитический бюллетень, № 12. – М., 2003, с.60- 63. SU 1283387 А1, 15.01.1987. RU 2180041 C2, 27.02.2002. RU 2096620 C1, 20.11.1997.
Адрес для переписки:
184209, Мурманская обл., г. Апатиты, ул. Ферсмана, 24, Горный институт КНЦ РАН, Г.М. Еремину
|
(72) Автор(ы):
Еремин Г.М. (RU)
(73) Патентообладатель(и):
Еремин Георгий Михайлович (RU)
|
(54) СПОСОБ ОТКРЫТОЙ РАЗРАБОТКИ МЕСТОРОЖДЕНИЙ ПОЛЕЗНЫХ ИСКОПАЕМЫХ
(57) Реферат:
Изобретение относится к горной промышленности и может быть использовано при открытой разработке крутопадающих и наклонных месторождений. Техническим результатом является увеличение эффективности выемки полезного ископаемого и снижение затрат на разработку месторождения. Для этого способ включает отработку карьера до проектной глубины с применением слоев-уступов и подвиганием уступов по мере отработки рудных запасов горизонта, дробление руды и вскрыши и погрузку в средства доставки руды на поверхность, а с углублением карьера и применение конвейерных комплексов, при отработке карьера до проектной глубины осуществляют деление полезной толщи на слои и отрабатывают их с наименьшими потерями руды в треугольниках и незначительным нарушением приконтурного массива борта применением разработанных технологий отрезных щелей, на глубоких горизонтах, где затруднена очистка берм, откосы укрепляют анкерами и металлической сеткой, на уровне дна карьера по проекту, отработку слоев осуществляют на полную мощность рудного тела, и добытую руду дроблением транспортируют на поверхность крутонаклонными конвейерами и комбинированным транспортом. При отработке руды слоями меньшей толщины ниже дна карьера с отстройкой крутонаклонных и вертикальных участков борта в условиях уменьшающейся трещиноватости пород, с бетонной стенкой и металлической сеткой, рассчитанной на удержание клинообразных негабаритов при потенциальных вывалах, переходят на применение горнодобычной техники и выработок доставки руды подземного яруса с ее дроблением в дробилках на концентрационных горизонтах и доставкой на поверхность конвейерным или скиповым стволом, а на последнем этапе осуществляется засыпка выработанного пространства отвальными породами. 5 ил. 
(56) (продолжение):
CLASS=”b560m”ФИСЕНКО Г.Л. и др. Укрепление откосов в карьерах. – М.: Недра, 1974, с.186-189, 208.
Изобретение относится к горной промышленности к способам открытой разработки с открытым выработанным пространством и отработкой рудных тел слоями с креплением откосов уступов. Способ открытой разработки крутопадающих и наклонных месторождений включает отработку карьера до проектной глубины с применением слоев-уступов и подвиганием уступов по мере отработки рудных запасов горизонта дробления руды и вскрыши и погрузку в средства доставки руды на поверхность, а с углублением карьера и применение конвейерных комплексов, при отработке карьера до проектной глубины осуществляют деление полезной толщи на слои и отрабатывают их с наименьшими потерями руды в треугольниках и незначительным нарушением приконтурного массива борта применением разработанных технологий отрезных щелей, на глубоких горизонтах, где затруднена очистка берм, откосы укрепляют анкерами и металлической сеткой, на уровне дна карьера по проекту, отработку слоев осуществляют на полную мощность рудного тела, и добытую руду дроблением транспортируют на поверхность крутонаклонными конвейерами и комбинированным транспортом, при отработке руды слоями меньшей толщины ниже дна карьера с отстройкой крутонаклонных и вертикальных участков борта в условиях уменьшающейся трещиноватости пород, с бетонной стенкой и металлической сеткой, рассчитанной на удержание клинообразных негабаритов при потенциальных вывалах, переходят на применение горнодобычной техники и выработок доставки руды подземного яруса с ее дроблением в дробилках на концентрационных горизонтах и доставкой на поверхность конвейерным или скиповым стволом, а на последнем этапе осуществляется засыпка выработанного пространства отвальными породами.
Способ позволяет увеличить эффективность выемки полезного ископаемого за счет снижения потерь и разубоживания руды при отработке слоев в контуре и ниже дна карьера. Применением отрезных щелей по контуру с рудным телом и селективной выемкой блоков пустой породы по сравнению с подэтажным и этажным обрушением с одновременным уменьшением разрушения окружающего массива пород. Вследствие чего уменьшается обрушением и вывалы пород и проявление техногенных ударов, а снижение объема нарезных выработок повышает производительность работ, что в целом способствует расширению области применения технологии открытого способа при разработке месторождений полезных ископаемых.
Изобретение относится к горной промышленности и может быть использовано при открытой разработке крутопадающих и наклонных месторождений.
Известен способ разработки наклонного месторождения, при котором отработка рудного тела на верхних горизонтах слоями-уступами обеспечивала достижение показателей потерь и качества руды соответственно 3-4% и 5-7%, а при применении подэтажного и этажного обрушений эти показатели увеличивались соответственно до 10-15% и 15-20% и более [Адигомов Я.М., Оводенко Б.К. Основы экономической оценки потерь руды при открытом способе разработки. Л.: Изд. Наука, 1971, с.120-136.] [Разработка апатитовых месторождений Хибин. М.: Недра, – 232 с.].
Недостатком способа является то, что при переходе к отработке рудного тела с применением выпуска руды из взорванных блоков больших размеров в треугольниках как лежачего, так и висячего боков залежи образуются большие потери руды и примешивается большие объемы пустых пород, превышающие отработку рудного тела горизонтальными слоями (уступами) в 3-5 раз. Кроме того, имеет место увеличение объема нарезных и подготовительных выработок, а применение большого количества взрывчатых веществ (ВВ) в блоке (до 100-150 т) приводит к расчленению вышележащего массива налегающих пород и их постепенному сдвижению в динамическими нагрузками (техногенные удары).
Известен способ отработки крутонаклонного рудного тела комбинированным методом, при котором верхняя его часть отрабатывается открытым способом, а нижняя подземным способом [Геолого-промышленная оценка месторождений апатита. М.: Недра, – 1985. – 196 с., С.144-147].
Недостатком способа является то, что при переходе на подземный способ с применением потолочины увеличиваются потери и разубоживание руды не только в бортах, но и в выпускных блоках под углом карьера, и при этом сложно поддерживать постоянное количество руды, подаваемое на фабрику по сравнению с отработкой слоями-уступами. А применение систем с обрушением вызовет деформацию прибортового массива пород и возможно капитальных и подготовительных выработок.
Наиболее близким по технической сущности и достигаемым результатам является способ отработки полезных ископаемых, включающих применение комплексных схем отработки наклонного рудного тела в виде промежуточных блоков, обеспечивающих относительное снижение потерь и разубоживания руды по сравнению с обычными технологиями [Корож В.А., Кудрявцев М.И. Комбинированная отработка железных руд Кривбасса с минимальными количественными и качественными потерями. М.: Горн.информ. – аналит.бюлл. – 2003. – № 12. С.60-63].
Недостатком способа является то, что несмотря на некоторое уменьшение потерь и разубоживания руды их величины достаточно высоки и превышают аналогичные показатели при слоевом способе отработки рудных тел в несколько раз. Кроме того, допускается нарушение боковых и в особенности массива налегающих пород, вследствие чего происходит опускание поверхности над выработанным пространством, что отрицательно сказывается на поддержание выработок в устойчивом состоянии.
Целью изобретения является увеличение эффективности выемки полезного ископаемого открытым способом снижением потерь и разубоживания руды, исключением обрушения боков и кровли выработанного пространства, а также снижение затрат на разработку месторождения полезного ископаемого.
Поставленная цель достигается тем, что в способе открытой разработки крутопадающих и наклонных месторождений, включающем отработку карьера до проектной глубины с применением слоев-уступов и подвиганием уступов по мере отработки рудных запасов горизонта дробления руды и вскрыши и погрузку в средства доставки руды на поверхность, а с углублением карьера и применение конвейерных комплексов, при отработке карьера до проектной глубины осуществляют деление полезной толщи на слои и отрабатывают их с наименьшими потерями руды в треугольниках и незначительным нарушением приконтурного массива борта применением разработанных технологий отрезных щелей, на глубоких горизонтах, где затруднена очистка берм, откосы укрепляют анкерами и металлической сеткой, на уровне дна карьера, отработку слоев осуществляют на полную мощность, и добытую руду дроблением транспортируют крутонаклонными конвейерами и комбинированным транспортом, при отработке руды слоями меньшей толщины ниже дна карьера с отстройкой крутонаклонных и вертикальных участков борта в условиях уменьшающейся трещиноватости пород с бетонной стенкой и металлической сеткой, рассчитанной на удержание клинообразных негабаритов при потенциальных вывалах, переходят на применение горнодобычной техники и выработок доставки руды подземного яруса с ее дроблением в дробилках на концентрационных горизонтах и доставкой на поверхность конвейерным или скиповым стволом, а на последнем этапе осуществляется засыпка выработанного пространства отвальными породами.
Повышение эффективности работ по снижения потерь и разубоживания руды при отработке рудных контактов как со стороны лежачего, так и висячего бока залежи и внутри рудного тела встречающихся блоков пустой породы достигается отработкой рудного тела слоями, требуемой мощности по производительности карьера с применением отрезных щелей, проводимым близко к контакту рудного тела, причем площади треугольников по руде при отработке слоями в 3-5 раз и более, меньше, чем при образовании блоков выпуска при этажном и подэтажном обрушении.
Высокие показатели потерь руды при применении систем разработки с обрушением свидетельствуют о том, что, например, на подземных рудниках АО “Апатит” за 65-70-летний период их эксплуатации общие потери руды составили около 1000 млн. т. Эти показатели характерны при разработке пластовых месторождений полезного ископаемого, а при разработке сложноструктурных месторождений с неравномерным распределением компонентов и включением блоков породы показатели потерь и разубоживание еще более увеличиваются в 2-3 раза, что показала отработка Коашвинского и Ньоркпахского месторождений апатитовых руд АО “Апатит”.
При применении систем разработки с обрушением и при блоках высотой 60-80 м вес зарядов ВВ может составлять сотни тонн. И при взрыве этого количества ВВ происходит разрушение приконтурного массива пород и расчленение налегающего массива пород на “стружки”-блоки, смещающиеся и обрушающиеся последовательно один за другим, и вызывающих импульсные нагрузки, близкие к техногенным ударам нарушающим устойчивость пород.
Повышение эффективности разработки рудных тел достигается при отработке рудного тела слоями меньшими даже, чем при открытом способе, что не вызывает разрушение приоткосного массива, а укрепление откосов уступов и борта исключает падение камней в выработанное пространство и повышает безопасность производства работ. Снижение объемов нарезных и подготовительных выработок при применении блоков повышает экономическую эффективность работ.
При определении параметров способа разработки месторождений полезных ископаемых слоями на глубоких горизонтах необходимо учитывать снижение трещиноватости пород с глубиной месторождения. По данным геологоразведки на месторождениях Ковдорского месторождения комплексных железных руд, на апатитовых месторождениях в Хибинах трещиноватость на глубоких горизонтах снижается до 1-2 трещины на 1 м керна, что свидетельствует об их практической монолитности, а сцепление пород при этом может достигать 8-10 МПа, что обеспечивает устойчивость и наклонных поверхностей в массивах горных пород.
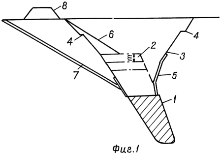
На чертежах представлен разрез месторождения с карьером со слоевой выемкой запасов, и выработанным открытым пространством с креплением откосов уступов и кровли, и на окончательном этапе – засыпка выработанного пространства отвальными породами (фиг.1, фиг.2, фиг.3), фиг.4, фиг.5 – Последствия традиционного способа (технологии) с обрушением налегающей толщи.
Фиг.1 – Отработка рудного тела карьером и переходом к отработке запасов ниже дна карьера: 1 – рудное тело; 2 – слои (уступы); 3 – борт карьера; 4 – берма очистки; 5 – крепление откоса; 6 – доставка руды и вскрыши на поверхность; 7 – наклонный ствол; 8 – отвал.
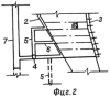
Фиг.2 – Элемент отработки рудного тела ниже дна карьера с креплением откосов и кровли выработок: 1 – отрабатываемый слой; 2 – крепление в лежачем боку; 3 – крепление в висячем боку; 4 – дробилка; 5, 6 – сборочная (рудоспуск) и транспортная выработка; 7 – выдачный ствол.
Фиг.3 – Засыпка выработанного пространства при доработке месторождения: 1 – откос породы.
Фиг.4 – Обрушение склона горы над выработанным пространством при системах с обрушением (Кировский рудник АО “Апатит”).
Фиг.5 – Схема обрушения “стружки”-блоков над выработанным пространством на Юкспорском руднике АО “Апатит” при системе с обрушением: а, б, в, г – разрезы.
Пример конкретного исполнения
Для месторождений апатитовых руд “Коашва”, “Ньоркпахское”, “Олений ручей”, представленные наклонными и пологими телами на основе технико-экономического анализа установлено, что в зоне подземных работ вместо систем с обрушением целесообразно применить слоевую выемку руды с толщиной слоя т=5-10 м. Это позволит в 2-3 раза снизить потери руды в треугольниках и в 3-5 раз разубоживания. Следует учитывать, что эти месторождения относятся к типу сложноструктурных с изменением распределения Р2О6 не только по горизонтали, но и вертикали с включением блоков пустых пород, а отработка рудных тел системами с обрушением или камерами с закладкой приведет к значительному разубоживанию руд, что резко снизит выход концентрата и повысит затраты на получение концентрата заданного количества. Применение мощности слоя 5-10 м позволит также повысить полноту отработки рудных тел, поскольку, например, на Ньоркпахском месторождении мощность рудных тел с глубиной снижается до 5-10 м и менее.
На горнодобычных работах может использоваться горнотранспортная техника как отчасти открытых работ (погрузчики с емкостью ковша 3-4 м3, станки с диаметром скважин 110-120 м), так и подземных работ (проходка подземных выработок). Для дробления руды целесообразно применять дробилки типа ЩКД. Крепление откосов уступов в глубокой части карьера необходимо осуществлять применением сетки, анкеров и торкретбетона, а в висячем боку создавать бетонную подушку толщиной 30-50 мм, металлической сетки с толщиной проволки 10-15 мм и анкерной крепи, что обеспечит безопасность работ в зоне кровли массива.
Расчеты показывают, что при применении способа потери и разубоживание могут быть ниже, чем при открытом способе, где высота уступов достигает 12-15 м. Таким способом может быть добыто больше руды с более высоким качеством.
Экономический эффект от применения способа составляет 5-10 миллионов рублей.
Источники информации
1. Адигомов Я.М., Оводенко Б.К. Основы экономической оценки потерь руды при открытом способе разработки. Л.: Изд. Наука, 1971, с.120-136.
2. Разработка апатитовых месторождений Хибин. М.: Недра, – 232 с.
3. Геолого-промышленная оценка месторождений апатита. М.: Недра, – 1985. – 196 с., С.144-147.
4. Корож В.А., Кудрявцев М.И. Комбинированная отработка железных руд Кривбасса с минимальными количественными и качественными потерями. М.: Горн.информ. – аналит.бюлл. – 2003. – № 12. С.60-63.
Формула изобретения
Способ открытой разработки крутопадающих и наклонных месторождений включает отработку карьера до проектной глубины с применением слоев-уступов и подвиганием уступов по мере отработки рудных запасов горизонта, дробление руды и вскрыши и погрузку в средства доставки руды на поверхность, а с углублением карьера и применение конвейерных комплексов, при отработке карьера до проектной глубины осуществляют деление полезной толщи на слои и отрабатывают их с наименьшими потерями руды в треугольниках и незначительным нарушением приконтурного массива борта применением разработанных технологий отрезных щелей, на глубоких горизонтах, где затруднена очистка берм, откосы укрепляют анкерами и металлической сеткой, на уровне дна карьера по проекту отработку слоев осуществляют на полную мощность рудного тела, и добытую руду дроблением транспортируют на поверхность крутонаклонными конвейерами и комбинированным транспортом, при отработке руды слоями меньшей толщины ниже дна карьера с отстройкой крутонаклонных и вертикальных участков борта в условиях уменьшающейся трещиноватости пород, с бетонной стенкой и металлической сеткой, рассчитанной на удержание клинообразных негабаритов при потенциальных вывалах, переходят на применение горнодобычной техники и выработок доставки руды подземного яруса с ее дроблением в дробилках на концентрационных горизонтах и доставкой на поверхность конвейерным или скиповым стволом, а на последнем этапе осуществляется засыпка выработанного пространства отвальными породами.
РИСУНКИ
MM4A – Досрочное прекращение действия патента СССР или патента Российской Федерации на изобретение из-за неуплаты в установленный срок пошлины за поддержание патента в силе
Дата прекращения действия патента: 06.03.2006
Извещение опубликовано: 20.03.2007 БИ: 08/2007
|
|