|
|
(21), (22) Заявка: 2002123224/04, 02.02.2001
(24) Дата начала отсчета срока действия патента:
02.02.2001
(30) Конвенционный приоритет:
01.02.2001 US 09/775,025
(43) Дата публикации заявки: 10.01.2004
(45) Опубликовано: 20.08.2005
(56) Список документов, цитированных в отчете о поиске:
RU 2128641 C1, 10.04.1999. US 5256817 A, 26.10.1993. US 4933491 A, 12.06.1990. JP 09-278710 A, 28.10.1997.
(85) Дата перевода заявки PCT на национальную фазу:
03.09.2002
(86) Заявка PCT:
US 01/03506 (02.02.2001)
(87) Публикация PCT:
WO 01/56967 (09.08.2001)
Адрес для переписки:
119034, Москва, Пречистенский пер., 14, стр.1, Гоулингз Интернэшнл Инк., пат.пов. В.Н.Дементьеву
|
(72) Автор(ы):
РОЗЕН Брюс И. (US)
(73) Патентообладатель(и):
БП КОРПОРЕЙШН НОРТ АМЕРИКА ИНК. (US)
|
(54) СПОСОБ ОЧИСТКИ НАФТАЛИНОВОЙ КАРБОНОВОЙ КИСЛОТЫ
(57) Реферат:
Настоящее изобретение относится к способу очистки нафталиновой карбоновой кислоты, который предусматривает введение в контакт не очищенной нафталиновой кислоты с растворителем очистки в присутствии водорода и катализатора, который содержит благородный металл VIII группы, выбранный из палладия, платины и рутения, а также металл IVB группы, выбранный из кремния, германия, олова и свинца при температуре очистки ориентировочно от 520 до 575°F. Предложенный способ позволяет получать пониженные количества органических загрязнений в очищенной кислоте по сравнению с другими способами очистки. 18 з.п. ф-лы, 1 ил., 5 табл. 
Изобретение в целом имеет отношение к очистке нафталиновых соединений, а в частности имеет отношение к очистке нафталиндикарбоновых кислот.
В промышленности широко применяют полимеры, основанные на диметилнафталиндикарбоксилатах и их соответствующих кислотах. Например, пленки, изготовленные из полимеров, которые содержат диметил-2,6-нафталиндикарбоксилат (2,6-NDC), обладают прочностными и тепловыми свойствами, которые превосходят соответствующие свойства пленок и волокон, изготовленных из других полимеров, таких как полиэтилентерефталат (ПЭТФ). Эти улучшенные свойства привели к широкому использованию полимеров на базе 2,6-NDC в пленках для кино- и фотокамер, в пленках для магнитной записи, а также в электрических и электронных компонентах.
Полимеры на базе 2,6-NDC также обладают высоким сопротивлением к диффузии газов, таких как диоксид углерода, водяные пары и кислород. Это высокое сопротивление к диффузии газов позволяет использовать такие полимеры в качестве пленок и резервуаров для упаковки различных пищевых продуктов и напитков.
Повышенная физическая прочность полимеров на базе 2,6-NDC также позволяет использовать их в применениях с тяжелыми условиями работы, таких как корд для шин автомобилей и мотоциклов.
Использование 2,6-нафталиндикарбоновой кислоты в таких применениях обеспечивает множество преимуществ по сравнению с 2,6- NDC. Прежде всего, различия веса между кислотой и эфиром обычно приводят к более высокому выходу полимера на фунт сырья. Кроме того, полимеризация кислоты при помощи этиленгликоля создает воду, а не более трудный для обработки метан, который получают при полимеризации эфира при помощи этиленгликоля. Более того, использование кислоты на полимерных установках, которые уже спроектированы для переработки только мономеров кислотного типа, позволяет получать дополнительно к полимерам нафталиндикарбоксиловые компоненты, что невозможно выполнить при наличии только эфирной формы.
Производство и прямая очистка кислотных мономеров также позволяют существенно упростить производство соответствующих мономеров. В частности, при синтезе 2,6-NDC производят окисление 2,6-диметилнафталина (2,6-DMN) для получения 2,6-нафталиндикарбоновой кислоты (2,6-NDA), которую затем нужно подвергнуть эстерификации для получения 2,6-NDC, при использовании одной или нескольких операций очистки, таких как дистилляция или рекристаллизация, которые проводят в одной или в обеих из указанных операций, что необходимо для обеспечения высокого выхода продукта с высокой чистотой. В отличие от этого прямая очистка продукта окисления 2,6-DMN является относительно простой и поэтому позволяет снизить стоимость мономера.
Очистку 2,6-NDA обычно проводят при температурах около или свыше 600 градусов по Фаренгейту, чтобы позволить произвести переработку относительно высокого процента всех растворенных твердых веществ. Работа при таких температурах требует существенных капиталовложений для того, чтобы установки могли выдерживать давление, возникающее при работе при таких высоких температурах. Более того, работа при таких температурах требует больших затрат энергии для нагревания реакционных смесей до требуемой температуры 600 + градусов по Фаренгейту. Наконец, даже при работе в указанных предпочтительных условиях, загрязнения, присутствующие в очищенном мономере, могут потребовать проведения дополнительной очистки перед его использованием для приготовления полимера.
Таким образом, необходим относительно дешевый и эффективный способ очистки нафталинового двукислотного мономера, позволяющий получить более низкий уровень загрязнений, чем получают в используемых в настоящее время обычных процессах очистки при высокой температуре.
Автор настоящего изобретения обнаружил, что нафталиновые двукислотные мономеры могут быть эффективно получены при более низких температурах и с более низкими уровнями содержания твердых веществ, чем те, которые обычно используют в промышленности. Удивительным образом, при выборе надлежащего катализатора и рабочих условий можно получить мономер, имеющий более низкие уровни нежелательных примесей, что позволяет упростить дополнительную очистку кислотного мономера.
Кроме того, так как указанные реакции проводят при более низких температурах, автор настоящего изобретения обнаружил, что оборудование имеющихся химических установок, разработанное для менее тяжелых рабочих условий, например, такое, которое используют для очистки терефталевой кислоты, может быть использовано для очистки двукислотных мономеров, таких как 2,6-NDA. Использование такого существующего оборудования исключает капитальные затраты, связанные со строительством установки, способной работать при температуре 600 + градусов по Фаренгейту, которую обычно используют для промышленной очистки NDA, что также способствует относительно дешевому производству мономера.
Указанные результаты могут быть получены в случае использования способа очистки нафталиновой карбоновой кислоты в соответствии с настоящим изобретением. Способ предусматривает введение в контакт не очищенной нафталиновой кислоты с растворителем очистки в присутствии водорода и катализатора, который содержит благородный металл VIII группы, выбранный из палладия, платины и рутения, а также металл IVB группы, выбранный из кремния, германия, олова и свинца, при температуре очистки ориентировочно от 520 до 575°F.
Добавление металла IVB группы, преимущественно олова в количестве вес.% от полного веса катализатора, приводитк снижению количества ДСТ и 2 NA, присутствующих в полном очищенном потоке реактора.
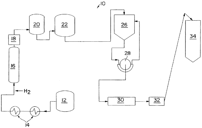
На чертеже показана схема последовательности операций способа очистки 2,6-нафталиндикарбоновой кислоты.
В дальнейшем подробном описании для пояснения проведено сравнение очистки 2,6-нафталиндикарбоновой кислоты, изготовленной при типичных температурных условиях, с очисткой при низкой температуре той же кислоты, при условиях, которые могут быть созданы в других химических технологических установках, таких как установки, которые используют для очистки терефталевой кислоты, Из этого описания специалистам станут ясны и другие варианты осуществления изобретения. Например, можно полагать, что способ в соответствии с настоящим изобретением подходит для очистки других аналогичных дикислот, таких как 1,5-нафталиндикарбоновая кислота, а также других нафталиновых кислот, имеющих одну или несколько кислотных функциональностей. Таким образом, приведенное описание не носит ограничительного характера.
Автор настоящего изобретения обнаружил, что способ в соответствии с настоящим изобретением позволяет получать мономеры нафталиновой кислоты, которые содержат низкие остаточные количества нежелательных нафталиновых соединений, которые могут вступать в реакцию при условиях полимеризации с созданием разветвленных или конечных полимерных цепей. Это преимущество может быть получено при работе при более низких температурах и меньших концентрациях твердых веществ, чем использовали раньше в промышленности для очистки таких кислот. Кроме того, правильный выбор катализатора из благородного металла может существенно повысить качество очищенной кислоты, полученной при помощи указанного способа.
В частности, процесс очистки должен проводиться при температурах ориентировочно от 520 до 575°F, преимущественно от 525 до 560°F, а еще лучше, при температуре 550°F. Полное содержание растворимых твердых веществ в виде максимального весового процента кислоты 2,6-NDA, растворимых при температуре реакции, должно лежать в диапазоне от 3.9% при 520°F до 12% при 575°F, 4.4% при 525°F и 10% при 560°F, и около 7% при 550°F.
Следует иметь в виду, что в диапазонах температур и содержания твердых веществ в соответствии с настоящим изобретением, следует ожидать, что при более высоких температурах разделения выход 2,6-NDA будет ниже, но относительное количество органических загрязнений будет снижаться, в то время как при более низких температурах выход и относительное количество органических загрязнений могут возрастать.
Более того, автор настоящего изобретения обнаружил, что способ в соответствии с настоящим изобретением позволяет использовать другие средства очистки, такие как средства очистки терефталевой кислоты. Это является неожиданным, так как обычно полагали, что очистку нафталиновых кислот преимущественно следует проводить при температуре 600°F+, чтобы увеличить количество растворенных твердых веществ, присутствующих в сырье реактора очистки.
Сочетание этих находок позволяет производить очистку нафталиновых кислот в различных видах оборудования, которое раньше считали непригодным или нежелательным для проведения такой работы. Таким образом, использование способа в соответствии с настоящим изобретением позволяет снизить капитальные затраты и стоимость энергии в новых установках, или позволяет использовать существующее оборудование, такое как реакторы для очистки терефталевой кислоты, для производства мономеров нафталиновой кислоты высокого качества.
Используемый здесь термин “реактор низкой температуры” относится к реактору, предназначенному для работы с номинальной рабочей температурой менее 600°F и при соответствующем давлении, когда производят очистку кислотного мономера в главным образом водном растворителе. “Номинальной рабочей температурой” считают температуру, при которой реактор может работать непрерывно, причем его максимальная рабочая температура обычно превышает номинальную рабочую температуру в 1,5-2 раза.
На чертеже показана блок-схема опытной установки для очистки нафталиновой кислоты 10, которая использована в сравнительном примере 1 и в примере 1 для получения больших количеств 2,6-нафталиндикарбоновой кислоты.
Установка 10 служит для очистки сырья в виде сырой (неочищенной) кислоты 2,6-NDA, полученной за счет окисления в жидкой фазе 2,6-DMN в присутствии источника молекулярного кислорода, причем растворитель содержит монокарбоновую кислоту и воду. Реакцию, которую используют для получения кислотного сырья, обычно проводят в присутствии катализатора, который содержит соединения кобальта, марганца и брома, при реакционной температуре ориентировочно от 100 до 260°С. Реакцию преимущественно проводят в растворителе для монокарбоновой кислоты, таком как уксусная кислота или смесь уксусной кислоты и воды, с отношением растворителя к DMN ориентировочно от 2:1 до 12:1, с отношением марганца к кобальту ориентировочно от 5:1 до 0,3:1, с отношением брома к марганцу плюс кобальт ориентировочно от 0.3:1 до 0.8:1, при полном количестве кобальт плюс марганец до одного весового процента выбранного растворителя. Дополнительная информация относительно окисления DMN в NDA может быть получена из патентов США Nos. 5292934 и 5254719.
Установка 10 производит очистку сырья в виде неочищенной кислоты 2,6-NDA следующим образом. Сырье в виде суспензии из резервуара 12 нагревают до желательной рабочей температуры в ряде паровых подогревателей 14, работающих на горячем масле, после чего оно поступает в гидрогенизационный реактор 16 с неподвижным слоем. В реакторе 16 производят обработку сырья в присутствии водорода и катализатора гидрогенизации. Гидрогенизированный очищенный поток из реактора 16 проходит через змеевидный угольный фильтр 18 для удаления мелких частиц катализатора и других веществ. После этого отфильтрованный очищенный поток кристаллизуется в кристаллизаторах 20 и 22.
Верхние погоны кристаллизаторов 20 и 22 собирают и направляют на установку для переработки отходов, в то время как содержимое кристаллизаторов 20 и 22 направляют в питающий резервуар ротационного барабанного фильтра 26 и затем фильтруют в ротационном барабанном фильтре 28. Фильтровальный осадок ротационного барабанного фильтра 28, который образует очищенную кислоту 2,6-NDA, сушат в барабанной сушилке 30, охлаждают в охлаждающем аппарате 32 и направляют на хранение в бункер 34 для последующей упаковки и отгрузки.
Сравнительный пример 1
В гидрогенизационный реактор 16 загрузили 1,408 фунтов торфяного угля, полученного на фирме Norit Americas, Inc. в виде продукта Norit ROX 0,8, который представляет собой экструдированный до диаметра 0,8 мм активированный уголь, который был промыт кислотой и имеет теоретическую объемную плотность 25,5 фунта на кубический фут.
Суспензия исходной неочищенной кислоты 2,6-NDA, которая имеет состав в соответствии с приведенной ниже таблицей 1А, была приготовлена в питающем резервуаре 12 при температуре около 120°F.
Таблица 1А Состав исходной неочищенной кислоты 2,6-NDA |
| Растворитель очистки |
вода |
| Средний вес.% всех растворенных твердых веществ |
12% |
| Вес.% 2,6-NDA как % всех твердых веществ |
96% |
| Растворитель очистки |
вода |
6-формил-2-нафтойная кислота (“FNA”) (как ppmw* всех твердых веществ) |
1,120 |
| 1-бромо – 2,6 – нафталиндикарбоновая кислота (“BrNDA”) (как ppmw всех твердых веществ) |
1,477 |
| твердых веществ) |
|
| *ppmw – весовых частей на миллион |
Сырье было нагрето в подогревателях 14 до температуры 600°F и введено в реакцию в гидрогенизационном реакторе 16. Скорости подачи сырья составляли около 14-15 галлонов в минуту, при средней концентрации твердых веществ в сырье около 12 вес.%.
Отфильтрованный очищенный выходной поток реактора был подвергнут кристаллизации в кристаллизаторах 20 и 22 за счет испарительного охлаждения потока. Выходной поток кристаллизаторов был дважды промыт водой и отфильтрован при температуре ориентировочно от 300 до 400°F, при этом была получена кристаллизованная кислота в виде суспензии в воде, которая была отфильтрована на ротационном барабанном фильтре 28 при давлении окружающей среды и высушена при температуре около 250°F в течение 60 минут в барабанной сушилке 30. Сухая очищенная кислота 2,6-NDA имеет состав, усредненный для 7 партий ориентировочно по 20,000 фунтов, приведенный в таблице 1В.
Таблица 1В Состав очищенной кислоты 2,6-NDA |
| Вес.% 2,6-NDA (как вес.% всех растворенных твердых веществ) |
99,8 |
| 6 – фор мил – 2 – нафтойная кислота (как ppmw* всех твердых веществ) |
23 |
| 1-бромо-2,6- нафталиндикарбоновая |
не обнаружена |
| кислота (“BrNDA”) (как ppmw всех твердых веществ) |
(<20 ppmw) |
2 – нафтойная кислота (“2 – NA”) (как ppmw всех твердых веществ) |
106 |
6-метил-2-нафтойная кислота (“6-Ме-2-NA”) (как ppmw всех твердых веществ) |
130 |
2,6-дикарбокситетралин (“2,6- DCT”) (как ppmw всех твердых веществ) |
488 |
| Тримеллитовая кислота (“TMLA”) как ppmw всех твердых веществ) |
не обнаружена (<10 ppmw) |
| * ppmw – весовых частей на миллион |
Из приведенных в таблице 1В данных видно, что очищенная кислота имеет множество нафталиновых загрязнений.
В приведенном далее примере 1 показаны преимущества работы при более низких температурах с использованием катализатора из благородных металлов.
Пример 1
В гидрогенизационный реактор 16 загрузили 1,369 фунтов катализатора, который имеет 0.5 вес.% палладия (в пересчете на полный вес катализатора) на 4×8 меш гранулированном угольном носителе, закупленного на фирме Engelhard Corporation. Как и раньше в сравнительном примере 1, суспензия исходной сырой кислоты 2,6-NDA, которая имеет состав в соответствии с таблицей 1А, была приготовлена в питающем резервуаре 12 при температуре около 120°F.
Сырье было нагрето в подогревателях 14 до температуры в диапазоне от 525 до 565°F и введено в реакцию в гидрогенизационном реакторе 16. Скорости подачи сырья составляли ориентировочно от 13 до 16 галлонов в минуту, при средней концентрации твердых веществ в сырье ориентировочно от 4 до 6,5 вес.%.
Отфильтрованный очищенный выходной поток реактора был подвергнут кристаллизации в кристаллизаторах 20 и 22 за счет испарительного охлаждения потока. Выходной поток кристаллизаторов был дважды промыт водой и отфильтрован при температуре ориентировочно от 310 до 345°F, при этом была получена кристаллизованная кислота в виде суспензии в воде, которая была отфильтрована на ротационном барабанном фильтре 28 под давлением окружающей среды и высушена при температуре около 250°F в течение 60 минут в барабанной сушилке 30. Сухая очищенная кислота 2,6-NDA имеет состав, усредненный для 4 партий ориентировочно по 20,000 фунтов, приведенный в таблице 2.
Таблица 2 Состав очищенной 2,6-NDA |
| Вес.% 2,6-NDA (как вес.% всех растворенных твердых веществ) |
99,9 |
| 6-формил-2-нафтойная кислота (“FNA”) (как ppmw* всех твердых веществ) |
не обнаружена (<8 ppmw) |
| 1-бромо-2,6-нафталиндикарбоновая |
не обнаружена |
| кислота (“BrNDA”) (как ppmw всех твердых веществ) |
(<20 ppmw) |
| 2-нафтойная кислота (“2-NA”) (как ppmw всех твердых веществ) |
124 |
| 6-метил-2-нафтойная кислота (“6 – Me – 2 – NA”) (как ppmw всех твердых веществ) |
10 |
| 2,6-дикарбокситетралин (“2,6- DCT”) (как ppmw всех твердых веществ) |
не обнаружена (<10ppmw) |
| Тримеллитовая кислота (“TMLA”) как ppmw всех твердых веществ) |
не обнаружена (<10 ppmw) |
| *ppmw – весовых частей на миллион |
Из сравнения данных в таблице 1В с данными таблицы 2 можно видеть, что в очищенной кислоте были обнаружены FNA, BrNDA, TMLA или 2,6-DCT. Все эти примеси считаются вредными для полимеризации 2,6-NDA мономера, когда присутствуют в значительных количествах. Поэтому отсутствие этих примесей в кислоте, очищенной при помощи способа очистки при низкой температуре с катализатором Pd/C в соответствии с настоящим изобретением, свидетельствует о преимуществе такого способа.
В качестве металлов катализатора для способа в соответствии с настоящим изобретением могут быть использованы благородные металлы VIII группы, а преимущественно палладий, платина и рутений. Как это показано в приведенном ниже примере 2, способ очистки дает неожиданно лучшие результаты при выборе в качестве металла катализатора палладия.
Благородный металл может иметь любой инертный носитель, который остается стабильным при заданных условиях процесса, такой как носитель из угля (углерода) или из рутиловой фазы диоксида титана. Предпочтительными носителями являются носители из активированного угля, такого как уголь из ореховой скорлупы, хотя может быть использован и гранулированный уголь. Благородный металл должен присутствовать в количестве ориентировочно от 0,1 до 3,0 процента от полного веса катализатора, преимущественно ориентировочно от 0,35 до 0,8 процента от полного веса катализатора, а еще лучше, около 0,5 процента от полного веса катализатора. Предпочтительный катализатор содержит около 0,5 вес.% палладия на носителе из угля из ореховой скорлупы.
Неожиданное преимущество катализатора из палладия на угольном носителе в способе в соответствии с настоящим изобретением показано в примере 2.
Пример 2
Лабораторное сравнение очистки 2,6-NDA с использованием палладия на угольном носителе, рутения на угольном носителе и платины на угольном носителе было проведено в условиях имитации очистки 2,6-NDA на установке для очистки терефталевой кислоты, в которой реактор был предназначен для работы при номинальной рабочей температуре не выше около 550°F. Было проведено сравнение для нахождения относительной эффективности благородных металлов в снижении окрашивания и количеств DCT и 2-NA, полученных при использовании способа в соответствии с настоящим изобретением.
Непрерывную гидрогенизацию проводили в реакторе с неподвижным слоем. Типичные условия реактора соответствовали температуре 550°F и содержанию 6,25 вес.% всех твердых веществ. Объем реактора составляет 75 см3, а скорость подачи составляет от 7 до 12 грамм в минуту, при расходе водорода от 3 до 10 миллилитров в минуту.
Использовали все полученные на выходе реактора твердые вещества для анализа содержания органических веществ при помощи жидкостной хроматографии, причем весь выходной поток реактор фильтровали при 140°F и сушили, и производили анализ цвета полученного на фильтре осадка.
Результаты сравнения сведены в приведенную ниже таблицу 3.
| Таблица 3 |
| Катализатор |
L* |
b* |
2-NA (вес.% от потока реактора) |
DCT (вес.% от всего потока реактора) |
| 0,5 вес.% Pd/C |
96,4 |
8,16 |
0,23 |
4,9 |
| 1,0 вес.% Ru/C |
94,5 |
6,06 |
6,2 |
3,5 |
| 0,5 вес.% Pt/C |
94,4 |
7,83 |
5,8 |
7,2 |
Как можно видеть из таблицы 3, палладий на угольном носителе позволяет получить очищенную кислоту, которая содержит в 2 раза меньше загрязнений по сравнению со случаем использования катализатора из рутения и в 3 раза меньше загрязнений по сравнению со случаем использования катализатора из платины. Более того, как палладий, так и рутений в 2 раза эффективнее платины в снижении количества DCT, присутствующего в очищенном потоке реактора. Таким образом, единственным благородным металлом, который позволяет существенно снизить содержание как 2-NA, так и DCT, является палладий. При этом никакие существенные явления окрашивания не наблюдались.
Дополнительные преимущества могут быть получены за счет модификации катализатора из металла VIII группы в соответствии с настоящим изобретением при помощи добавки ориентировочно от 0,1 до 2,5 вес.%, а преимущественно ориентировочно от 0,2 до 0,6 вес.% металла IVB группы, такого как кремний, германий, олово или свинец, как это показано в приведенном далее примере 4.
Пример 4
Катализатор из рутения на угольном носителе примера 3 был модернизирован за счет добавки 0,4 вес.% олова (в пересчете на полный вес катализатора). Был повторен эксперимент примера 3 при тех же условиях. Как можно видеть из приведенной ниже таблицы 4, введение олова вдвое снижает количество DCT, присутствующего в полном очищенном потоке реактора, а также снижает ориентировочно на 25% количество 2-NA, присутствующей в полном очищенном потоке реактора
| Таблица 4 |
| Катализатор |
2-NA (вес.% от потока реактора) |
DCT (вес.% от всего потока реактора) |
| 1,0 вес.% Ru/C |
6,2 |
3,5 |
| 1,0 вес.% Ru/C + 0,4 вес.% Sn |
4,7 |
0,71 |
Неожиданное снижение содержания DCT, полученное за счет модификации катализатора из рутения на угольном носителе в низкотемпературном реакторе в соответствии с настоящим изобретением, показывает, что модифицированные металлом IVB группы катализаторы из благородного металла позволяют получать очищенные кислотные мономеры, имеющие существенно сниженное содержание DCT.
Формула изобретения
1. Способ очистки нафталиновой карбоновой кислоты, который предусматривает введение в контакт неочищенной нафталиновой кислоты с растворителем очистки в присутствии водорода и катализатора, который содержит благородный металл VIII группы, выбранный из палладия, платины и рутения, а также металл IVB группы, выбранный из кремния, германия, олова и свинца при температуре очистки ориентировочно от 520 до 575°F.
2. Способ по п.1, отличающийся тем, что нафталиновая карбоновая кислота представляет собой 2,6-нафталиндикарбоновую кислоту.
3. Способ по п.1, отличающийся тем, что благородным металлом является палладий.
4. Способ по п.1, отличающийся тем, что благородный металл наносят на угольный носитель.
5. Способ по п.1, отличающийся тем, что кислотой является 2,6- нафталиндикарбоновая кислота, приготовленная за счет катализированного при помощи тяжелого металла окисления жидкой фазы 2,6- диметилнафталина.
6. Способ по п.1, отличающийся тем, что благородным металлом катализатора является палладий на угольном носителе, а нафталиновая карбоновая кислота представляет собой 2,6 – нафталиндикарбоновую кислоту.
7. Способ по п.6, отличающийся тем, что 2,6 – нафталиндикарбоновую кислоту для очистки готовят за счет катализированного при помощи тяжелого металла окисления жидкой фазы 2,6-диметилнафталина.
8. Способ по п.1, отличающийся тем, что температура очистки составляет ориентировочно от 525 до 560°F.
9. Способ по п.1, отличающийся тем, что полное содержание растворенных твердых веществ в растворителе очистки составляет менее 12 вес.% в пересчете на полный вес твердых веществ плюс растворитель.
10. Способ по п.7, отличающийся тем, что полное содержание растворенных твердых веществ в растворителе очистки составляет менее 10 вес.% в пересчете на полный вес твердых веществ плюс растворитель, причем температура очистки составляет ориентировочно от 525 до 560°F.
11. Способ по п.1, отличающийся тем, что его осуществляют в реакторе очистки, рассчитанном для работы при номинальной рабочей температуре не более ориентировочно 550°F.
12. Способ по п.6, отличающийся тем, что его осуществляют в реакторе очистки, рассчитанном для работы при номинальной рабочей температуре не более ориентировочно 550°F.
13. Способ по п.10, отличающийся тем, что его осуществляют в реакторе очистки, рассчитанном для работы при номинальной рабочей температуре не более ориентировочно 550°F.
14. Способ по п.1, отличающийся тем, что очищенную кислоту извлекают за счет разделения твердых веществ от жидкости при температуре ориентировочно от 300 до 340°F.
15. Способ по п.6, отличающийся тем, что очищенную кислоту извлекают за счет разделения твердых веществ от жидкости при температуре ориентировочно от 300 до 340°F.
16. Способ по п.10, отличающийся тем, что очищенную кислоту извлекают за счет разделения твердых веществ от жидкости при температуре ориентировочно от 300 до 340°F.
17. Способ по п.1, отличающийся тем, что металлом IVB группы является олово.
18. Способ по п.1, отличающийся тем, что металл IVB группы присутствует в количестве от 0,2 до 0,6 вес.% от полного веса катализатора.
19. Способ по п.17, отличающийся тем, что благородным металлом является рутений, который присутствует в количестве от 0,1 до 3,0 вес.% от полного веса катализатора.
РИСУНКИ
|
|