|
|
(21), (22) Заявка: 2004118792/02, 21.06.2004
(24) Дата начала отсчета срока действия патента:
21.06.2004
(45) Опубликовано: 20.08.2005
(56) Список документов, цитированных в отчете о поиске:
RU 2209719 C1, 10.08.2003. RU 2066626 C1, 20.09.1996. ЕР 0120198 A1, 18.01.1984. FR 2065598 A, 30.07.1971. US 4815007 A, 21.03.1989.
Адрес для переписки:
690950, Приморский край, г.Владивосток, ГСП, ул. Пушкинская, 10, ДВГТУ, патентный отдел
|
(72) Автор(ы):
Филаретов В.Ф. (RU), Жирабок А.Н. (RU), Лебедев А.В. (RU)
(73) Патентообладатель(и):
Дальневосточный государственный технический университет (RU)
|
(54) УСТРОЙСТВО ДЛЯ УПРАВЛЕНИЯ ПРИВОДОМ РОБОТА
(57) Реферат:
Изобретение относится к робототехнике и может быть использовано при создании систем управления приводом роботами. Технический результат – обеспечение полной инвариантности динамических свойств электропривода к непрерывным и быстрым изменениям его динамических моментных нагрузочных характеристик при движении манипулятора по всем четырем степеням подвижности с учетом электрической постоянной времени электродвигателя. Сущность: за счет введения дополнительных элементов и связей формируется дополнительный сигнал управления, подаваемый на вход электропривода, который обеспечивает получение необходимого моментного воздействия, при наличии электрической постоянной времени электродвигателя. Это позволяет получить стабильно высокое качество управления в любых режимах работы привода. 2 ил. 
Изобретение относится к робототехнике и может быть использовано при создании систем управления приводом роботами.
Известно устройство для управления приводом робота, содержащее последовательно соединенные первый и второй сумматоры, первый блок умножения, третий сумматор, усилитель и двигатель, связанный непосредственно с первым датчиком скорости и через редуктор с первым датчиком положения, выход которого подключен к первому входу первого сумматора, соединенного вторым входом с входом устройства, последовательно подключенные второй датчик скорости, второй блок умножения, третий блок умножения и четвертый сумматор, выход которого соединен с вторым входом третьего сумматора, второй вход – с вторым входом второго сумматора и выходом первого датчика скорости, а третий вход – с выходом релейного элемента, подключенного входом к второму входу третьего блока умножения и выходу первого датчика скорости, последовательно соединенные датчик момента и пятый сумматор, второй вход которого подключен к выходу первого задатчика сигнала, а выход – к второму входу первого блока умножения, а также второй датчик положения, второй и третий задатчики сигнала, шестой и седьмой сумматоры, четвертый и пятый блоки умножения, датчик ускорения, первый и второй функциональные преобразователи, шестой блок умножения и седьмой блок умножения, первый вход которого подключен к выходу второго блока умножения, второй вход – к выходу второго датчика скорости, а выход – к четвертому входу четвертого сумматора, соединенного пятым входом с выходом пятого блока умножения, первый вход которого подключен к выходу датчика ускорения, а второй вход – к выходу седьмого сумматора, соединенного первым входом с выходом третьего задатчика сигнала, вторым входом – с выходом четвертого блока умножения и вторым входом пятого сумматора, а третьим входом – с выходом датчика момента и первым входом шестого сумматора, второй вход которого подключен к выходу второго задатчика сигнала, а выход – к первому входу шестого блока умножения и четвертого блока умножения, соединенного вторым входом с выходом первого функционального преобразователя, вход которого подключен к выходу второго датчика положения и входу второго функционального преобразователя, соединенного выходом с вторым входом шестого блока умножения, выход которого подключен к второму входу второго блока умножения (см. патент РФ №1816684, БИ №19, 1993 г.).
Его недостатком является то, что рассматриваемый в нем робот имеет только три степени подвижности. Однако при трех степенях подвижности у робота значительно сокращается рабочая зона (зона обслуживания). Например, при работе на конвейере желательно перемещение робота вдоль этого конвейера без его остановки на время выполнения рабочих операций. Но при введении линейной четвертой степени подвижности в рассматриваемом приводе появляются дополнительные возмущающие моменты, ухудшающие его показатели качества. В результате появляется задача компенсации этих вредных дополнительных моментов за счет введения дополнительных сигналов коррекции.
Известно также устройство для управления приводом робота, содержащее последовательно соединенные первый и второй сумматоры, первый блок умножения, третий сумматор, усилитель и двигатель, связанный с первым датчиком скорости непосредственно и через редуктор с первым датчиком положения, выход которого соединен с первым отрицательным входом первого сумматора, подключенного вторым положительным входом ко входу устройства, последовательно соединенные релейный блок и четвертый сумматор, второй вход которого соединен с выходом первого датчика скорости и входом релейного блока, последовательно соединенные первый задатчик сигнала и пятый сумматор, второй вход которого подключен к выходу датчика массы, а выход – к второму входу первого блока умножения, последовательно соединенные второй датчик скорости, второй блок умножения и третий блок умножения, второй вход которого соединен с выходом первого датчика скорости, а выход – с третьим входом четвертого сумматора, а также второй датчик положения, причем второй вход второго сумматора соединен с выходом первого датчика скорости, а выход четвертого сумматора подключен ко второму входу третьего сумматора, последовательно соединенные второй задатчик сигнала, шестой сумматор, четвертый блок умножения, второй вход которого через первый косинусный функциональный преобразователь соединен с выходом второго датчика положения, седьмой сумматор, второй вход которого соединен с выходом третьего задатчика сигнала, и пятый блок умножения, второй вход которого соединен с выходом первого датчика ускорения, а выход подключен к четвертому входу четвертого сумматора, последовательно соединенные второй синусный функциональный преобразователь, вход которого соединен со входом первого косинусного функционального преобразователя, и шестой блок умножения, второй вход которого подключен к выходу шестого сумматора, а выход – ко второму входу второго блока умножения, пятый вход четвертого сумматора подключен к выходу седьмого блока умножения, первый вход которого соединен с выходом второго датчика скорости, а второй вход – с выходом второго блока умножения, третий вход пятого сумматора соединен с выходом четвертого блока умножения, третий вход седьмого сумматора подключен к выходу датчика массы и второму входу шестого сумматора, восьмой сумматор, первый вход которого подключен к выходу второго датчика положения, а его второй вход – к выходу первого датчика положения, третий синусный функциональный преобразователь, восьмой блок умножения, девятый сумматор и девятый блок умножения, второй вход которого подключен к выходу второго датчика ускорения, а его выход – к шестому входу четвертого сумматора, последовательно соединенные четвертый задатчик сигнала, десятый сумматор, десятый блок умножения, второй вход которого через четвертый синусный функциональный преобразователь подключен к выходу первого датчика положения, а его выход – ко второму входу девятого сумматора, последовательно соединенные пятый задатчик сигнала и одиннадцатый сумматор, второй вход которого подключен к выходу датчика массы и ко второму входу десятого сумматора, а его выход – ко второму входу восьмого блока умножения (см. патент РФ №2209719, БИ №22, 2003 г.).
Данное устройство по своей технической сущности является наиболее близким к предлагаемому изобретению.
Недостатком прототипа является то, что в электродвигателе рассматриваемой степени подвижности робота не учитывается, полагаясь малой, электрическая постоянная времени.
Задачей, на решение которой направлено заявляемое техническое решение, является обеспечение полной инвариантности динамических свойств электропривода к непрерывным и быстрым изменениям его динамических моментных нагрузочных характеристик при движении манипулятора по всем четырем степеням подвижности с учетом электрической постоянной времени электродвигателя.
Технический результат, который может быть получен при реализации заявляемого технического решения, выражается в формировании дополнительного сигнала управления, подаваемого на вход электропривода, который обеспечивает получение необходимого моментного воздействия, при наличии электрической постоянной времени электродвигателя.
Поставленная задача решается тем, что в устройство для управления приводом робота, содержащее последовательно соединенные первый и второй сумматоры, первый блок умножения, третий сумматор, усилитель и двигатель, связанный с первым датчиком скорости непосредственно и через редуктор с первым датчиком положения, выход которого соединен с первым отрицательным входом первого сумматора, подключенного вторым положительным входом ко входу устройства, последовательно соединенные релейный блок и четвертый сумматор, второй вход которого соединен с выходом первого датчика скорости и входом релейного блока, последовательно соединенные первый задатчик сигнала и пятый сумматор, второй вход которого подключен к выходу датчика массы, а выход – к второму входу первого блока умножения, последовательно соединенные второй датчик скорости, второй блок умножения и третий блок умножения, второй вход которого соединен с выходом первого датчика скорости, а выход – с третьим входом четвертого сумматора, а также второй датчик положения, причем второй вход второго сумматора соединен с выходом первого датчика скорости, а выход четвертого сумматора подключен ко второму входу третьего сумматора, последовательно соединенные второй задатчик сигнала, шестой сумматор, четвертый блок умножения, второй вход которого через первый косинусный функциональный преобразователь соединен с выходом второго датчика положения, седьмой сумматор, второй вход которого соединен с выходом третьего задатчика сигнала, и пятый блок умножения, второй вход которого соединен с выходом первого датчика ускорения, а выход подключен к четвертому входу четвертого сумматора, последовательно соединенные второй синусный функциональный преобразователь, вход которого соединен со входом первого косинусного функционального преобразователя, и шестой блок умножения, второй вход которого подключен к выходу шестого сумматора, а выход – ко второму входу второго блока умножения, пятый вход четвертого сумматора подключен к выходу седьмого блока умножения, первый вход которого соединен с выходом второго датчика скорости, а второй вход – с выходом второго блока умножения, третий вход пятого сумматора соединен с выходом четвертого блока умножения, третий вход седьмого сумматора подключен к выходу датчика массы и второму входу шестого сумматора, восьмой сумматор, первый вход которого подключен к выходу второго датчика положения, а его второй вход – к выходу первого датчика положения, третий синусный функциональный преобразователь, восьмой блок умножения, девятый сумматор и девятый блок умножения, второй вход которого подключен к выходу второго датчика ускорения, а его выход – к шестому входу четвертого сумматора, последовательно соединенные четвертый задатчик сигнала, десятый сумматор, десятый блок умножения, второй вход которого через четвертый синусный функциональный преобразователь подключен к выходу первого датчика положения, а его выход – ко второму входу девятого сумматора, последовательно соединенные пятый задатчик сигнала и одиннадцатый сумматор, второй вход которого подключен к выходу датчика массы и ко второму входу десятого сумматора, а его выход – ко второму входу восьмого блока умножения, дополнительно введены последовательно соединенные третий датчик ускорения, механически связанный с выходным валом двигателя, одиннадцатый блок умножения, второй вход которого соединен с выходом второго блока умножения, и двенадцатый сумматор, второй вход которого подключен к выходу третьего датчика ускорения, а выход – к третьему входу третьего сумматора, последовательно соединенные первый дифференциатор и двенадцатый блок умножения, второй вход которого соединен с выходом седьмого сумматора, последовательно соединенные тринадцатый блок умножения, первый вход которого подключен к выходу шестого блока умножения, а второй вход – к выходу первого датчика ускорения и входу первого дифференциатора, тринадцатый сумматор и четырнадцатый блок умножения, последовательно соединенные квадратор, пятнадцатый блок умножения, второй вход которого соединен с выходом четвертого блока умножения, и шестнадцатый блок умножения, последовательно соединенные четырнадцатый сумматор, семнадцатый блок умножения и восемнадцатый блок умножения, второй вход которого подключен к выходу одиннадцатого сумматора, последовательно соединенные пятый косинусный функциональный преобразователь, вход которого соединен с выходом первого датчика положения, девятнадцатый блок умножения, второй вход которого подключен к выходу десятого сумматора, двадцатый блок умножения и двадцать первый блок умножения, второй вход которого соединен с выходом первого датчика скорости, первым входом четырнадцатого сумматора и вторым входом четырнадцатого блока умножения, последовательно соединенные шестой косинусный функциональный преобразователь, подключенный входом к выходу восьмого сумматора, и двадцать второй блок умножения, выход которого соединен со вторым входом семнадцатого блока умножения, последовательно соединенные второй дифференциатор, подключенный входом к выходу второго датчика ускорения и вторым входом двадцатого и двадцать второго блоков умножения, и двадцать третий блок умножения, второй вход которого соединен с выходом восьмого блока умножения, а также двадцать четвертый блок умножения, первый вход которого соединен с выходом десятого блока умножения, а его второй вход – с выходом второго дифференциатора, а выход – с третьим входом двенадцатого сумматора, четвертый вход которого подключен к выходу двадцать третьего блока умножения, пятый вход – к выходу восемнадцатого блока умножения, шестой вход – к выходу двадцать первого блока умножения, седьмой вход – к выходу четырнадцатого блока умножения, восьмой вход – к выходу шестнадцатого блока умножения, девятый вход – к выходу двенадцатого блока умножения, а десятый – к выходу двадцать пятого блока умножения, первый вход которого соединен с выходом тринадцатого блока умножения, а второй вход – с выходом второго датчика скорости, входом квадратора и вторыми входами шестнадцатого блока умножения и четырнадцатого сумматора, причем второй вход тринадцатого сумматора подключен к выходу пятнадцатого блока умножения.
Сопоставительный анализ существенных признаков предлагаемого технического решения с существенными признаками аналогов и прототипа свидетельствуют о его соответствии критерию “новизна”.
При этом отличительные признаки формулы изобретения обеспечивают высокую точность и устойчивость работы привода робота в условиях существенного изменения параметров нагрузки.
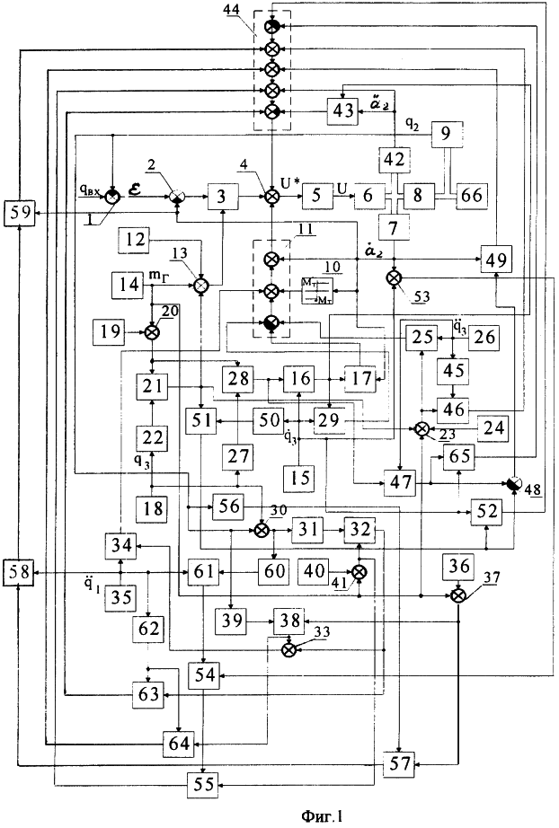
На фиг.1 дана блок-система предлагаемого устройства для управления приводом робота, а фиг.2 – кинематическая схема исполнительного органа робота.
Устройство для управления приводом робота, содержит последовательно соединенные первый 1 и второй 2 сумматоры, первый блок 3 умножения, третий сумматор 4, усилитель 5 и двигатель 6, связанный с первым датчиком 7 скорости непосредственно и через редуктор 8 с первым датчиком 9 положения, выход которого соединен с первым отрицательным входом первого сумматора 1, подключенного вторым положительным входом ко входу устройства, последовательно соединенные релейный блок 10 и четвертый сумматор 11, второй вход которого соединен с выходом первого датчика 7 скорости и входом релейного блока 10, последовательно соединенные первый задатчик 12 сигнала и пятый сумматор 13, второй вход которого подключен к выходу датчика 14 массы, а выход – к второму входу первого блока 3 умножения, последовательно соединенные второй датчик 15 скорости, второй блок 16 умножения и третий блок 17 умножения, второй вход которого соединен с выходом первого датчика 7 скорости, а выход – с третьим входом четвертого сумматора 11, а также второй датчик 18 положения, причем второй вход второго сумматора 2 соединен с выходом первого датчика 7 скорости, а выход четвертого сумматора 11 подключен ко второму входу третьего сумматора 4, последовательно соединенные второй задатчик 19 сигнала, шестой сумматор 20, четвертый блок 21 умножения, второй вход которого через первый косинусный функциональный преобразователь 22 соединен с выходом второго датчика 18 положения, седьмой сумматор 23, второй вход которого соединен с выходом третьего задатчика 24 сигнала, и пятый блок 25 умножения, второй вход которого соединен с выходом первого датчика 26 ускорения, а выход подключен к четвертому входу четвертого сумматора 11, последовательно соединенные второй синусный функциональный преобразователь 27, вход которого соединен со входом первого косинусного функционального преобразователя 22, и шестой блок 28 умножения, второй вход которого подключен к выходу шестого сумматора 20, а выход – ко второму входу второго блока 16 умножения, пятый вход четвертого сумматора 11 подключен к выходу седьмого блока 29 умножения, первый вход которого соединен с выходом второго датчика 15 скорости, а второй вход – с выходом второго блока 16 умножения, третий вход пятого сумматора 13 соединен с выходом четвертого блока 21 умножения, третий вход седьмого сумматора 23 подключен к выходу датчика 14 массы и второму входу шестого сумматора 20, восьмой сумматор 30, первый вход которого подключен к выходу второго датчика 18 положения, а его второй вход – к выходу первого датчика 9 положения, третий синусный функциональный преобразователь 31, восьмой блок 32 умножения, девятый сумматор 33 и девятый блок 34 умножения, второй вход которого подключен к выходу второго датчика 35 ускорения, а его выход – к шестому входу четвертого сумматора 11, последовательно соединенные четвертый задатчик 36 сигнала, десятый сумматор 37, десятый блок 38 умножения, второй вход которого через четвертый синусный функциональный преобразователь 39 подключен к выходу первого датчика 9 положения, а его выход – ко второму входу девятого 33 сумматора, последовательно соединенные пятый задатчик 40 сигнала и одиннадцатый сумматор 41, второй вход которого подключен к выходу датчика 14 массы и ко второму входу десятого сумматора 37, а его выход – ко второму входу восьмого блока 32 умножения, последовательно соединенные третий датчик 42 ускорения, механически связанный с выходным валом двигателя 5, одиннадцатый блок 43 умножения, второй вход которого соединен с выходом второго блока 16 умножения, и двенадцатый сумматор 44, второй вход которого подключен к выходу третьего датчика 42 ускорения, а выход – к третьему входу третьего сумматора 4, последовательно соединенные первый дифференциатор 45 и двенадцатый блок 46 умножения, второй вход которого соединен с выходом седьмого сумматора 23, последовательно соединенные тринадцатый блок 47 умножения, первый вход которого подключен к выходу шестого блока 28 умножения, а второй вход – к выходу первого датчика 26 ускорения и входу первого дифференциатора 45, тринадцатый сумматор 48 и четырнадцатый блок 49 умножения, последовательно соединенные квадратор 50, пятнадцатый блок 51 умножения, второй вход которого соединен с выходом четвертого блока 21 умножения, и шестнадцатый блок 52 умножения, последовательно соединенные четырнадцатый сумматор 53, семнадцатый блок 54 умножения и восемнадцатый блок 55 умножения, второй вход которого подключен к выходу одиннадцатого сумматора 41, последовательно соединенные пятый косинусный функциональный преобразователь 56, вход которого соединен с выходом первого датчика 9 положения, девятнадцатый блок 57 умножения, второй вход которого подключен к выходу десятого сумматора 37, двадцатый блок 58 умножения и двадцать первый блок 59 умножения, второй вход которого соединен с выходом первого датчика 7 скорости, первым входом четырнадцатого сумматора 53 и вторым входом четырнадцатого блока 49 умножения, последовательно соединенные шестой косинусный функциональный преобразователь 60, подключенный входом к выходу восьмого сумматора 30, и двадцать второй блок 61 умножения, выход которого соединен со вторым входом семнадцатого блока 54 умножения, последовательно соединенные второй дифференциатор 62, подключенный входом к выходу второго датчика 35 ускорения и вторым входом двадцатого 58 и двадцать второго 61 блоков умножения, и двадцать третий блок 63 умножения, второй вход которого соединен с выходом восьмого блока 32 умножения, а также двадцать четвертый блок 64 умножения, первый вход которого соединен с выходом десятого блока 38 умножения, а его второй вход – с выходом второго дифференциатора 62, а выход – с третьим входом двенадцатого сумматора 44, четвертый вход которого подключен к выходу двадцать третьего блока 63 умножения, пятый вход – к выходу восемнадцатого блока 55 умножения, шестой вход – к выходу двадцать первого блока 59 умножения, седьмой вход – к выходу четырнадцатого блока 49 умножения, восьмой вход – к выходу шестнадцатого блока 52 умножения, девятый вход – к выходу двенадцатого блока 46 умножения, а десятый – к выходу двадцать пятого блока 65 умножения, первый вход которого соединен с выходом тринадцатого блока 47 умножения, а второй вход – с выходом второго датчика 15 скорости, входом квадратора 50 и вторыми входами шестнадцатого блока 52 умножения и четырнадцатого сумматора 53, причем второй вход тринадцатого сумматора 48 подключен к выходу пятнадцатого блока 51 умножения.
На чертежах введены следующие обозначения:
qвх – сигнал желаемого положения;
q1, q2, q3, q4 – соответствующие обобщенные координаты исполнительного органа робота;
, – скорости изменения соответствующих обобщенных координат;
, – ускорения изменения соответствующих обобщенных координат;
– ошибка привода (величина рассогласования);
m1, m2, m3, m4 – соответственно массы первого, второго, третьего звеньев исполнительного органа и захваченного груза;
, – расстояния от осей вращения горизонтальных звеньев до их центров масс;
l2, l3 – длины соответствующих горизонтальных звеньев;
, – соответственно скорость и ускорение вращения ротора двигателя;
U*,U – соответственно усиливаемый сигнал и сигнал управления двигателем 6.
Устройство работает следующим образом. Сигнал ошибки с сумматора 1 после коррекции в блоках 2, 3, 4, усиливаясь, поступает на электродвигатель 6, приводя его вал во вращательное движение с направлением и скоростью (ускорением), зависящими от величины поступающего сигнала U, моментов трения и внешнего моментного воздействия Мв. Электропривод при работе с различными грузами, а также за счет взаимовлияния степеней подвижности исполнительного органа, обладает переменными моментными характеристиками, которые могут меняться в широких пределах. Это снижает качественные показатели электропривода и даже приводит к потере устойчивости его работы. В результате возникает задача, связанная с обеспечением инвариантности динамических свойств электропривода к непрерывным и быстрым изменениям его моментных нагрузочных характеристик, что позволяет обеспечить стабильность заданного качества системы управления.
Рассматриваемый привод управляет обобщенной координатой q2. Конструкция робота (фиг.2) является наиболее типовой для отечественных и зарубежных промышленных роботов (см. например, роботы типа skilam, SR-2, SR-3, SR-4, ТУР-2.5, гранат-2,5 и т.д.).
Эта конструкция позволяет осуществлять вертикальное прямолинейное перемещение груза (координата q4), два вращательных движения в горизонтальной плоскости (координаты q2 и q3) и линейное перемещение в горизонтальной плоскости (координата q1).
Моментные характеристики привода, управляющего координатой q2, существенно зависят от изменения координат q2, q3, , , , и груза mГ. В связи с этим для качественного управления координатой q2 необходимо компенсировать отрицательное влияние изменения этих координат, а также переменной массы груза mГ на динамические свойства рассматриваемого привода (координата q2).
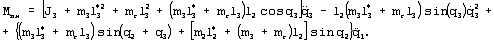
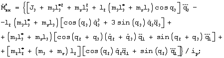
На основе уравнений Лагранжа 2 рода можно записать, что моментное воздействие на выходной вал привода, управляющего координатой q2 с грузом, имеет вид

где



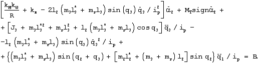
С учетом соотношений (1) и (2), а также уравнений электрической 
и механической
цепей электродвигателя постоянного тока с постоянными магнитами или независимого возбуждения рассматриваемый привод, управляющий координатой q2, можно описать следующим дифференциальным уравнением:

где 


L – индуктивность якорной цепи двигателя;
R – активное сопротивление якорной цепи двигателя;
J – момент инерции якоря двигателя и вращающихся частей редуктора, приведенный к валу двигателя;
KM – коэффициент крутящего момента;
KW – коэффициент противо-ЭДС;
KB – коэффициент вязкого трения;
iр – передаточное отношение редуктора;
Мстр – момент сухого трения;
kу – коэффициент усиления усилителя 5;
i – ток якоря.
Из уравнения (3) видно, что его параметры, а следовательно, и параметры привода, управляющего координатой q2, являются существенно переменными, зависящими от величин q2, q3, , , , , , , mГ. В результате в процессе работы привода меняются (при том существенно) его динамические свойства. Для реализации поставленной выше задачи необходимо сформировать такое корректирующее устройство, которое застабилизировало бы параметры привода таким образом, чтобы он описывался дифференциальным уравнением с постоянными параметрами.
Полагается, что первый положительный вход сумматора 2 (со стороны сумматора 1) имеет единичный коэффициент усиления, а его второй отрицательный вход – коэффициент усиления kW/kY. Следовательно, на выходе сумматора 2 формируется сигнал .
Первый положительный вход сумматора 20 имеет единичный коэффициент усиления, а задатчик 19 сигнала подает на него сигнал . Второй положительный вход этого сумматора имеет коэффициент усиления l2l3. В результате на выходе этого сумматора формируется сигнал .
Датчик 18 положения измеряет обобщенную координату q3, a функциональный преобразователь 22 реализует функцию cos q3. В результате на выходе блока 21 умножения формируется сигнал .
Первый положительный вход сумматора 13 имеет единичный коэффициент усиления, а задатчик 12 сигнала подает на этот вход сигнал где Jн – номинальное значение приведенного момента инерции. На его второй положительный вход с коэффициентом усиления датчик 14 массы подает сигнал mГ. Третий положительный вход этого сумматора имеет коэффициент усиления . В результате на его выходе формируется сигнал а на выходе блока 3 умножения – сигнал 
Функциональный преобразователь 27 реализует функциональную зависимость sin q3. В результате на выходе блока 28 умножения формируется сигнал 
Датчик 15 скорости измеряет скорость изменения обобщенной координаты q3. Он, как и датчик 18 положения, установлен в третьей степени подвижности робота. В результате на третий отрицательный вход сумматора 11 (со стороны блока 17 умножения) с коэффициентом усиления поступает сигнал а на пятый отрицательный вход этого сумматора (со стороны блока 29 умножения) с коэффициентом усиления l/ip – сигнал 
Первый и второй положительные входы сумматора 23 (соответственно со стороны блока 21 умножения и задатчика 24 сигнала) имеют единичные коэффициенты усиления, а его третий положительный вход – коэффициент усиления . Задатчик сигнала 24 формирует сигнал а датчик 26 ускорения измеряет ускорение изменения обобщенной координаты q3 и установлен в третьей степени подвижности робота. В результате на выходе блока 25 умножения формируется сигнал
который поступает на четвертый положительный вход сумматора 11, имеющий коэффициент усиления l/ip. Первый и второй положительные входы сумматора 11 (соответственно со стороны релейного элемента 10 и датчика 7 скорости), соответственно, имеют единичный коэффициент усиления и коэффициент усиления, равный kм/kw/R+kB.
Первый положительный вход сумматора 37 имеет единичный коэффициент усиления и задатчик сигнала 36 подает на него сигнал , а его второй положительный вход – коэффициент усиления l2/ip. В результате на выходе этого сумматора формируется сигнал . Функциональный преобразователь 39 реализует функцию sin q2. В результате на выходе блока 38 умножения формируется сигнал . Задатчик сигнала 40 подает на первый положительный вход сумматора 41 с единичным коэффициентом усиления сигнал , а его второй положительный вход имеет коэффициент усиления, равный l3/ip. В результате на выходе этого сумматора формируется сигнал . Сумматор 30 имеет положительные входы с единичными коэффициентами усиления. В результате на его выходе формируется сигнал q2+q3. Функциональный преобразователь 31 реализует функцию sin(q2+q3). В результате на выходе блока 32 умножения формируется сигнал .
Сумматор 33 имеет положительные входы с единичными коэффициентами усиления, поэтому на шестой положительный вход сумматора 11 с единичным коэффициентом усиления поступает сигнал .
Выходной сигнал релейного элемента 10 с нулевой нейтральной точкой имеет вид

где |MT| – величина момента сухого трения при движении. В результате на выходе сумматора 11 формируется сигнал

Отрицательные входы сумматора 48 имеют коэффициенты в результате на седьмой положительный вход сумматора 44, имеющий единичный коэффициент усиления, поступает (со стороны блока 49 умножения) сигнал 
Поскольку для исполнительного органа рассматриваемого робота выполняется условие , а датчик 42 измеряет ускорение вращения двигателя , то на первый отрицательный вход сумматора 44, имеющий коэффициент усиления , со стороны блока 43 умножения поступает сигнал 
Второй положительный вход этого сумматора (со стороны датчика 42 ускорения) имеет коэффициент усиления kB.
На девятый положительный вход сумматора 44 (со стороны блока 46 умножения) поступает сигнал , на его десятый отрицательный вход, имеющий коэффициент усиления 3/ip, (со стороны блока 65 умножения) – сигнал , на восьмой отрицательный вход (со стороны блока 52 умножения) – сигнал , на шестой положительный (со стороны блока 59 умножения) – сигнал , на третий положительный (со стороны блока 64 умножения) – сигнал , а на четвертый положительный (со стороны блока 63 умножения) – сигнал .
Первый (со стороны датчика 7) положительный вход сумматора 53 имеет коэффициент усиления l/ip, а его второй положительный вход – единичный коэффициент усиления. В результате на выходе этого сумматора формируется сигнал , а на пятый положительный вход сумматора 44 (со стороны блока 55 умножения) подается сигнал .
Причем третий, четвертый, пятый и шестой входы сумматора 44 имеют единичные коэффициенты усиления, а восьмой и девятый – коэффициенты усиления l/ip.
В результате на выходе сумматора 44 формируется сигнал .
Первый положительный вход сумматора 4 (со стороны блока 3 умножения) имеет единичный коэффициент усиления, его второй положительный вход (со стороны сумматора 11) – коэффициент усиления R/kм/ky, а третий положительный вход – коэффициент усиления L/kмky. В результате на выходе сумматора 4 формируется сигнал U*, равный 
Поскольку при движении привода достаточно точно соответствует Мстр, то сигнал U*(4), как несложно убедиться, обеспечивает превращение уравнения (3) с существенно переменными параметрами в уравнение с постоянными номинальными желаемыми параметрами, обеспечивающими приводу заданные динамические свойства и качественные показатели

Таким образом, за счет введения дополнительных элементов и связей удалось обеспечить инвариантность привода к эффектам взаимовлияния между степенями подвижности и моментам трения. Это позволяет получить стабильно высокое качество управления в любых режимах работы привода.
Практическая реализация предлагаемого устройства не вызывает затруднений, так как в нем использованы только типовые электронные элементы.
Формула изобретения
Устройство для управления приводом робота, содержащее последовательно соединенные первый и второй сумматоры, первый блок умножения, третий сумматор, усилитель и двигатель, связанный с первым датчиком скорости непосредственно и через редуктор – с первым датчиком положения, выход которого соединен с первым отрицательным входом первого сумматора, подключенного вторым положительным входом ко входу устройства, последовательно соединенные релейный блок и четвертый сумматор, второй вход которого соединен с выходом первого датчика скорости и входом релейного блока, последовательно соединенные первый задатчик сигнала и пятый сумматор, второй вход которого подключен к выходу датчика массы, а выход – к второму входу первого блока умножения, последовательно соединенные второй датчик скорости, второй блок умножения и третий блок умножения, второй вход которого соединен с выходом первого датчика скорости, а выход – с третьим входом четвертого сумматора, а также второй датчик положения, причем второй вход второго сумматора соединен с выходом первого датчика скорости, а выход четвертого сумматора подключен ко второму входу третьего сумматора, последовательно соединенные второй задатчик сигнала, шестой сумматор, четвертый блок умножения, второй вход которого через первый косинусный функциональный преобразователь соединен с выходом второго датчика положения, седьмой сумматор, второй вход которого соединен с выходом третьего задатчика сигнала, и пятый блок умножения, второй вход которого соединен с выходом первого датчика ускорения, а выход подключен к четвертому входу четвертого сумматора, последовательно соединенные второй синусный функциональный преобразователь, вход которого соединен со входом первого косинусного функционального преобразователя, и шестой блок умножения, второй вход которого подключен к выходу шестого сумматора, а выход – ко второму входу второго блока умножения, пятый вход четвертого сумматора подключен к выходу седьмого блока умножения, первый вход которого соединен с выходом второго датчика скорости, а второй вход – с выходом второго блока умножения, третий вход пятого сумматора соединен с выходом четвертого блока умножения, третий вход седьмого сумматора подключен к выходу задатчика массы и второму входу шестого сумматора, восьмой сумматор, первый вход которого подключен к выходу второго датчика положения, а его второй вход – к выходу первого датчика положения, третий синусный функциональный преобразователь, восьмой блок умножения, девятый сумматор и девятый блок умножения, второй вход которого подключен к выходу второго датчика ускорения, а его выход – к шестому входу четвертого сумматора, последовательно соединенные четвертый задатчик сигнала, десятый сумматор, десятый блок умножения, второй вход которого через четвертый синусный функциональный преобразователь подключен к выходу первого датчика положения, а его выход – ко второму входу девятого сумматора, последовательно соединенные пятый задатчик сигнала и одиннадцатый сумматор, второй вход которого подключен к выходу задатчика массы и ко второму входу десятого сумматора, а его выход – ко второму входу восьмого блока умножения, отличающееся тем, что в него дополнительно введены последовательно соединенные третий датчик ускорения, механически связанный с выходным валом двигателя, одиннадцатый блок умножения, второй вход которого соединен с выходом второго блока умножения, и двенадцатый сумматор, второй вход которого подключен к выходу третьего датчика ускорения, а выход – к третьему входу третьего сумматора, последовательно соединенные первый дифференциатор и двенадцатый блок умножения, второй вход которого соединен с выходом седьмого сумматора, последовательно соединенные тринадцатый блок умножения, первый вход которого подключен к выходу шестого блока умножения, а второй вход – к выходу первого датчика ускорения и входу первого дифференциатора, тринадцатый сумматор и четырнадцатый блок умножения, последовательно соединенные квадратор, пятнадцатый блок умножения, второй вход которого соединен с выходом четвертого блока умножения, и шестнадцатый блок умножения, последовательно соединенные четырнадцатый сумматор, семнадцатый блок умножения и восемнадцатый блок умножения, второй вход которого подключен к выходу одиннадцатого сумматора, последовательно соединенные пятый косинусный функциональный преобразователь, вход которого соединен с выходом первого датчика положения, девятнадцатый блок умножения, второй вход которого подключен к выходу десятого сумматора, двадцатый блок умножения и двадцать первый блок умножения, второй вход которого соединен с выходом первого датчика скорости, первым входом четырнадцатого сумматора и вторым входом четырнадцатого блока умножения, последовательно соединенные шестой косинусный функциональный преобразователь, подключенный входом к выходу восьмого сумматора и двадцать второй блок умножения, выход которого соединен со вторым входом семнадцатого блока умножения, последовательно соединенные второй дифференциатор, подключенный входом к выходу второго датчика ускорения и вторым входом двадцатого и двадцать второго блоков умножения, и двадцать третий блок умножения, второй вход которого соединен с выходом восьмого блока умножения, а также двадцать четвертый блок умножения, первый вход которого соединен с выходом десятого блока умножения, а его второй вход – с выходом второго дифференциатора, а выход – с третьим входом двенадцатого сумматора, четвертый вход которого подключен к выходу двадцать третьего блока умножения, пятый вход – к выходу восемнадцатого блока умножения, шестой вход – к выходу двадцать первого блока умножения, седьмой вход – к выходу четырнадцатого блока умножения, восьмой вход – к выходу шестнадцатого блока умножения, девятый вход – к выходу двенадцатого блока умножения, а десятый – к выходу двадцать пятого блока умножения, первый вход которого соединен с выходом тринадцатого блока умножения, а второй вход – с выходом второго датчика скорости, входом квадратора и вторыми входами шестнадцатого блока умножения и четырнадцатого сумматора, причем второй вход тринадцатого сумматора подключен к выходу пятнадцатого блока умножения, второй вход девятого сумматора соединен с выходом восьмого блока умножения, а его выход – со вторым входом девятого блока умножения, вход третьего синусного функционального преобразователя соединен с выходом восьмого сумматора, а его выход соединен со вторым входом второго блока умножения.
РИСУНКИ
MM4A – Досрочное прекращение действия патента СССР или патента Российской Федерации на изобретение из-за неуплаты в установленный срок пошлины за поддержание патента в силе
Дата прекращения действия патента: 22.06.2006
Извещение опубликовано: 20.11.2007 БИ: 32/2007
NF4A Восстановление действия патента СССР или патента Российской Федерации на изобретение
Дата, с которой действие патента восстановлено: 10.04.2008
Извещение опубликовано: 10.04.2008 БИ: 10/2008
|
|