|
|
(21), (22) Заявка: 2004111074/02, 12.04.2004
(24) Дата начала отсчета срока действия патента:
12.04.2004
(45) Опубликовано: 20.08.2005
(56) Список документов, цитированных в отчете о поиске:
КУЗНЕЦОВ Ю.И. и др. Оснастка для станков с ЧПУ. М.: Машиностроение, 1990, с.373, табл.69. RU 2014196 C1, 15.06.1994. RU 2050245 C1, 20.12.1995. RU 2108206 C1, 10.04.1998. US 6415196 B1, 09.07.2002.
Адрес для переписки:
150023, г.Ярославль, Московский пр., 88, ЯГТУ, Ректору Ю.А.Москвичеву
|
(72) Автор(ы):
Украженко К.А. (RU), Украженко О.К. (RU)
(73) Патентообладатель(и):
Ярославский государственный технический университет (RU)
|
(54) УСТРОЙСТВО СОЕДИНЕНИЯ МОДУЛЕЙ
(57) Реферат:
Изобретение относится к области обработки резанием, вспомогательному инструменту для станков с ЧПУ. Устройство содержит присоединительный и базовый модули, из которых присоединительный модуль имеет опорный торец и хвостовик с внутренней конической поверхностью, расположенной перпендикулярно его оси, а базовый модуль имеет ответный опорный торец, посадочную поверхность и затяжной винт с наружной конической поверхностью для взаимодействия с внутренней конической поверхностью хвостовика. Для расширения технологических возможностей в хвостовике выполнено центральное отверстие, делящее его внутреннюю коническую поверхность на две, и два осевых паза длиной от его торца и, по меньшей мере, до конических поверхностей, а наружная коническая поверхность на затяжном винте разделена на две части жестким соединительным стержнем, диаметр которого меньше ширины одного из указанных осевых пазов. Устройство может иметь выточку под хвостовик, а указанные осевые пазы выполнены длиннее хвостовика. Устройство может быть снабжено дополнительным упором, а на затяжном винте может быть выполнен обратный конус для взаимодействия с дополнительным упором. 2 з.п. ф-лы, 11 ил. 
Изобретение относится к устройствам соединения модулей, преимущественно системам вспомогательного инструмента для станков с ЧПУ.
Известны устройства соединения модулей (проспект ф. Вальтер 241130-292 09/88, с.10, 11, ФРГ) с креплением боковыми винтами, где расточка базового модуля охватывает хвостовик присоединяемого модуля и поджимает к его торцу посредством ввинчиваемого в радиальное отверстие корпуса винта, коническая головка которого взаимодействует с поверхностью конического углубления, выполненного в устанавливаемой в хвостовике вставке, эксцентричного относительно отверстия под винт. Для повышения жесткости конструкции в стенке отверстия державки соосно с винтом выполнено обращенное к нему коническое углубление, а в хвостовике корпуса – поперечное отверстие под вставку, на одном из торцов которой расположено коническое углубление, а другой выполнен в виде конуса, взаимодействующего с поверхностью конического углубления державки.
Недостатком данных устройств является невысокая жесткость фиксации соединяемых модулей при относительно высокой сложности конструкции.
Известны также устройства соединения модулей (кн. авт. Кузнецов Ю.И., Маслов А.Р., Байков А.М. “Оснастка для станков с ЧПУ”. М., 1990, стр.373, табл.69), содержащие базовый и присоединительный модули, в присоединительном модуле содержится хвостовик и опорный торец, а в базовом посадочная поверхность и ответный опорный торец. В хвостовике имеется коническая поверхность в виде отверстия, а в базовом модуле затяжной винт, жестко соединенный с конической поверхностью, взаимодействующей с конической поверхностью хвостовика.
Недостатком данного устройства соединения модулей является неравномерный поджим соединяемых модулей к торцам и неточное центрирование модулей относительно оси вращения.
Технической задачей данного изобретения является повышение технологических возможностей, заключающихся в равномерном поджатии модулей к торцам и точном центрировании их по отношению оси вращения, а также повышении надежности работы при износе посадочной поверхности или ее незначительном провале (браке, т.е. несоответствии диаметральных размеров хвостовика и посадочной поверхности).
Это достигается тем, что в устройстве соединения модулей, содержащем базовый и присоединительный модули, в присоединительном модуле содержится хвостовик и опорный торец, а в базовом посадочная поверхность и ответный опорный торец. В хвостовике имеется внутренняя коническая поверхность, а в базовом модуле затяжной винт с конической поверхностью, взаимодействующий с конической поверхностью хвостовика. В хвостовике имеется центральное отверстие, делящее коническую поверхность в хвостовике на две, и осевой центральный паз от собственного торца длиной, по меньшей мере до конических поверхностей, а коническая поверхность на затяжном винте также разделена на две части жестким соединительным стержнем, диаметр которого меньше ширины осевого паза. Причем устройство может содержать выточку под хвостовик, разрезанный пазами, превышающими его длину.
Устройство может быть снабжено дополнительным упором, а на затяжном винте может быть выполнен обратный конус для взаимодействия с дополнительным упором.
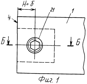
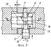
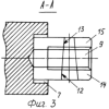
Сущность изобретения поясняется графически, где на фиг.1 показан базовый модуль; на фиг.2 – присоединяемый; на фиг.3 – разрез по А-А фиг.2; на фиг.4 – разрез по Б-Б фиг.1; на фиг.5 – начало соединения модулей, разрез; на фиг.6 – разрез по В-В фиг.5; на фиг.7 – окончание соединения модулей, разрез; на фиг.8 – разрез по Г-Г фиг.7; на фиг.9 – начало соединения модулей с гайкой, разрез; на фиг.10 – окончание соединения модулей, разрез; на фиг.11 – разрез по Д-Д, фиг.10.
Устройство соединения модулей состоит из модулей: базового 1 и присоединяемого 2. В модуле 1 выполнена посадочная поверхность 3 с торцем 4, а в модуле 2 – хвостовик 5 с торцем 6. За счет выточки 7 хвостовик 5 имеет длину большую, чем расстояние от торца 6 до собственного торца 8. Хвостовик 5 выполнен полый, с резьбовым отверстием 9 для установки упора 10 с наклонной плоскостью 11 с целью разборки модулей 1 и 2. В хвостовике 5 имеются два конусных отверстия – поверхности 12 и 13, выполненные для точности одним инструментом, на расстоянии Н от торца 6 и два паза 14 и 15 по конусным поверхностям 12 и 13 соответственно. Причем ширины пазов 14, 15 от торца 8 до поверхностей 12 и 13 могут быть разными, шириной “b” и “а” соответственно. Ширина пазов 14, 15 от поверхностей 12, 13 до выточки 7 может быть одинаковой и минимальной, а длина L больше, чем длина хвостовика 5. Это необходимо для надежного создания натяга в сопряжении: поверхность 3 – хвостовик 5. С этой целью устройство содержит винт 16 с конусами 17 и 18, также как и конусные поверхности 12, 13, выполненные заодно и жестко связанные посредством стержня 19 диаметром d2 с винтом 16. На конце винта 16 имеется направляющая 20 диаметром d1, причем d21 от торца 4. На конусе 18 выполнен обратный конус 23, взаимодействующий с наклонной плоскостью 11. Для снижения трения при соединении модулей 1 и 2 винт 16 может быть выполнен в виде не вращающейся тяги 24 с теми же конусами 17, 18 и плоским стержнем 25, а направляющая 20 – в виде резьбового элемента 26, с которым сопряжена вращающаяся гайка 27 (фиг.10).,>
Работает устройство следующим образом. В начале модуль 2 своим хвостовиком 5 устанавливается в посадочное отверстие 3. Пазы 14 и 15 в хвостовике 5 позволяют ему беспрепятственно пройти через стержень 19 или плоский элемент 25 и направляющую 20, или резьбовой элемент 26. Между торцами 4 и 6 модулей 1 и 2 соответственно образуется зазор 1, т.к. наклонная поверхность 11 упирается в обратный конус 23, а между посадочной поверхностью 3 и хвостовиком 5 образуется минимальный зазор 2. При вращении винта 16 или гайки 27 конуса 17 и 18 начинают взаимодействовать с конусными поверхностями 12 и 13, а обратный конус 23 отходит от поверхности 11. В результате этого происходит сближение и соединение торцев 4 и 6 и после создания в них определенного натяга происходит создание натяга в сопряжении хвостовик 5 – поверхность 3, т.к. результирующая сила Р в результате давления конусов 17, 18 на соответствующие конусные поверхности 12 и 13 возрастает и разлагается на осевую Р0 и радиальную Pp. Осевая Р0 создает натяг в торцах 4 и 6, а радиальная РР – в сопряжении поверхность 3 – хвостовик 5. Благодаря выточке 7 и длинным пазам 14, 15 в хвостовике 5 возникают деформации по всей его длине, которые позволяют выбрать все зазоры (в том числе от незначительного провала диаметра при изготовлении или износе) и создать требуемый натяг по всему сопряжению поверхность 3 – хвостовик 5 от плоскости I до плоскости II, а также в торцах 4 и 6 плоскости III (фиг.7).
Формула изобретения
1. Устройство соединения модулей, из которых присоединительный модуль имеет опорный торец и хвостовик с внутренней конической поверхностью, расположенной перпендикулярно его оси, а базовый модуль имеет ответный опорный торец, посадочную поверхность и затяжной винт с наружной конической поверхностью для взаимодействия с внутренней конической поверхностью хвостовика, отличающееся тем, что в хвостовике выполнено центральное отверстие, делящее его внутреннюю коническую поверхность на две, и два осевых паза длиной от его торца и, по меньшей мере, до конических поверхностей, а наружная коническая поверхность на затяжном винте разделена на две части жестким соединительным стержнем, диаметр которого меньше ширины одного из указанных осевых пазов.
2. Устройство по п.1, отличающееся тем, что оно имеет выточку под хвостовик, а указанные осевые пазы выполнены длиннее хвостовика.
3. Устройство по п.1, отличающееся тем, что оно снабжено дополнительным упором, а на затяжном винте выполнен обратный конус для взаимодействия с дополнительным упором.
РИСУНКИ
|
|