|
|
(21), (22) Заявка: 2004119631/15, 28.06.2004
(24) Дата начала отсчета срока действия патента:
28.06.2004
(45) Опубликовано: 20.08.2005
(56) Список документов, цитированных в отчете о поиске:
WO 89/00453 A1, 26.01.1989. RU 2171788 C1, 10.08.2001. US 6402916, 11.06.2002. US 4275448, 23.06.1981.
Адрес для переписки:
400131, г.Волгоград, пр. Ленина, 28, ВолгГТУ, Начальнику отдела интеллектуальной собственности Н.Н. Кондратьевой
|
(72) Автор(ы):
Козловцев В.А. (RU), Голованчиков А.Б. (RU), Ходырев Д.В. (RU), Козловцев Р.В. (RU), Козловцева Ю.В. (RU), Козловцев Е.В. (RU)
(73) Патентообладатель(и):
Волгоградский государственный технический университет (ВолгГТУ) (RU)
|
(54) СПОСОБ РЕГЕНЕРАЦИИ ИОНООБМЕННОГО МАТЕРИАЛА
(57) Реферат:
Изобретение относится к способам восстановления обменных свойств ионитов и может найти применение в химической и фармакологической промышленности, процессах тонкой химической технологии, в процессах водоподготовки питьевой и технической воды малой жесткости, а также в экологических процессах при очистке сточных вод от катионов и анионов вредных и опасных растворенных веществ. Способ регенерации ионообменного материала включает его одновременную обработку в поле постоянного тока и высокочастотном переменном электрическом поле генератора высокой частоты, непрерывную подачу воды через слой ионообменного материала, находящегося между электродами, один из которых, являющийся анодом, соединен с одним из выходов генератора высокой частоты, причем обработку ионообменного материала осуществляют при постоянной во времени величине напряжения постоянного тока, равного (0,1-12) В и частоте колебаний переменного тока, равной (6,5-7,3) МГц и соответствующей резонансной частоте колебаний ионов воды, при этом катод соединен со вторым выходом генератора высокой частоты. Техническим результатом предлагаемого технического решения является снижение энергозатрат и упрощение технологии регенерации ионитов за счет обработки ионообменного материала при постоянных во времени величинах напряжения постоянного тока и частоте колебаний переменного тока. 1 табл., 1 ил. 
Предлагаемое техническое решение относится к способам восстановления обменных свойств ионитов и может найти применение в химической и фармакологической промышленности, процессах тонкой химической технологии, в процессах водоподготовки питьевой и технической воды малой жесткости, а также в экологических процессах при очистке сточных вод от катионов и анионов вредных и опасных растворенных веществ.
Известен способ электрохимической регенерации смешанного слоя ионитов в режимах концентрирования и обессоливания, когда извлекаемые ионы удаляются через мембраны в электродные камеры с раствором и требующий специальных анионообменных и катионообменных мембран [Волжинский С.А., Константинов Г.С. Регенерация ионитов. – М.: Химия, 1990. – 230 с., 132 стр.].
К причинам, препятствующим достижению заданного технического результата, относятся невысокая скорость регенерации, что увеличивает время восстановления ионита, а также необходимость установки ионообменных мембран, что увеличивает стоимость процесса регенерации ионита.
Известен способ электрохимической регенерации ионитов в электролизерах с диафрагмой и без нее, в которой для ускорения процесса восстановления ионообменных свойств в регенерирующий раствор добавляют поверхностно-активные вещества [Родионов А.И. Техника защиты окружающей среды. – М.: Химия, 1986, 380 с. – 76 стр.].
К причинам, препятствующим достижению заданного технического результата, относятся сложность создания специального регенерирующего раствора с поверхностно-активными веществами, что увеличивает в конечном итоге стоимость регенерации.
Наиболее близким техническим решением к предлагаемому способу и принятым за прототип является способ регенерации ионообменного материала, описанный в международном патенте WO 89/00453 (Европатент РСТ/ЕР 88/00618) В 01 J 49/00, 1989 г. под названием «Способы и устройства для регенерации ионообменного материала».
Способ включает в себя одновременную обработку очищаемой воды постоянным и высокочастотным переменным электрическим полем от генератора высокой частоты, при ее непрерывной подаче через слой ионообменного материала, находящегося между электродами, один из которых, являющийся анодом постоянного тока, соединен с одним из выходов генератора высокой частоты (фиг.2, стр.1/4), при этом напряжение переменного поля меняется во времени с периодом 3 минуты от 30 до 380 В, а частота колебаний переменного тока также меняется во времени с периодом до 1 минуты в диапазоне частот от 1 КГц до 10 МГц.
К причинам, препятствующим достижению заданного технического результата, относится сложность технологического процесса, связанная с изменением и напряжения постоянного поля, и частоты колебаний переменного тока во времени, высоким напряжением, представляющим опасность для обслуживающего персонала, большими энергозатратами на регенерацию, что в конечном итоге приводит к высокой стоимости процесса регенерации.
Задачей предлагаемого технического решения является разработка технологичного способа регенерации ионообменного материала, позволяющего снизить стоимость регенерации ионитов.
Техническим результатом предлагаемого технического решения является снижение энергозатрат и упрощение технологии регенерации ионитов за счет обработки ионообменного материала при постоянных во времени величинах напряжения постоянного тока и частоте колебаний переменного тока.
Поставленный технический результат достигается тем, что в способе регенерации ионообменного материала, включающем его одновременную обработку в поле постоянного тока и высокочастотном переменном электрическом поле генератора высокой частоты (ВЧ), непрерывную подачу воды через слой ионообменного материала, находящегося между электродами, один из которых, являющийся анодом, соединен с одним из выходов генератора ВЧ, при этом обработку ионообменного материала осуществляют при постоянной во времени величине напряжения постоянного тока, равного (0.1-12) В, и частоте колебаний переменного тока, равной (6,5-7,3)В МГц и соответствующей резонансной частоте колебаний ионов воды, а катод соединен со вторым выходом генератора высокой частоты. Это позволяет упростить технологию регенерации ионитов и использовать менее дорогостоящие приборы и оборудование.
Частота колебаний переменного тока в пределах (6,5-7,3) МГц, соответствующих резонансной частоте колебаний ионов воды, позволяет в максимальной степени увеличить электропроводность воды за счет полной ее диссоциации и, соответственно, легко снизить необходимое напряжение постоянного тока до диапазона (0,1-12)В. В целом это и уменьшает мощность электрического тока, затраты энергии и стоимость регенерации ионообменного материала. Кроме того, отпадает необходимость варьировать во времени частоту в широких пределах и соответственно ей также в широких пределах варьировать во времени напряжение постоянного тока, как это имеет место в прототипе. Это упрощает конструкцию генератора ВЧ, выпрямителя постоянного тока и их обслуживание, а значит, в конечном счете, также способствует уменьшению стоимости регенерации ионообменного материала. Соединение катода со вторым выходом генератора высокой частоты позволяет уменьшить расход электроэнергии постоянного тока и, в конечном счете, уменьшить стоимость регенерации ионообменного материала.
Увеличение частоты колебаний переменного тока сверх обозначенного предела 7,3 МГц, как и ее уменьшение ниже 6,5 МГц не позволяет вести процесс регенерации ионообменного материала в режиме резонансной частоты колебаний ионов воды, что резко снижает диссоциацию молекул воды на ионы, увеличивает ее электрическое сопротивление, что соответственно требует увеличения напряжения постоянного тока сверх 12В, как это имеет место в прототипе, что увеличивает энергозатраты и стоимость регенерации ионообменного материала. Уменьшение напряжения постоянного тока ниже указанного предела 0,1 В приводит к снижению скорости регенерации ионообменного материала и степени регенерации.
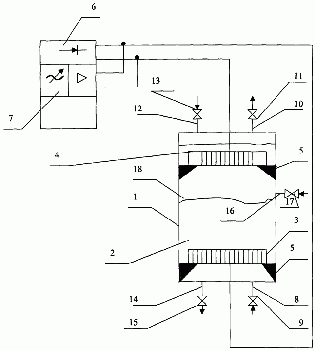
На чертеже показан общий вид установки, работающей по предлагаемому способу регенерации ионообменного материала. Она включает в себя емкость 1, в которой находится ионообменный материал 2. В нижней части емкости 1 установлен пластинчатый или листовой перфорированный анод 3, а в верхней части емкости 1 над ионообменным материалом 2 установлен катод 4, выполненный так же, как анод 3. Анод 3 и катод 4 установлены на опорах 5, выполненных из диэлектрического материала, например резины, эбонита или пластмассы, и присоединены к клеммам источника постоянного тока или выпрямителя 6 при напряжении на клеммах от 0,1 до 12 В. Кроме того, анод 3 и катод 4 одновременно соединены с клеммами генератора высокочастотного напряжения 7 с частотой (6,5-7,3) МГц, соответствующей резонансной частоте колебаний ионов молекулы воды. На дне емкости 1 установлен патрубок 8 для подвода регенерирующей воды с вентилем 9, а на крышке емкости 1 установлен патрубок 10 для отвода регенерирующей воды, насыщенной ионами с вентилем 11.
Патрубок 12 с вентилем 13, установленный на крышке емкости 1, служит для подачи исходной загрязненной ионами воды или раствора, а патрубок 14 с вентилем 15, установленный на днище емкости 1, служит для отвода очищенной от ионов воды или раствора. Патрубок 16 с вентилем 17 установлены на боковой стенке емкости 1 выше верхнего слоя ионита 18 для подачи промывочной жидкости.
Способ регенерации ионообменного материала осуществляется следующим образом. После завершения стадии очистки воды или раствора путем пропускания ее по патрубку 12 при открытом вентиле 13 через слой ионообменного материала 2 и отвода очищенной воды или раствора через патрубок 14 и открытом вентиле 15 открывают вентиль 17 и по патрубку 16 подают промывочную жидкость, которая отводится по патрубку 14. После промывки ионита 2 вентили 13, 15, 17 закрывают. На анод 3 и катод 4 от генератора или выпрямителя постоянного тока 6 напряжением (0,1-12) В и генератора высокочастотного тока 7 с частотой (6,5-7,3) МГц одновременно подается сложный электрический потенциал. Открывают вентили 9, 11 и по патрубку 8 подают регенерирующую воду через слой ионита 2, а по патрубку 10 отводят эту воду, загрязненную ионами, извлеченными из ионообменного материала 2.
Так как частота (6,5-7,3) МГц является резонансной частотой для ионов молекул воды, то вода интенсивно диссоциирует на катионы H+, H3 +О и анионы ОН– и становится электропроводной. Ее электрическое сопротивление становится таким небольшим, что даже при низких напряжениях постоянного тока от 0.1 до 12 В на аноде 3 и катоде 4 через слой воды и ионита 2 проходит значительный электрический ток и идет процесс обмена на анионообменных гранулах анионов хлора или других на анион OH–, а катионов Са+2 или Mg+2 на катион H+. Из-за высокой обменной скорости регенерация слоя ионообменного материала 2 происходит быстро и не требует больших энергозатрат. После завершения стадии регенерации ионообменного материала 2 вентили 9 и 11 закрывают, подачу потенциала на анод 3 и катод 4 от генератора или выпрямителя 6 постоянного тока и генератора тока высокой частоты 7 прекращают, открывают вентили 13 и 14 и по патрубку 12 начинают вновь подавать очищаемую воду или раствор, то есть возобновляют стадию очистки воды или раствора на ионообменном материале.
Были проведены экспериментальные исследования по предлагаемому способу регенерации ионита и способу, принятому за прототип. Исследования проводились на катионообменной смоле КУ-2-8, используемой в водоподготовке для умягчения воды с удалением катионов жесткости Са+2 и Mg+2. Регенерация ионита проводилась в ионообменной установке, изображенной на чертеже. Размеры прямоугольной емкости 1 составляли 50×50 мм. Высота слоя ионита 2 составляла 40 мм. Анод 3 и катод 4 были выполнены из угольных электродов. Для получения постоянного напряжения использовался лабораторный трансформатор с блоком из кремниевых диффузионных диодов КЦ 4056 9203, с миллиамперметром для измерения тока и вольтметром для измерения напряжения. В качестве высокочастотного генератора тока использовался Г4-153, с мощностью 100 Вт.
Режим регенерации во всех опытах непрерывный с неподвижным слоем ионита в проточной обессоленной воде. Расход обессоленной воды в каждом опыте устанавливался 10 мл/мин, то есть общий объем, затрачиваемый за 30 минут, составлял 300 мл. Время регенерации во всех опытах было постоянным и равнялось 30 минутам. Загрузка ионита КУ-2-8 составляла 60 г. Полная обменная емкость 4,6 мг-экв/г определялась по ГОСТ 20255.1-89. Для расчета степени регенерации в каждом опыте после его завершения отбиралась проба воды, которая титровалась 0.1Н раствором соляной кислоты. Формула для расчета статической обменной емкости имеет вид:

где V – объем рабочего раствора 0.1 H раствора соляной кислоты, идущей на титрование, см3;
К – коэффициент, равный отношению объема рабочего раствора к объему раствора, взятому на титрование;
V1 – объем раствора, израсходованный на титрование пробы раствора после взаимодействия с ионитом, см3;
m – масса ионита, г;
W – массовая доля влаги, %;
С – заданная концентрация рабочего раствора и раствора для титрования, моль/дм3 (Н); С=0,1;
К1 и К2 – коэффициенты поправки соответственно рабочего раствора и раствора для титрования.
Пример 1. Опыт по предлагаемому способу регенерации ионита проводился при наименьшем заявленном значении напряжения постоянного тока 0.1 В и частоте переменного тока 6 МГц, которая ниже заявляемого предела частоты 6,5 МГц и не являющейся резонансной частотой для ионов молекулы воды.
Пример 2. Опыт по примеру 1, по частоте переменного тока 6,5 МГц, соответствующей нижнему пределу заявляемого диапазона высоких частот и резонансной частоте ионов молекулы воды.
Пример 3. Опыт по примеру 1, но при частоте переменного тока 7,3 МГц, соответствующей верхнему пределу заявляемого диапазона высоких частот и резонансной частоте ионов молекулы воды.
Пример 4. Опыт по примеру 1, но при частоте переменного тока 8 МГц, превышающей верхний предел заявляемой частоты и не являющейся резонансной частотой ионов молекул воды.
Примеры 5-8. То же, что и примеры 1-4, но при средних значениях напряжения постоянного тока 6 В (заявляемый диапазон напряжений постоянного тока 0.1-12 В).
Примеры 9-12. То же, что и примеры 1-4, но при наибольших значениях напряжения постоянного тока 12 В, заявляемого диапазона в формуле изобретения.
Пример 13. Опыт по способу регенерации, описанному в прототипе при меняющемся напряжении постоянного тока от 30 до 100 В с периодом в 3 минуты и меняющейся частоте переменного тока от 10 КГц до 10 МГц с периодом в 1 минуту. Экспериментальные данные по примерам 1-13, а также расчетные данные приведены в таблице.
Как видно из таблицы, опыт №13, степень регенерации ионообменного материала в способе, принятом за прототип, составляет 72,4%, а затраты энергии на регенерацию 60 г ионообменного материала составили 26,75 Дж или 0,123 Вт ч/кг.
В опытах 1, 4, 5, 8, 9 и 12, когда частота переменного тока была ниже или выше заявляемых пределов от 6,5 до 7,3 МГц, то есть не соответствовала резонансной частоте ионов молекулы воды, степень регенерации ионообменного материала была ниже на (5-8)%, чем в прототипе.

В опытах 2, 3, 6, 7, 10, 11, в которых частота переменного тока лежала в заявляемых пределах от 6,5 до 7,3 МГц, соответствующих резонансной частоте ионов молекулы воды, степень регенерации ионита на (2,6-4,2)% выше, чем в прототипе, но главное затраты энергии на регенерацию ионообменного материала снижаются на (9-30)%. Это объясняется тем, что при использовании резонансной частоты переменного тока, составляющей от 6,5 до 7,3 МГц, даже бидистиллированная вода интенсивно диссоциирует на ионы и становится проводником электрического тока. Поэтому даже при напряжениях постоянного тока в 0,1 В в ней содержится много ионов H3 +O, H+, ОН–, которые обмениваются на ионы жесткости Са+2 и Mg+2 при регенерации катионообменного материала, анионы Cl– при регенерации анионообменного материала или на катионы и анионы при регенерации смешанных ионообменных материалов или амфолитов.
Кроме снижения затрат энергии на регенерацию предлагаемый способ регенерации ионообменного материала позволяет упростить сам процесс регенерации, так как не требует периодического изменения напряжения постоянного тока и частоты переменного тока, уменьшает затраты на покупку генератора высокой частоты с широким диапазоном изменения частот от 10 кГц до 10 МГц, так как в предлагаемом способе частотный диапазон резко сужается до 6,5-7,3 МГц, то есть можно выбрать моночастотный генератор с частотой, соответствующей этому диапазону.
Уменьшение напряжения постоянного тока с рекомендуемых (30-380)В в прототипе до (0,1-12)В в предлагаемом способе помимо экономии электроэнергии увеличивает безопасность для обслуживающего персонала, так как по технике безопасности рекомендуется применять напряжения при работе с водой не более 12 В.
Формула изобретения
Способ регенерации ионообменного материала, включающий его одновременную обработку в поле постоянного тока и высокочастотном переменном электрическом поле генератора высокой частоты, непрерывную подачу воды через слой ионообменного материала, находящегося между электродами, один из которых, являющийся анодом, соединен с одним из выходов генератора высокой частоты, отличающийся тем, что обработку ионообменного материала осуществляют при постоянной во времени величине напряжения постоянного тока, равного (0,1-12) В, и частоте колебаний переменного тока, равной (6,5-7,3) МГц, и соответствующей резонансной частоте колебаний ионов воды, при этом катод соединен со вторым выходом генератора высокой частоты.
РИСУНКИ
MM4A – Досрочное прекращение действия патента СССР или патента Российской Федерации на изобретение из-за неуплаты в установленный срок пошлины за поддержание патента в силе
Дата прекращения действия патента: 29.06.2006
Извещение опубликовано: 10.06.2007 БИ: 16/2007
|
|