|
|
(21), (22) Заявка: 2002112239/12, 06.10.2000
(24) Дата начала отсчета срока действия патента:
06.10.2000
(30) Конвенционный приоритет:
19.10.1999 (пп.1-10, 12, 13) FI 19992257
(43) Дата публикации заявки: 20.11.2003
(45) Опубликовано: 20.08.2005
(56) Список документов, цитированных в отчете о поиске:
FR 2769508 A1, 16.04.1999. JP 5184693 A, 27.07.1993. GB 2215204 A, 20.09.1989. SU 1243742 A1, 15.07.1986.
(85) Дата перевода заявки PCT на национальную фазу:
08.05.2002
(86) Заявка PCT:
FI 00/00865 (06.10.2000)
(87) Публикация PCT:
WO 01/26739 (19.04.2001)
Адрес для переписки:
129010, Москва, ул. Б.Спасская, 25, стр.3, ООО “Юридическая фирма Городисский и Партнеры”, пат.пов. С.А.Дорофееву
|
(72) Автор(ы):
СУНДХОЛЬМ Геран (FI)
(73) Патентообладатель(и):
МАРИОФФ КОРПОРЕЙШН ОЙ (FI)
|
(54) СИСТЕМА ДЛЯ ПОЖАРОТУШЕНИЯ
(57) Реферат:
Система для пожаротушения в пространстве, предназначенном для транспортировки транспортных средств, способствующая повышению эффективности тушения пожаров в прицепах и железнодорожных вагонах, когда они находятся в закрытых пространствах. Система для тушения пожара в пространстве, предназначенном для транспортировки транспортных средств, ограниченном первой продольной боковой стенкой. Система содержит, по меньшей мере, две распылительные головки, из которых первая распылительная головка установлена в пространстве рядом с первой продольной боковой стенкой и направлена наклонно вниз под углом ( 1), составляющим 40-70° относительно вертикальной плоскости, а вторая распылительная головка установлена в пространстве рядом со второй продольной боковой стенкой, ограничивающей пространство для транспортировки, противоположной первой боковой стенке, и направлена наклонно вниз под углом ( 2), составляющим 40-70° относительно вертикальной плоскости. Источник нагнетания, предназначен для подачи огнегасящей среды к, по меньшей мере, двум распылительным головкам. Источник нагнетания представляет собой источник нагнетания под высоким давлением, предназначенный для подачи огнегасящей среды под давлением не менее 15 бар. Огнегасящая среда представляет собой огнегасящую среду на водной основе. Две распылительные головки установлены на высоте от 3,2 до 4 м над полом пространства, выполнены с возможностью распыления огнегасящей среды на водной основе под углом ( 1, 2) распространения, составляющим 45-120°, и содержат, по меньшей мере, два сопла, которые установлены и направлены таким образом, что распылительные головки под высоким давлением распыляют в направлении, в котором направлены распылительные головки, аэрозольный распыл с большой проникающей способностью и обеспечивают всасывание у соответствующей распылительной головки для всасывания дымовых газов в аэрозольный распыл огнегасящей среды и для усиления испарения огнегасящей среды. 2 н. и 12 з.п. ф-лы, 8 ил. 
Предпосылки создания изобретения
Изобретение относится к системе для тушения пожара в пространстве, предназначенном для транспортировки транспортных средств, при этом пространство ограничено первой продольной боковой стенкой; причем система содержит, по меньшей мере, две распылительные головки, из которых первая распылительная головка установлена в пространстве рядом с первой продольной боковой стенкой и направлена наклонно вниз под углом ( 1), составляющим 40-70° относительно вертикальной плоскости, а вторая распылительная головка установлена в пространстве рядом со второй продольной боковой стенкой, ограничивающей пространство для транспортировки, противоположной первой боковой стенке, и направлена наклонно вниз под углом ( 2), составляющим 40-70° относительно вертикальной плоскости, и источник нагнетания, предназначенный для подачи огнегасящей среды к, по меньшей мере, двум распылительным головкам. Пространство предпочтительно представляет собой железнодорожный вагон или судно.
Изобретение также относится к установке для тушения пожара в туннеле, предпочтительно в автодорожном или железнодорожном туннеле.
Железнодорожные вагоны, предназначенные для транспортировки транспортных средств, таких как грузовые автомобили и прицепы, редко оснащены системами для пожаротушения; причиной этого является проблематичная среда для систем пожаротушения. Одна проблема состоит в тушении пожара и гашении огня в том случае, когда пожар начинается внутри крытого прицепа, перевозимого железнодорожным вагоном. Очень трудно тушить пожар и гасить огонь, поскольку верхняя часть прицепа закрыта, как правило, алюминиевой крышей, а стороны прицепа закрыты брезентом, предотвращающим попадание огнегасящей среды, распыляемой с наружной стороны прицепа, в пространство прицепа, предназначенное для груза. Вследствие вышесказанного имеется значительный промежуток времени, в течение которого груз, который загорелся, может сгореть, и пожар может быстро распространиться дальше до того, как огнегасящая среда будет подана в зону пожара. Если огнегасящая среда распыляется в направлении боковых поверхностей брезента, указанные поверхности будут только охлаждаться и защищать брезент от возгорания, в то время как груз, находящийся внутри брезента, может беспрепятственно продолжать гореть.
В патенте Франции 2769508 раскрыта система для тушения пожаров в железнодорожных вагонах, предназначенных для перевозки транспортных средств. Эта известная система спроектирована традиционным образом так, что она обеспечивает смачивание всего транспортного средства огнегасящим составом в случае пожара, тем самым распылительные головки выполнены с возможностью полностью покрывать транспортное средство огнегасящим составом. В случае пожара выпускается большое количество огнегасящего состава.
Автодорожные туннели представляют собой другую проблематичную среду для тушения пожара, вследствие чего системы для пожаротушения редко устанавливают в таких туннелях. Что касается тушения пожара и гашения огня, то возникает проблема, аналогичная проблеме, связанной с перевозкой в железнодорожных вагонах, когда прицепы и т.п. перемещаются в туннелях. Следовательно, возможная система пожаротушения редко способна предотвратить сгорание груза в прицепе.
Краткое описание изобретения
Целью настоящего изобретения является эффективное тушение пожара в прицепах и т.п., когда подобные объекты транспортируются в пространствах, таких как железнодорожные вагоны и суда, и пожар начинается или внутри, или снаружи прицепа или т.п. Другая цель изобретения заключается в эффективном тушении пожара в прицепах и железнодорожных вагонах, когда они перемещаются в туннелях.
Указанная первая цель достигается с помощью системы для тушения пожара в пространстве, отличающейся тем, что источник нагнетания представляет собой источник нагнетания под высоким давлением, предназначенный для подачи огнегасящей среды под давлением не менее 15 бар; огнегасящая среда представляет собой огнегасящую среду на водной основе; две распылительные головки (1, 2) установлены на высоте от 3/2 до 4 м над полом (11) пространства (5), выполнены с возможностью распыления огнегасящей среды на водной основе под углом ( 1, 2) распространения, составляющим 45-120°, и содержат, по меньшей мере, два сопла (20, 21), которые установлены и направлены таким образом, что распылительные головки под высоким давлением распыляют в направлении, в котором направлены распылительные головки, аэрозольный распыл с большой проникающей способностью и обеспечивают всасывание у соответствующей распылительной головки для всасывания дымовых газов в аэрозольный распыл огнегасящей среды и для усиления испарения огнегасящей среды.
Предпочтительные варианты осуществления изобретения заявлены в приложенных пунктах 1-12 формулы изобретения.
Указанная вторая цель достигается с помощью системы для тушения пожара в туннеле, отличающейся тем, что она содержит источник нагнетания под высоким давлением, содержащий огнегасящую среду на водной основе, и, по меньшей мере, две распылительные головки, причем источник нагнетания выполнен с возможностью подачи огнегасящей среды на водной основе к распылительным головкам, из которых первая распылительная головка установлена рядом с первой продольной боковой стенкой туннеля и направлена наклонно вниз под углом, составляющим 40-70° относительно вертикальной плоскости туннеля, а вторая распылительная головка установлена рядом со второй продольной боковой стенкой туннеля, противоположной первой боковой стенке, и направлена наклонно вниз под углом, составляющим 40-70° относительно вертикальной плоскости, причем распылительные головки установлены на высоте 3,2-4 м над уровнем проезжей части туннеля и выполнены с возможностью распыления огнегасящей среды на водной основе под углом распространения, составляющим 45-120°. Предпочтительно распылительные головки содержат, по меньшей мере, два сопла, которые установлены и направлены таким образом, что распылительные головки под высоким давлением распыляют в направлении, в котором направлены распылительные головки, аэрозольный распыл с большой проникающей способностью и обеспечивают всасывание у соответствующей распылительной головки для всасывания дымовых газов в аэрозольный распыл огнегасящей среды и для ускорения испарения огнегасящей среды. Предпочтительно распылительные головки содержат, по меньшей мере, два сопла, которые установлены и направлены таким образом, что распылительные головки под высоким давлением распыляют в направлении, в котором направлены распылительные головки, аэрозольный распыл с большой проникающей способностью и обеспечивают всасывание у соответствующей распылительной головки для всасывания дымовых газов в аэрозольный распыл огнегасящей среды и для усиления испарения огнегасящей среды.
Изобретение основано на идее, которая заключается в размещении распылительных головок в таком месте по отношению к пространству, например к железнодорожному вагону, чтобы распылительные головки при приведении их в действие немедленно распыляли огнегасящую среду в виде водяного распыла внутрь прицепа после того, как огонь прожжет дыры в брезенте, в результате чего огнегасящее средство распыляется или вводится под давлением через дыру с высокой кинетической энергией и проникающей способностью, и распылительные головки расположены таким образом, что они, с одной стороны, направлены в сторону груза в прицепе для тушения пожара и, с другой стороны, они установлены так высоко, что при функционировании они поглощают тепло от горячих дымовых газов, что приводит к усилению испарения огнегасящей среды на основе воды, используемой в системе, в результате чего зона, находящаяся непосредственно на зоной пожара, быстро охлаждается. Путем выбора большого угла распространения некоторая часть огнегасящей среды может быть подана в области, где имеются зоны горячих газов, в результате чего предотвращается быстрое и неожиданное возгорание дымовых газов. Кроме того, система и способ обеспечивают эффективную защиту всего транспортного средства от пожара снаружи. Размещение дополнительных распылительных головок в зоне, находящейся ниже указанной дыры в брезенте, приводит к довольно неэффективной работе системы при тушении пожара, который начался внутри транспортного средства (прицепа), поскольку такая дополнительная распылительная(ые) головка(и) только охлаждает(ют) брезент, и выпущенная огнегасящая среда никак не воздействует на огонь. Следовательно, распылительные головки не располагают на высоте 0,5-3 м над пространством, например, железнодорожного вагона.
Настоящее изобретение обеспечивает очень эффективное тушение пожаров в описанных выше случаях применения/средах при использовании лишь небольшого количества огнегасящей среды.
Краткое описание чертежей
Ниже изобретение будет описано более подробно с помощью двух вариантов его осуществления со ссылкой на сопроводительные чертежи, на которых:
фиг.1 представляет собой вид сбоку, показывающий систему для тушения пожара согласно изобретению, установленную в железнодорожном вагоне;
фиг.2 показывает систему по фиг.1, если смотреть в направлении стрелки А, а также с трейлером;
фиг.3 представляет собой вид сверху, показывающий систему по фиг.1;
фиг.4-6 представляют собой изображения, соответствующие виду на фиг.2 и показывающие различные места расположения распылительных головок;
фиг.7 показывает систему согласно изобретению, расположенную в туннеле;
фиг.8 представляет собой вид спереди, показывающий распылительную головку, которая может быть использована в системе согласно изобретению.
Подробное описание изобретения
Фиг.1 и 2 показывают железнодорожный вагон 5 с системой пожаротушения, содержащей несколько распылительных головок 1, 2, установленных вдоль обеих боковых стенок 3, 4 железнодорожного вагона и рядом с ними. Ширина железнодорожного вагона, т.е. расстояние между боковыми стенками 3, 4, составляет 3-5 м. Ссылочный номер 6 относится к трубопроводной системе, предназначенной для подачи огнегасящей среды в виде жидкости на водной основе через клапаны 7, 8 к распылительным головкам 1, 2. Источник нагнетания под высоким давлением, предназначенный для подачи жидкости на водной основе в трубопроводную систему 6, обозначен ссылочным номером 50. Источник 50 нагнетания под высоким давлением, который обеспечивает давление не менее 15 бар и до 200 бар и даже 300 бар, может, например, представлять собой насос высокого давления, к которому присоединен контейнер, содержащий жидкость на водной основе, или он может представлять собой гидравлический аккумулятор. Распылительные головки 1, 2 предпочтительно представляют собой распылительные головки такого типа, которые содержат несколько боковых сопел 20 и центральное сопло 21 (см. фиг.8) и могут при высоком рабочем давлении, составляющем, например, 20-200 бар, распылять огнегасящую среду в виде тумана жидкости с высокой проникающей способностью. Несмотря на то, что на фиг.8 показана распылительная головка с множеством сопел, может быть использована распылительная головка с двумя (или с любым количеством больше двух) расширяющимися соплами. Распылительные головки 1, 2 предпочтительно могут иметь такую конструкцию, как представленная в документе WO 92/20453. Несколько детекторов 9, 10 расположено на уровне потолка железнодорожных вагонов. В случае пожара эти детекторы 9, 10 выдают сигнал, который вызывает открытие соответствующих клапанов 7 и 8. Детектор 9, например, вызывает открытие клапана 7, после чего огнегасящая среда может проходить в распылительную головку 1.
Распылительные головки 1, 2 направлены наклонно под углом 1, составляющим 50° относительно вертикальной боковой плоскости. Угол выхода, т.е. угол распространения 1= 2 распылительных головок 1, 2, составляет 90°. Распылительные головки 1, 2 установлены на высоте 3, 5 м над полом 11.
Ссылочный номер 12 относится к прицепу с алюминиевой крышей (покрытием) и брезентом из полимерного материала. Брезент закрывает боковые стороны 130, 140 прицепа 12.
Если пожар начинается в прицепе 12, пожар продолжается до тех пор, пока в брезенте не появится дыра. Поскольку тепло от огня проходит в направлении вверх, прожженная дыра всегда появится в верхней части брезента, близко от потолка 15 прицепа. При обнаружении пожара сигнал будет подан соответствующему клапану. Например, если детектор 10 обнаружит наличие пожара, детектор выдаст сигнал клапану 8 с тем, чтобы открыть его, и огнегасящая среда сможет проходить в распылительные головки 2 и из них в зоне 13 пожаротушения. Обратный клапан 31 предотвратит прохождение огнегасящей жидкости к последним пяти распылительным головкам, расположенным справа, которые являются частью соседней зоны 17 пожаротушения. Таким образом, одна или более распылительных головок 2 распыляют туман огнегасящей среды наклонно вниз в направлении горящего груза 14. Центральная струя огнегасящей среды образует угол 1=50° с вертикальной боковой плоскостью. Эта струя подавляет огонь и быстро охлаждает место пожара за счет испарения огнегасящей среды. Испарение происходит быстро, поскольку вокруг распылительных головок присутствуют горячие дымовые газы, и эти горячие газы всасываются в струю (аэрозоль) огнегасящей среды, которая направлена к месту пожара. Благодаря большому углу 1= 2 распространения часть огнегасящей среды распыляется почти прямо вниз к нижней периферийной зоне для охлаждения брезента/груза. Другая часть огнегасящей среды распыляется почти горизонтально в направлении брезента в верхнюю периферийную зону вблизи потолка 15 прицепа. Часть, упомянутая последней, предотвращает быстрое и неожиданное возгорание дымовых газов и предотвращает распространение пожара в другие зоны, подобные зоне 16 в железнодорожном вагоне.
На фиг.4-6 показаны альтернативные по отношению к углам на фиг.2 углы, под которыми направлены распылительные головки, и углы распространения. Угол 1 относительно вертикальной плоскости находится в диапазоне от 40 до 70°, предпочтительно от 45 до 60°. Угол 1, 2 распространения находится в диапазоне от 45 до 120°, предпочтительно от 90 до 120°.
Высота, на которой распылительные головки 1, 2 расположены над полом 11, находится в диапазоне от 3,2 до 4 м, предпочтительно от 3,4 до 3,8 м. Предпочтительно никакие распылительные головки не расположены рядом с боковыми стенками 3, 4 на высоте от 0,5 до 3 м от пола 11 железнодорожного вагона.
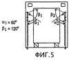
На фиг.7 показана система пожаротушения согласно изобретению, установленная в автодорожном туннеле 5′. В альтернативном варианте туннель может также представлять собой железнодорожный туннель. На фигуре для аналогичных элементов были использованы ссылочные номера, аналогичные ссылочным номерам на фиг.1 и 2. Соответственно, ссылочный номер 50′ обозначает источник нагнетания под высоким давлением, предназначенный для подачи жидкости на водной основе в трубопроводную систему 6. Распылительные головки 1′, 2′ установлены вдоль боковых стенок 3′, 4′ туннеля так же, как в железнодорожном вагоне по фиг.1. Распылительные головки 1′, 2′ установлены соответственно под углом ‘1 и ‘2, который составляет 60° относительно вертикальной плоскости. Предполагается, что углы ‘1, ‘2, находящиеся в диапазоне от 40 до 70° и предпочтительно – от 45 до 60°, обеспечивают получение хороших результатов с точки зрения тушения пожара и гашения огня. Соответствующий угол зависит от высоты установки распылительных головок 1′, 2′ над уровнем 11’ «пола» туннеля и от их расстояния от объекта, то есть транспортного средства/прицепа/груза, который должен быть защищен в случае пожара. Угол ‘l, ‘2 распространения составляет 45° и меньше угла распространения, показанного на фиг.1-6. Это обусловлено тем, что ширина туннеля 5′ больше ширины железнодорожного вагона, показанного на фиг.1-6, в результате чего расстояние от объекта, который должен быть защищен, до распылительных головок 1′, 2’ превышает расстояние, показанное на фиг.1-6. Предполагается, что в туннеле углы ‘1, ‘2 распространения, находящиеся в диапазоне от 45 до 120° и в данном случае предпочтительно в диапазоне от 90 до 120°, обеспечивают хорошие результаты.
Изобретение было описано выше только со ссылкой на примеры, и поэтому подчеркивается, что детали изобретения могут варьироваться различным образом в рамках объема приложенной формулы изобретения. Таким образом, система может быть использована в других пространствах, отличных от железнодорожных вагонов и предназначенных для транспортировки грузовых автомобилей, прицепов и т.п.
Формула изобретения
1. Система для тушения пожара в пространстве (5), предназначенном для транспортировки транспортных средств, ограниченном первой продольной боковой стенкой (3), причем система содержит, по меньшей мере, две распылительные головки (1, 2), из которых первая распылительная головка (1) установлена в пространстве рядом с первой продольной боковой стенкой (3) и направлена наклонно вниз под углом ( 1), составляющим 40-70° относительно вертикальной плоскости, а вторая распылительная головка (2) установлена в пространстве рядом со второй продольной боковой стенкой (4), ограничивающей пространство для транспортировки, противоположной первой боковой стенке, и направлена наклонно вниз под углом ( 2), составляющим 40-70° относительно вертикальной плоскости, и источник нагнетания (50), предназначенный для подачи огнегасящей среды к, по меньшей мере, двум распылительным головкам, отличающаяся тем, что источник нагнетания представляет собой источник (50) нагнетания под высоким давлением, предназначенный для подачи огнегасящей среды под давлением не менее 15 бар; огнегасящая среда представляет собой огнегасящую среду на водной основе; и две распылительные головки (1, 2) установлены на высоте от 3,2 до 4 м над полом (11) пространства (5), выполнены с возможностью распыления огнегасящей среды на водной основе под углом ( 1, 2) распространения, составляющим 45-120°, и содержат, по меньшей мере, два сопла (20, 21), которые установлены и направлены таким образом, что распылительные головки под высоким давлением распыляют в направлении, в котором направлены распылительные головки, аэрозольный распыл с большой проникающей способностью и обеспечивают всасывание у соответствующей распылительной головки для всасывания дымовых газов в аэрозольный распыл огнегасящей среды и для усиления испарения огнегасящей среды.
2. Система по п.1, отличающаяся тем, что распылительные головки (1, 2), по меньшей мере, в основном направлены друг на друга и, таким образом, расположены с возможностью распыления в сторону от соответствующей боковой стенки (3, 4), рядом с которой распылительные головки установлены.
3. Система по п.1, отличающаяся тем, что распылительные головки (1, 2) направлены под углом ( 1, 2), составляющим 45-60° относительно вертикальной плоскости.
4. Система по п.1, отличающаяся тем, что распылительные головки (1, 2) установлены на высоте 3,4-3,8 м над полом (11) пространства (5).
5. Система по п.1, отличающаяся тем, что распылительные головки (1, 2) выполнены с возможностью распыления под углом ( 1, 2) распространения, составляющим 90-120°.
6. Система по п.1, отличающаяся тем, что распылительные головки (1, 2) расположены с возможностью подачи огнегасящей среды в зоне, простирающейся от нижней периферийной зоны, которая в основном простирается прямо вниз в направлении пола (11) пространства (5) до верхней периферийной зоны, которая в основном простирается горизонтально по отношению к полу пространства.
7. Система по п.6, отличающаяся тем, что верхняя периферийная зона простирается максимум приблизительно на 30° вверх по отношению к уровню пола.
8. Система по п.6, отличающаяся тем, что она содержит несколько распылительных головок (1, 2), размещенных в продольном направлении пространства и установленных вдоль обеих боковых стенок (3, 4) пространства (5).
9. Система по п.1, отличающаяся тем, что распылительные головки (1) содержат центральное сопло (21), которое окружено множеством установленных наклонно сопел (20).
10. Система по любому из пп.1-9, отличающаяся тем, что зона, находящаяся рядом с боковыми стенками (3, 4) пространства и на высоте 0,5-3 м над полом (11) пространства (5), свободна от распылительных головок.
11. Система по п.10, отличающаяся тем, что ширина пространства составляет 3-5 м.
12. Система по п.11, отличающаяся тем, что пространство представляет собой железнодорожный вагон (5).
13. Система для тушения пожара в туннеле, предпочтительно в автомобильном или железнодорожном туннеле (5′), отличающаяся тем, что она содержит источник (50′) нагнетания под высоким давлением, содержащий огнегасящую среду на водной основе, и, по меньшей мере, две распылительные головки (1′, 2′), причем источник нагнетания выполнен с возможностью подачи огнегасящей среды на водной основе к распылительным головкам, из которых первая распылительная головка (1′) установлена рядом с первой продольной боковой стенкой (3′) туннеля и направлена наклонно вниз под углом ( ‘1), составляющим 40-70° относительно вертикальной плоскости, а вторая распылительная головка (2′) установлена рядом со второй продольной боковой стенкой (4’) туннеля, противоположной первой боковой стенке, и направлена наклонно вниз под углом ( ‘2), составляющим 40-70° относительно вертикальной плоскости, причем распылительные головки установлены на высоте 3,2-4 м над уровнем пола (11’) туннеля и выполнены с возможностью распыления огнегасящей среды на водной основе под углом ( 1, 2) распространения, составляющим 45-120°.
14. Система по п.13, отличающаяся тем, что распылительные головки (1′, 2′) содержат, по меньшей мере, два сопла, которые установлены и направлены таким образом, что распылительные головки под высоким давлением распыляют в направлении, в котором направлены распылительные головки, аэрозольный распыл с большой проникающей способностью и обеспечивают всасывание у соответствующей распылительной головки для всасывания дымовых газов в аэрозольный распыл огнегасящей среды и для усиления испарения огнегасящей среды.
РИСУНКИ
|
|