|
|
(21), (22) Заявка: 2003123179/09, 22.07.2003
(24) Дата начала отсчета срока действия патента:
22.07.2003
(43) Дата публикации заявки: 27.02.2005
(45) Опубликовано: 10.08.2005
(56) Список документов, цитированных в отчете о поиске:
RU 2208291 C2, 10.07.2003. SU 1780051 A1, 11.11.1990. Источники питания радиоэлектронной аппаратуры: Справочник/Под ред. Г.С.Найвельта. М.: Радио и связь, 1986, с.189, рис.5.19.
Адрес для переписки:
141070, Московская обл., г. Королев, ул. Ленина, 4а, ОАО РКК “Энергия” им. С.П. Королева, отдел промышленной собственности и инноватики
|
(72) Автор(ы):
Леденев Г.Я. (RU)
(73) Патентообладатель(и):
Открытое акционерное общество “Ракетно-космическая корпорация “Энергия” им. С.П. Королева” (RU)
|
(54) КОММУТАТОР НАПРЯЖЕНИЯ С ЗАЩИТОЙ ОТ ПЕРЕГРУЗКИ ПО ТОКУ
(57) Реферат:
Изобретение относится к области электронной техники и может быть использовано в коммутируемых источниках питания с защитой от перегрузки по току. Технический результат заключается в расширении функциональных возможностей за счет определения отказавших элементов и обеспечения проверки основных параметров коммутатора. Для этого в известный коммутатор напряжения, состоящий из электронного ключа, который через датчик тока подает питание в блок нагрузки, первого и второго релейных элементов, подключенных к выходу датчика тока и с помощью элементов И и ИЛИ, управляющих триггером, размыкающим электронный ключ при превышении тока, добавляют регулятор выходного тока, содержащий: задатчик напряжения, операционный усилитель, транзистор и индикатор, следящий за состоянием электронного ключа. Регулировка выходного тока позволяет вызывать срабатывание релейных элементов, а наблюдение за их срабатыванием с помощью индикатора позволяет по заранее заданному току определить отказавший элемент. 1 ил., 1 табл. 
Предлагаемое изобретение относится к области электронной техники и может быть использовано в коммутируемых источниках питания с защитой от перегрузки по току.
Известен компенсационный стабилизатор напряжения [1] с защитой от перегрузки по току, содержащий электронный коммутатор, выполненный на транзисторе, ограничительный резистор, блок нагрузки и второй транзистор, управляющий электронным коммутатором.
Недостаток известного устройства состоит в том, что при превышении тока в нагрузке, например из-за отказа, открывается второй транзистор и уменьшает ток, протекающий через электронный коммутатор, снижая тем самым выделяемую мощность на электронном коммутаторе. Это устройство не осуществляет полное отключение нагрузки от источника напряжения, что во многих случаях является недопустимым. Кроме того, величина тока, при которой происходит отключение электронного коммутатора, является нестабильной, что при определенных отказах в нагрузке может не привести к ее отключению.
Наиболее близким техническим решением к предлагаемому устройству является коммутатор напряжения с защитой от перегрузки по току, описанный в [2]. Известный коммутатор напряжения содержит последовательно соединенные датчик тока, электронный ключ и блок нагрузки, первый и второй релейные элементы, одновибратор, элемент И, триггер и элемент ИЛИ. Этот коммутатор обеспечивает полное отключение нагрузки при недопустимом возрастании тока и содержит необходимые элементы, обеспечивающие с заданной точностью определение величины тока, при которой это отключение необходимо произвести.
Недостаток известного устройства состоит в том, что оно не позволяет проверить основные фактические параметры этого устройства: уровень тока, при котором происходит безусловное отключение нагрузки от источника напряжения, допустимое время переходного процесса в нагрузке, при котором не происходит ее отключение, допустимое значение амплитуды тока переходного процесса при включении нагрузки и, как следствие, не позволяет определить в процессе настройки или эксплуатации отказавшие элементы, обеспечивающие заданные параметры коммутатора напряжения.
Задача изобретения – расширение функциональных возможностей за счет определения отказавшего элемента в процессе настройки или эксплуатации коммутатора напряжения и обеспечения проверки его основных фактических параметров.
Эта задача достигается тем, что в коммутатор напряжения с защитой от перегрузки по току, содержащий датчик тока, электронный ключ, первый и второй релейные элементы, одновибратор, элемент И, триггер и элемент ИЛИ, при этом вывод датчика тока соединен с положительным полюсом источника напряжения, а выход датчика тока соединен с входом электронного ключа и входами первого и второго релейных элементов, выходы которых подключены соответственно к первому входу элемента ИЛИ и первому входу элемента И, второй вход которого соединен с инверсным выходом одновибратора, подключенного своим входом к входу включения коммутатора и S-входу триггера, выход которого соединен с входом управления электронного ключа, a R-вход триггера соединен с выходом элемента ИЛИ, второй вход которого подключен к входу выключения коммутатора, а третий вход элемента ИЛИ соединен с выходом элемента И, дополнительно введены задатчик напряжения, операционный усилитель, транзистор, эталонный и ограничительный резисторы и индикатор, выход которого соединен с выходом триггера, вход включения коммутатора соединен с входом управления задатчика напряжения, выход которого подключен к первому входу операционного усилителя, второй вход которого соединен с эталонным резистором и эмиттером транзистора, выход операционного усилителя подключен к базе транзистора, коллектор которого соединен с первым выводом ограничительного резистора, второй вывод которого подключен к отрицательному полюсу источника напряжения, причем выход электронного ключа соединен с вторым выводом эталонного резистора и общей точкой операционного усилителя.
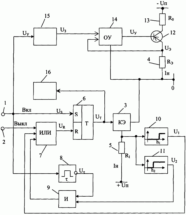
На чертеже приведена блок-схема коммутатора напряжения с защитой от перегрузки по току. На этой схеме: 1 – вход включения коммутатора напряжения, 2 – вход выключения коммутатора напряжения, 3 – электронный ключ, 4 – эталонный резистор, 5 – датчик тока, 6 – триггер, 7 – элемент ИЛИ, 8 – одновибратор, 9 – элемент И, 10 – первый релейный элемент, 11 – второй релейный элемент, 12 -транзистор, 13 – ограничительный резистор, 14 – операционный усилитель, 15 -задатчик напряжения, 16 – индикатор.
Вход включения коммутатора напряжения 1 соединен с входом одновибратора 8, входом управления задатчика напряжения 15 и с S-входом триггера 6, R-вход которого соединен с выходом элемента ИЛИ 7, а выход триггера 6 соединен с входом управления электронного ключа 3 и входом индикатора 16. Вывод датчика тока 5 соединен с положительным полюсом источника напряжения, а выход датчика тока 5 соединен с входом электронного ключа 3, с входом первого 10 и входом второго 11 релейных элементов. Соединены последовательно второй релейный элемент 11, элемент И 9, элемент ИЛИ 7, второй вход которого подключен к входу выключения коммутатора напряжения 2, а первый вход соединен с выходом первого релейного элемента 10. Инверсный выход одновибратора 8 соединен с вторым входом элемента И 9. Выход электронного ключа 3 соединен с вторым выводом эталонного резистора 4 и общей точкой операционного усилителя 14, первый вход которого подключен к выходу задатчика напряжения 15, второй вход подключен к другому выводу эталонного резистора 4 и к эмиттеру транзистора 12, база которого соединена с выходом операционного усилителя 14, а коллектор подключен к первому выводу ограничительного резистора 13, второй вывод которого соединен с отрицательным полюсом источника напряжения.
Коммутатор напряжения с защитой от перегрузки по току работает следующим образом. По импульсному сигналу US=1, подаваемому на вход включения коммутатора напряжения 1, триггер 6 переходит в единичное состояние и его выходной сигнал UT=1 переводит в открытое состояние электронный ключ 3, который коммутирует шину питания к общей точке операционного усилителя 14 и эталонного резистора 4 (к нагрузке, включаемой между выходом электронного ключа и отрицательным полюсом источника напряжения). Одновременно импульсный входной сигнал поступает на вход управления задатчика напряжения 15 и запускает одновибратор 8, который формирует выходной импульс U длительностью .
Рассмотрим вначале работу схемы, формирующей ток нагрузки IH. Задатчик напряжения 15 представляет собой регулятор напряжения, например потенциометр, выходной сигнал которого UЗ может принимать любое заданное значение. Пусть в момент открытия электронного ключа 3 выходной сигнал задатчика напряжения 15 равен UЗ. Этот сигнал поступает на первый вход операционного усилителя 14 и усиливается им. Выходной сигнал операционного усилителя 14 UУ открывает транзистор 12, через который начинает протекать ток IН. При возрастании тока IН возрастает напряжение UЭ на эталонном резисторе 4 КЭ. Это напряжение подается на второй вход операционного усилителя 14 и будет возрастать до тех пор, пока не выполнится равенство

В этом состоянии операционный усилитель 14 формирует выходной сигнал UУ, который обеспечивает протекание тока IН через транзистор 12. Значение этого тока определяется равенством

что непосредственно следует из (1). Для исключения возможности неограниченного возрастания тока через транзистор 12 в цепь коллектора введен ограничительный резистор 13.
В зависимости от параметров нагрузки, которой управляет коммутатор напряжения, тока I1 в переходном процессе, длительности переходного процесса тока I2 в установившемся состоянии выбираются соответственно значение порога срабатывания h1 первого релейного элемента 10, длительность выходного импульса одновибратора 8 и значение порога срабатывания h2 второго релейного элемента 11. Значение h1 выбирается из условия h1=RII1, h2 выбирается из условия h2=RII2, где RI – сопротивление датчика тока 5.
С помощью задатчика напряжения 14 сформируем напряжения U31 и U32, которые будут обеспечивать протекание соответственно токов I1 и I2 через транзистор 12. Эти напряжения будут равны

Пусть в момент включения электронного ключа 3 ток нагрузки IН лежит в пределах

В этом случае срабатывает второй релейный элемент 11 и его выходной сигнал U2=1 поступает на первый вход элемента И 9, на второй вход которого в это время подается сигнал U =0 (инверсный выход одновибратора 8). В результате в течение времени выходной сигнал U элемента И 9 равен нулю. Если за время произойдет выключение второго релейного элемента 11, то его выходной сигнал U2=0 блокирует прохождение выходного сигнала U =1 одновибратора 8 на вход элемента ИЛИ 7. Иначе говоря, при нормальном функционировании электронный ключ 3 остается замкнутым после его включения.
Если в момент включения ток IН>I1, то произойдет включение первого релейного элемента 10 и его выходной сигнал U1=1 поступает на второй вход элемента ИЛИ 7, выходной сигнал которого UR=1 подается на R-вход триггера 6 и выключает его, вследствие чего выключается электронный ключ 3.
Если в процессе функционирования произойдет увеличение тока нагрузки IН до величины I2, то в этом случае включается второй релейный элемент 11 и его выходной сигнал U2=1 поступает на первый вход элемента И 9, на втором входе которого присутствует выходной сигнал одновибратора 8 U =1. Выходной сигнал элемента И 9 U=1 поступает на вход элемента ИЛИ 7, выходной сигнал которого UR=1 выключает триггер 6 и электронный ключ 3. Таким образом, при превышении током нагрузки допустимого значения происходит ее отключение от источника напряжения. Выключить блок нагрузки можно также подачей сигнала на вход 2 выключения коммутатора напряжения.
Рассмотрим процесс определения отказавших элементов и фактических параметров коммутатора напряжения: допустимого тока I1 в переходном процессе, длительности переходного процесса, допустимого тока l2 в установившемся состоянии. Сформируем с помощью задатчика напряжения выходной сигнал U3 по уровню и длительности в соответствии с таблицей.
| N |
Выходной сигнал задатчика напряжения 15 U3 |
Длительность сигнала Нз |
Контролируемый параметр |
Состояние индикатора 16 |
| 1 |
U332 |
> |
I2 |
1 |
| 2 |
U32331 |
< |
I2,  |
1 |
| 3 |
U32331 |
  |
I2,  |
0 |
| 4 |
U3>U31 |
< |
I1 |
0 |
Пусть в момент включения коммутатора напряжения на выходе задатчика напряжения 15 сигнал U332 длительностью больше (позиция 1 таблицы). В этом случае ток нагрузки IН2, второй релейный элемент 11 остается выключенным, триггер 6 находится в единичном состоянии, а индикатор 16, представляющий собой, например светодиод, будет находиться во включенном состоянии (будем обозначать “1”). Таким образом, нахождение индикатора 16 во включенном состоянии после формирования сигналов согласно позиции 1 таблицы свидетельствует о правильной настройке и исправности второго релейного элемента 11, определяющего допустимое значение тока нагрузки I2 в установившемся состоянии. Если произошел, например, отказ второго релейного элемента 11 (недопустимо уменьшился уровень включения), то после формирования сигналов согласно позиции 1 таблицы индикатор 16 будет находиться в выключенном состоянии, так как выходной сигнал включающегося второго релейного элемента 11 на некоторое время 3> , где 3 – длительность сигнала задатчика напряжения 15 проходит через элемент И 9 на R-вход триггера 6 и переводит его в нулевое состояние, что свидетельствует об отказе второго релейного элемента 11.
Сформируем в момент включения коммутатора напряжения на выходе задатчика напряжения 15 сигнал U32331 длительностью меньше (позиция 2 таблицы). В этом случае ток нагрузки I1>IН>I2, второй релейный элемент 11 включается на время формирования сигнала U3 (меньше ), и так как длительность формирования импульса U одновибратором 8 больше времени включенного состояния второго релейного элемента, то сигнал с выхода элемента И 9 не формируется и триггер 6 остается в единичном состоянии, а индикатор 16 будет находиться во включенном состоянии. Таким образом, нахождение индикатора 16 во включенном состоянии после формирования сигналов согласно позиции 2 таблицы свидетельствует об исправной работе одновибратора 8 и второго релейного элемента 11 и правильной их настройке. Если произошел, например отказ одновибратора 8 (недопустимо уменьшилось время ), то после формирования сигналов согласно позиции 2 таблицы индикатор 16 будет находиться в выключенном состоянии, так как выходной сигнал включающегося второго релейного элемента 11 на некоторое время 3> , где 3 – длительность сигнала задатчика напряжения 15 проходит через элемент И 9 на R-вход триггера 6 и переводит его в нулевое состояние, что свидетельствует об отказе одновибратора 8.
Сформируем в момент включения коммутатора напряжения на выходе задатчика напряжения 15 сигнал Uз согласно позиции 3 таблицы. В отличие от рассмотренного случая задатчик напряжения формирует сигнал длительностью больше . В этом случае второй релейный элемент 11 включается на время больше и так как длительность формирования импульса U одновибратором 8 меньше времени включенного состояния второго релейного элемента, то с выхода элемента И 9 формируется сигнал, который поступает на вход элемента ИЛИ 7 и его выходной сигнал переводит триггер 6 в нулевое состояние, и индикатор 16 будет находиться в выключенном состоянии (обозначим “0”). Таким образом, нахождение индикатора 16 в выключенном состоянии после формирования сигналов согласно позиции 3 таблицы свидетельствует об исправной работе и правильной настройке второго релейного элемента 11 и одновибратора 8. Если произошел, например отказ одновибратора 8 (недопустимо увеличилось время ), то после формирования сигналов согласно позиции 3 таблицы индикатор 16 будет находиться во включенном состоянии, так как выходной сигнал включающегося второго релейного элемента 11 на некоторое время 3< , где 3 – длительность сигнала задатчика напряжения 15 не может пройти через блокированный сигналом одновибратора 8 элемент И 9 на R-вход триггера 6 и перевести его в нулевое состояние.
Сформируем в момент включения коммутатора напряжения на выходе задатчика напряжения 15 сигнал U3 согласно позиции 4 таблицы. В этом случае включается первый релейный элемент 10 и его выходной сигнал переводит триггер 6 в нулевое состояние, и индикатор 16 будет находиться в выключенном состоянии. Таким образом, нахождение индикатора 16 в выключенном состоянии после формирования сигналов согласно позиции 4 таблицы свидетельствует об исправной работе и правильной настройке первого релейного элемента 10, характеризующего максимально допустимую величину тока переходного процесса при включении нагрузки. Если произошел, например отказ первого релейного элемента 10 (недопустимо увеличился уровень включения), то после формирования сигналов согласно позиции 4 таблицы индикатор 16 будет находиться во включенном состоянии, так как первый релейный элемент 10 не включается и не может перевести триггер 6 в нулевое состояние.
Рассмотренные варианты формирования сигналов тестирования коммутатора напряжения позволяют определить его фактические параметры и отказавшие элементы.
По сравнению с известным коммутатором напряжения [2] предлагаемое изобретение расширяет функциональные возможности за счет определения отказавших элементов и обеспечения проверки основных фактических параметров коммутатора напряжения: уровня тока, при котором происходит безусловное отключение нагрузки от источника напряжения, допустимого времени переходного процесса в нагрузке, допустимого значения установившегося тока нагрузки.
Предлагаемая совокупность признаков в рассмотренных авторами решениях не встречалась для решения поставленной задачи и не следует явным образом из уровня техники, что позволяет сделать вывод о соответствии технического решения критериям “новизна” и “изобретательский уровень”. В качестве элементов для реализации устройства могут быть использованы логические элементы И, ИЛИ, одновибраторы, триггеры любых серий, например, серии 564, стандартные релейные элементы, электронные ключи, операционные усилители, транзисторы, регуляторы напряжения (потенциометры), светодиоды.
Литература
1. Источники электропитания радиоэлектронной аппаратуры. Справочник под редакцией Г.С.Найвельта. Москва, “Радио и связь”, 1986 г., стр.189, рис.5.19.
2. Заявка №2001119218, кл. Н 02 Н 9/02, 11/00, Н 02 М 3/156, 3/157 от 11.07.2001. Коммутатор напряжения с защитой от перегрузки по току. Решение о выдаче патента от 15.01.2003.
Формула изобретения
Коммутатор напряжения с защитой от перегрузки по току, содержащий датчик тока, электронный ключ, первый и второй релейные элементы, одновибратор, элемент И, триггер и элемент ИЛИ, при этом вывод датчика тока соединен с положительным полюсом источника напряжения, а выход датчика тока соединен с входом электронного ключа и входами первого и второго релейных элементов, выходы которых подключены соответственно к первому входу элемента ИЛИ и первому входу элемента И, второй вход которого соединен с инверсным выходом одновибратора, подключенного своим входом к входу включения коммутатора и S-входу триггера, выход которого соединен с входом управления электронного ключа, а R-вход триггера соединен с выходом элемента ИЛИ, второй вход которого подключен к входу выключения коммутатора, а третий вход элемента ИЛИ соединен с выходом элемента И, отличающийся тем, что в него дополнительно введены задатчик напряжения, операционный усилитель, транзистор, эталонный и ограничительный резисторы и индикатор, выход которого соединен с выходом триггера, вход включения коммутатора соединен с входом управления задатчика напряжения, выход которого подключен к первому входу операционного усилителя, второй вход которого соединен с эталонным резистором и эмиттером транзистора, выход операционного усилителя подключен к базе транзистора, коллектор которого соединен с первым выводом ограничительного резистора, второй выход которого подключен к отрицательному полюсу источника напряжения, причем выход электронного ключа соединен со вторым выводом эталонного резистора и общей точкой операционного усилителя.
РИСУНКИ
|
|