|
|
(21), (22) Заявка: 2002106235/06, 04.09.2000
(24) Дата начала отсчета срока действия патента:
04.09.2000
(30) Конвенционный приоритет:
08.09.1999 (пп.1, 2, 4, 5, 6, 9, 10) EP 99810805.4 28.02.2000 (пп.7, 8, 11) CH 379/00 04.09.2000 (п.3) WO PCT/IB 00/01245
(43) Дата публикации заявки: 10.09.2003
(45) Опубликовано: 10.08.2005
(56) Список документов, цитированных в отчете о поиске:
GB 1357034 А, 19.06.1974. RU 2048174 C1, 20.11.1995. DE 3007962 А1, 10.09.1981. US 5385341 А, 24.01.1995. SU 1590579 A, 07.09.1990. SU 1776835 A1, 23.11.1992.
(85) Дата перевода заявки PCT на национальную фазу:
08.04.2002
(86) Заявка PCT:
IB 00/01245 (04.09.2000)
(87) Публикация PCT:
WO 01/18366 (15.03.2001)
Адрес для переписки:
191186, Санкт-Петербург, а/я 230, “АРС-ПАТЕНТ”, пат.пов. В.М.Рыбакову, рег. № 30
|
(72) Автор(ы):
БРУЗЗО Виталь (IT)
(73) Патентообладатель(и):
С.Ф.Т. Сервисиз С.А. (CH)
|
(54) СПОСОБ И УСТРОЙСТВО ОЧИСТКИ ГАЗООБРАЗНЫХ ПРОДУКТОВ СГОРАНИЯ
(57) Реферат:
Изобретение относится к способам и устройствам для очистки газообразных продуктов сгорания, образующихся при сгорании топлив, таких как бензин или газойль. Устройство очистки расположено в выхлопном контуре газообразных продуктов сгорания, установленном на автомобиле. Устройство содержит кипятильник, сепаратор жидкости, испаритель, абсорбер, каталитическую камеру, расположенную перед кипятильником, расширительный клапан, испаритель, который установлен в газовыпускной камере перед абсорбером, конденсатор. Согласно способу газообразные продукты сгорания дожигают в каталитической камере и охлаждают до температуры, соответствующей конденсации веществ, образующихся при горении. Жидкость, образующуюся в результате конденсации, собирают, а тепловую энергию газообразных продуктов сгорания утилизируют путем ее подачи в холодильный модуль, функционирующий по абсорбционному принципу. Изобретение позволяет очистить газообразный продукт сгорания. 2 с. и 9 з.п. ф-лы, 3 ил., 1 табл. 
Область техники, к которой относится изобретение
Настоящее изобретение относится к способу и устройству обработки газообразных продуктов сгорания и, более конкретно, к способу и устройству для очистки подобных продуктов.
Уровень техники
При сжигании топлив, таких как бензин или газойль, образуется большое количество различных компонентов, включая оксид азота (NOx), моноксид углерода (СО) и углеводороды (НС). К этому следует добавить озон (О3), вторичный загрязнитель, образующийся в результате фотохимических реакций между оксидами азота и углеводородами.
Государственные и общественные организации поддержали исследования, направленные на снижение указанных вредных выбросов, и в результате было предложено много устройств для решения данной задачи. Так, в автомобилестроении было предложено использование катализатора, назначение которого состоит в дожигании вредных веществ.
К сожалению, катализатор уменьшает только некоторые выбросы, тогда как некоторые компоненты превращаются в еще более опасные вещества.
Одно из известных решений, относящееся преимущественно к промышленной сфере и связанное с использованием водяных фильтров, направлено на захват и выделение токсичных веществ с помощью воды. Вода при этом подвергается соответствующей обработке для того, чтобы отделить ее от указанных вредных веществ и затем снова ввести в контур фильтра.
Хотя благодаря применению описанных устройств для очистки воздуха было достигнуто некоторое улучшение его качества, известные устройства не свободны от недостатков, связанных либо с их установкой, либо со стоимостью и эффективностью.
Устройства подобного типа описаны в документах, характеризующих уровень техники, в частности в документе GB-A-1357034, в котором описывается устройство очистки выхлопных газов, охарактеризованное в ограничительной части п.1 формулы изобретения.
Сущность изобретения
Задача, на решение которой направлено настоящее изобретение, состоит в том, чтобы создать способ и устройство, обеспечивающие удаление 100% большинства токсичных веществ без одновременного образования других вредных веществ.
Данная задача полностью решается согласно изобретению с помощью устройства очистки газообразных продуктов сгорания, которое может быть расположено в выхлопном контуре для указанных продуктов, установленном на автомобиле. Устройство содержит кипятильник, в котором тепловая энергия, поставляемая газообразными продуктами сгорания в форме выхлопных газов, обеспечивает испарение смеси холодильный агент – поглотитель, сепаратор жидкости, расположенный на выходе из верхней части кипятильника, испаритель, обеспечивающий охлаждение выхлопных газов, и расположенный за ним абсорбер для формирования смеси холодильный агент – поглотитель.
Отличительными особенностями устройства является то, что оно дополнительно содержит каталитическую камеру, расположенную на пути выхлопных газов перед кипятильником, расширительный клапан, расположенный перед испарителем, который установлен в газовыпускной камере перед абсорбером, расположенным на выходе кипятильника, насос, расположенный за абсорбером по направлению движения потока жидкости и служащий для подачи смеси холодильный агент – поглотитель в кипятильник, а также конденсатор, расположенный между сепаратором и расширительным клапаном и преобразующий, под действием давления, формируемого устройством, в жидкую фазу пары, профильтрованные сепаратором, выполненным с возможностью пропускания только паров холодильного агента.
В предпочтительном варианте выполнения расширительный клапан настроен из условия охлаждения выхлопных газов до температуры в интервале от 3° до 6°С. Каталитическая камера и кипятильник могут быть выполнены в виде единого узла, а устройство может содержать рекуператор сконденсированных газов.
В другом варианте устройство содержит узел для хранения жидкости под давлением, содержащий первый электроклапан, находящийся в открытом состоянии, когда давление на его входе выше, чем давление на его выходе, второй электроклапан, находящийся в открытом состоянии, когда двигатель работает, и ресивер, расположенный между двумя указанными электроклапанами и обеспечивающий хранение жидкого холодильного агента под давлением.
Испаритель предпочтительно выполнен в виде протяженного змеевика, зазоры между прямолинейными отрезками которого поддерживаются подвижными пластинами, выполненными с возможностью продольного перемещения по прямолинейным отрезкам змеевика под давлением выхлопных газов и обеспечивающими очистку указанного змеевика.
В еще одном предпочтительном варианте устройство содержит теплообменник, расположенный между кипятильником и газовыпускной камерой и предназначенный для предварительного нагрева смеси холодильный агент – поглотитель перед ее поступлением в кипятильник.
Способ очистки газообразных продуктов сгорания согласно изобретению состоит в дожигании указанных газов в каталитической камере и охлаждении указанных продуктов до низкой температуры, соответствующей конденсации веществ, образующихся при горении.
Эффект очистки обеспечивается за счет конденсации загрязняющих веществ в камере, в которой газы охлаждаются при температуре, составляющей несколько градусов выше нуля. Эффект конденсации достигается при охлаждении газов, причем чем ниже температура, тем сильнее проявляется этот эффект. Указанные газообразные продукты предпочтительно охлаждают до температуры в интервале от 3° до 6°С, то есть до температуры, находящейся непосредственно над температурой формирования кристаллов льда. Следует отметить, что образование льда привело бы к быстрому образованию препятствий для свободного выхлопа газов.
В одном из вариантов способа предусмотрен сбор жидкости, образующейся в результате конденсации указанных продуктов. Собранный таким образом конденсат подвергают экологическому уничтожению. Применительно к автомобилям этот конденсат может быть либо подвергнут экологичному уничтожению со скоростью, соответствующей скорости расхода топлива из бака, либо реинжектирован в емкость с топливом. В реальных условиях, в связи с тем, что количество образующегося конденсата мало, его смешивание с бензином или газойлем не вызывает проблем.
Хотя основная задача, решаемая настоящим изобретением, состоит в очистке газообразных продуктов сгорания, устройство по изобретению может рассматриваться также в качестве установки (машины) для производства холода за счет утилизации тепловой энергии газообразных продуктов сгорания. В этом случае способ включает утилизацию тепловой энергии газообразных продуктов сгорания путем ее подачи в холодильный модуль, функционирующий по абсорбционному принципу с использованием смеси холодильный агент – поглотитель. В соответствии с конкретным вариантом осуществления изобретения смесь холодильного агента и поглотителя, используемая в тепловом цикле, представляет собой смесь воды (поглотитель) и аммиака (холодильный агент). Аммиак обладает хорошей способностью к расширению, которая является важной характеристикой для рассматриваемого применения. Проведенные испытания показали, что при содержании воды в смеси, превышающем 70%, не обеспечивается оптимальное протекание теплового цикла.
Устройство описанного типа также может быть применено во многих различных установках, например в трубах мусоросжигающих установок или в промышленных трубах иного назначения. Применительно к автомобилестроению настоящее изобретение охватывает также производство холода, например, для кондиционирования воздуха путем утилизации тепловой энергии газообразных продуктов сгорания, т.е. выхлопных газов автомобиля.
Перечень чертежей
Изобретение станет более понятным из последующего подробного описания, содержащего ссылки на прилагаемые чертежи, на которых приведен неограничивающий пример осуществления изобретения.
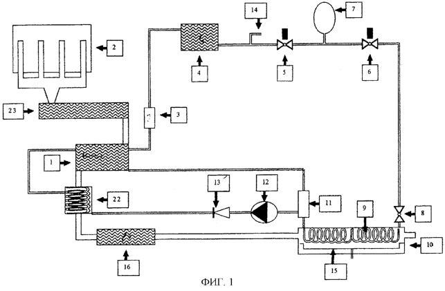
На фиг.1 представлена система очистки газов, использующая в качестве источника энергии выхлопные газы поршневого двигателя.
На фиг.2 показано устройство автоматической очистки испарителя.
На фиг.3 изображен компонент, в котором интегрированы каталитическая камера и кипятильник.

В таблице представлены результаты анализа пробы выхлопных газов трактора, на котором было установлено устройство по настоящему изобретению. Можно видеть, что все низкомолекулярные компоненты были удалены на 100%. В общем случае такие загрязнители с низким молекулярным весом, как толуол, альдегид, а также некоторые низкомолекулярные углеводороды (например, хлорпарафин) исчезают полностью. Только молекулы, имеющие значительный молекулярный вес, могут избегнуть конденсации. Следует особо отметить полное удаление толуола, вещества, известного как опасное. В целом при снижении температуры газов до 6°С удаляются 75% загрязнителей.
На фиг.1 представлено устройство по изобретению, предназначенное для использования на автомобиле, в первую очередь, для очистки выхлопных газов и, во вторую очередь, в качестве производителя холода для автомобиля. Смесь вода-аммиак проходит через кипятильник 1, снабжаемый теплом от выхлопных газов, выходящих из двигателя 2. Температура кипения аммиака является очень низкой (около -33°С); поэтому под действием теплоты, передаваемой газами, он испаряется и отделяется от воды, с которой был смешан. В связи с тем, что часть воды при этом тоже испаряется, предусмотрен сепаратор 3, назначение которого заключается в том, чтобы удерживать пары воды и пропускать только пары аммиака. Пары аммиака после этого проходят через конденсатор 4, который преобразует пары в жидкую фазу под действием давления, формируемого в системе. Вода, которая тяжелее аммиака, собирается в нижней части кипятильника 1 и отводится в абсорбер 11 для повторного объединения с аммиаком на завершающем этапе цикла.
Одна из особенностей описываемой системы заключается в наличии электроклапанов 5 и 6, а также ресивера 7. Первый электроклапан 5 находится в открытом состоянии, когда давление со стороны ресивера меньше, чем со стороны конденсатора 4. Второй электроклапан 6 управляется контактом в системе подачи топлива. Когда эта подача прекращается, электроклапан 6 закрывается. При этом электрокпапан 5 закрывается, когда исчезает давление, создаваемое испарением аммиака, т.е. когда прекращается нагрев кипятильника 1 выхлопными газами. В этом случае, при закрытых электроклапанах, ресивер 7 сохраняет рабочее давление в жидкости.
При запуске двигателя электроклапан 6 открывается и давление, аккумулированное в ресивере 7, немедленно производит холод в испарителе выхлопных газов. Этим данная конфигурация отличается от каталитической камеры, которая не начинает функционировать немедленно, поскольку ей требуется несколько минут для разогрева.
Перед поступлением выхлопных газов в газовыпускную камеру они проходят через блок 16 предварительного охлаждения, который позволяет понизить температуру газов примерно до 50°С.
Вблизи газовыпускной камеры 10 установлен расширительный клапан 8, управляемый от датчика температуры (не изображен). При испарении и расширении аммиака в испарителе 9 имеет место понижение его температуры, которая способна достичь значения -25°С. Расширительный клапан настроен из условия охлаждения выхлопных газов в газовыпускной камере 10 до температуры в интервале от 3° до 6°С.
Внутри камеры 10, под испарителем 9 находится рекуператор конденсата 15. Имеется канал, позволяющий откачивать жидкий конденсат и возвращать его в топливный бак.
Давление аммиака, первоначально составляющее около 1500 кПа на выходе кипятильника, снижается до примерно 100 или 200 кПа в испарителе 9. По завершении цикла аммиак подается внутрь абсорбера 11, где он поглощается водой и затем закачивается насосом 12 внутрь кипятильника 1. Обратный клапан 13 предотвращает попадание смеси в насос после остановки двигателя.
В одном из вариантов осуществления изобретения часть аммиака под давлением отводится во второй контур 14 для производства холода с целью охлаждения салона или холодильной камеры автомобиля. Следует отметить, что данный вариант производства холода не только практически не требует затрат энергии и, следовательно, не влияет на рабочие характеристики автомобиля (чего совсем нельзя сказать о системах, применяемых в настоящее время), но к тому же создает преимущество, состоящее в очистке выхлопных газов.
На фиг.2 представлено эффективное решение проблемы устранения формирования отложений на протяженном змеевике 17, который имеет прямолинейные отрезки и находится в газовыпускной камере 10. Известно, что выхлопные газы имеют тенденцию забивать различные внутренние объекты, особенно протяженный змеевик 17. Этот процесс мог бы привести к быстрому ухудшению показателей работы установки. Чтобы избежать подобного забивания, предложено новое решение, состоящее в монтаже протяженного змеевика 17 между двумя жестко закрепленными пластинами 19, расположенными на его концах, и множеством подвижных пластин 18, расположенных между указанными пластинами 19, в которых выполнены отверстия по диаметру протяженного змеевика 17. Подвижные пластины 18 поддерживают зазоры между прямолинейными отрезками протяженного змеевика и выполнены с возможностью продольного перемещения по этим прямолинейным отрезкам под давлением выхлопных газов. Закрепленные пластины 19 имеют также множество отверстий для свободного прохода газов. Подвижные пластины 18 отделены друг от друга распорными деталями 21. При этом сборка, образованная названными пластинами, установлена в исходное положение на пружинах 20, прикрепленных к пластинам 19 и обладающих небольшим скручивающим моментом. Благодаря такому построению при поступлении выхлопных газов в газовыпускную камеру они толкают подвижные пластины 18, которые при этом трутся о змеевик по его длине, тем самым удаляя образовавшийся на нем осадок. При резком уменьшении скорости двигателя в газовыпускной камере возникает обратное давление, и подвижные пластины 18 сдвигаются в сторону входа в газовыпускную камеру. Это движение в прямом и обратном направлениях позволяет обеспечить автоматическую очистку змеевика.
Видно, что подвижные пластины 18 не перекрывают полностью диаметр камеры. При этом они установлены с взаимным смещением, так что одна из них оставляет открытым проход в верхней части камеры, а следующая за ней – в нижней и т.д. Такое расположение пластин заставляет газы двигаться по зигзагообразной траектории до того, как они поступят на выход из камеры. Тем самым формируется давление газов на пластины. Кроме того, данная конфигурация заставляет выхлопные газы проходить через воду, образующуюся при конденсации водяного пара, содержащегося в выхлопных газах. Подобное прохождение через жидкость позволяет захватывать частицы, содержащиеся в газах.
Указанные частицы осаждаются на дне газовыпускной камеры; когда осадок достигает определенного уровня, он начинают поступать в рекуператор 15. В соответствии с одним из вариантов выполнения изобретения рекуператор освобождают от осадка через каждые 80000 км пробега.
На фиг.3 показан компактный узел каталитическая камера – кипятильник. Функции этого узла состоят в том, чтобы
– осуществлять сжигание остаточных паров (СО-NOx-НС) посредством каталитического метода;
– обеспечить повторный нагрев концентрированных растворов, например NH3H2О, для того, чтобы отделить NH3 от H2О с помощью теплообменника 3 и камеры 4 кипячения.
Пары поступают через один или несколько входов 24 (в зависимости от того, установлен ли кипятильник вместо коллектора или за коллектором внутри каталитической камеры). При этом каталитическая камера снабжена пластинами 25, материал и количество которых можно варьировать в соответствии с типом автомобиля (включая использование золотого или платинового покрытия, определенные сорта нержавеющих сталей и т.д.).
Так, например, золото с температурой плавления 1064°С будет более предпочтительно применительно к газойлю. Для бензиновых двигателей более предпочтительно использовать платину, которая плавится при 1755°С.
После каталитической камеры пары проходят через теплообменник 26, в котором они нагревают жидкость, например NH3-H2O, доводя ее температуру до значения, достаточного для разделения NH3 и Н2O. В этом аппарате пары освобождаются от значительной части NOx-СО и НС, и жидкость (концентрированный раствор 29) снова нагревают, чтобы получить за счет указанного разделения холодильный агент.
Рассмотрим в качестве примера жидкость NH3-H2О. При 20°С один литр Н2О способен поглотить около 520 г или 0,8 л NH3 с повышением его температуры. Поскольку NH3 кипит при -33°С, он отделяется от Н2O и тем самым создает повышенное давление. Благодаря этому, даже если температура превысит 100°С (или достигнет 150°С), NH3 останется в виде пара, а Н2O будет представлять собой жидкость (закон Молье). Таким образом, эта операция позволяет отделить NH3 от Н2O только путем доставки NH3 в виде холодильного агента 28, a H2O в виде так называемого слабого раствора 30 в форме поглотителя для начала нового цикла.
Что касается паров, то они, в значительной степени освобожденные от NOx-СО и НС и частично охлажденные, поступают в дальнейшие фильтровальные устройства.
Для небольших двигателей и особенно в случае их работы в режиме холостого хода холодопроизводительность может оказаться недостаточной. Такая ситуация имеет место, в частности, когда холод одновременно используется и для других целей, например для охлаждения салона.
Та же проблема возникает, когда небольшой автономный двигатель служит для производства электроэнергии и одновременно холода для холодильной камеры.
Чтобы сделать производство холода более эффективным, т.е. улучшить использование тепла, выделяемого двигателем, для получения холода, предлагается дополнительно предусмотреть на выходе кипятильника 1 первый теплообменник 22 (фиг.1). Этот теплообменник служит для предварительного нагрева смеси вода-аммиак перед подачей ее в кипятильник. Данный теплообменник 22 ускоряет нагрев смеси и эффективно осуществляет предварительное охлаждение выхлопных газов. Газы на выходе кипятильника 1 имеют температуру около 140°С. На выходе теплообменника 22 их температура снижается примерно до 60°С. Благодаря такой конфигурации присутствие блока 16 предварительного охлаждения перестает быть обязательным, поскольку теплообменник 22 обеспечивает достаточную степень охлаждения газов. Суммарный показатель утилизации тепла, выделяемого двигателем для целей производства холода, превышает 50%.
Измерения, выполненные в отношении остаточных загрязнителей, которые присутствуют после прохождения системы охлаждения, показывают, что 75% выбросов конденсируются. Фактически система охлаждения устраняет почти все углеводороды и все частицы, но пропускает моноксид углерода (СО), оксиды азота (NOx), а также углеводороды (НС) с низкой температурой кипения.
Каталитическая камера дожигает все указанные вещества, но позволяет проходить частицам и производит другие вещества (платину, палладий, родий и т.д.), несомненно более вредные, чем свинец.
Чтобы улучшить достигнутый результат, предлагается скомбинировать каталитическую камеру, обычно применяемую в автомобильном транспорте, и вышеописанную систему охлаждения.
Для этого соответствующим образом изолированная каталитическая камера 23 устанавливается непосредственно на выходе двигателя 2, перед кипятильником 1. Благодаря объединению двух описанных технологий обеспечивается устранение всех частиц, независимо от их состава, причем в результате достигается устранение 99% всех загрязняющих выбросов.
Формула изобретения
1. Устройство очистки газообразных продуктов сгорания, расположенное в выхлопном контуре для указанных продуктов, установленном на автомобиле, содержащее кипятильник (1), в котором тепловая энергия, поставляемая газообразными продуктами сгорания в форме выхлопных газов, обеспечивает испарение смеси холодильный агент – поглотитель, сепаратор (3) жидкости, расположенный на выходе из верхней части кипятильника (1), испаритель (9), обеспечивающий охлаждение выхлопных газов, и расположенный за ним абсорбер (11) для формирования смеси холодильный агент – поглотитель, отличающееся тем, что дополнительно содержит каталитическую камеру (23), расположенную на пути выхлопных газов перед кипятильником (1), расширительный клапан (8), расположенный перед испарителем (9), который установлен в газовыпускной камере (10) перед абсорбером (11), расположенным на выходе кипятильника (1), насос (12), расположенный за абсорбером по направлению движения потока жидкости и служащий для подачи смеси холодильный агент – поглотитель в кипятильник (1), а также конденсатор (4), расположенный между сепаратором (3) и расширительным клапаном (8) и преобразующий под действием давления, формируемого устройством, в жидкую фазу пары, профильтрованные сепаратором (3), выполненным с возможностью пропускания только паров холодильного агента.
2. Устройство по п.1, отличающееся тем, что расширительный клапан настроен из условия охлаждения выхлопных газов до температуры в интервале от 3° до 6°С.
3. Устройство по п.1 или 2, отличающееся тем, что каталитическая камера (23) и кипятильник (1) выполнены в виде единого узла.
4. Устройство по любому из пп.1-3, отличающееся тем, что содержит рекуператор (15) сконденсированных газов.
5. Устройство по любому из предыдущих пунктов, отличающееся тем, что содержит узел (5, 6, 7) для хранения жидкости под давлением, содержащий первый электроклапан (5), находящийся в открытом состоянии, когда давление на его входе выше, чем давление на его выходе, второй электроклапан (6), находящийся в открытом состоянии, когда двигатель (2) работает, и ресивер (7), расположенный между двумя указанными электроклапанами и обеспечивающий хранение жидкого холодильного агента под давлением.
6. Устройство по п.5, отличающееся тем, что испаритель (9) выполнен в виде протяженного змеевика (17), зазоры между прямолинейными отрезками которого поддерживаются подвижными пластинами (18), выполненными с возможностью продольного перемещения по прямолинейным отрезкам змеевика (17) под давлением выхлопных газов и обеспечивающими очистку указанного змеевика (17).
7. Устройство по любому из предыдущих пунктов, отличающееся тем, что содержит теплообменник (22), расположенный между кипятильником и газовыпускной камерой (10) и предназначенный для предварительного нагрева смеси холодильный агент – поглотитель перед ее поступлением в кипятильник (1).
8. Способ очистки газообразных продуктов сгорания, состоящий в дожигании газообразных продуктов в каталитической камере (23) и охлаждении указанных продуктов, отличающийся тем, что указанные продукты охлаждают до температуры, соответствующей конденсации веществ, образующихся при горении.
9. Способ по п.8, отличающийся тем, что охлаждают указанные газообразные продукты до температуры в интервале от 3 до 6°С.
10. Способ по п.8, отличающийся тем, что собирают жидкость, образующуюся в результате конденсации указанных продуктов.
11. Способ по любому из пп.8-10, отличающийся тем, что утилизируют тепловую энергию газообразных продуктов сгорания путем ее подачи в холодильный модуль, функционирующий по абсорбционному принципу с использованием смеси холодильный агент – поглотитель.
Приоритет по пунктам:
пункты 1, 2, 4, 5, 6, 9 и 10 от 08.09.1999
пункты 7, 8 и 11 от 28.02.2000
п.3 04.09.2000
РИСУНКИ
MM4A Досрочное прекращение действия патента Российской Федерации на изобретение из-за неуплаты в установленный срок пошлины за поддержание патента в силе
Дата прекращения действия патента: 05.09.2005
Извещение опубликовано: 27.12.2006 БИ: 36/2006
|
|