|
|
(21), (22) Заявка: 2003137677/06, 29.12.2003
(24) Дата начала отсчета срока действия патента:
29.12.2003
(45) Опубликовано: 10.08.2005
(56) Список документов, цитированных в отчете о поиске:
SU 1521284 A, 07.11.1998. US 5622043 A, 22.04.1997. RU 2160370 С2, 10.12.2000. RU 2206818 С1, 20.06.2003. US 4424668 А, 10.01.1984. RU 2217615 А, 17.11.2003.
Адрес для переписки:
115280, Москва, Автозаводская, 14/23, ОАО “ВТИ”
|
(72) Автор(ы):
Балашов Ю.А. (RU), Березинец П.А. (RU), Морев В.Г. (RU), Радин Ю.А. (RU)
(73) Патентообладатель(и):
Открытое Акционерное Общество “Всероссийский теплотехнический научно-исследовательский институт (ВТИ)” (RU)
|
(54) СПОСОБ ЗАМЕЩЕНИЯ ГАЗОТУРБИННОГО ТОПЛИВА В ЭНЕРГЕТИЧЕСКИХ ЦИКЛАХ
(57) Реферат:
Изобретение относится к теплоэнергетике и может быть использовано при создании и модернизации энергетических газотурбинных установок (ГТУ), потребляющих в качестве энергетического газотурбинного топлива в основном природный газ. В известном способе частичного замещения энергетического газотурбинного топлива, согласно которому сжатый компрессором ГТУ воздух перед подачей в камеру сгорания предварительно подогревают в рекуператоре перегретым паром, генерируемым в паровом котле при сжигании замещающего топлива, согласно изобретению в рекуператор подают пар непосредственно после парового котла, а после рекуператора по меньшей мере часть пара перегревают повторно, по меньшей мере выхлопными газами ГТУ до требуемой потребителем температуры, например, температуры подачи пара в турбину. При этом пар перед подачей в рекуператор согласно изобретению может быть перегрет до температуры выше требуемой потребителем. Кроме того, часть перегретого повторно пара может быть направлена в камеру сгорания для использования в смеси с продуктами сгорания газотурбинного топлива в качестве рабочего тела ГТУ. Изобретение позволяет осуществить применение вместо природного газа менее ценных и непригодных для других сфер использования зольных энергетических топлив (в основном, углей). 4 з.п. ф-лы, 4 ил. 
Изобретение относится к теплоэнергетике и может быть использовано при создании и модернизации энергетических газотурбинных установок (ГТУ), потребляющих органическое топливо.
Большинство современных ГТУ принадлежат к типу так называемых простых ГТУ, реализующих простой термодинамический цикл (без промежуточного охлаждения воздуха и дополнительного подогрева рабочего тела) и выполнены одновальными с блочной компоновкой турбомашин. Простые ГТУ в настоящее время имеют широкий диапазон единичной мощности, высокую надежность и маневренность, характеризуются относительной простотой производства, монтажа и эксплуатации, умеренной удельной стоимостью. При начальных параметрах, обеспечивающих максимум удельной мощности и электрический КПД более 30% такие ГТУ получили широкое распространение в зарубежной и отечественной энергетике как самостоятельно, так и для осуществления когенерации (ГТУ-ТЭЦ) и в комбинированных циклах, реализующихся в различного типа парогазовых установках (ПГУ).
Вместе с тем надежно, устойчиво, длительно, экономично и экологически безопасно современные ГТУ могут работать только на используемом в качестве энергетического газотурбинном топливе – природном газе или, в качестве резерва, на высококалорийном жидком топливе типа дизельного, тогда как перед теплоэнергетикой ставится задача применения вместо природного газа менее ценных и непригодных для других сфер использования зольных энергетических топлив (в основном углей).
Известен способ замещения энергетического газотурбинного топлива углем, согласно которому уголь подвергают внутрицикловой газификации с выработкой синтетического газа, используемого в качестве газотурбинного топлива [1] – аналог. Это позволяет произвести полное замещение газотурбинного топлива зольным. Однако такая радикальная возможность промышленно осуществима лишь в среднесрочной перспективе (не ранее чем через 15-20 лет). При этом вследствие высокой капиталоемкости такого решения экономически оправданным оно оказывается только для вновь строящихся ПГУ на базе наиболее мощных, экономичных, узкоспециализированных ГТУ, которые пока не созданы. Поскольку потребность в таких ПГУ относительно невелика, количество природного газа, потребляемого в газотурбинной энергетике, при газификации угля практически не изменится.
Известен способ замещения газотурбинного энергетического топлива зольным, согласно которому продуктами сгорания последнего нагревают сжатый воздух в воздушном котле, направляя его в газовую турбину в качестве рабочего тела [2] – аналог.
Однако при высокой температуре воздуха, необходимой для его использования в качестве рабочего тела, сооружение из жаропрочного материала громоздкого воздушного котла и тракта подачи воздуха в газовую турбину оказывается неоправданно дорогостоящим. Из-за значительных капиталозатрат длительный срок их окупаемости не сможет быть оправдан повышением основных показателей ГТУ на замещающем топливе. Кроме того, высокая степень разветвленности сети подвода, нагрева и отвода воздуха из котла приведет к существенному возрастанию потерь давления воздуха, а подвод воздуха к котлу и отвод от него нарушают рациональную компоновку турбомашин ГТУ, увеличивая ее металлоемкость и ухудшая маневренные свойства.
Известен наиболее близкий по техническому существу и достигаемому результату способ частичного замещения энергетического газотурбинного топлива в энергетических циклах, согласно которому сжатый компрессором ГТУ воздух предварительно подогревают в рекуператоре перегретым паром, генерируемым в паровом котле при сжигании, по меньшей мере, замещающего топлива, и окончательно нагревают сжатый воздух в камере сгорания ГТУ при сжигании газотурбинного топлива [3] – прототип. Этот способ, однако, приводит к снижению мощности паровой турбины, от которой согласно [3] отбирается пар для подогрева воздуха. Кроме того, подогрев воздуха этим паром в рекуператоре осуществляют за счет скрытой теплоты парообразования. Это требует создания рекуператора конденсационного типа, но с внутренним давлением существенно выше атмосферного. Такому аппарату присущи большая масса, большие габариты, и, следовательно, он должен быть выполнен в виде отдельного выносного блока, нарушающего современную моноблочную компоновку турбомашин ГТУ. Для высокотемпературного нагрева сжатого воздуха согласно [3] предусматривается использование в качестве промежуточного теплоносителя жидкого металла. Однако применение жидкометаллического теплоносителя на электростанциях общего назначения связано со значительным увеличением стоимости электростанции, а также со снижением надежности и безопасности ее эксплуатации.
Достигаемым результатом изобретения является сохранение весомой степени замещения газотурбинного топлива рядовым при повышении надежности энергетической установки за счет исключения контура с жидкометаллическим теплоносителем, меньшее снижение ее мощности за счет возврата потребителю использованного теплоносителя в виде пара номинального потенциала, а также сохранение преимуществ современных простых ГТУ.
Указанный результат обеспечивается тем, что в способе частичного замещения энергетического газотурбинного топлива в энергетических циклах, согласно которому сжатый компрессором ГТУ воздух предварительно подогревают в рекуператоре перегретым паром, генерируемым в паровом котле при сжигании, по меньшей, мере замещающего топлива, и окончательно нагревают сжатый воздух в камере сгорания ГТУ при сжигании газотурбинного топлива, согласно изобретению в рекуператор подают пар непосредственно после парового котла, а после рекуператора, по меньшей мере, часть пара перегревают повторно, по меньшей мере, выхлопными газами ГТУ до требуемой потребителю температуры.
Пар перед подачей в рекуператор согласно изобретению может быть перегрет до температуры выше требуемой потребителю.
При сочетании ГТУ и паротурбинной установки (ПТУ) с промежуточным перегревом пара в котле, согласно изобретению, в рекуператор может быть подан промежуточно перегретый пар.
При сочетании ГТУ и ПТУ с противодавленческой турбиной мятый пар от последней предварительно может быть перегрет в паровом котле, после чего полученный перегретый пар направляют в рекуператор.
Часть перегретого повторно пара может быть направлена в камеру сгорания для использования в смеси с продуктами сгорания газотурбинного топлива в качестве рабочего тела ГТУ.
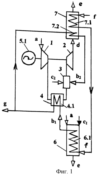
Осуществление способа согласно изобретению для различных условий применения энергетических ГТУ иллюстрируется чертежами фиг.1-4. На фиг.1 представлена схема ГТУ-ТЭЦ (без паровой турбины) с автономным паровым котлом и котлом-утилизатором; на фиг.2 – то же, но без котла-утилизатора – со сбросом выхлопных газов в топку автономного котла; на фиг.3 – схема парогазовой установки (ПГУ) с промежуточным перегревом пара между цилиндром высокого давления (ЦВД) и цилиндром низкого давления (ЦНД) конденсационной паровой турбины; на фиг.4 – то же, но с противодавленческой паровой турбиной, которая может дополняться одноцилиндровой конденсационной паровой турбиной (показана пунктиром).
На всех фигурах приняты следующие буквенные обозначения:
а – атмосферный воздух,
b1 – перегретый пар на входе в рекуператор,
c1 – замещающее топливо,
c2 – энергетическое газотурбинное топливо,
d – выхлопные газы ГТУ,
е – уходящие газы,
f – питательная вода котлов,
g – пар к потребителям: g1 – к внешнему потребителю,
g2 – к камере сгорания ГТУ, g3 – к паровой турбине ПТУ,
h – конденсат.
Энергетическая установка (фиг.1-4) содержит составляющие ГТУ: воздушный компрессор 1, газовую турбину 2, камеру 3 сгорания, рекуператор 4 с теплообменной поверхностью 4.1 и электрогенератор 5.1, а также составляющие ПТУ: автономный паровой котел 6 с поверхностью нагрева 6.1 (включая испарительную часть и первичный пароперегреватель), водяным экономайзером 6.2 (фиг.3, 4), промежуточным пароперегревателем 6.3 (фиг.3) и пароперегревателем 6.4 дополнительного повторного перегрева (фиг.4). Выхлопные газы d из газовой турбины 2 могут сбрасываться в автономный паровой котел 6 (фиг.2). Установка содержит также отдельный котел-утилизатор 7 с водяным экономайзером 7.1 и пароперегревателем 7.2 повторного перегрева (фиг.1,3,4). В варианте фиг.3 ПТУ содержит также паровую конденсационную турбину 8 с ЦВД 8.1 и ЦНД 8,2. В варианте фиг.4 ПТУ содержит противодавленческую турбину 8.3 и дополнительно может содержать одноцилиндровую конденсационную турбину 8. Каждая конденсационная турбина 8 (фиг.3,4) снабжена конденсатором 9 отработавшего пара. В каждом варианте ПТУ содержится электрогенератор 5.2.
Энергетическая установка, реализующая способ согласно изобретению, работает следующим образом. Атмосферный воздух а после сжатия в компрессоре 1 направляется в рекуператор 4, где предварительно подогревается теплотой перегретого пара b1, поступающего в рекуператор непосредственно после автономного парового котла 6, в котором сжигается замещающее (например, твердое) топливо c1. При этом пар может генерироваться в поверхностях нагрева 7.1 и 6.1 соответственно котла-утилизатора 7 и автономного котла 6 (фиг.1, 3, 4) или только в автономном котле 6 при сжигании в нем замещающего топлива c1 со сбросом в него выхлопных газов d газовой турбины 2 (фиг.2). Благодаря подогреву воздуха в рекуператоре 4 за счет теплоты продуктов сгорания замещающего топлива c1 расход энергетического газотурбинного топлива c2 в камере 3 сгорания сокращается. Смесь продуктов сгорания энергетического газотурбинного топлива с нагретым воздухом из камеры 3 сгорания поступает в качестве рабочего тела в газовую турбину 2, которая совершает механическую работу, часть которой расходуется на привод компрессора 1, а другая – на привод электрогенератора 5.1. Выхлопные газы d направляются в котел-утилизатор 7 (фиг.1,3,4) или сбрасываются в автономный паровой котел 6 (фиг.2). Уходящие газы е из автономного котла 6 и котла-утилизатора 7 через дымовую трубу (не показана) удаляются в атмосферу часть пара после передачи части теплоты поступающему в рекуператор 4 воздуху перегревается повторно по меньшей мере выхлопными газами ГТУ в пароперегревателе 7.2 котла-утилизатора 7 (фиг.1) или в пароперегревателе 6.3 автономного котла 6 при сбросе в него выхлопных газов d газовой турбины 2 (фиг.2). Дополнительно пар может повторно перегреваться в пароперегревателе 6.4 автономного котла 6 (фиг.4). При этом в вариантах ГТУ-ТЭЦ, не имеющих паровых турбин (фиг.1, 2) повторно перегретый пар g2 можно подать в камеру 3 сгорания ГТУ для использования совместно с продуктами сгорания в качестве рабочего тела газотурбинного цикла. В варианте с конденсационной паровой турбиной 8, имеющей промежуточный перегрев пара (фиг.3), в рекуператор 4 направляется весь пар b1 из промежуточного пароперегревателя 6.3, а прошедший рекуператор 4 пар g3 из пароперегревателя 7.2 повторного перегрева подается в ЦНД 8.2 конденсационной турбины 8. В варианте ПГУ-ТЭЦ с паровой турбиной 8.3 мятого пара и возможной (в случае значительного ограничения теплопотребления) установкой конденсационной турбины 8 (фиг.4) охлажденный в рекуператоре 4 пар b1, как уже отмечалось выше, повторно перегревается с использованием двух ступеней перегрева. Первая ступень перегрева реализуется пароперегревателем 7.2, вторая – дополнительным пароперегревателем 6.4, обеспечивающим дополнительное снижение расхода газотурбинного топлива. После пароперегревателя 7.2 пар g3 можно направить в конденсационную турбину 8, а после дополнительного пароперегревателя 6.4 пар g2 – в камеру 3 сгорания ГТУ. Предусмотрена возможность частичной отдачи пара g1 после рекуператора 4 внешнему потребителю до повторного перегрева (фиг.1, 2, 4).
Таким образом, во всех приведенных вариантах реализации способа согласно изобретению обеспечивается экономия ценного газотурбинного топлива путем частичного замещения его сжигаемым в паровом котле более доступным для энергетики твердым (зольным) топливом, например углем, с передачей части выделяемой при сжигании этого топлива теплоты с помощью промежуточного теплоносителя (перегретого пара) из паровой в газотурбинную часть энергетического цикла.
Применение способа согласно изобретению не ограничивается, как в случае газификации, уровнем единичной мощности или экономичностью ГТУ, а его эффективность определяется в конечном счете располагаемыми разностью начальных температур пара и воздуха и соотношением их расходов в рекуператоре. При этом частичное замещение газотурбинного топлива c2 согласно изобретению не ограничено условиями внешнего теплопотребления пара g1 и стабилизируется благодаря неизменному расходу греющего пара b1 в рекуператоре: при снижении теплопотребления излишки пара g2 используют как дополнительное рабочее тело ГТУ. Как показали расчеты, такой способ на современных электростанциях позволяет экономить не менее 20% энергетического газотурбинного топлива, что может представить весьма существенную величину для всего располагаемого парка энергетических ГТУ.
Эффективность способа или доля замещаемого газотурбинного топлива незначительно снижается из-за потерь, возникающих при его осуществлении: потерь давления воздуха и пара в рекуператоре и потери от уменьшения расхода рабочих газов, пропорциональной доле замещаемого топлива. Однако эти потери не превышают потерь при равном по величине рекуперативном подогреве воздуха выхлопными газами ГТУ в то время, как удельная поверхность паровоздушного рекуператора значительно меньше благодаря высокому давлению не только воздуха, но и греющего пара. Это позволяет выполнить рекуператор компактным, менее металлоемким и размещать его без нарушения существующей компоновки турбомашин современных ГТУ. В итоге ценой потери нескольких процентов мощности (исходной экономичности) ГТУ сокращается на десятки процентов потребность в газотурбинном топливе (природном газе), которое замещается углем.
Источники информации
1. Проект и опыт эксплуатации газовых турбин V94 на природном и синтетическом газе. – Б.Беккер. – Эффективное оборудование и новые технологии – в российскую энергетику. Сборник докладов под общей редакцией чл.-корр. РАН Ольховского Г.Г., ВТИ, 2001, с.185.
2. Основы теплоэнергетики. А.М.Литвин, издание седьмое. М.: Энергия, 1973, с.145.
3. Патент РФ №1521284, 4 F 01 K 23/10, 1985.
Формула изобретения
1. Способ частичного замещения энергетического газотурбинного топлива в энергетическом цикле, газотурбинная часть которого обеспечивает последовательное сжатие воздуха в компрессоре газотурбинной установки (ГТУ), его предварительный подогрев паром в рекуператоре перед камерой сгорания, в которой производят окончательный нагрев сжатого воздуха при сжигании газотурбинного топлива, и расширение образованного рабочего тела в турбине, а паровая часть которого обеспечивает генерацию перегретого пара за счет утилизации выхлопного тепла ГТУ, сжигания, по меньшей мере, замещающего топлива в котле с, по меньшей мере, одним пароперегревателем, подачу образованного пара в турбину и в рекуператор, отличающийся тем, что в рекуператор подают, по меньшей мере, часть пара из пароперегревателя котла, а после рекуператора, по меньшей мере, часть пара до подачи в турбину перегревают повторно, по меньшей мере, выхлопными газами ГТУ.
2. Способ по п.1, отличающийся тем, что пар перед подачей в рекуператор перегревают до температуры выше требуемой для его подачи в турбину.
3. Способ по п.1, отличающийся тем, что при использовании паровой части цикла с промежуточным перегревом пара в рекуператор подают весь пар из промежуточного перегревателя котла.
4. Способ по п.1, отличающийся тем, что при использовании паровой части цикла с получением мятого пара, последний предварительно перегревают в котле.
5. Способ по п.1, отличающийся тем, что, по меньшей мере, часть перегретого повторно пара направляют в камеру сгорания для использования в смеси с продуктами сгорания газотурбинного топлива в качестве рабочего тела ГТУ.
РИСУНКИ
MM4A – Досрочное прекращение действия патента СССР или патента Российской Федерации на изобретение из-за неуплаты в установленный срок пошлины за поддержание патента в силе
Дата прекращения действия патента: 30.12.2007
Извещение опубликовано: 27.07.2009 БИ: 21/2009
|
|