|
|
(21), (22) Заявка: 2003136977/02, 22.12.2003
(24) Дата начала отсчета срока действия патента:
22.12.2003
(45) Опубликовано: 10.08.2005
(56) Список документов, цитированных в отчете о поиске:
АРТОБОЛЕВСКИЙ И.И. “Механизмы в современной технике”, Москва, 1970, т.1, c.258. SU 1815138 A1, 15.05.1993. SU 1646789 A1, 07.05.1991. RU 2063318 C1, 10.07.1996. DE 2118204 A, 02.11.1972.
Адрес для переписки:
350072, г.Краснодар, ул. Московская, 2, Кубанский ГТУ, ПО, пат.пов. Л.В.Ломакиной, рег. № 109
|
(72) Автор(ы):
Шведов И.А. (RU), Метильков С.А. (RU), Пунтус А.В. (RU)
(73) Патентообладатель(и):
Кубанский государственный технологический университет (RU)
|
(54) УСТРОЙСТВО ДЛЯ УКЛАДКИ И ОРИЕНТАЦИИ ЦИЛИНДРИЧЕСКИХ ВТУЛОК
(57) Реферат:
Изобретение относится к общему машиностроению, сборочному производству и может найти применение при производстве приводных втулочно-роликовых цепей. Сущность изобретения заключается в том, что корпус устройства снабжен узлом для обнаружения и фиксации втулки по базам, который состоит из подпружиненной иглы, а также валка с приводом для вращения втулки в момент поиска иглой базирующего элемента на поверхности втулки. Технический результат изобретения состоит в расширении технологических возможностей устройства. 3 ил. 
Изобретение относится к общему машиностроению, сборочному производству и может найти применение при производстве приводных втулочно-роликовых цепей, в частности, для ориентации и укладки цилиндрических втулок преимущественно с базирующим элементом по продольному шву стыка.
Известно устройство для ориентации цилиндрических корпусов банок (Патент США №2140246, Класс 198-33 от 13.12.38 г.), в котором вращение корпуса производится с помощью двух вращающихся валков, его останов в заданном положении – с помощью вводимого внутрь корпуса щупа, скользящего по поверхности корпуса до тех пор, пока шов банки, выполняющий роль базирующего элемента, не упрется в щуп.
Применение такого механизма ориентации не приспособлено к цилиндрическим деталям с малым внутренним диаметром, не позволяющим ввести щуп вовнутрь.
Известно также устройство для ориентирования деталей с выемкой (Авторское свидетельство СССР №1284780, кл В 23 Q 7/08, 1987), в котором цилиндрические детали с аксиальными выемками подаются по подающему лотку до позиции ориентирования к иглообразному упору и вращающемуся ролику. Деталь, поджатая к ним силами инерции, возникающими при колебании лотка, приводится во вращение роликом до тех пор, пока упор не совместится с выемкой. Потеряв опору на упоре, деталь смещается от ролика в сторону упора, далее, соскользнув с упора, входит выемкой в профильную направляющую и транспортируется на позицию съема схватом робота.
Применение такого механизма технологически и конструктивно не всегда возможно, особенно для небольших деталей типа втулка роликовой цепи.
Наиболее близким по технической сущности является «Рычажное загрузочное устройство» (Артоболевский И.И. Механизмы в современной технике. Том 1. М., 1970 г., с.258) для укладки цилиндрических деталей, состоящее из ползуна, закрепленного жестко вместе с трубкой, и рычага, закрепленного жестко вместе с заслонкой, вращающегося вокруг оси. При перемещении ползуна по направляющим вниз рычаг, соприкасаясь с упором, проворачивается вокруг оси, при этом заслонка отходит от трубки, и заготовки загружаются в подающее устройство. При перемещении ползуна вверх рычаг и заслонка под действием пружины занимают исходное положение, закрывая выход из трубки, которая вновь заполняется заготовками. Имеется также защелка для фиксации положения рычага.
Однако известное устройство не обеспечивает при укладке ориентацию втулок с базирующим элементом.
Техническая задача – расширение технологических возможностей рычажного загрузочного устройства для выполнения операций укладки и ориентации втулок с базирующим элементом. Таковым элементом, по сути, могут являться отверстия любой формы, выпуклости, вогнутости.
Сущность изобретения заключается в том, что укладка свертной втулки на позицию происходит в ориентированном состоянии относительно шва стыка. В устройстве для укладки и ориентации цилиндрических втулок преимущественно с базирующим элементом, содержащем корпус – трубку и рычажный подпружиненный прижим, корпус дополнительно снабжен подпружиненной иглой для обнаружения и фиксации втулки по базам, расположенным по шву стыка, а также вращающимся валком для вращения втулки в момент поиска базы.
Введение механизма обнаружения и базирования по наружной поверхности втулки в рычажное загрузочное устройство позволяет решить техническую задачу укладки и ориентации втулок преимущественно с базирующим элементом.
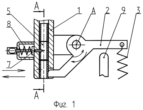
На фиг.1 изображено устройство, разрез; на фиг.2 – сечение по А-А на фиг.1; на фиг.3 изображены примеры деталей, предназначенных для ориентирования и укладки в данном устройстве.
Устройство состоит из корпуса 1, прижимного рычага 2, имеющего возможность вращаться вокруг оси А и подпружиненного пружиной 3. Валок 4 вращает втулку 5 от независимого привода 6 в момент поиска технологического элемента иглой 7, подпружиненной пружиной 8. Упор 9 служит для ограничения положения рычага 2.
В верхнем положении корпуса 1 нижняя втулка зафиксирована от выпадения подпружиненным прижимом 2, а предыдущая втулка 5 приводится во вращение валком 4 до тех пор, пока подпружиненная игла 7 не зафиксирует ее от вращения. Далее при перемещении корпуса 1 вниз в первую очередь принудительно отводится валок 4, затем игла 7, рычаг 2 находит на упор 9, проворачивается относительно оси А и освобождает нижнюю втулку. Следующая втулка 5 попадает на нижнюю позицию и далее при ходе вверх корпуса 1 фиксируется рычагом 2. Подводится валок 4 и игла 7, цикл повторяется.
Формула изобретения
Устройство для укладки и ориентации цилиндрических втулок преимущественно с базирующими элементами, содержащее корпус-трубку и рычажный подпружиненный прижим, отличающееся тем, что корпус снабжен узлом для обнаружения и фиксации втулки по базам, который состоит из подпружиненной иглы, а также валка с приводом для вращения втулки в момент поиска иглой базирующего элемента на поверхности втулки.
РИСУНКИ
MM4A – Досрочное прекращение действия патента СССР или патента Российской Федерации на изобретение из-за неуплаты в установленный срок пошлины за поддержание патента в силе
Дата прекращения действия патента: 23.12.2006
Извещение опубликовано: 20.02.2008 БИ: 05/2008
|
|