|
(21), (22) Заявка: 2004103092/15, 03.02.2004
(24) Дата начала отсчета срока действия патента:
03.02.2004
(45) Опубликовано: 10.08.2005
(56) Список документов, цитированных в отчете о поиске:
SU 311662 А, 01.01.1971. SU 1286290 A1, 30.01.1987. RU 2152260 C1, 10.07.2000. SU 1031514 A1, 30.07.1983. US 4713093 А, 15.12.1987.
Адрес для переписки:
152101, Ярославская обл., п. Семибратово, ул. Павлова, 5, ЗАО “Кондор-ЭКО”, ген. директору Л.В. Чекалову
|
(72) Автор(ы):
Чекалов Л.В. (RU), Гузаев В.А. (RU), Курицын Н.А. (RU)
(73) Патентообладатель(и):
ЗАО “Кондор-ЭКО” (RU)
|
(54) ЭЛЕКТРОФИЛЬТР
(57) Реферат:
Изобретение относится к электрической очистке газов от пыли в различных отраслях промышленности, в частности в теплоэнергетике, химической промышленности, промышленности стройматериалов, металлургии. Электрофильтр включает корпус с бункером, электроды с наковальнями, по которым посредством вала встряхивания и молотков на нем производятся удары для удаления с электродов слоя накопленной пыли. На валу встряхивания молотки равномерно смещены вдоль вала и вокруг него, относительно друг друга. Вал встряхивания приводится во вращение электродвигателем с редуктором через соединительное устройство. Сигнал управления подается на частотный преобразователь. Редуктор имеет передаточное число 200÷600; электродвигатель имеет синхронную скорость вращения 750÷1500 об/мин и мощность 50÷250 Вт. Технический результат состоит в повышении степени очистки электрофильтра. 4 з.п. ф-лы, 2 ил. 
Известен электрофильтр, включающий корпус, электроды с наковальнями, вал встряхивания с молотками, редуктор, электродвигатель с устройством включения в сеть [л.1, стр.289].
Известный аппарат обладает недостаточной эффективностью, т.к. регулировка степени очистки осуществляется лишь включением электродвигателя на определенные интервалы встряхивания. При этом устройство включения электродвигателя связано с сигналом управления [л.1, стр.294].
Наиболее близким по техническому решению является электрофильтр по авторскому свидетельству 311662 [л.2], включающий корпус, электроды с наковальнями, вал встряхивания с молотками, вариатор, электродвигатель с устройством для включения в сеть. В данной конструкции аппарата повышение степени очистки достигается управлением частоты вращения встряхивающего вала с помощью вариатора.
К недостаткам известного решения относятся сложность управления вариатором и инерционность регулирования степени очистки электрофильтра, приводящие к недостаточной эффективности аппарата. Степень очистки резко снижается в период встряхивания, и поэтому требуется максимально сократить этот период.
Технической задачей заявляемого изобретения и достигаемый при решении технический результат заключается в повышении степени очистки электрофильтров путем регулирования скорости вращения электродвигателя частотным преобразователем или другим устройством управления скоростью вращения, при обеспечении оптимальных технических параметров сборочных единиц и деталей встряхивающего механизма.
Указанный технический результат достигается тем, что электрофильтр включает корпус с бункером, электроды с наковальнями, по которым посредством вала встряхивания и молотков на нем производятся удары для удаления с электродов слоя накопленной пыли. На валу встряхивания молотки равномерно смещены относительно друг друга как вдоль вала, так и вокруг него. При этом смещение вдоль вала находится в диапазоне 200÷500 мм, а масса молотков составляет 3÷10 кг; рычаг молотка имеет длину 195÷800 мм, рычаг вала имеет длину 40÷200 мм, а диаметр вала находится в диапазоне 30÷100 мм. Вал встряхивания приводится во вращение электродвигателем с редуктором через соединительное устройство.
Сигнал управления подается на частотный преобразователь с диапазонами регулирования скорости вращения электродвигателя от 1÷5 до 1÷100. Под диапазонами регулирования имеется в виду снижение синхронной скорости вращения n0 электродвигателя до 5-ти раз и до 100 раз . При этом редуктор имеет передаточное число в диапазоне 200÷600; электродвигатель имеет синхронную скорость вращения в диапазоне 750÷1500 об/мин и мощность в диапазоне 50÷250 Вт.
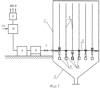
Сущность изобретения поясняется графическими материалами, на которых изображено:
– на фиг.1 показана схема предлагаемого электрофильтра;
– на фиг.2 показана схема вала встряхивания, его поперечное сечение с молотком;
На фиг.1:
поз. 1 – корпус;
поз. 2 – бункер;
поз. 3 – электроды;
поз. 4 – наковальни электродов;
поз. 5 – вал встряхивания;
поз. 6 – молотки;
поз. 7 – соединительное устройство;
поз. 8 – редуктор;
поз. 9 – электродвигатель;
поз. 10 – частотный преобразователь;
поз 11 – устройство включения;
На фиг.2:
поз. 12 – рычаг молотка;
поз. 13 – рычаг вала;
Предложенный электрофильтр работает следующим образом.
Устройством включения 11 электродвигатель 9 подключается к сети. Сигнал управления СУ через частотный преобразователь 10 задает требуемую скорость вращения электродвигателя (например, минимальную). При этом сигнал управления сформирован таким образом, чтобы электродвигатель 9 плавно начал вращаться, и без удара были бы выбраны все зазоры в редукторе 8, соединительном устройстве 7 и т.д.
За это время крутящий момент электродвигателя достигает плавно максимального значения и вращает вал встряхивания 3, который обычно засыпан пылью и его момент трогания выше, чем рабочий момент.
После трогания вала встряхивания с места сигнал управления задает требуемую скорость вращения электродвигателя и соответственно через редуктор задается требуемая скорость вращения вала встряхивания и соответственно требуемая частота ударов молотков 6 по наковальням 4. Энергия от ударов молотков по наковальням передается на электроды 5 и с них стряхивается в бункер 2 пыль, осевшая в поле коронного разряда электрофильтра. Чем выше входная запыленность в электрофильтр и чем лучше улавливается пыль, тем быстрее накапливается она на электродах.
Существует оптимальная масса пыли на электроде, при достижении которой электрод надо встряхнуть и очистить от пыли, чтобы обеспечить максимальную степень очистки электрофильтром. Так как газораспределение на входе в электрофильтр стараются обеспечить равномерным, оптимальная масса пыли накапливается на всех электродах, связанных в секциях одним валом встряхивания, одновременно. В этот момент сигнал управления через частотный преобразователь увеличивает скорость вращения вала встряхивания до максимального значения. Молотки быстро поворачиваются вместе с валом и ударяют по наковальням, и вся секция быстро встряхивается. Встряхнуть необходимо как можно быстрее, т.к. в момент встряхивания степень очистки электрофильтра падает.
Пыль, отряхнутая с электродов, падает в бункер 2 и может перегрузить его и корпус 1, а также снизить степень очистки за счет пыления из бункера. Поэтому время встряхивания электродов не должно быть меньше величины, за которую пыль выводится из бункера, и он не переполнится.
Когда оптимальная масса пыли на электродах будет большая (а она зависит от свойств пылевой среды, поступающей в электрофильтр), может потребоваться разбиение встряхивания секции электрофильтра на части и осуществлять быстро поворот вала встряхивания на часть оборота.
В других случаях пыль отряхивается с электродов плохо и можно ее отряхнуть за два и более ударов молотка о каждый электрод. Тогда вал встряхивания делает несколько оборотов, встряхивая каждый электрод несколько раз. Таким образом, сигналом управления через частотный преобразователь, электродвигатель, редуктор, вал встряхивания и молотки можно гибко управлять массой пыли на электродах и обеспечивать максимальную степень очистки электрофильтром.
Экспериментально установлено, что если диапазон регулирования частотного преобразователя менее 1-5, изменения скорости вращения электродвигателя и соответственно частоты встряхивания при минимальной и максимальной скоростях недостаточно, чтобы достичь оптимальной массы пыли на электродах. Если диапазон регулирования более 1-100, то появляется нереализуемый запас по диапазону частоты встряхивания электродов, а схема преобразователя усложняется.
Если редуктор брать с передаточным числом менее 200, то электродвигатель требуется повышенной мощности и массы; если брать с передаточным числом более 600, то увеличивается масса редуктора, снижается его коэффициент полезного действия и нельзя достичь скорости вращения молоткового вала, нужной для быстрого встряхивания больших секций электродов.
Электродвигатель с синхронной скоростью вращения более 1500 об/мин требует большого диапазона регулирования преобразователя и имеет недостаточный крутящий момент. При синхронной скорости вращения электродвигателя менее 750 об/мин возрастает его масса и мощность и соответственно цена.
При вышеперечисленных параметрах уменьшение мощности электродвигателя менее 50 Вт ведет к работе с перегрузкой, перегреву и снижению срока службы. Электродвигатель с мощностью более 250 Вт недогружен, имеет завышенную массу и работает с низким КПД и Cos .
Для обеспечения равномерного отряхивания электродов при одинаковой скорости нарастания слоя частиц на каждом электроде до оптимальной величины молотки на валу смещены относительно друг друга равномерно как вдоль, так и вокруг него. При этом молотки вдоль вала имеют смещение в диапазоне 200÷500 мм.
При расстоянии менее 200 мм происходит передача части энергии от удара молотка о наковальню соседним электродам, что приводит к нарушению оптимального слоя пыли на этих электродах. К тому же близкое расположение электродов вызывает вторичный унос пыли с соседних электродов из-за воздействия части падающих конгломератов пыли на слой соседних электродов.
При расстоянии более 500 мм между молотками оптимальный слой пыли будет нарастать быстрее, что потребует более частого соударения молотков по наковальням и, как следствие, к преждевременному их разрушению, а также других частей электрофильтра.
Что касается смещения молотков вокруг вала, то угол смещения зависит от высоты электрода и определяется временем падения пыли с наивысшей точки осадительного электрода.
Экспериментально установлено, что для электродов высотой от 7,5 метров до 18 метров необходима масса молотка от 3 до 10 килограммов. Масса менее 3 кг создает недостаточно ударной энергии, а масса более 10 кг приводит к преждевременным разрушениям наковален и других частей электрофильтра. К тому же, с увеличением массы молотка большая часть ударной энергии тратится на создание пластической деформации в зоне удара, а не на упругую деформацию, посредством которой ударная энергия поступает к частям электрода.
Энергия удара молотка о наковальню, наряду с массой молотка, зависит от длины рычагов молотка 12 и вала 13.
Рычаги молотка имеют длину 195÷800 мм. Нижний предел характеризует минимальную скорость соударения, а верхний предел – максимальную, приводящую к преждевременным разрушениям при ударах. К тому же, с увеличением рычага возрастает момент на валу, а, следовательно, и нагрузка на электродвигатель.
Рычаги вала встряхивания имеют длину 40÷200 мм, а диаметр вала находится в диапазоне 30÷100 мм. Данные диапазоны размеров находятся в зависимости от длины рычагов молотков и обусловлены критерием минимальности момента на валу встряхивания при прокручивании вала.
Настоящее изобретение промышленно применимо, так как для его изготовления не требуется специальной оснастки и новой технологии.
ЛИТЕРАТУРА
1. Дымовые электрофильтры /В.И.Левитов, И.К.Решидов, В.М.Ткаченко и др. Под общ. ред. В.И.Левитова – М.: Энергия, 1980. – 448 с., ил.
2. А.С. №311662 (СССР). Способ управления работой механизмов встряхивания /Н.Г.Залогин, Л.П.Яновский и др. – Опубл. В бюл. «Открытия. Изобретения. Промышленные образцы. Товарные знаки». -1971, №25.
Формула изобретения
1. Электрофильтр, включающий корпус с бункером, электроды с наковальнями, вал встряхивания с рычагами и молотки с рычагами, редуктор, электродвигатель и устройство включения электродвигателя, отличающийся тем, что он снабжен частотным преобразователем для изменения скорости вращения вала электродвигателя, при этом мощность электродвигателя составляет 50-250 Вт, синхронная скорость вращения электродвигателя составляет 700-1500 об/мин, а редуктор выполнен с передаточным числом 200-600.
2. Электрофильтр по п.1, отличающийся тем, что молотки равномерно смещены как вдоль вала встряхивания, так и вокруг него относительно друг друга.
3. Электрофильтр по п.2, отличающийся тем, что молотки вдоль вала встряхивания имеют смещение в диапазоне 200÷500 мм.
4. Электрофильтр по п.2, отличающийся тем, что масса молотка составляет 3÷10 кг.
5. Электрофильтр по п.2, отличающийся тем, что рычаг вала имеет длину 40÷200 мм, рычаг молотка имеет длину 195÷800 мм, а диаметр вала находится в диапазоне 30÷100 мм.
РИСУНКИ
|