|
|
(21), (22) Заявка: 2003134378/09, 28.11.2003
(24) Дата начала отсчета срока действия патента:
28.11.2003
(45) Опубликовано: 20.07.2005
(56) Список документов, цитированных в отчете о поиске:
RU 2166769 C1, 10.05.2001. RU 2124221 C1, 27.12.1998. RU 2037842 C1, 19.06.1995. RU 2211460 С2, 27.08.2003. US 5517197 А, 14.05.1996. ЕР 0632287 А2, 04.01.1995. ЕР 0417939 А2, 20.03.1991. WO 02/084328 А1, 24.10.2002. WO 03/027706 А1, 03.04.2003.
Адрес для переписки:
191014, Санкт-Петербург, ул. Госпитальная, 3, ФГУП ЦНИИ “Гранит”, пат. пов. В.В. Туренко
|
(72) Автор(ы):
Никольцев В.А. (RU), Коржавин Г.А. (RU), Иванов В.П. (RU), Федотов В.А. (RU), Ефимов Г.М. (RU), Бондарчук С.А. (RU), Корнилова Г.А. (RU)
(73) Патентообладатель(и):
Федеральное государственное унитарное предприятие “Центральный научно-исследовательский институт “Гранит” (RU)
|
(54) СИСТЕМА ОБНАРУЖЕНИЯ РАДИОЛОКАЦИОННЫХ СИГНАЛОВ
(57) Реферат:
Изобретение относится к пассивным системам обнаружения радиолокационных сигналов, а именно к системам с выносным антенным устройством, и может быть использовано при оснащении плавучих средств различного назначения. Технический результат заключается в расширении функциональных возможностей системы, который достигается тем, что система обнаружения радиолокационных сигналов содержит последовательно соединенные приемную антенну, входное устройство, в котором производится разделение принятых сигналов на два частотных канала и усиление их на СВЧ, приемное устройство, включающее блок детекторов усилителей импульсных и непрерывных сигналов, а также два блока обработки сигналов, соединенные посредством интерфейсной магистрали последовательного канала с устройством вторичной обработки, управления и отображения, выполненным на основе электронно-вычислительной машины. 7 ил.

Изобретение относится к пассивным системам обнаружения радиолокационных сигналов, а именно к системам с выносным антенным устройством, и может быть использовано при оснащении плавучих средств различного назначения.
Известна пассивно-активная радиолокационная система [1], пассивная часть которой содержит n-элементную приемную антенну, соединенную с многоканальным приемным устройством, каждый из каналов которого содержит последовательно соединенные усилитель высокой частоты, блок частотной селекции (полосовой фильтрации), блок амплитудных детекторов и блок видеоусилителей. Выходы приемного устройства соединены с блоком обнаружения и измерения, включающим блоки квантования узкополосных сигналов соответствующих частотных диапазонов, оперативное запоминающее устройство и дешифратор, соединенный с входом опроса (коммутации) блока обнаружения и измерения, выход которого соединен с устройством вторичной обработки информации.
Система обеспечивает секторный обзор пространства в горизонтальной плоскости, обнаружение источников радиоизлучений, оценку их интенсивностей и определение их азимутального положения.
Недостатком известной системы являются ее ограниченные функциональные возможности, что связано с ее вспомогательной ролью в активно-пассивной радиолокационной станции.
Наиболее близким аналогом, принятым в качестве прототипа предлагаемой системы, является система обнаружения и распознавания объектов [2].
Система по прототипу содержит антенну, входное устройство, в котором производится разделение на два частотных канала и усиление на высокой частоте, блок детекторов-усилителей импульсных и непрерывных сигналов и блок обработки сигналов, соединенный с устройством вторичной обработки и индикации посредством интерфейсной магистрали последовательного канала.
Недостатком системы по прототипу являются ограниченный частотный диапазон (работа на двух фиксированных частотах) и ограниченные возможности обработки сигналов в части определения параметров и классификации источников радиоизлучений. Кроме этого, в системе не предусмотрено обнаружение и распознавание сложных, например фазоманипулированных, сигналов.
Задачей изобретения является расширение функциональных возможностей системы обнаружения радиолокационных сигналов.
Сущность изобретения заключается в том, что в системе обнаружения радиолокационных сигналов, содержащей последовательно соединенные приемную антенну, входное устройство, в котором производится разделение принятых сигналов на два частотных канала и усиление на сверхвысокой частоте, приемное устройство, включающее блок детекторов-усилителей импульсных и непрерывных сигналов, а также блок обработки сигналов, соединенный посредством интерфейсной магистрали последовательного канала с устройством вторичной обработки, управления и отображения, выполненным на основе электронно-вычислительной машины, входное устройство выполнено с дополнительной возможностью модуляции непрерывных сигналов и соединено с приемным устройством посредством протяженного кабельного тракта, приемное устройство дополнительно содержит последовательно соединенные по входам-выходам сигналов соответствующих частотных каналов двухканальный блок коррекции затухания, двухканальный блок усилителей и делителей мощности и блок полосовых фильтров, в котором производится дополнительное разделение сигналов каждого частотного канала на узкополосные частотные диапазоны, а также измерители мгновенной частоты одного и другого частотных каналов, входы которых подключены к соответствующим выходам двухканального блока усилителей и делителей мощности, блок регулировки напряжений компенсации паразитной амплитудной модуляции шумов, выходы которого соединены с соответствующими компенсационными входами блока детекторов-усилителей импульсных и непрерывных сигналов, и генератор опорных напряжений, к соответствующим выходам которого подключены вход модуляции входного устройства, опорные входы блока регулировки напряжений компенсации паразитной амплитудной модуляции шумов и опорные входы блока детекторов-усилителей импульсных и непрерывных сигналов, информационные входы которого соединены с соответствующими выходами блока полосовых фильтров, кроме вышеуказанного, в систему введен второй блок обработки сигналов, аналогичный первому блоку обработки сигналов, при этом каждый блок обработки сигналов предназначен для первичной обработки сигналов соответствующего частотного канала и содержит цифровой сигнальный процессор, соединенный посредством системной интерфейсной магистрали с оперативным запоминающим устройством, долговременным запоминающим устройством и контроллером последовательных каналов, к которому подключена интерфейсная магистраль последовательного канала, цифроаналоговый преобразователь, подключенный к выходу последовательного интерфейса цифрового сигнального процессора, измерители параметров импульсных сигналов по количеству узкополосных частотных диапазонов частотного канала и многоканальный измеритель параметров непрерывных сигналов, информационные выходы которых подключены к соответствующим входам мультиплексора, связанного с цифровым сигнальным процессором посредством интерфейсной магистрали прямого доступа, к которой подключены также регистр сигналов управления и регистр параметров блокировки сигналов, контроллер магистрали прямого доступа, соединенный с входом-выходом сигналов синхронизации цифрового сигнального процессора, выходами сигналов синхронизации измерителей параметров импульсных сигналов и многоканального измерителя параметров непрерывных сигналов и входами сигналов синхронизации мультиплексора, регистра сигналов управления и регистра параметров блокировки сигналов, кроме вышеуказанного, блок обработки сигналов содержит арбитр измерителя мгновенной частоты, формирователь адреса, последовательно соединенные аналоговый коммутатор, аналого-цифровой преобразователь непрерывных сигналов и обнаружитель, а также аналого-цифровые преобразователи импульсных сигналов, выход каждого из которых подключен к информационному входу соответствующего измерителя параметров импульсных сигналов, а вход соединен с входом соответствующего компаратора и подключен к выходу соответствующего импульсного видеосигнала блока детекторов-усилителей импульсных и непрерывных сигналов, выходы непрерывных видеосигналов которого подключены к соответствующим входам аналогового коммутатора, управляющий вход которого и адресный вход многоканального измерителя параметров непрерывных сигналов подключены к выходу формирователя адреса, выход аналого-цифрового преобразователя непрерывных сигналов непосредственно подключен к информационному входу многоканального измерителя параметров непрерывных сигналов и через обнаружитель – к его входу сигнала обнаружения, пороговый вход обнаружителя подключен к соответствующему выходу многоканального измерителя параметров непрерывных сигналов, а выход обнаружителя соединен также с входом обнаружения непрерывных сигналов арбитра измерителя мгновенной частоты, соответствующие входы которого по сигналам обнаружения импульсных сигналов объединены с одноименными входами соответствующих измерителей параметров импульсных сигналов и подключены к выходам соответствующих компараторов, пороговые входы компараторов соединены с соответствующими выходами первой группы выходов цифроаналогового преобразователя, вторая группа выходов которого соединена с входами напряжений компенсации блока регулировки напряжений компенсации паразитной амплитудной модуляции шумов, управляющий вход которого по сигналу отключения компенсации подключен к соответствующему выходу регистра сигналов управления, входы измерителей параметров импульсных сигналов и многоканального измерителя параметров непрерывных сигналов по сигналу кода частоты, сигналу обнаружения фазовой манипуляции и фазоманипулированному видеосигналу соединены с одноименными выходами измерителя мгновенной частоты соответствующего частотного канала, выход сигнала синхронизации которого подключен к входу синхронизации арбитра измерителя мгновенной частоты, выходы которого по сигналам разрешения считывания кодов частоты подключены к одноименным входам многоканального измерителя параметров непрерывных сигналов и измерителей параметров импульсных сигналов, входы блокировки которых соединены с соответствующими выходами регистра параметров блокировки сигналов, выход регистра сигналов управления по сигналу отключения модуляции подключен к управляющему входу генератора опорных напряжений, а выходы по сигналам управления аттенюаторами входного устройства соединены с соответствующими входами последнего.
Сущность изобретения поясняется чертежами, на которых изображены:
фиг.1 – структурная схема системы обнаружения радиолокационных сигналов;
фиг.2 – структурная схема входного устройства;
фиг.3 – структурная схема двухканального блока коррекции затухания;
фиг.4 – структурная схема детектора-усилителя импульсных и непрерывных сигналов;
фиг.5 – структурная схема блока регулировки напряжений компенсации паразитной амплитудной модуляции шумов;
фиг.6 – структурная схема измерителя мгновенной частоты;
фиг.7 – структурная схема блока обработки сигналов.
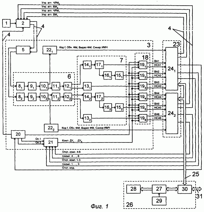
На фиг.1 структурной схемы системы обнаружения радиолокационных сигналов приняты следующие обозначения:
1 – приемная антенна, выполненная в виде широкополосной биконусной антенны с поляризатором,
2 – входное устройство,
3 – приемное устройство,
4 – протяженный кабельный тракт, по которому производится передача СВЧ-сигналов и сигналов управления и модуляции,
5 – двухканальный блок коррекции затухания (ДБКЗ),
6 – двухканальный блок усилителей и делителей мощности,
7 – блок полосовых фильтров,
81, 81 – аттенюаторы,
91, 92 – малошумящие усилители (МШУ),
101, 102 – направленные ответвители,
111, 112 – малошумящие усилители,
121, 122 – делители мощности,
131, 132, 141, 142, 151, 152 – полосовые фильтры,
161, 162 – малошумящие усилители,
171, 172 – делители мощности,
18 – блок детекторов-усилителей импульсных и непрерывных сигналов (блок ДУ ИС-НС),
191,…, 196 – детекторы-усилители импульсных и непрерывных сигналов (далее по тексту детекторы-усилители – ДУ),
20 – генератор опорных напряжений (ГОН),
21 – блок регулировки напряжений компенсации паразитной амплитудной модуляции шумов (далее по тексту – блок регулировки напряжений компенсации – РНК),
221, 222 – измерители мгновенной частоты первого и второго частотных каналов соответственно,
23 – устройство первичной обработки,
241, 242 – блоки обработки сигналов первого и второго частотных каналов соответственно,
25 – интерфейсные магистрали последовательных каналов,
26 – устройство вторичной обработки, управления и индикации,
27 – электронно-вычислительная машина, выполненная в виде одноплатной ЭВМ с обрамлением в составе оперативного и долговременного запоминающих устройств, видеоадаптера и адаптера цифрового ввода-вывода с гальванической развязкой для связи с панелью управления,
28 – индикаторное устройство,
29 – панель управления, включающая набор кнопок для ввода управляющих сигналов,
30 – блок внешних связей,
31 – интерфейсная магистраль информационного обмена с внешними системами.
Согласно фиг.1 приемная антенна 1 соединена с входным устройством 2, в котором производится разделение принятых сигналов на два частотных канала (2-8 ГГц и 8-18 ГГц) и усиление на сверхвысокой частоте. Входное устройство 2 соединено с приемным устройством 3 посредством протяженного кабельного тракта 4 (длиной 10-12 м), при этом выход сигналов соответствующего частотного канала подключен к соответствующему входу двухканального блока 5 коррекции затухания, который последовательно соединен с двухканальным блоком 6 усилителей и делителей мощности, а соответствующие выходы последнего соединены с входами сигналов первого и второго частотных каналов блока 7 полосовых фильтров.
В первом частотном канале двухканального блока 6 усилителей и делителей мощности последовательно соединены аттенюатор 81, малошумящий усилитель 91, направленный ответвитель 101, малошумящий усилитель 111 и делитель 121 мощности. Аналогично второй частотный канал содержит последовательно соединенные аттенюатор 82, малошумящий усилитель 91, направленный ответвитель 102, малошумящий усилитель 112 и делитель 122 мощности. Ко вторым выходам направленных ответвителей 101 и 102 подключены входы измерителей 221 и 222 мгновенной частоты соответственно.
В блоке 7 полосовых фильтров входы полосовых фильтров 131 (2-4 ГГц) и 141 (4-8 ГГц) подключены к выходам делителя мощности 121. К выходу полосового фильтра 141 подключен делитель 171 мощности, ко второму выходу которого через МШУ 161 подключен полосовой фильтр 151, настроенный на частоту F1 с полосой F1 (F1± F1). Первый выход делителя 171 мощности и выходы полосовых фильтров 151, 131 образуют группу выходов узкополосных сигналов в диапазоне первого частотного канала, которые подключены к информационным входам детекторов-усилителей 191, 192, 193 блока 18 ДУ ИС-НС.
Аналогично к выходам делителя мощности 122 во втором частотном канале подключены полосовые фильтры 132 (8-12 ГГц) и 142 (12-18 ГГц), а к выходу полосового фильтра 142 через делитель 172 мощности и МШУ 162 подключен полосовой фильтр 152, настроенный на частоту F2 с полосой F2 (F2± F2). Первый выход делителя 172 мощности и выходы полосовых фильтров 152, 132, на которых выделяются узкополосные сигналы в диапазоне частот второго частотного канала, подключены к информационным входам детекторов-усилителей 194, 195 и 196 блока 18 ДУ ИС-НС.
К первому выходу генератора 20 опорных напряжений подключен вход сигнала-модуляции (“Мод”) входного устройства 2, к его второй группе выходов подключены входы опорных напряжений (опорные входы) детекторов-усилителей 191,…, 196, (“Оп.ДУ1,…, 6”), а к третьей – опорные входы (“Оп.1”, “Оп.2”) блока 21 регулировки напряжений компенсации, выходы которого соединены с компенсационными входами (“Комп.ДУ1,…ДУ6”) соответствующих детекторов-усилителей 191,…, 196.
Устройство 23 первичной обработки содержит два блока 241, 242 обработки сигналов, в которых производится первичная обработка сигналов соответствующих частотных каналов и выработка сигналов управления приемным устройством. Каждый из блоков 241, 242 связан с устройством 26 вторичной обработки, управления и индикации посредством интерфейсной магистрали 25 последовательного канала (для простоты на схеме фиг.1 показан один объединенный канал).
Информационные входы блока 241 обработки сигналов первого частотного канала, на которые подаются импульсные видеосигналы (ВА1, ВА2, ВА3) и непрерывные видеосигналы (НСА1, НСА2, НСА3), соединены с соответствующими выходами группы детекторов-усилителей первого частотного канала (191, 192, 193), а входы по сигналу кода частоты (“Код f”), сигналу обнаружения фазовой манипуляции (“Обн. ФМ”), фазо-манипулированному видеосигналу (“Видео ФМ”) и сигналу готовности (синхронизации) измерителя мгновенной частоты (“Синхр. ИМЧ”) подключены к соответствующим выходам измерителя 221 мгновенной частоты. Выходы блока 241 обработки сигналов, на которых формируются сигналы управления аттенюаторами входного модуля (“Упр.атт.ВМ1”) и частотно-разделительного модуля (“Упр.атт.ЧРМ1”) первого частотного канала входного устройства 2, подключены к соответствующим входам последнего. Выход блока 241 по сигналу отключения компенсации (“Откл.комп.1-3”) и выходы, на которых формируются напряжения компенсации (“Uкомп.1”, “Uкомп.2”, “Uкомп.3”) для детекторов-усилителей первого частотного канала, подключены к соответствующим входам блока 21 регулировки напряжений компенсации, а выход, на котором формируется сигнал отключения модуляции (“Откл.мод”), подключен к управляющему входу генератора 20 опорных напряжений.
Аналогично информационные входы блока 242 обработки сигналов второго частотного канала, на которые подаются сигналы “ВА4,” “ВА5”, “ВА6”, “НСА4”, “НСА5”, “НСА6”, подключены к выходам детекторов-усилителей 194, 195, 196, а входы по сигналам “Код f”, “Обн. ФМ”, “Видео ФМ”, “Синхр.ИМЧ” подключены к выходам измерителя 222 мгновенной частоты. Выходы блока 242 по сигналам “Откл.комп.4-6”, “Uкомп.4”, “Uкомп.5”, “Uкомп.6”, подключены к соответствующим входам блока 21 регулировки напряжений компенсации, выходы по сигналам “Упр.атт.ВМ2” и “Упр.атт.ЧРМ2” – к соответствующим входам входного устройства 2.
Устройство 26 вторичной обработки, управления и индикации содержит ЭВМ 27, соединенную с индикаторным устройством 28, панелью 29 управления и блоком 30 внешних связей, к которому подключены интерфейсные магистрали 25 последовательных каналов и интерфейсная магистраль 31 информационного обмена с внешними системами.
Входное устройство 2 выполнено по схеме, приведенной на фиг.2, на которой обозначены:
32 – входной модуль (ВМ),
33 – частотно-разделительный модуль (ЧРМ),
34 – делитель мощности,
35 – фильтр нижних частот (ФНЧ),
36 – фильтр верхних частот (ФВЧ),
371, 372 – ограничители,
381, 382 – аттенюаторы входного модуля,
391, 392 – модуляторы,
401, 402 – малошумящие усилители,
411, 412 – аттенюаторы частотно-разделительного модуля,
421, 422 – МШУ,
431, 432 – полосовые фильтры (ПФ).
Как показано на фиг.2, входное устройство 2 содержит последовательно соединенные по двум входам-выходам (одного и другого частотных каналов) входной модуль 32 и частотно-разделительный модуль 33.
Во входном модуле 32 вход делителя 34 мощности является входом устройства 2. К соответствующим выходам делителя 34 мощности подключены ФНЧ 35 и ФВЧ 36. К выходу ФНЧ 35 подключены последовательно соединенные ограничитель 371, аттенюатор 381, модулятор 391 и МШУ 401, а к выходу ФВЧ 36 – последовательно соединенные ограничитель 372, аттенюатор 382, модулятор 392 и МШУ 402. Вторые входы модуляторов 391 и 392 образуют вход сигнала “Мод” входного устройства 2, а управляющие входы аттенюаторов 381, 382 – его входы по сигналам “Упр.атт.ВМ1” и “Упр.атт.ВМ2”.
Входы аттенюаторов 411 и 412 частотно-разделительного модуля 33 соединены с выходами МШУ 401 и 402 соответственно, а их управляющие входы образуют входы входного устройства 2 по сигналам “Упр.атт.ЧРМ1” и “Упр.атт.ЧРМ2”. Выходы аттенюаторов 411, 412 подключены соответственно к МШУ 421 и МШУ 422, соединенными с полосовыми фильтрами 431, 432, выходы которых служат выходами соответствующих частотных каналов входного устройства 2.
Двухканальный блок 5 коррекции затухания (ДБКЗ) предназначен для компенсации потерь высокочастотных сигналов при передаче их по кабельному тракту 4 с выравниванием амплитудно-частотных характеристик по диапазону.
Пример реализации двухканального блока 5 коррекции затухания приведен на фиг.3.
Согласно фиг.3 ДБКЗ 5 в каждом из частотных каналов содержит последовательно соединенные корректирующий фильтр 441 (442), аттенюатор 451 (452) и малошумящий усилитель 461 (462). Опорные входы МШУ 461, 462 подключены к стабилизатору 47 напряжения, а их выходы образуют выходы ДБКЗ 5. (Схема распределения электропитания не относится непосредственно к сущности изобретения и для простоты не показана).
Детекторы-усилители 191,…, 196 выполнены одинаково по схеме, представленной на фиг.4.
Входом детектора-усилителя 191 (192,…, 196) является вход направленного ответвителя 48. К первому выходу направленного ответвителя через детектор 49 подключен предварительный видеоусилитель 50, охваченный обратной связью по цепочке из усилителя 51 и блока 52 автоматической регулировки усиления шума (ШАРУ). Выход предварительного видеоусилителя 50 соединен с логарифмическим видеоусилителем 53, на выходе которого формируется импульсный видеосигнал “ВА1” (“ВА2”,…, “ВА6”) соответствующего частотного диапазона.
Ко второму выходу направленного ответвителя 48 подключена цепь, включающая последовательно соединенные малошумящий усилитель 54, детектор 55, предварительный видеоусилитель 56, охваченный обратной связью по цепочке из усилителя 57 и блока 58 ШАРУ, усилитель-ограничитель 59, логарифмический видеоусилитель 60, блок 61 выборки-хранения и фильтр 62 (400 Гц), на выходе которого формируется непрерывный видеосигнал “НСА1” (“НСА2”,…, “НСА6”) соответствующего частотного диапазона. Опорным входом “Оп.ДУ1” (“Оп.ДУ2”,…, “Оп.ДУ6”) детектора-усилителя 191 (192,…196) является второй вход блока 61 выборки-хранения, а компенсационным “Комп.ДУ1” (“Комп.ДУ2”,…, “Комп.ДУ6”) – второй вход (опорного напряжения) логарифмического усилителя 60.
Блок 21 регулировки напряжений компенсации паразитной амплитудной модуляции шумов выполнен по схеме фиг.5, включающей усилители 631,…, 636 и ключи 641,…, 646, 651, 652.
Согласно фиг.5 входы усилителей 631,…, 636 образуют входы сигналов компенсации “Uкомп1”,…, “Uкомп.6” соответственно блока 21 РНК.
Опорный вход по сигналу “Оп.1” и управляющий вход по сигналу “Откл.комп.1-3” блока 21 РНК образованы сигнальным и управляющим входами ключа 651, к выходу которого подключены управляющие входы ключей 641, 642, 643 сигнальные входы которых соединены с выходами усилителей 631, 632, 633 соответственно, а выходы образуют выходы блока 21 РНК по сигналам “Комп.ДУ1”, “Комп.ДУ2” и “Комп.ДУ3”.
Опорный вход по сигналу “Оп.2” и управляющий вход по сигналу “Откл.комп.4-6” блока 21 РНК образованы сигнальным и управляющим входами ключа 652, к выходу которого подключены управляющие входы ключей 644, 645, 646, сигнальные входы которых соединены с выходами усилителей 634, 635 и 636 соответственно, а выходы образуют выходы блока 21 РНК по сигналам “Комп.ДУ4”, “Комп.ДУ3” и “Комп.ДУ6”.
Измерители 221 и 222 мгновенной частоты (ИМЧ) выполнены по схеме, приведенной на фиг.6, на которой обозначены:
66 – полосовой фильтр,
67 – генератор калибровочной частоты,
68 – переключатель каналов (основного и калибровочного),
69 – усилитель-ограничитель,
70 – многоканальный делитель мощности,
711,…, 715 – частотные дискриминаторы,
721,…, 7210 – дифференциальные усилители,
731,…, 7310 – аналого-цифровые преобразователи (АЦП),
74 – программируемое запоминающее устройство (ПЗУ),
75 – блок обнаружения фазоманипулированных сигналов.
Согласно фиг.6 к соответствующим входам переключателя 68 каналов подключены выход генератора 67 калибровочной частоты и выход полосового фильтра 66, вход которого является входом ИМЧ 221 (222). Выход переключателя 68 каналов через усилитель-ограничитель 69 соединен с входом многоканального делителя 70 мощности, к соответствующим выходам которого подключены входы частотных дискриминаторов 711,…, 715. Выходы каждого частотного дискриминатора 711,…, 715, на которых формируются квадратурные составляющие опорного (входного) сигнала и сигнала, задержанного относительно опорного, через последовательно соединенные соответствующие дифференциальные усилители 721,…, 7210 и АЦП 731,…, 7310 соединены с входами ПЗУ 74, на выходах которого формируются сигнал кода частоты “Код f” и сигнал готовности (синхронизации) “Синхр.ИМЧ”, образующие одноименные выходы ИМЧ 221 (222).
Выходы одного из частотных дискриминаторов (715) подключены также к входу блока 75 обнаружения фазовой манипуляции, выходы которого образуют выходы ИМЧ 221 (222) по сигналам “Обн.ФМ” и “Видео ФМ”.
Блоки 241, 242 обработки сигналов предназначены для обработки сигналов соответствующих частотных каналов и формирования управляющих сигналов для приемного устройства. Блоки 241, 242 выполнены аналогично и отличаются только наличием дополнительного сигнала “Откл.мод”, который может формироваться на выходе либо одного, либо другого из блоков 241, 242.
На фиг.7 примера схемной реализации БОС 241 обозначены:
76 – блок аналого-цифровых преобразователей, включающий три аналого-цифровых преобразователя импульсных сигналов,
77 – блок компараторов, включающий три компаратора,
78 – аналоговый коммутатор,
79 – аналого-цифровой преобразователь непрерывных сигналов,
80 – обнаружитель,
81 – формирователь адреса,
821, 822, 823 – измерители параметров импульсных сигналов,
83 – многоканальный измеритель параметров непрерывных сигналов,
84 – арбитр измерителя мгновенной частоты,
85 – мультиплексор,
86 – интерфейсная магистраль прямого доступа,
87 – контроллер магистрали прямого доступа,
88 – регистр параметров блокировки сигналов,
89 – регистр сигналов управления,
90 – цифровой сигнальный процессор (ЦСП),
91 – оперативное запоминающее устройство (ОЗУ),
92 – долговременное запоминающее устройство (ДЗУ),
93 – контроллер последовательных каналов,
94 – системная интерфейсная магистраль,
95 – цифроаналоговый преобразователь (ЦАП),
96 – тактовый генератор,
97 – синхронизатор.
Согласно фиг.7 цифровой сигнальный процессор 90 соединен посредством системной интерфейсной магистрали 94 с ОЗУ 91, ДЗУ 92 и контроллером 93 последовательных каналов, к которому подключена интерфейсная магистраль 25 последовательного канала. ЦАП 95 подключен к выходу последовательного интерфейса ЦСП 90.
Информационные выходы измерителей 821, 822, 823 параметров импульсных сигналов и многоканального измерителя 83 параметров непрерывных сигналов подключены к соответствующим входам мультиплексора 95, который связан с цифровым сигнальным процессором 90 посредством интерфейсной магистрали 86 прямого доступа, к которой подключены также регистр 89 сигналов управления и регистр 88 параметров блокировки сигналов. Выходы сигналов синхронизации “СИ1”, “СИ2”, “СИЗ” измерителей 821, 822, 823 и сигналов синхронизации “СИ НС 1-3” многоканального измерителя 83 подключены к контроллеру 87 магистрали прямого доступа, который соединен с входом-выходом сигналов синхронизации цифрового сигнального процессора 90 и входами сигналов синхронизации мультиплексора 85, регистра 88 параметров блокировки сигналов и регистра 89 управляющих сигналов.
Вход каждого из аналого-цифровых преобразователей блока 76 АЦП, соединенный с входом соответствующего компаратора блока 77 компараторов, образует вход импульсного видеосигнала (“ВА1” “BA2”, “ВА3”) соответствующего частотного диапазона БОС 241. Выход каждого АЦП блока 76, на котором формируется восьмиразрядный код амплитуды импульсного видеосигнала соответствующего частотного диапазона, подключен к информационному входу соответствующего измерителя 821 (822, 823) параметров импульсных сигналов.
Входы аналогового коммутатора 78 образуют информационные входы БОС 241 по сигналам “НСА1”, “НСА2”, “НСА3”, его выход соединен с АЦП 79, а его управляющий вход и адресный вход многоканального измерителя 83 параметров непрерывных сигналов подключены к выходу формирователя 81 адреса. Выход АЦП 79 непрерывных сигналов, на котором последовательно формируются восьмиразрядные коды амплитуды непрерывных видеосигналов соответствующих частотных диапазонов, подключен к информационному входу многоканального измерителя 83 параметров непрерывных сигналов и входу обнаружителя 80, пороговый вход (“Порог”) которого подключен к соответствующему выходу многоканального измерителя 83 параметров непрерывных сигналов.
Выход обнаружителя 80, на котором формируется сигнал обнаружения непрерывного сигнала “СО НСА”, подключен к одноименным входам многоканального измерителя 83 параметров непрерывных сигналов и арбитра 84 измерителя мгновенной частоты, соответствующие входы которого по сигналам обнаружения импульсных сигналов (“СO1”, “СO2”, “СО3”) соединены с одноименными входами соответствующих измерителей 821, 822, 823 параметров импульсных сигналов и подключены к выходам соответствующих компараторов блока 77 компараторов.
Пороговые входы компараторов блока 77 соединены с группой выходов цифроаналогового преобразователя 95, на которых формируются сигналы порога обнаружения в соответствующем частотном диапазоне (для простоты показана одна линия связи).
Вторая группа выходов ЦАП 95, на которых формируются напряжения компенсации “Uкомп.1”, “Uкомп.2”, “Uкомп.3” для передачи в блок 21 РНК приемного устройства, образует одноименные выходы БОС 241.
Входы БОС 241 по сигналам “Код f”, “Обн.ФМ”, “Видео ФМ” образованы объединенными между собой одноименными входами измерителей 821, 822, 823 параметров импульсных сигналов и многоканального измерителя 83 параметров непрерывных сигналов, входы которых по сигналам разрешения (подтверждения) считывания кодов частоты “Подтв.ИМЧ 1”, “Подтв.ИМЧ 2”, “Подтв.ИМЧ 3” и “Подтв.ИМЧ НС” подключены к соответствующим выходам арбитра 84 измерителя мгновенной частоты. Входы сигналов блокировки “Бл.ИС1”, “Бл.ИС2”, “Бл.ИС2” измерителей 821, 822, 823 импульсных сигналов и сигналов блокировки “Бл.НС” многоканального измерителя 83 непрерывных сигналов соединены с соответствующими выходами регистра 88 параметров блокировки сигналов.
Выходы регистра 89 сигналов управления, на которых формируются сигналы “Откл.мод”, “Откл.комп.1-3”, “Упр.атт.ВМ1”, “Упр.атт.ЧРМ1”, образуют одноименные выходы БОС 241.
Выход тактового генератора 96 соединен с входами тактовой частоты контроллера 93 последовательных каналов, цифрового сигнального процессора 90 и синхронизатора 97, выход которого соединен с входом синхронизации формирователя 81 адреса.
Система обнаружения радиолокационных сигналов работает следующим образом.
Принятые антенной 1 радиолокационные сигналы поступают через делитель 34 мощности (см. фиг.2) на фильтр 35 нижних частот и фильтр 36 верхних частот, которые разделяют сигналы по частоте на два канала приема: от 8 ГГц и ниже и от 8 ГГц и выше. В каждом из частотных каналов сигналы поступают на ограничители 371, (372), которые осуществляют защиту малошумящих усилителей при приеме сильных сигналов. Далее сигналы поступают на управляемые аттенюаторы 381 (382), обеспечивающие при поступлении команд “Упр.атт.ВМ1”, “Упр.атт.ВМ2” ослабление сигналов на величину порядка 20 ДБ.
Указанные сигналы управления аттенюаторами выдаются оператором с панели 29 управления устройства 26 вторичной обработки, управления и индикации, формируются в ЭВМ 27 и через интерфейсные магистрали 25 последовательных каналов передаются в блок 241, (242) обработки сигналов, в котором (см. фиг.7) через контроллер 93 последовательных каналов по системной интерфейсной магистрали 94 поступают в цифровой сигнальный процессор 90, а из него по магистрали 86 прямого доступа – на управляющий вход соответствующего регистра 89 сигналов управления, с выхода которого управляющий сигнал “Упр.атт.ВМ1” (“Упр.атт.ВМ2”) передается на управляющий вход аттенюатора 381 (382).
Для возможного приема непрерывных сигналов СВЧ-сигналы модулируются полупроводниковыми модуляторами 391, 392, управляющее напряжение “Мод” на которые поступает с выхода генератора 20 опорных напряжений. Сигналы с выхода модуляторов 391, 392 поступают на малошумящие усилители 401, 402, которые обеспечивают необходимое усиление (порядка 30 дБ), а затем в частотно-разделительный модуль 33.
В ЧРМ 33 принятые сигналы поступают на управляемые аттенюаторы 411, 412, которые обеспечивают их ослабление на величину порядка 15 дБ при поступлении команд “Упр.атт.ЧРМ1”, “Упр.атт.ЧРМ2”. Команды управления аттенюаторами 391, 392 выдаются оператором с панели 29 управления аналогично сигналам управления аттенюаторами входного модуля. Далее сигналы с выхода аттенюаторов через малошумящие усилители 421, 422 с коэффициентом усиления порядка 20 дБ и полосовые фильтры 431, 432, выделяющие сигналы с полосой 2-8 ГГц и 8-18 ГГц, поступают в кабельные тракты 4 передачи СВЧ-сигналов от антенно-усилительного устройства к приемному устройству 3.
В результате прохождения кабельных трактов длиной 10-12 метров СВЧ-сигналы имеют значительное ослабление, неравномерное в диапазоне рабочих частот. Для устранения влияния этой неравномерности в динамическом диапазоне приемного устройства введен блок 5 коррекции затухания, выравнивающий частотную характеристику СВЧ-трактов (см. фиг.3).
Частотная характеристика ДБКЗ 5 формируется раздельно в диапазонах 2-8 ГГц и 8-18 ГГц посредством корректирующих фильтров 441, 442, вносящих на нижней частоте диапазона ослабление на 10 дБ большее, чем на верхней частоте. С выходов корректирующих фильтров 441, 442 сигналы через аттенюаторы 451, 452 (ослабление 6 дБ) поступают на входы малошумящих усилителей 461, 462, обеспечивающих необходимое усиление не менее 20 дБ. Аттенюаторы 451, 452 обеспечивают развязку по входам МШУ 461, 462.
С выходов ДБКЗ 5 СВЧ-сигналы подаются на входы двухканального блока 6 усилителей и делителей мощности, где после дополнительного усиления в МШУ 91, 92 (15 дБ) поступают на направленные ответвители 101, 102, которые подают часть мощности СВЧ-сигналов на измерители 221, 222 мгновенной частоты.
Другая часть мощности после дополнительного усиления МШУ 111, 112 (13 дБ) через делители 121, 122 мощности подается на полосовые фильтры 131, 141, 132, 142, которые выделяют в каждом частотном канале приема по два узкополосных диапазона: 2-4 ГГц, 4-8 ГГц, 8-12 ГГц, 12-18 ГГц. Такое разделение обеспечивает мгновенное обнаружение излучений во всем широком диапазоне частот и повышает чувствительность приемного устройства. Для обнаружения слабых сигналов в определенных узкополосных участках частотного диапазона эти участки выделены посредством делителей 171, 172 мощности и полосовых фильтров 151, 152 в специальные каналы приема на частотах F1± F1 и (F2± F2). В этих каналах предусмотрено дополнительное усиление сигнала посредством МШУ 161, 162 (10 дБ). Таким образом, в блоке 7 полосовых фильтров выделяется шесть узкополосных частотных диапазонов и каждый из выделенных сигналов подается на соответствующий детектор-усилитель 191,…, 196 блока 18 детекторов-усилителей импульсных и непрерывных сигналов.
Для получения высокой чувствительности приемного устройства по непрерывным сигналам в детекторах-усилителях 191,…, 196 используется метод раздельного детектирования и последующего усиления импульсных и непрерывных сигналов.
Входной сигнал разделяется в детекторе-усилителе 191 (192,…, 196) посредством направленного ответвителя 48 на каналы обработки импульсных и непрерывных сигналов (см. фиг.4).
В импульсном канале СВЧ-сигналы поступают на детектор 49, продетектированные сигналы подаются на предварительный видеоусилитель 50 со схемой 52 ШАРУ, затем на логарифмический видеоусилитель 53, на выходе которого формируется импульсный видеосигнал “ВА1” (“ВА2”,…, “ВА6”) соответствующего частотного диапазона. Блок 52 ШАРУ осуществляет поддержание постоянного уровня шумов на выходе предварительного видеоусилителя 50 при изменении уровня входных шумов.
При обработке непрерывных сигналов производится дополнительное усиление посредством МШУ 54 с коэффициентом усиления 10 дБ, детектирование посредством детектора 55. Продетектированные сигналы подаются на предварительный видеоусилитель 56 со схемой 58 ШАРУ, затем на усилитель-ограничитель 59, логарифмический видеоусилитель 60, блок 61 выборки-хранения и фильтр 62 нижних частот, на выходе которого формируется узкополосный непрерывный видеосигнал “НСА” соответствующего частотного диапазона.
Видеоусилитель-ограничитель 59 препятствует просачиванию импульсных сигналов, значительно превышающих уровень шумов, в канал обработки непрерывных сигналов.
Блок 61 выборки-хранения с переменной постоянной времени и фильтр 62 нижних частот с полосой 400 Гц представляют собой синхронный детектор, обеспечивающий демодуляцию непрерывного сигнала, модулированного напряжением “Мод”, подаваемым на модулятор 39 генератором 20 опорных напряжений. Блок 61 выборки-хранения синхронно управляется опорным напряжением “Оп.ДУ1” (“Оп.ДУ2”,…, “Оп.ДУ6”) от генератора 20 опорных напряжений, обеспечивая быстрое нарастание выходного напряжения в интервалы, когда модулятор 39 входного модуля 32 открыт, и сохранение выходного напряжения при закрытом модуляторе.
Предварительные и логарифмические видеоусилители, а также схемы ШАРУ выполнены в виде специализированных микросхем на основе базовых матричных кристаллов (БМК), что позволяет существенно уменьшить габариты видеочастотных схем приемного устройства и реализовать высокостабильные видеоусилители с большим коэффициентом усиления.
Логарифмический видеоусилитель 60 в канале обработки непрерывных сигналов имеет специальный компенсационный вход (второй) для подачи компенсирующего напряжения “Комп.ДУ1” (“Комп.ДУ2”,…, “Комп.ДУ6”), вырабатываемого блоком 21 регулировки напряжений компенсации.
Блок 21 РНК предназначен для выработки напряжения компенсации паразитной амплитудной модуляции (ПАМ) шумов, возникающей при работе модулятора и способной привести к появлению ложного непрерывного видеосигнала на выходе детектора-усилителя 191 (192,…, 196).
Блок 21 РНК (см. фиг.5) вырабатывает шесть компенсационных сигналов “Комп.ДУ1”,…, “Комп.ДУ6”, каждый из которых предназначен для подачи на логарифмический видеоусилитель 60 соответствующего детектора-усилителя 191,…, 196. На входы “Uкомп.1”,…, “Uкомп.6” блока 21 РНК из цифроаналоговых преобразователей 95 блоков 241, 242 обработки сигналов поступают положительные входные напряжения компенсации (от 0 до 2 В), которые с помощью усилителей 631,…, 636 усиливаются и переводятся в область значений от -4В до +4В. Далее эти напряжения с помощью ключей 641,…, 646 и подаваемого на них через открытые ключи 651, 652 опорного напряжения “Оп.1” (“Оп.2”) от генератора 20 опорных напряжений преобразуются в меандр с частотой модуляции “Мод” и подаются на входы компенсации логарифмических видеоусилителей 60 детекторов-усилителей 191,…, 196.
Полярность и амплитуда выходных напряжений компенсации блока 21 РНК устанавливаются таким образом, чтобы при суммировании на логарифмическом видеоусилителе 60 компенсирующее напряжение и сигнал паразитной амплитудной модуляции были в противофазе и равны по амплитуде.
Установка компенсирующих напряжений “Uкомп.1”,…, “Uкомп.6” производится при регулировке приемного устройства 3 в составе системы обнаружения радиолокационных сигналов путем подачи с панели 29 управления в блоки 241 и 242 кода амплитуды напряжений компенсации через интерфейсную магистраль 25, контроллер 93 последовательных каналов по системной интерфейсной магистрали 94 в цифровой сигнальный процессор 90, из которого через выход последовательного порта – в цифроаналоговый преобразователь 95.
Через ключи 651, 662 блока 21 РНК подачей на их управляющие входы управляющих сигналов “Откл.комп.1-3” (“Откл.комп.4-6”) с панели 29 управления через блок 241 (242) обработки сигналов производится отключение компенсирующего напряжения на время включения управляемых аттенюаторов 381, 382 входного модуля 32, так как при этом паразитная амплитудная модуляция шумов отсутствует.
Генератор 20 опорных напряжений синхронно вырабатывает сигнал модуляции “Мод” и сигналы опоры, поступающие на опорные входы детекторов-усилителей 191,…, 196 и блока 21 РНК. Прекращение выдачи модулирующих и опорных сигналов производится управляющим сигналом “Откл. мод.”, выдаваемым оператором с панели 29 управления через интерфейсную магистраль 25 последовательных каналов в блок 241 (или 242) обработки сигналов, в котором указанный сигнал передается по системной интерфейсной магистрали 94 в ЦСП 90, а из него по магистрали 86 прямого доступа в регистр 89 сигналов управления, с которого поступает на управляющий вход ГОН 20. В системе предусмотрена возможность использования дополнительных значений частоты модулирующих и опорных сигналов (путем перепрограммирования).
Измерение мгновенной несущей частоты СВЧ-сигнала осуществляют измерители 221, 222 мгновенной частоты (см. фиг.6).
СВЧ-сигнал, поступающий на вход ИМЧ 221, (222) после полосового фильтра 66, ограничивающего рабочий диапазон входных частот, подается через переключатель 68 каналов на усилитель-ограничитель 69, обеспечивающий усиление сигналов на 55-60 дБ и ограничение сигналов по амплитуде, и далее на многоканальный делитель 70 мощности, разделяющий мощность сигнала на несколько ступеней измерения. Основными измерительными элементами ИМЧ 221 (222) являются частотные дискриминаторы 711,… 715. Каждый частотный дискриминатор 71 содержит делитель мощности на два канала, один из которых является опорным, а другой содержит линию задержки с известным временем задержки. Кроме того, каждый частотный дискриминатор имеет фазовый детектор, позволяющий измерять разность фаз между опорным каналом и каналом с линией задержки. Линии задержки обеспечивают постоянное время задержки сигнала независимо от его частоты, т.е. являются недисперсионными. Каждый фазовый детектор обеспечивает разрешение по фазе не более 11,25°. Фазовый детектор имеет два квадратурных канала, каждый из которых содержит направленный ответвитель и два амплитудных детектора.
Для получения достаточной точности и однозначности измерения частоты в требуемом диапазоне частот используется несколько ступеней измерения частоты, реализуемых набором из нескольких частотных дискриминаторов 711,…, 715, содержащих линии задержки кратной длины. Дискриминаторы с короткими линиями задержки обеспечивают однозначность измерения частоты, а с длинной линией задержки – разрешающую способность и точность измерения частоты. Каждый дискриминатор 711 (712,…, 715) соединен с двумя дифференциальными усилителями 721-722 (723-724,…, 729-7210) с полосой частот 10 МГц каждый и коэффициентом усиления 1000. После усиления и аналого-цифрового преобразования в АЦП 731,…, 7310 сигналы поступают в ПЗУ 74, а из него – на входы “Кодf” измерителей 821, 822, 823 параметров импульсных сигналов и многоканального измерителя 83 параметров непрерывных сигналов в блоках 241, 242 обработки сигналов.
АЦП 731 (732,…, 7310) каждого дискриминатора вырабатывает непозиционный код (код Джонсона или код Грея) частоты (фазы) сигнала, младшие разряды которого используются для устранения неоднозначности измерения частоты (фазы) в частотных дискриминаторах с линиями задержки меньшей длины.
В ПЗУ 74 непозиционные коды каждого из дискриминаторов одного ИМЧ преобразуются за время не более 200 нс в 12-разрядный двоичный позиционный код частоты, при этом ИМЧ 22 выдает сигнал готовности (синхронизации), поступающий на вход синхронизации арбитра 84 измерителя мгновенной частоты блока 241 (242) обработки сигналов. При этом арбитр 84 ИМЧ формирует сигналы разрешения считывания кодов частоты, по которым производится считывание информации из ПЗУ 74 и передача ее в измерители 82 параметров импульсных сигналов и в многоканальный измеритель 83 параметров непрерывных сигналов.
Блок 75 обнаружения фазоманипулированных сигналов осуществляет опознавание ФМ-сигналов путем подсчета числа переходов фазы (0°, 180°) и после 10 -манипуляций выдает сигнал “Обн.ФМ” на входы измерителей 82 параметров импульсных сигналов и вход измерителя 83 параметров непрерывных сигналов в БОС 241 (242). После этого ИМЧ 221 (222) выдает сигнал “Видео ФМ” в виде последовательности импульсов, совпадающих по времени с моментами переключения фазы входного сигнала.
Импульсные и непрерывные видеосигналы, сформированные на выходах детекторов-усилителей 191, 192, 193 первого частотного канала (2-8) ГГц, поступают для дальнейшей обработки на информационные входы блока 241 обработки сигналов, а видеосигналы, сформированные на выходах детекторов-усилителей 193, 194, 195 второго частотного канала (8-18) ГГц, поступают в БОС 242.
В каждом канале обработки блок обработки сигналов осуществляет:
– обнаружение сигналов по факту превышения постоянного порога обнаружения;
– измерение параметров импульса: амплитуды, длительности, периода импульсной последовательности (только для импульсных сигналов);
– определение нижней и верхней несущей частоты принятого сигнала, определение признака линейно-частотной модуляции;
– определение числа фазовых переходов ФМ-сигнала;
– объединение импульсов одного источника в пачки с присвоением условного номера источника;
– вычисление усредненных параметров импульсов в пачке;
– выделение главного лепестка диаграммы направленности (ДН) источника и определение его ширины и момента появления;
– сопровождение сигналов источника;
– формирование формуляров с параметрами сигналов источников.
Блок 241 (242) обработки сигналов функционирует следующим образом. (В дальнейшем для простоты рассматривается пример функционирования блока 241).
После включения питания по сигналу от схемы контроля (для простоты не показана) выполняется загрузка программно-математического обеспечения цифрового сигнального процессора 90 из ДЗУ (флэш-памяти) 92. Затем ЦСП 90 через технологический последовательный порт SPORTO выполняет загрузку программируемых логических интегральных схем, на которых реализованы измерители 82, 83 параметров сигналов, программой конфигурации, хранящейся в ДЗУ 92. После этого блок обработки сигналов готов к работе.
Импульсные видеосигналы “ВА1”, “ВА2”, “ВА3” с выходов детекторов-усилителей 191, 192, 193 поступают на соответствующие аналого-цифровые преобразователи блока 76 АЦП, которые осуществляют преобразование амплитуды в 8-разрядный код с тактом 50 нс. Обнаружение импульсных сигналов для уменьшения времени задержки выполняется на аналоговых компараторах блока 77 компараторов. Напряжение порога обнаружения формируется на первой группе выходов цифроаналогового преобразователя 95 с управлением по последовательному каналу от ЦСП 90. Это позволяет осуществлять ручную (с панели 29 управления устройства 26 вторичной обработки информации через ЭВМ 27 и блок 30 внешних связей далее по интерфейсной магистрали 25, через контроллер 93 последовательных каналов и системную интерфейсную магистраль 94 в ЦСП 90) или автоматическую подстройку порога обнаружения.
Другие выходы ЦАП 95 используются для формирования напряжений компенсации (U комп.1, U комп.2, U комп.3) для блока 21 РНК приемного устройства.
Непрерывные видеосигналы “НСА1”, “НСА2”, “НСА3” с выходов детекторов-усилителей 191, 192, 193 сначала поступают на аналоговый коммутатор 78 и далее по очереди на АЦП 79. Обнаружение этих сигналов осуществляется по коду амплитуды, который передается на вход обнаружителя 80 из АЦП 89 синхронно с сигналом “Порог” из многоканального измерителя 83 параметров и синхронно с сигналом адреса канала непрерывного сигнала, который передается с выхода формирователя 81 адреса на адресный вход измерителя 83 и управляющий вход аналогового коммутатора 78.
Логика взаимодействия с измерителем 221 мгновенной частоты реализована измерителями 82, 83 параметров сигналов, на соответствующие входы которых поступает 12-разрядный код мгновенной несущей частоты сигнала. Фиксация кода частоты производится по переднему фронту сигналов обнаружения “СО1”, “СО2”, “СО3”, поступающих на измерители 82 с выходов блока 77 компараторов и сигналов “СО НСА”, поступающих в измеритель 83 с выхода обнаружителя 80. При наличии указанных сигналов в соответствующих частотных диапазонах, поступающих также на входы арбитра 84 измерителя мгновенной частоты, и наличии сигнала синхронизации с выхода ИМЧ 221, поступающего на вход синхронизации арбитра 84, на соответствующих выходах арбитра формируются сигналы “Подтв.ИМЧ1”, “Подтв.ИМЧ2”, “Подтв.ИМЧ3”, “Подтв.ИМЧ НС” разрешения (подтверждения) считывания кодов частоты, поступающие на управляющие входы измерителей 821, 822, 823, 83. Далее выборки кода частоты этого импульса делаются с тактом 300 не. В случае одновременного появления сигналов в двух или более каналах арбитр 84 блокирует считывание и отмечает такие ситуации специальным признаком в формуляре импульса.
В измерителях 821, 822 823, 83 параметров импульсных сигналов, практически не имеющих ограничений по пропускной способности, программно формируются формуляры сигналов (время прихода, амплитуда, длительность (импульсного сигнала), период импульсной последовательности, несущая частота), которые через мультиплексор 85 передаются в цифровой сигнальный процессор 90 по магистрали 86 прямого доступа в память.
Для предотвращения перегрузки ЦСП 90 в условиях чрезмерного потока сигналов от отдельных источников предусмотрена программа режекции сигналов по параметрам. Параметры режектируемых сигналов передаются от ЦСП 90 по магистрали 86 прямого доступа в регистр 88 параметров блокировки сигналов и под управлением контроллера 87 магистрали прямого доступа поступают на входы блокировки измерителей 821, 822 823, 83 параметров сигналов.
Программная обработка сигналов от источников в ЦСП 90 включает три фазы: “захват” с формированием первичного формуляра источника, измерение параметров с формированием полного формуляра источника и сопровождение с периодическим формированием упрощенного формуляра источника излучения. В каждой из перечисленных фаз выполняются следующие стадии обработки формуляров импульсов. На первой выполняется объединение формуляров в пачки импульсов от одного источника излучения. На второй выполняется уточнение и измерение параметров сигналов в пачках, в частности определение параметров огибающей пачек: максимальной амплитуды, временного положения и ширины главного лепестка ДН. На третьей выполняется формирование и передача формуляра с параметрами источника излучения в устройство 26 вторичной обработки информации.
В ЦСП 90 могут одновременно обрабатываться сигналы до 255 источников. Система программной обработки формуляров импульсов имеет ограничение в пропускной способности на уровне 100 тысяч импульсов в секунду.
Обмен информацией с устройством 26 вторичной обработки осуществляется по двум магистралям 25 последовательных каналов RS 422A через контроллер 93 последовательных каналов типа UART. Управление процессом обмена осуществляет ЭВМ 27. Сообщения содержат либо команды управления процессом обработки данных в БОС 241, 242 или команды управления приемным устройством 3 либо содержат запрос на передачу формуляров сигналов.
ЭВМ 27 осуществляет формирование и сопровождение формуляров целей, классификацию целей путем сравнения полученных формуляров с имеющимися в памяти априорными данными (классификационной библиотекой), выработку сигнала наличия опасной цели, формирование информации для отображения на индикаторном устройстве 28, формирование и выдачу в блоки 24 обработки сигналов команд управления системой.
Кроме этого, предусмотрены связи системы обнаружения радиолокационных сигналов с внешними и системами через блок 30 внешних связей по стандартным интерфейсным магистралям 31.
Таким образом, предлагаемая система обеспечивает прием, обработку и классификацию как непрерывных и импульсных, так и фазоманипулированных радиолокационных сигналов в широком частотном диапазоне.
Введение блока коррекции затухания позволяет устранить искажение сигналов при прохождении протяженных кабельных трактов и использовать пространственно удаленное от аппаратуры обработки информации антенное устройство, что позволяет учесть конструктивные особенности объекта, на котором размещается система, не ухудшая ее технических характеристик.
Использование в устройствах обработки информации программируемых логических элементов, цифровых сигнальных процессоров и унифицированных элементов вычислительных систем обеспечивает высокое быстродействие системы, позволяет расширять круг решаемых задач и интегрировать систему в единую сеть информационного обеспечения и управления объектом.
Представленные чертежи и описание системы позволяют, используя существующую элементную базу, изготовить систему промышленным способом и использовать для обнаружения радиолокационных сигналов, что характеризует предлагаемое изобретение как промышленно применимое.
Список литературы
1. Патент РФ №2124221, МПК G 01 S 13/42, публикация 27.12.98 г.
2. Патент РФ №2166769, МПК G 01 S 13/02, публикация 10.05.2001 г., прототип.
Формула изобретения
Система обнаружения радиолокационных сигналов, содержащая последовательно соединенные приемную антенну, входное устройство, в котором производится разделение принятых сигналов на два частотных канала и регулируемое усиление на сверхвысокой частоте, и приемное устройство, включающее блок детекторов-усилителей импульсных и непрерывных сигналов, кроме этого, содержащая блок обработки сигналов, соединенный посредством интерфейсной магистрали последовательного канала с устройством вторичной обработки, управления и отображения, выполненным на основе электронно-вычислительной машины, отличающаяся тем, что входное устройство выполнено с дополнительной возможностью модуляции непрерывных сигналов, а его соединение с приемным устройством выполнено в виде протяженного кабельного тракта, приемное устройство дополнительно содержит последовательно соединенные по входам-выходам сигналов соответствующих частотных каналов двухканальный блок коррекции затухания, двухканальный блок усилителей и делителей мощности и блок полосовых фильтров, в котором производится дополнительное разделение сигналов каждого частотного канала на узкополосные частотные диапазоны, а также измерители мгновенной частоты одного и другого частотных каналов, входы которых подключены к соответствующим выходам двухканального блока усилителей и делителей мощности, блок регулировки напряжений компенсации паразитной амплитудной модуляции шумов, выходы которого соединены с соответствующими компенсационными входами блока детекторов-усилителей импульсных и непрерывных сигналов, и генератор опорных напряжений, к соответствующим выходам которого подключены вход модуляции входного устройства, опорные входы блока регулировки напряжений компенсации паразитной амплитудной модуляции шумов и опорные входы блока детекторов-усилителей импульсных и непрерывных сигналов, информационные входы которого соединены с соответствующими выходами блока полосовых фильтров, кроме вышеуказанного, в систему введен второй блок обработки сигналов, соединенный посредством интерфейсной магистрали последовательного канала с устройством вторичной обработки, управления и отображения, при этом каждый блок обработки сигналов предназначен для первичной обработки сигналов соответствующего частотного канала и содержит цифровой сигнальный процессор, соединенный посредством системной интерфейсной магистрали с оперативным запоминающим устройством, долговременным запоминающим устройством и контроллером последовательных каналов, к которому подключена интерфейсная магистраль последовательного канала, цифроаналоговый преобразователь, подключенный к выходу последовательного интерфейса цифрового сигнального процессора, измерители параметров импульсных сигналов по количеству узкополосных частотных диапазонов частотного канала и многоканальный измеритель параметров непрерывных сигналов, информационные выходы которых подключены к соответствующим входам мультиплексора, связанного с цифровым сигнальным процессором посредством интерфейсной магистрали прямого доступа, к которой подключены также регистр сигналов управления и регистр параметров блокировки сигналов, контроллер магистрали прямого доступа, соединенный с входом-выходом сигналов синхронизации цифрового сигнального процессора, выходами сигналов синхронизации измерителей параметров импульсных сигналов и многоканального измерителя параметров непрерывных сигналов и входами сигналов синхронизации мультиплексора, регистра сигналов управления и регистра параметров блокировки сигналов, кроме вышеуказанного, каждый блок обработки сигналов содержит тактовый генератор, синхронизатор, арбитр измерителя мгновенной частоты, формирователь адреса, последовательно соединенные аналоговый коммутатор, аналого-цифровой преобразователь непрерывных сигналов и обнаружитель непрерывных сигналов, а также аналого-цифровые преобразователи импульсных сигналов, выход каждого из которых подключен к информационному входу соответствующего измерителя параметров импульсных сигналов, а вход соединен с входом соответствующего компаратора и подключен к выходу соответствующего импульсного видеосигнала блока детекторов-усилителей импульсных и непрерывных сигналов, выходы непрерывных видеосигналов которого подключены к соответствующим входам аналогового коммутатора, выход аналого-цифрового преобразователя непрерывных сигналов непосредственно подключен к информационному входу многоканального измерителя параметров непрерывных сигналов и через обнаружитель непрерывных сигналов – к его входу сигнала обнаружения, пороговый вход обнаружителя непрерывных сигналов подключен к соответствующему выходу многоканального измерителя параметров непрерывных сигналов, выход обнаружителя непрерывных сигналов соединен также с входом обнаружения непрерывных сигналов арбитра измерителя мгновенной частоты, соответствующие входы которого по сигналам обнаружения импульсных сигналов объединены с одноименными входами соответствующих измерителей параметров импульсных сигналов и подключены к выходам соответствующих компараторов, пороговые входы компараторов соединены с соответствующими выходами первой группы выходов цифроаналогового преобразователя, вторая группа выходов которого соединена с входами напряжений компенсации блока регулировки напряжений компенсации паразитной амплитудной модуляции шумов, управляющий вход которого по сигналу отключения компенсации подключен к соответствующему выходу регистра сигналов управления, выход которого по сигналу отключения модуляции подключен к управляющему входу генератора опорных напряжений, входы измерителей параметров импульсных сигналов и многоканального измерителя параметров непрерывных сигналов по сигналу кода частоты, сигналу обнаружения фазовой манипуляции и фазоманипулированному видеосигналу соединены с одноименными выходами измерителя мгновенной частоты соответствующего частотного канала, выход сигнала синхронизации которого подключен к входу синхронизации арбитра измерителя мгновенной частоты, выходы которого по сигналам разрешения считывания кодов частоты подключены к одноименным входам многоканального измерителя параметров непрерывных сигналов и измерителей параметров импульсных сигналов, входы блокировки которых соединены с соответствующими выходами регистра параметров блокировки сигналов, к выходу тактового генератора подключены соответствующие входы контроллера последовательных каналов, цифрового сигнального процессора и синхронизатора, выход которого соединен с входом синхронизации формирователя адреса, а к выходу формирователя адреса подключены управляющий вход аналогового коммутатора и адресный вход многоканального измерителя параметров непрерывных сигналов.
РИСУНКИ
PD4A – Изменение наименования обладателя патента Российской Федерации на изобретение
(73) Новое наименование патентообладателя:
Открытое акционерное общество «Концерн «Гранит-Электрон» (RU)
Адрес для переписки:
191014, Санкт-Петербург, ул. Госпитальная, 3, ОАО «Концерн «Гранит-Электрон»
Извещение опубликовано: 20.12.2008 БИ: 35/2008
|
|