|
|
(21), (22) Заявка: 2003137229/06, 25.12.2003
(24) Дата начала отсчета срока действия патента:
25.12.2003
(45) Опубликовано: 20.07.2005
(56) Список документов, цитированных в отчете о поиске:
RU 2148177 C1, 27.04.2000. RU 2117794 C1, 20.08.1998. SU 106601 A, 11.06.1957. US 4002224 A, 11.01.1977. US 4080783 A, 28.03.1978. DE 3737844 C1, 16.02.1989.
Адрес для переписки:
105118, Москва, пр-кт Буденного, 16, ФГУП “Московское машиностроительное производственное предприятие “Салют”, ПЛО, С.Е. Кирееву
|
(72) Автор(ы):
Елисеев Ю.С. (RU), Тараскин В.С. (RU), Пудков С.И. (RU), Махаринский Е.А. (RU)
(73) Патентообладатель(и):
Федеральное государственное унитарное предприятие “Московское машиностроительное производственное предприятие “САЛЮТ” (RU)
|
(54) СИСТЕМА СУФЛИРОВАНИЯ МАСЛЯНОЙ ОПОРЫ РОТОРА ГАЗОТУРБИННОГО ДВИГАТЕЛЯ
(57) Реферат:
Изобретение относится к смазке опор газотурбинных двигателей, в частности к системам суфлирования масляных опор ротора газотурбинного двигателя, и может быть использовано в авиадвигателестроении, машиностроении и других областях техники. В систему суфлирования масляной опоры ротора газотурбинного двигателя с масляным насосом, содержащую сообщенную с полостью масляной опоры магистраль суфлирования, подсоединенную к суфлеру, согласно изобретению введен насос, откачивающий воздушно-масляную смесь, вход которого сообщен с масляной полостью опоры, а выход сообщен с магистралью суфлирования с эжекцией воздушно-масляной смеси из масляной полости опоры, при этом насосы имеют общий привод. Изобретение позволяет повысить надежность работы системы суфлирования. 3 з.п. ф-лы., 3 ил.

Изобретение относится к смазке опор газотурбинных двигателей, в частности к системам суфлирования масляных опор ротора газотурбинного двигателя, и может быть использовано в авиадвигателестроении, машиностроении и других областях техники.
Известна система суфлирования масляной опоры ротора газотурбинного двигателя, содержащая расположенный в масляной полости опоры ротора газотурбинного двигателя откачивающий масляный насос, суфлер и сообщенную с последним магистраль суфлирования, при этом в магистрали суфлирования установлено запорное устройство двойного действия с клапанами, открывающими магистраль суфлирования при достижении в полости определенного избыточного давления, например 0,05-0,01 кгс/см2, и клапанами, открывающими магистраль суфлирования при достижении в ней определенного давления разрежения, например 0,4-0,1 кгс/см2 (см. патент РФ №2148177, кл. F 02 C 7/06, опубл. 27.04.2000).
Недостатки известной системы следующие. Наличие дополнительных клапанов в системе приводит к усложнению конструкции системы, так как необходимы дополнительное место под расположение клапанов и тщательная их настройка (тарировка и увязка в единую систему управления и перетекания). Система недостаточна надежна в работе, так как при выходе из строя одного из клапанов из работы выходит вся маслосистема двигателя. При перемещении воздушно-масляной смеси из зоны высоких температур (полости опор двигателя) с невысокой скоростью в магистралях суфлирования и опорах двигателя образуются коксовые отложения, ограничивающие проходимость смеси, что приводит к снижению надежности работы маслосистемы в целом.
Задача изобретения – повышение надежности работы системы суфлирования.
Указанная задача достигается тем, что в систему суфлирования масляной опоры ротора газотурбинного двигателя с масляным насосом, содержащую сообщенную с полостью масляной опоры магистраль суфлирования, подсоединенную к суфлеру, согласно изобретению в систему введен насос, откачивающий воздушно-масляную смесь, вход которого сообщен с масляной полостью опоры, а выход сообщен с магистралью суфлирования с эжекцией воздушно-масляной смеси из масляной полости опоры, при этом насосы имеют общий привод.
Для лучшей компоновки, уменьшения габаритов и веса насосы могут быть расположены в масляной полости опоры и заключены в общий корпус.
Для удобства замены, диагностики и контроля откачивающий насос может быть расположен вне полости масляной опоры.
Для уменьшения габаритов и веса один из насосов может быть выполнен центробежно-шестеренчатым.
Устройство поясняется следующими чертежами.
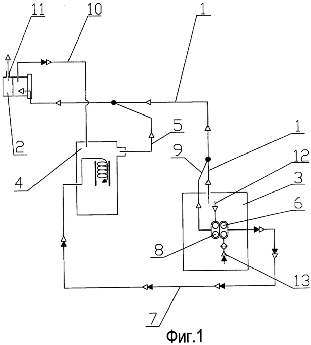
На фиг.1 изображена схема системы суфлирования;
на фиг.2 – вид А фиг.1;
на фиг.3 – вариант расположения насосов.
Система суфлирования опоры газотурбинного двигателя содержит магистраль 1 суфлирования, соединенную с центробежным суфлером 2 и с масляной полостью опоры 3, и маслобак 4, сообщенный с центробежным суфлером 2 магистралью 5. Масляный насос 6 соединен с маслобаком 4 при помощи откачивающей магистрали 7. Откачивающий насос 8 сообщен входом с масляной полостью опоры 3, а выходом – с магистралью 1 суфлирования по схеме эжектора, а именно: дополнительная магистраль 9 суфлирования сообщена с откачивающим насосом 8 и с магистралью 1 суфлирования и расположена под острым углом магистрали 1 суфлирования. Масло из суфлера 2 возвращается в маслобак 4 по магистрали 10, а воздух удаляется в атмосферу через патрубок 11. Насос 8 выполнен с заборниками 12, расположенными в верхней части масляной полости опоры 3, масляный насос 6 – с заборниками 13, расположенными в нижней части масляной полости опоры 3. Магистраль 1 суфлирования заключена в стойках 14 двигателя, а дополнительная магистраль 9 – в стойках 15 двигателя. В стойку 16 заключена магистраль 7. Насосы 6, 8 имеют общий привод, расположены в полости опоры 3 и заключены в общий корпус.
Система суфлирования работает следующим образом. При работе двигателя на режимах работы от минимального до максимального газа, в магистрали 1 (на участке после соединения магистралей 1, 9) происходит смешение (объединение) потоков воздушно-масляной смеси (т.е. смеси с содержанием воздуха большем, чем масла), а именно: потока, поступившего в магистраль 1 суфлирования из масляной полости опоры 3 пассивным (инерционным) способом, и потока, поступившего в магистраль суфлирования 1 из магистрали 9 суфлирования активным (принудительным) способом при помощи насоса 8, причем скорость перемещения смеси по магистрали 9 больше скорости смеси, перемещаемой инерционным способом. Кинетическая энергия объединенного потока смеси по сравнению с потоком смеси, перемещающимся инерционным способом по магистрали 1, увеличивается, соответственно увеличивается его скорость перемещения, повышая, тем самым, производительность подачи смеси в суфлер 2 и способствуя более быстрому ее удалению за счет эжекции из полости опоры 3. Объединенный поток воздушно-масляной смеси по магистрали 1 суфлирования поступает в центробежный суфлер 2, откуда после сепарации воздух сбрасывается через патрубок 11 в атмосферу, а масло поступает в маслобак 4 по магистрали 10. Из маслобака 4 масло (известным способом) подается к каждому подшипнику ротора (на чертеже не показаны), обеспечивая их работоспособность, а воздух, поступивший в маслобак по магистрали 5, сбрасывается в центробежный суфлер 2 через магистраль 1 суфлирования.
Одновременно насос 6 через заборники 13 откачивает масло из полости опоры 3 и подает его через полую стойку 16 по магистрали 7 в маслобак 4.
Таким образом, применение, так называемого, “активного, принудительного отвода”, позволит увеличить скорость смешанного (объединенного) потока воздушно-масляной смеси в магистрали 1 на участке после соединения потоков смеси, что уменьшит коксообразование на этом участке и обеспечит возможность быстрее откачивать воздушно-масляную смесь из масляной полости опоры, предотвращая тем самым перегрев опор двигателя.
На режимах работы двигателя на малом газу, например при остановке, запуске и выключенном горячем двигателе, отвод воздушно-масляной смеси из масляной полости опоры 3 в суфлер 2 осуществляют в большем объеме по магистрали 1 суфлирования, так как частота вращения насоса 8 уменьшается из-за снижения числа оборотов двигателя, что не позволяет в полном объеме перекачивать воздушно-масляную смесь в магистраль 1 по магистрали 9, вследствие чего продолжает работать только инерционная система.
Таким образом, инерционный отвод дублирует активный отвод, предотвращая, таким образом, возможность аварийной ситуации.
Работа системы суфлирования рассмотрена на примере одной из масляных опор ротора, при выполнении насосов центробежно-шестеренчатыми, при расположении их в полости опоры в едином корпусе. Очевидно, что для других опор, другой компоновки насосов и их конструктивного выполнения, работа системы суфлирования аналогична.
Необходимо отметить, что рассмотренная схема эжектора является одним из примеров конструктивного выполнения эжектора. При других конструкциях эжектора работа системы суфлирования осуществляется аналогичным образом.
Формула изобретения
1. Система суфлирования масляной опоры ротора газотурбинного двигателя с масляным насосом, содержащая сообщенную с полостью масляной опоры магистраль суфлирования, подсоединенную к суфлеру, отличающаяся тем, что в систему введен насос, откачивающий поток воздушно-масляной смеси, вход которого сообщен с масляной полостью опоры, а выход сообщен с магистралью суфлирования с эжекцией воздушно-масляной смеси из масляной полости опоры, при этом насосы имеют общий привод.
2. Система суфлирования по п.1, отличающаяся тем, что насосы расположены в масляной полости опоры и заключены в общий корпус.
3. Система суфлирования по п.1, отличающаяся тем, что откачивающий насос расположен вне полости масляной опоры.
4. Система суфлирования по любому из пп.1-3, отличающаяся тем, что один из насосов выполнен центробежно-шестеренчатым.
РИСУНКИ
|
|