|
(21), (22) Заявка: 2003132485/03, 05.11.2003
(24) Дата начала отсчета срока действия патента:
05.11.2003
(45) Опубликовано: 20.07.2005
(56) Список документов, цитированных в отчете о поиске:
RU 2079636 C1, 20.05.1997. SU 1488440 A1, 23.06.1989. SU 174579 A, 27.10.1965. RU 2170337 C2, 10.07.2001. RU 2102584 C1, 20.01.1998. САФАРЗАДЕ А.К. Попутный отбор затрубного газа из глубинных насосных скважин. Баку, Азернефтнешр, 1959, с. 5-18. World Oil. 1, July, 1992, p. 71.
Адрес для переписки:
423603, Республика Татарстан, г. Елабуга, пр. Нефтяников, 32, НГДУ “Прикамнефть”, Начальнику НГДУ “Прикамнефть” Н.К. Замалетдинову
|
(72) Автор(ы):
Гарнаев И.И. (RU), Фадеев О.В. (RU)
(73) Патентообладатель(и):
Открытое акционерное общество “Татнефть” им. В.Д. Шашина (RU)
|
(54) УСТРОЙСТВО ДЛЯ СБРОСА НЕФТЯНОГО ГАЗА ИЗ ЗАТРУБНОГО ПРОСТРАНСТВА
(57) Реферат:
Изобретение относится к области нефтегазодобывающей промышленности, в частности к области добычи нефти из скважин электроцентробежными насосами, и позволяет осуществлять подъем нефти с высоким содержанием газа. Устройство предназначено для оптимизации работы скважин, оборудованных электроцентробежными насосами. Обеспечивает увеличение эффективности сброса нефтяного газа из затрубного пространства за счет непрерывной принудительной откачки, а также упрощенный монтаж и обслуживание заявляемого устройства. Сущность изобретения: устройство содержит колонну насосно-компрессорных труб, электроцентробежную насосную установку, устьевую запорную арматуру, эжекторное устройство и обратный клапан. Согласно изобретению эжекторное устройство расположено на устье скважины при помощи быстросъемного разъемного соединения с возможностью создания области пониженного давления в приемной камере по сравнению с давлением в затрубном пространстве скважины, а обратный клапан содержит стопорный штифт, препятствующий закупорке выходного отверстия обратного клапана при больших расходах – подаче нефтяного газа. Седло обратного клапана изготовлено съемным для проведения ревизии при ремонтах. 1 ил.

Изобретение относится к области нефтегазодобывающей промышленности, в частности к области добычи нефти из скважин электроцентробежными насосами, и позволяет осуществлять подъем нефти с высоким содержанием газа. Устройство предназначено для оптимизации работы скважин, оборудованных электроцентробежными насосами.
Предпосылками для создания изобретения является следующее: при эксплуатации скважин электроцентробежными насосами (УЭЦН) происходит накопление нефтяного газа в межтрубном пространстве скважины. Ныне существующие газоперепускные клапаны дают возможность снизить давление в затрубье в лучшем случае до линейного. На некоторых скважинах, где протяженность трубопроводов достигает значительных величин, рабочие линейные давления могут достигать 40 атм. Это приводит к неоправданным нагрузкам на колонну насосно-компрессорных труб (НКТ), на спущенную установку ЭЦН и сальниковые устройства.
Из практики известен способ сброса нефтяного газа из затрубного пространства в атмосферу путем периодического открытия вентиля на устье скважины по мере накопления и повышения давления до критической величины. Этот способ имеет следующие недостатки:
1. Создание загазованности атмосферы и связанная с этим пожарная и экологическая опасность.
2. Необходимость привлечения рабочих для контроля за давлением и для сброса нефтяного газа из-за отсутствия необходимых технических средств.
Известен подъемник газожидкостной смеси, содержащий колонну НКТ, обратный клапан, погружной насос, нагнетательный патрубок которого подключен к активному соплу струйного аппарата с приемной камерой, камерой смешения и диффузором [1].
Недостатками данного подъемника является то, что обратный клапан расположен в колонне НКТ, что ведет к снижению прочности колонны, а при возникновении неисправностей необходим полный подъем глубинно-насосного оборудования.
Наиболее близким по технической сущности к заявляемому является выбранный в качестве прототипа способ сброса газа из затрубного пространства, включающий создание в колонне НКТ давления ниже давления в затрубном пространстве и перепуск газа при работающем глубинном насосе из затрубного пространства в полость НКТ, а колонну НКТ выше глубинного насоса оборудуют эжекторным устройством, причем добываемую жидкость направляют после выхода из глубинного насоса через сопло эжекторного устройства в его камеру смешения [2].
Этот способ обладает следующими недостатками:
1. Для монтажа устройства необходимо наличие бригады подземного ремонта скважины.
2. Снижение прочности колонны НКТ из-за устройства в ней обратного клапана.
3. При возникновении неисправностей, связанных с засорением устройства, требуется полный подъем глубинно-насосного оборудования.
4. Затруднен качественный отбор проб.
Целью предлагаемого изобретения является увеличение эффективности сброса нефтяного газа из затрубного пространства за счет непрерывной принудительной откачки, а так же упрощенный монтаж и обслуживание заявляемого устройства.
Поставленная цель достигается тем, что в приемной камере устройства для сброса нефтяного газа из затрубного пространства создается область пониженного давления, по сравнению с давлением в затрубном пространстве, посредством оборудования устья скважины эжекторным устройством.
Новым также является то, что эжекторное устройство монтируется на устье скважины при помощи быстросъемного разъемного соединения (БРС), а обратный клапан содержит стопорный штифт, препятствующий закупорке выходного отверстия обратного клапана при больших расходах (подаче) нефтяного газа.
Седло обратного клапана изготовлено съемным для проведения ревизии при ремонтах.
Патентные исследования на новизну заявляемого устройства проводились по патентному фонду НИС ОАО “Татнефть” на глубину 15 лет. Результаты исследований показали, что аналогичные способы и устройства, используемые для оптимизации работы скважин, охарактеризованные такой совокупностью существенных признаков, как у предлагаемого устройства, отсутствуют. Следовательно, можно предположить, что заявляемое техническое решение обладает новизной и изобретательским уровнем, а его промышленная применимость подтверждается описанием его осуществления.
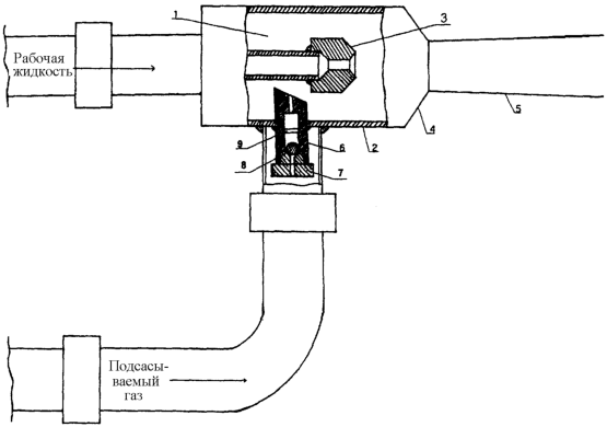
На чертеже изображено устройство для сброса нефтяного газа из затрубного пространства.
Устройство монтируется на устьевую арматуру при помощи быстросъемного разъемного соединения (БРС) и состоит из эжекторного устройства и обратного клапана. Эжекторное устройство включает в себя приемную камеру 1, корпус 2, активное сопло 3, пассивное сопло 4, диффузор 5, а обратный клапан 6 содержит седло клапана 7 с шариком 8 и стопорный штифт 9.
Предложенное устройство работает следующим образом.
Устье скважины оснащенной УЭЦН оборудуют эжекторным устройством. При работе ЭЦН добываемая жидкость, имея значительную скорость, направляется через активное сопло 3, создает в приемной камере 1 зону пониженного давления, вызывающую открытие обратного клапана 6, в результате чего шарик 8 отходит от седла клапана 7 и нефтяной газ из затрубья, смешиваясь с добываемой жидкостью, выбрасывается через диффузор 5 в линию, обеспечивая непрерывную принудительную откачку. Обратный клапан 6 предотвращает попадание добываемой жидкости обратно в скважину при остановках ЭЦН. Стопорный штифт 9 не дает возможность шарику 8 закупорить выходное отверстие обратного клапана 6 при больших расходах нефтяного газа. Седло 7 обратного клапана 6 изготовлено съемным для проведения ревизии при ремонтах.
Преимуществами предлагаемого устройства являются:
– снижение нагрузки на НКТ и УЭЦН;
– снижение затрубного давления нефтяного газа, позволяющее поднять динамический уровень и, как следствие, увеличить производительность устройства;
– эффективное использование нефтяного газа, откаченного из затрубного пространства, позволяет использовать нефтяной газ для получения более точных замеров СКЖ и ГЗУ;
– уменьшение вязкости перекачиваемой продукции и, как результат снижения вязкости, происходит снижение энергозатрат и снижение расходов на путевую деэмульсацию;
– при определенных технологических и технических параметрах дает возможность снижения затрубного давления до атмосферного и ниже, то есть возможно получение отрицательных значений давления в затрубном пространстве (эффект вакуума);
– дешево в изготовлении, а при монтаже и эксплуатации исключает привлечение сервисных служб и бригад ПРС.
Технико-экономическое преимущество изобретения заключается в следующем: устройство технологично, при его использовании обеспечивается эксплуатационная надежность скважины и незначительные затраты на реализацию.
Устройство испытано на промысле НГДУ “Прикамнефть”. Результаты испытаний положительные.
Источники информации
1. Патент РФ №2157926, F 04 F 5/54 “Подъемник газожидкостной смеси”;
2. Патент РФ №2079636, Е 21 В 43/00 “Способ сброса газа из затрубного пространства” – прототип.
Формула изобретения
Устройство для сброса нефтяного газа из затрубного пространства, содержащее колонну насосно-компрессорных труб, электроцентробежную насосную установку, устьевую запорную арматуру, эжекторное устройство и обратный клапан, отличающееся тем, что эжекторное устройство расположено на устье скважины при помощи быстросъемного разъемного соединения (БРС) с возможностью создания области пониженного давления в приемной камере по сравнению с давлением в затрубном пространстве скважины, а обратный клапан содержит стопорный штифт, имеющий возможность препятствовать закупорке выходного отверстия обратного клапана при больших расходах – подаче нефтяного газа, причем седло обратного клапана изготовлено съемным с возможностью проведения ревизии при ремонтах.
РИСУНКИ
|