|
|
(21), (22) Заявка: 2004110905/15, 09.04.2004
(24) Дата начала отсчета срока действия патента:
09.04.2004
(45) Опубликовано: 20.07.2005
(56) Список документов, цитированных в отчете о поиске:
RU 2175340 C1, 27.10.2001. RU 2184136 C1, 27.06.2002. US 4292140 A, 29.09.1981. DE 4318499 A, 16.02.1995.
Адрес для переписки:
677007, г.Якутск, ул. Автодорожная, 20, ИНМ СО РАН
|
(72) Автор(ы):
Игошин В.А. (RU), Латышев В.Г. (RU), Петрова Л.А. (RU)
(73) Патентообладатель(и):
Институт неметаллических материалов СО РАН (RU)
|
(54) УСТАНОВКА ДЛЯ ПОЛУЧЕНИЯ НЕФТЕПРОДУКТОВ
(57) Реферат:
Изобретение относится к нефтехимии, а более конкретно к малогабаритным устройствам для получения из нефти легких и тяжелых нефтепродуктов. Установка содержит теплоизолированные испарительную емкость с электронагревательным поясом, теплообменник, соединенный с испарительной емкостью, емкость для нефтепродуктов, насосы и краны, при этом испарительная емкость снабжена дополнительным нагревательным поясом, теплообменник составлен из двух разнообъемных емкостей, которые змеевиками соединены с емкостью для нефтепродуктов, снабженной также нагревательным поясом, причем малая теплообменная емкость связана с полостью испарительной емкости перфорированной трубкой, а большая теплообменная емкость посредством насосов соединена с испарительной и малой теплообменными емкостями. Изобретение позволяет увеличить выход моторных дистиллятов при упрощении конструкции. 1 табл., 1 ил.

Изобретение относится к нефтехимии, а более конкретно к малогабаритным устройствам для получения из нефти (мазута) легких и тяжелых нефтепродуктов.
Известна установка для непрерывного получения легких и тяжелых нефтепродуктов, содержащая огневую печь, ректификационную колонну, теплообменники и емкости для сбора нефтепродуктов. (В.Н.Эрих, М.Г.Расина, М.Г.Рудин. Химия и технология нефти и газа. – Л.: Химия, 1977, с.126, рис.15а).
Недостатком известного устройства является сложность конструкции из-за наличия огневой печи и ректификационной колонны, а также значительные теплопотери [в печи] и загрязнение атмосферы. Это не позволяет применение указанного устройства в качестве малогабаритных экологичных установок.
Известно устройство для получения нефтепродуктов, содержащее теплоизолированные испарительную емкость с электронагревательным поясом, теплообменник, соединенный с испарительной емкостью, емкость для нефтепродуктов, насосы и краны (Патент РФ №2175340, заявл. 03.08.2000 г., авт. Игошин В.А., опубл. БИ №30 от 27.10. 2001 г.).
Недостатком этого устройства являются низкие выход дистиллятов моторного топлива и качество нефтепродуктов. Прямогонный бензин имеет малое октановое число, дистиллятные масла требуют очистки и разделения по вязкости, окисленный битум характеризуется недостаточной дуктильностью (растяжимостью), а отгон окислительного процесса агрессивен для емкости и окружающей среды. Другим недостатком устройства является сложность конструкции из-за необходимости использования вакуум-насоса и буферных емкостей для откачки масел и центробежно-барботажного устройства для окисления нефтяных остатков (гудрона) до битума.
Техническим эффектом изобретения является увеличение выхода моторных дистиллятов при упрощении конструкции.
Поставленная цель достигается тем, что в известном устройстве, содержащем теплоизолированные испарительную емкость с электронагревательным поясом, теплообменник, соединенный с испарительной емкостью, емкость для нефтепродуктов, насосы и краны, согласно изобретению, испарительная емкость снабжена снизу дополнительным нагревательным поясом и соединена с теплообменником из двух емкостей разного объема, которые соединены с дополнительной электронагреваемой емкостью, причем большая теплообменная емкость соединена посредством насосов с испарительной емкостью и малой теплообменной емкостью, а низ малой теплообменной емкости соединен с внутренним объемом испарительной емкости посредством трубопровода с перфорированной трубкой.
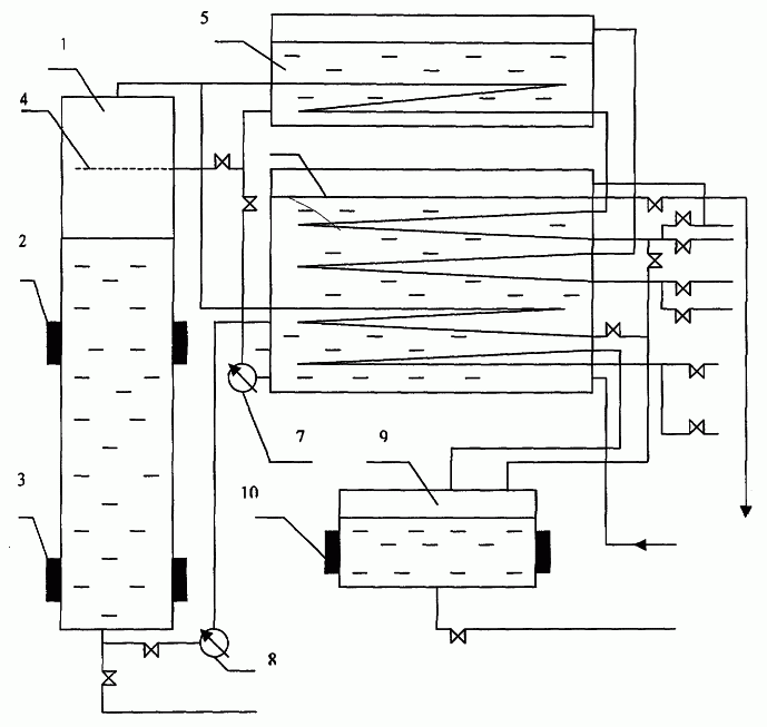
На чертеже изображена упрощенная схема заявляемого устройства. Оно содержит испарительную емкость 1 с верхним 2 и нижним 3 нагревательными поясами, трубку с отверстиями 4. Верхний патрубок емкости 1 соединен со змеевиком емкости 5 и первым змеевиком емкости 6. Причем выход змеевика емкости 5 соединен со входом второго змеевика емкости 6, верхний патрубок емкости 5 соединен со входом третьего змеевика емкости 6, а нижний патрубок емкости 5 соединен посредством кранов с трубкой 4 емкости 1 и насосом 7 от нижнего патрубка емкости 6. Также посредством кранов емкость 1 соединена насосом 8 со средним патрубком емкости 6 и сливной магистралью битуминозных продуктов. Верхний патрубок емкости 6 напрямую соединен с бензиновой магистралью, ниже расположенный патрубок посредством крана соединен со сливной нефтяной магистралью, а патрубок внизу – с наливной нефтяной магистралью. Четвертый змеевик емкости 6 соединен с выходным патрубком емкости 9 с нагревательным поясом 10, выходы змеевиков емкости 6 соединены посредством кранов с бензиновыми или дизельными магистралями кроме выхода первого змеевика, соединенного через кран с входным патрубком емкости 9, нижний патрубок которой соединен с магистралью газойля.
Предлагаемая установка для получения нефтепродуктов работает следующим образом. Нефть закачивается по наливной магистрали в емкость 6 на ~85% объема до переливного патрубка, после чего вначале большая часть объема посредством насоса 8 закачивается в емкость 1 на ~85%, а затем меньшая – насосом 7 в емкость 5 также на ~85%. Далее емкость 6 заполняется вторично.
При включении нагревательного пояса 3 производится разгонка нефти на бензино-дизельные фракции, которые в паровой фазе проходят по змеевику емкости 5 (кран на выходных трубопроводах первого змеевика емкости 6 закрыт) и конденсируются, что способствует повышению температуры нефти в емкости 5 и ее испарению. При достижении температуры отбора дизельных фракций краны на выходящих трубопроводах от змеевиков переключаются с бензиновых на соответствующие дизельные магистрали. По достижении температуры окончания отбора дизельной фракции из емкости 1 выход второго змеевика кранами переключается на емкость 9 при продолжающемся нагреве нефти в емкости 5.
Нагрев нефти в емкости 1 продолжается до температуры ~360°С, после чего отключается нижний пояс нагрева 3 и включается пояс 2, за счет которого верхний слой образовавшегося мазута нагревается до температуры ~410°С. По окончании отбора дизельных фракций из емкости 5 паровая фаза из емкости 1 конденсируется преимущественно в первом змеевике емкости 6 и при открытом кране поступает в емкость 9.
Далее мазут, полученный в емкости 5, через открытый кран разбрызгивается из трубки с отверстиями 4 на поверхность (зеркало) горячего (~410°С) мазута в емкости 1, где происходит термохимическое разложение контактирующих углеводородов с образованием легких и тяжелых фракций. Легкие дистилляты поступают в емкость 9, а тяжелые смолоасфальтеновые вещества оседают в емкости 1, в которой перепад температур препятствует коксованию осадка. По окончании процесса крекинга емкость 5 освобождается от мазута, в емкости 1 остаются вязкие битуминозные продукты, в емкости 9 накапливаются дистиллятные фракции, а в емкости 6 подогревается нефть, причем испаряющиеся легкие бензины напрямую поступают в бензиновую магистраль. После выпуска из емкости 1 битуминозных продуктов она заполняется через кран насосом 8, а емкость 5 – через кран насосом 7 подогретой нефтью из емкости 6, после чего емкость 6 заполняется свежей нефтью. Далее цикл повторяется с той разницей, что одновременно с включением нагрева пояса 3 включается нагрев пояса 10 емкости 9, где осуществляется разгонка бензино-дизельных фракций и слив оставшегося газойля. В емкости 9 все процессы происходят ранее поступления в нее дистиллятов из емкости 1. Объем емкости 5 выбирается из условия разгонки в ней бензино-дизельных фракций за счет конденсации паров из емкости 1 при температурах до ~400°С.
Дополнительный нагревательный пояс 3, размещенный внизу емкости 1, за счет циркуляции нефти способствует быстрому повышению температуры легких фракций, концентрирующихся на поверхности жидкости, и их испарению до образования в остатке тяжелого мазута при ~360°С, после чего нагреватель 3 отключается, но температура изменяется мало из-за теплоизоляции. Последующее включение нагревательного пояса 2 и повышение температуры приводит к интенсификации процесса крекинга верхних слоев мазута, что дает дополнительный выход дистиллятных продуктов. Дальнейшее разбрызгивание мазута через перфорированную трубку из емкости 5 при температуре 330-350°С на “зеркало” с температурой ~410°С и термохимическое разложение контактирующих тяжелых углеводородов приводит не только к стабилизации температуры реакции и объема жидкости в емкости 1, но и к дополнительному накоплению дистиллятов в емкости 9 при отсутствии коксования оседающих в емкости 1 смолоасфальтеновых веществ. Вторичная разгонка подогретых дистиллятов в емкости 9 нагревателем 10 позволяет в “чистом” виде получить бензины и дизельное топливо за короткое время до начала крекинг-процессов в емкости 1. Насосы 7 и 8, закачивающие подогретую в емкости 6 нефть в “горячие” емкости 1 и 5, способствуют уменьшению периода технологического цикла, что в итоге увеличивает производительность (в т.ч. выход моторных дистиллятов) установки. Следует отметить, что нагрев испарительной емкости 1 только нагревательным поясом 2 (прототип) не позволяет регулировать температуру внизу емкости в требуемых пределах, а следовательно, и формирование битуминозного продукта необходимых параметров.
Битуминозные продукты и газойль, сливаемые при высокой температуре, проходят через теплообменник (на чертеже не показан), тепло которого может утилизироваться водой (для пожарно-бытовых целей) или нефтью, затем подаваемой в емкость 6.
Битуминозные продукты используются как дорожное вяжущее, связующее для брикетирования угля, ингредиент покрытий и паст для коррозионной защиты, а газойль может быть сырьем для дальнейшей переработки (в т.ч. с мелкодисперсным углем) или применяться в качестве котельного топлива.
Сравнение материальных балансов (%) действующей установки – прототипа и экспериментального устройства с объемом испарительной емкости 1 л приведены в таблице для нефти Талаканского месторождения Республики Саха (Якутия).
| Таблица |
| Продукты |
Прототип |
Заявляемое устройство |
| Бензин прямогонный |
8 (ОЧ~50) |
8 (ОЧ~50) |
| Бензин “октановый” |
– |
5 (ОЧ>60) |
| Дизельное топливо |
38 |
56 |
| Дистиллятные масла |
20 |
– |
| Газойль |
– |
8 |
| Битум окисленный |
30 (Дуктильность~60) |
– |
| Битум неокисленный |
– |
20 (Дуктильность>80) |
| Отгон |
3 |
– |
| Потери (газы) |
1 |
3 |
Из таблицы видно, что выход моторных дистиллятов в заявляемом устройстве значительно выше, вторичный бензин более “октановый”, чем прямогонный, а неокисленный битум характеризуется большей растяжимостью, чем окисленный, причем агрессивный отгон отсутствует.
Исключение вакуумного насоса, буферных и окислительных емкостей с центробежным барботером и корродирующих емкостей для отгона существенно упрощает конструкцию и уменьшает габариты установки.
Указанные особенности изобретения представляют его отличия от прототипа и обуславливают новизну предложения. Эти отличия являются существенными, поскольку именно они обеспечивают создание положительного эффекта, отраженного в цели предложения, и отсутствуют известные технические решения с таким эффектом.
Формула изобретения
Установка для получения нефтепродуктов, содержащая теплоизолированные испарительную емкость с электронагревательным поясом, теплообменник, соединенный с испарительной емкостью, емкость для нефтепродуктов, насосы и краны, отличающаяся тем, что испарительная емкость снабжена дополнительным нагревательным поясом, теплообменник составлен из двух разнообъемных емкостей, которые змеевиками соединены с емкостью для нефтепродуктов, снабженной также нагревательным поясом, причем малая теплообменная емкость связана с полостью испарительной емкости перфорированной трубкой, а большая теплообменная емкость посредством насосов соединена с испарительной и малой теплообменными емкостями.
РИСУНКИ
MM4A – Досрочное прекращение действия патента СССР или патента Российской Федерации на изобретение из-за неуплаты в установленный срок пошлины за поддержание патента в силе
Дата прекращения действия патента: 10.04.2006
Извещение опубликовано: 10.05.2007 БИ: 13/2007
|
|