|
(21), (22) Заявка: 2002135813/11, 23.12.2002
(24) Дата начала отсчета срока действия патента:
23.12.2002
(45) Опубликовано: 20.07.2005
(56) Список документов, цитированных в отчете о поиске:
RU 17504 U1, 10.04.2001. SU 551211 A, 25.03.1977. SU 251608 A, 10.09.1969. SU 1837026 A1, 30.08.1993.
Адрес для переписки:
192102, Санкт-Петербург, Волковский пр., 6, ЗАО ППТФ “ЭЛМА-Ко”
|
(72) Автор(ы):
Епифанова Л.М. (RU), Кац А.Б. (RU), Любшин Д.А. (RU)
(73) Патентообладатель(и):
ЗАО ППТФ “ЭЛМА-Ко” (RU)
|
(54) СТРЕЛОЧНЫЙ ЭЛЕКТРОПРИВОД
(57) Реферат:
Изобретение относится к устройствам железнодорожной автоматики. Стрелочный электропривод содержит электродвигатель, редуктор с фрикционной муфтой, автопереключатель и корпус. Кроме того, он снабжен блоком управления, обеспечивающим изменение скорости перевода стрелки с плавным разгоном в начале хода и плавным торможением при подходе к концу перевода за счет регулирования частоты вращения электродвигателя. Последний выполнен бесконтактным управляемым с постоянными магнитами на роторе. В блок управления введены устройство ограничения тока и узел ограничения времени работы на уровне, обеспечивающем перевод стрелки. Изобретение повышает надежность работы электропривода. 2 з.п. ф-лы, 1 ил.

Изобретение относится к устройствам железнодорожной автоматики, а именно к устройствам для управления стрелочными электроприводами.
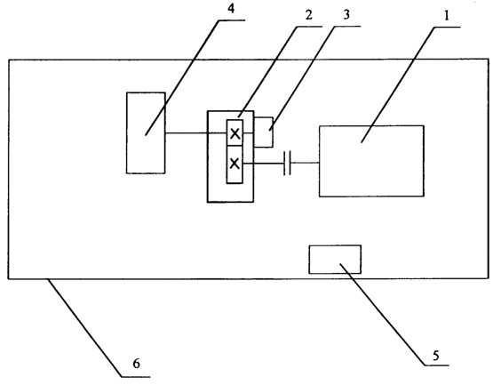
Известен стрелочный электропривод (чертеж), содержащий электродвигатель (1), соединенный с редуктором (2), который связан с фрикционной муфтой (3), автопереключатель (4), устройство обогрева и освещения (5), установленные в корпусе (6) [1].
В качестве электродвигателя стрелочного электропривода используются коллекторные и асинхронные электродвигатели.
Применяемые в стрелочном электроприводе коллекторные электродвигатели обладают рядом недостатков:
– наличие ненадежного коллекторно-щеточного узла, который требует большого объема регулировочных и профилактических работ (щетки перед работой должны быть притерты к коллектору, коллектор продорожен, максимальный износ щеток не должен превышать 50% первоначальной длины, периодически требуются работы по очистке и замене коллектора), что увеличивает эксплуатационные расходы;
– при эксплуатации коллекторно-щеточного узла возможно появление паразитных зазоров между щетками и коллектором, приводящих к выпрямлению подаваемого контрольного напряжения во время неоконченного перевода стрелки и выработке сигнала ложного контроля об окончании перевода стрелки.
Недостатки присущи и асинхронным электродвигателям:
– требуется трехпроводная линия подачи напряжения питания (для электродвигателей постоянного напряжения достаточна двухпроводная линия);
– электродвигатели имеют зону неустойчивой работы, которая сказывается при перегрузке;
– значительный пусковой ток, что приводит к обгоранию контактов автопереключателя стрелочного электропривода, уменьшая ресурс его работы;
– квадратичная зависимость момента на валу электродвигателя от напряжения питания, при уменьшении которого уменьшается пусковой момент и перегрузочная способность;
– требование разгона на холостом ходу для уменьшения пускового тока, превышающего иначе допустимый в линии ток;
– масса электродвигателя достигает 18 кг и более.
Общим недостатком вышеприведенных электродвигателей является отсутствие плавного пуска в начале и торможения в конце перевода стрелки. В результате возникают динамические удары остряков о рамный рельс, быстрый износ вращающихся и поступательно движущихся деталей электропривода. Это приводит к уменьшению ресурса узлов стрелочного перевода, уменьшает надежность стрелочного электропривода.
Целью предлагаемого изобретения является устранение перечисленных выше недостатков и повышение надежности электропривода в целом.
Более надежным и не требующим обслуживания является электродвигатель бесконтактный управляемый (в дальнейшем – ДБУ). ДБУ состоит из электромеханической части и электронного блока управления. Электромеханическая часть ДБУ освещена, например, в приведенных ниже авторских свидетельствах.
В частности, известен бесколлекторный электродвигатель постоянного тока (Авторское свидетельство №2091969 “Бесколлекторный двигатель постоянного тока”, кл. Н 02 К 29/00, 3/28, опубл. 1993 [2]), бесконтактная электрическая машина (Авторское свидетельство №2143777 “Бесконтактная электрическая машина”, кл. Н 02 К 21/12, 29/00, 19/10, опубл. 1999 [3]), бесконтактная электрическая машина магнитоэлектрического типа (Авторское свидетельство №2190292 “Бесконтактная электрическая машина магнитоэлектрического типа”, кл. Н 02 К 21/12, 29/00, 19/10, опубл. 2002 [4]), где описывается принцип построения электромеханической части двигателя, имеющего ротор с постоянными магнитами и статор с намотанными m-фазными обмотками.
Задачей данного технического решения является повышение надежности работы стрелочного электропривода.
Задача решается тем, что в известном стрелочном электроприводе в качестве электродвигателя применяется электродвигатель бесконтактный управляемый с регулированием частоты вращения.
Исключив ненадежный коллекторный узел, указанный электродвигатель позволяет снизить объем профилактических и ремонтных работ в несколько раз. Исключается ложный контроль положения стрелки в связи с устранением контактных электропроводящих цепей. Уменьшаются массогабаритные характеристики двигателя. При этом все функциональные возможности заменяемого электродвигателя сохраняются.
В электронный блок управления электродвигателем вводится устройство регулирования частоты вращения. Регулирование частоты позволяет выполнять перевод стрелки по заданному алгоритму, обеспечивая плавный разгон в начале хода и плавное торможение при подходе к концу перевода. Такой алгоритм исключает механический удар при окончании перевода и повышает ресурс узлов стрелочного электропривода.
В электронный блок управления электродвигателем может быть введено устройство ограничения тока, препятствующее выходу электродвигателя из строя при заклинивании редуктора, неисправности фрикционной муфты и ограничивающее пусковой ток таким образом, что в пусковом режиме ток не превышает допустимый ток при максимальной нагрузке.
В электронный блок управления электродвигателем может быть введен узел ограничения времени работы на уровне, обеспечивающим перевод стрелки. Это позволяет применять менее мощный электродвигатель в режиме перегрузки, что снижает стоимостные и массогабаритные характеристики используемого электродвигателя. Такой электродвигатель обеспечивает перевод стрелки без перегрева, что повышает его надежность.
Источники информации
1. Резников Ю.М. Электроприводы железнодорожной автоматики и телемеханики. М.: Транспорт, 1985, стр.285, рис.69, табл.24.
2. Патент РФ №2091969, Н 02 К 29/00, 3/28, oп. 27.09.97.
3. Патент РФ №2143777, Н 02 К 21/12, 29/00, 19/10, oп. 06.10.98.
4. Патент РФ №2190292, Н 02 К 29/00, 1/16, 19/10, oп. 13.12.2000.
Формула изобретения
1. Стрелочный электропривод, содержащий электродвигатель, редуктор с фрикционной муфтой, автопереключатель, корпус, отличающийся тем, что он снабжен блоком управления, обеспечивающим изменение скорости перевода стрелки с плавным разгоном в начале хода и плавным торможением при подходе к концу перевода за счет регулирования частоты вращения электродвигателя, который выполнен бесконтактным управляемым с постоянными магнитами на роторе.
2. Стрелочный электропривод по п.1, отличающийся тем, что в блок управления бесконтактным управляемым электродвигателем введено устройство ограничения тока.
3. Стрелочный электропривод по п.1, отличающийся тем, что блок управления бесконтактным управляемым электродвигателем содержит узел ограничения времени работы на уровне, обеспечивающем перевод стрелки.
РИСУНКИ
|