|
|
(21), (22) Заявка: 2004123998/02, 05.08.2004
(24) Дата начала отсчета срока действия патента:
05.08.2004
(45) Опубликовано: 20.07.2005
(56) Список документов, цитированных в отчете о поиске:
RU 2062692 C1, 27.06.1996. RU 2014450 C1, 15.06.1992. SU 1070306 A, 30.01.1984. US 2027579 A, 14.01.1936.
Адрес для переписки:
630008, г.Новосибирск, ул. Ленинградская, 113, НГАСУ, отдел ПЛР
|
(72) Автор(ы):
Абраменков Д.Э. (RU), Абраменков Э.А. (RU), Боровских Ю.Н. (RU), Ильюченко В.Ю. (RU), Кутумов А.А. (RU), Малышева Ю.Э. (RU), Матюхин В.С. (RU), Гаршин С.В. (RU)
(73) Патентообладатель(и):
Новосибирский государственный архитектурно-строительный университет (СИБСТРИН) (RU), Абраменков Дмитрий Эдуардович (RU)
|
(54) ПНЕВМАТИЧЕСКИЙ МОЛОТ С ДРОССЕЛЬНЫМ ВОЗДУХОРАСПРЕДЕЛЕНИЕМ
(57) Реферат:
Изобретение относится к области строительных и горных машин ударного действия и может быть использовано при создании ручных пневматических молотков для машиностроения, а также тяжелых пневмоударных машин для разрушения скальных пород и мерзлых грунтов. В пневматическом молоте с дроссельным воздухораспределением поверхности, взаимодействующие между собой, снабжены кольцевыми выточками, размещенными на участках посадочных поверхностей ударника и трубки и так, что длины участков выточек по образующим выполнены меньшими длины участков образующих посадочных поверхностей ударника как со стороны цилиндра, так и со стороны трубки. Обеспечивается увеличение ударной мощности молота и энергии единичного удара. 8 з.п. ф-лы, 16 ил.

Предлагаемое изобретение относится к области строительных и горных машин ударного действия и может быть использовано при создании ручных пневматических молотков для машиностроения и навесных пневмоударных машин для разрушения скальных пород и мерзлых грунтов, а также тяжелых пневмоударных машин горизонтальной проходки скважин и забивки труб в грунтовые среды.
Известно пневматическое устройство ударного действия (см., например, а.с. СССР № 1235719, кл. В 29 D 9/04, 1986), включающее корпус с аккумуляционными камерами и выпускными каналами, соединенную с ним футорку с предварительной камерой, размещенные в корпусе соосно ему воздухоподводящую трубку, закрепленную в футорке, и взаимодействующий с трубкой полый ударник, периодически перекрывающий выпускные каналы и образующий с корпусом камеры рабочего и холостого ходов, сообщаемые периодически между собой посредством перепускных каналов и постоянно с предварительной камерой посредством впускных дросселей, и рабочий инструмент, причем впускной дроссель, соединяющий камеру холостого хода с предварительной камерой, выполнен в трубке на участке ее закрепления в футорке, а перепускные каналы выполнены в виде глухих продольных пазов на наружной цилиндрической поверхности трубки, периодически перекрываемых торцами ударника.
Основной недостаток указанного устройства – это обязательность уплотнения неподвижной посадки трубки в футорке (крышке), как заделки-защемления с консолью, опертой на подвижную посадку в сквозном осевом отверстии полого ударника. При таком и подобном ему закреплении трубки требуется обеспечить также уплотненную посадку ударника относительно трубки и цилиндра корпуса. Невозможность обработки осевых отверстий цилиндра, ударника, трубки и крышки с “одной установки” обусловливает несоосность отверстий и приводит к перекосам, “закусыванию”, повышенному неравномерному трению на сопрягаемых взаимодействующих поверхностях и торможению ударника и, как следствие, снижению энергии единичного удара и числа ударов, а также поломке трубки и остановке машины ударного действия. Перекосы приводят к непроизводительным утечкам и перетечкам, нарушающим расчетный процесс в рабочих камерах машины.
Наиболее близким техническим решением по отношению к предлагаемому является пневматический молоток с дроссельным воздухораспределением (см., например, патент RU 2062692 С1, Мкл. 1325 D 9/04, 17/12, Е 21 С 3/24, 1996), включающий полый цилиндр с размещенным в нем ударником с центральным сквозным каналом, разделяющим полость цилиндра на камеры рабочего и холостого ходов, трубку с продольным каналом, взаимодействующую с центральным каналом ударника, снабженную постоянно открытым дроссельным каналом в камеру холостого хода, установленную с опиранием на торец цилиндра крышку с буртиками, стакан с воздухоподводящим каналом, разъемно закрепленный относительно цилиндра, сетевую камеру, кольцевую камеру, постоянно сообщенную посредством радиальных перепускных каналов и радиальных выпускных каналов с выпускной камерой между корпусом и воздухоотбойным кольцом с каналом в стенке, рабочий инструмент с хвостовиком, колпак, закрепленный разъемно относительно цилиндра, и устройство включения подачи сжатого воздуха в сетевую камеру. Указанное техническое решение принято в качестве прототипа.
Недостатком прототипа при использовании его в тяжелых и мощных молотах является ненадежный запуск в работу, поскольку тяжелый и сравнительно длинный ударник обладает значительной массой покоя и опорной площадью на внутренней части канала цилиндра, а также значительной контактной площадью с наружной поверхностью трубки, что требует резкой подачи воздуха в рабочие камеры и в большом его количестве, чего нельзя обеспечить при питании камер рабочего и холостого ходов расходом через дроссели впуска, расход которых соответствует только протяженному по времени впуску, тем более в начальный период пуска молота в работу. Недостаткам прототипа сопутствуют также: значительная протяженность воздухоподводящего рукава со сравнительно малым коэффициентом расхода воздуха из-за местных сопротивлений тракта воздухоподвода; примерзание контактирующих поверхностей ударника и цилиндра, ударника и трубки при работе молота при отрицательных температурах окружающего воздуха; возможные попадания на “зеркало” цилиндра со стороны ударника и “зеркало” ударника со стороны трубки твердых частиц ржавчины и грунтовой пыли, которая попадает в цилиндр или по воздухоподводящему каналу или через выпускные каналы в цилиндре при работе в запыленной окружающей среде, что характерно для реальных условий работы молота при разрушении грунтовых и скальных сред.
Недостатки прототипа и ему подобных машин ударного действия с центральной трубкой можно исключить, если существенно уменьшить площади контактных поверхностей либо ударника, либо трубки, либо и на трубке и на ударнике, вплоть до близкого к линейному касанию по их диаметрам, например, в виде закругленных выступов и канавок, выполненных на образующих поверхностях либо наклонно, либо перпендикулярно к образующим, причем канавки не должны сообщать камеры рабочего и холостого ходов между собой, и дополнительно используются для смазки и очистки контактных боковых поверхностей цилиндра, ударника и трубки.
Технической задачей, решаемой изобретением, является обеспечение надежности запуска за счет уменьшения контактных поверхностей взаимодействующих деталей и обеспечения воздушной смазки между ними.
Пневматический молот с дроссельным воздухораспределением включает сетевую камеру, устройство включения подачи сжатого воздуха в сетевую камеру, полый цилиндр, размещенный в нем ударник с центральным каналом и разделяющий полость цилиндра на камеры холостого и рабочего ходов, пропущенную через центральный канал ударника трубку, соединяющую сетевую камеру с камерой холостого хода через постоянно открытый впускной дроссельный канал, установленную на одном торце цилиндра со стороны камеры рабочего хода крышку с буртиком и центральным сквозным отверстием для проведения через нее трубки, постоянно открытый впускной в камеру рабочего хода дроссельный канал, соединяющий сетевую камеру с камерой рабочего хода, сообщенную с последней аккумуляционную камеру посредством перепускных каналов, выпускные каналы, выполненные в боковой стенке цилиндра, и рабочий инструмент с хвостовиком, установленным в другом торце цилиндра, стакан, своим днищем установленный на буртике крышки, кольцевую аккумуляционную камеру, образованную стенкой стакана и внешней боковой поверхностью цилиндра, перепускные каналы, выполненные в стенке цилиндра на уровне камеры рабочего хода в виде радиальных каналов, трубку, выполненную с возможностью осевого и радиального перемещения относительно центрального сквозного отверстия крышки, постоянно открытый впускной в камеру рабочего хода дроссельный канал, выполненный в виде кольцевого канала с возможностью изменения формы его поперечного сечения, образованного поверхностями трубки и центрального сквозного отверстия в крышке, причем поверхности, взаимодействующие между собой, снабжены кольцевыми выточками, размещенными на участках посадочных поверхностей ударника и трубки и так, что длины участков выточек по образующим выполнены меньшими длины участков образующих посадочных поверхностей ударника как со стороны цилиндра, так и со стороны трубки.
Целесообразно кольцевые выточки либо на наружной поверхности ударника со стороны цилиндра, либо на внутренней поверхности сквозного канала со стороны трубки выполнить в виде сопряженных дуг окружностей либо одинакового, либо различных диаметров.
Целесообразно кольцевые выточки либо на наружной поверхности ударника со стороны цилиндра, либо на внутренней поверхности сквозного канала со стороны трубки выполнить разделенными кольцевыми перешейками с сечением в виде либо полуокружностей, либо полуэллипсов, либо прямоугольников, либо трапеций, либо треугольников равносторонних, либо треугольников разносторонних.
Целесообразно кольцевые выточки либо на наружной поверхности ударника со стороны цилиндра, либо на внутренней поверхности сквозного канала со стороны трубки выполнить под углом к образующей поверхности либо с односторонней, либо с разносторонней направленностью винтовой линии и так, чтобы длина участка выточек была меньшей посадочной длины сквозного канала ударника.
Целесообразно кольцевые выточки на трубке со стороны внутренней поверхности сквозного канала ударника выполнить в виде сопряженных дуг окружностей либо одинакового, либо различных диаметров.
Целесообразно кольцевые выточки на трубке со стороны внутренней поверхности сквозного канала ударника выполнить разделенными кольцевыми перешейками с сечением в виде либо полуокружностей, либо полуэллипсов, либо прямоугольников, либо трапеций, либо треугольников равносторонних, либо треугольников разносторонних.
Целесообразно кольцевые выточки на трубке со стороны внутренней поверхности сквозного канала ударника выполнить под углом к образующей поверхности либо с односторонней, либо с разносторонней направленностью винтовой линии и так, чтобы длина участка выточек была меньшей посадочной длины сквозного канала ударника.
Целесообразно кольцевые выточки сообщить между собой глухим каналом в теле ударника, вскрытым со стороны цилиндра и камеры холостого хода.
Целесообразно кольцевые выточки сообщить между собой глухим каналом в виде либо паза, либо лыски, вскрытыми со стороны камеры холостого хода.
Изобретение иллюстрируется чертежами: на фиг.1 показан молот с частичным продольным разрезом и трубкой, установленной с возможностью перемещения в продольном и радиальном направлениях относительно кольцевого центрального сквозного отверстия в неподвижной крышке, ударником с центральным сквозным каналом и выточками на его боковой поверхности, обращенной к внутренней поверхности цилиндра, причем выточки образованы сопряженными дугами окружностей, образующими волнистую линию либо с одинаковыми высотами, либо с различными высотами волн;
на фиг.2 – фрагмент исполнения выточек на наружной боковой поверхности трубки, обращенной к поверхности сквозного канала ударника, причем выточки и их перешейки образованы сопряженными дугами окружностей, образующими волнистую линию;
на фиг.3 – фрагмент исполнения выточек на трубке и боковой поверхности ударника со стороны цилиндра, причем участок с выточками выполнен меньшим длины участка образующей посадочной поверхности ударника, а выточки и их перешейки на трубке и ударники образованы сопряженными дугами окружностей, образующими волнистую линию;
на фиг.4 – фрагмент исполнения выточек на боковой поверхности сквозного канала ударника со стороны трубки, причем выточки и их перешейки образованы сопряженными дугами окружностей, образующими волнистую линию;
на фиг.5 – фрагмент исполнения выточек на боковой поверхности ударника со стороны цилиндра в виде полуокружностей в сечении, разделенных перешейками, причем аналогично могут быть выполнены выточки на боковой поверхности трубки со стороны сквозного канала ударника, а также на боковой поверхности сквозного канала ударника со стороны трубки;
на фиг.6 – фрагмент исполнения выточек на боковой поверхности ударника со стороны цилиндра в виде полуэллипсов в сечении, разделенных перешейками, причем аналогично могут быть выполнены выточки на боковой поверхности трубки со стороны сквозного канала ударника, а также на боковой поверхности сквозного канала со стороны трубки;
на фиг.7 – фрагмент исполнения выточек на боковой поверхности ударника со стороны цилиндра в виде прямоугольника в сечении, разделенных перешейками, причем аналогично могут быть выполнены выточки на боковой поверхности трубки со стороны сквозного канала ударника, а также на боковой поверхности сквозного канала со стороны трубки;
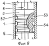
на фиг.8 – фрагмент исполнения выточек на боковой поверхности ударника со стороны цилиндра в виде трапеции в сечении, разделенных перешейками, причем аналогично могут быть выполнены выточки на боковой поверхности трубки со стороны сквозного канала ударника, а также на боковой поверхности сквозного канала со стороны трубки;
на фиг.9 – фрагмент исполнения выточек на боковой поверхности ударника со стороны цилиндра в виде треугольника в сечении либо равностороннего, обращенного острыми углами или тупыми углами в тело ударника, либо прямоугольного, обращенного острыми углами в тело ударника, разделенных перешейками, причем аналогично могут быть выполнены выточки на боковой поверхности трубки со стороны сквозного канала ударника, а также на боковой поверхности сквозного канала со стороны сквозного канала ударника, обращенные острыми или тупыми углами в тело трубки;
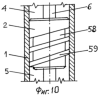
на фиг.10 – фрагмент исполнения выточек на боковой поверхности ударника со стороны цилиндра под углом к образующей поверхности с односторонней направленностью винтовой линии, причем участок поверхности с выточками выполнен меньшим длины ударника по его посадочной поверхности;
на фиг.11 – фрагмент исполнения выточек на боковой поверхности ударника со стороны цилиндра под углом к образующей поверхности с разносторонней направленностью винтовой линии, разделенных перешейком, причем участок поверхности с выточками выполнен меньшим длины ударника по его посадочной поверхности;
на фиг.12 – фрагмент исполнения выточек на трубке под одинаковым углом к образующей, разделенных перемычками с шагом между отсекающими кромками, меньшим длины внутренней посадочной поверхности ударника со стороны трубки, причем аналогично могут быть выполнены выточки на боковой поверхности сквозного канала ударника;
на фиг.13 – фрагмент исполнения выточек на трубке под различными углами к образующей, разделенных перемычками с шагом между отсекающими кромками, меньшим длины внутренней посадочной поверхности ударника со стороны трубки, причем аналогично могут быть выполнены выточки на боковой поверхности сквозного канала ударника;
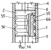
на фиг.14 – фрагмент исполнения выточек, соединенных глухим каналом в теле ударника, вскрытым со стороны камеры холостого хода и со стороны впадин выточек;
на фиг.15 – фрагмент исполнения выточек, соединенных глухим каналом в виде паза на боковой поверхности ударника со стороны цилиндра и вскрытого со стороны камеры холостого хода;
на фиг.16 – фрагмент исполнения выточек, соединенных глухим каналом в виде лыски на боковой поверхности ударника со стороны цилиндра и вскрытого со стороны камеры холостого хода.
Обозначения на всех чертежах приняты одинаковыми.
Пневматический молот с дроссельным воздухораспределением (см. фиг.1) содержит полый цилиндр 1 с размещенным в нем ударником 2 с центральным сквозным каналом 3, разделяющим полость цилиндра 1 на камеры рабочего 4 и холостого 5 ходов и трубку 6 с продольным каналом 7. Трубка 6 взаимодействует с центральным каналом 3 ударника 2 и снабжена постоянно открытым впускным дроссельным каналом 8 в камеру 5 холостого хода. Трубка 6 установлена со стороны камеры 4 рабочего хода в центральном отверстии неподвижной крышки 9 и образует кольцевой впускной дроссельный канал 10. Возможность продольного и радиального перемещения трубки 6 обеспечивается за счет кольцевого зазора между боковой поверхностью 11 центрального отверстия крышки 9 и боковой поверхностью 12 трубки 6. Зазор выполняет функции впускного дроссельного канала с переменной формой площади сечения, но постоянного проходного сечения в камеру 4 рабочего хода. Крышка 9 снабжена фланцевым буртиком 13 и уплотнительным буртиком 14, посредством которых она опирается на торец 15 цилиндра 1 и стакан 16. Стакан 16 уплотненно и разъемно, например посредством резьбового соединения, закреплен на цилиндре 1 и снабжен воздухоподводящим каналом 17 от камеры-ресивера 18 с пусковым устройством любого известного типа. Между стаканом 16, буртиком 14 крышки 9 образована сетевая камера 19, а между стаканом 16, буртиками 14 и 13 и цилиндром 1 образована кольцевая аккумуляционная камера 20, постоянно сообщающаяся посредством радиальных перепускных каналов 21 в цилиндре с камерой 4 рабочего хода. Цилиндр 1 снабжен радиальным выпускным каналом 22. На уровне канала 22 установлено воздухоотбойное кольцо 23 с выпускным каналом, например, в виде щели 24. Между кольцом 23 и цилиндром 1 образована выпускная камера 25. Хвостовик 26 рабочего инструмента 27 установлен в камере холостого хода и удерживается от выпадания устройством для его удержания, например, в виде обрезиненного металлического колпака 28, закрепленного разъемно относительно цилиндра 1 посредством резьбового соединения. На трубке 6 со стороны сетевой камеры 19 выполнен уплотнительный буртик 29 с уплотнительным седлом 30. Центральное сквозное отверстие – кольцевой впускной дроссельный канал 10 крышки 9 выполнен с кольцевым уплотнительным седлом 31, что позволяет уменьшить удельный ударный импульс седла 30 буртика 29 трубки 6 о крышку 9, чем увеличит ресурс крышки, трубки и молота в целом. Буртик 29 для обеспечения гарантированного постоянного впуска сжатого воздуха из камеры 19 в камеру 4 снабжен сквозным каналом 32, выполненным в виде паза, либо круглого отверстия, либо лыски.
Ударник 2 со стороны внутренней поверхности 33 цилиндра 1 снабжен выточками 34, состоящими из впадин 35, разделенных выступами 36, которые образуют волнистую поверхность, контактирующую с поверхностью 33 (см. фиг.1). Аналогичная волнистая поверхность 37 образована на наружной поверхности 12 трубки 6, также состоящая из впадин 38, разделенных выступами 39 (см. фиг.2, 3). Также внутренняя поверхность 40 сквозного канала 3 в ударнике 2 выполнена волнистой, состоящей из впадин 41, разделенных выступами 42 (см. фиг.4). Выточки на поверхности 12 трубки 6, либо на поверхности 40 канала 3 ударника 2, либо на наружной поверхности ударника выполняются в виде дуг окружности 43 с впадинами 44, разделенными выступами в виде перешейков 45 (см. фиг.5), либо дуг эллипсов 46 с впадинами 47, разделенными перешейками 48 (см. фиг.6), либо поверхностей прямоугольной формы 49 с впадинами 50, разделенными перешейками 51 (см. фиг.7), либо поверхностей трапецеидальной формы 52 с выступами 53, разделенными перешейками 54 (см. фиг.8), либо поверхностей треугольной формы 55 с впадинами 56, разделенными перешейками 57 (см. фиг.9). Перешейки и выступы на ударнике в осевом сквозном канале ударника и на трубке могут быть выполнены аналогичными по формам, обратным формам впадин. Формы впадин на ударнике в осевом сквозном канале ударника и на трубке могут быть образованы дугами окружностей, либо эллипсов с одинаковыми или разными радиусами, сторонами прямоугольников и трапеций с одинаковыми или разными размерами по высоте и длине, сторонами треугольников равносторонних или разносторонних. Формы впадин могут быть образованы винтовыми выточками 58 одностороннего направления, разделенными перешейками 59 (см. фиг.10), либо винтовыми выточками 60 разностороннего направления, разделенными перешейками 61 (см. фиг.11). Аналогичное исполнение предусматривается на трубке 6: винтовые выточки 62 одностороннего направления, разделенные перешейками 63 (см. фиг.12), либо винтовые выточки 64 разностороннего направления, разделенные перешейками 65 (см. фиг.13). В исполнениях на фиг.10, 11, 12 и 13 винтовые выточки должны быть сквозными только на длине меньшей длины образующей посадочной поверхности наружной части ударника (см. фиг.10, 11), либо внутренней поверхности сквозного канала (см. фиг.12, 13). Увеличение объема камеры 5 холостого хода осуществляется присоединением объемов выточек, для чего выточки, например, на боковой поверхности ударника сообщаются посредством вскрытого со стороны камеры 5 глухого канала 66 в теле ударника (см. фиг.14), либо на поверхности ударника посредством паза 67 (см. фиг.15), либо лыски 68 (см. фиг.16).
Пневматический молот с дроссельным воздухораспределением работает следующим образом. При включении пускового устройства камеры-ресивера 18 сжатый воздух поступает по каналу 17 в стакане 16 в камеру 19, откуда в камеру 4 рабочего хода либо по кольцевому дроссельному каналу 10, образованному зазором между поверхностью 11 центрального отверстия крышки 9 и боковой поверхностью 12 трубки 6, либо через сквозной канал 32 в буртике 29, выполненный в виде круглого отверстия, либо паза, либо лыски. Одновременно сжатый воздух из камеры 19 будет поступать по каналу 7 трубки 6 и дроссельный канал 8 в камеру 5 холостого хода.
Давление воздуха в камерах 4 и 20 будет оставаться практически равным атмосферному, так как выпускной канал 22, а также перепускной канал 21, имеющие площади пропускного сечения, превышающие существенно площадь впускного дроссельного канала 10, открыты, то посредством канала 21 камера 20 сообщается с камерой 4, которая, в свою очередь, сообщается посредством канала 22 с выпускной камерой 25 и посредством щелевого канала 24 в воздухоотбойном кольце 23 камеры 4 и 20 сообщены с атмосферой.
В камере 5 давление воздуха увеличивается, поскольку она разобщена с атмосферой, и ударник 2 начнет перемещаться по трубке 6 от хвостовика 26 инструмента 27, установленного в колпаке 28, совершая холостой ход. Благодаря выточкам 35, 43, 46, 49, 52, 55, 58, 60 на ударнике 2 (см. фиг.1, 3, 5, 6, 7, 8, 9, 10, 11) уменьшается его контактная поверхность с поверхностью 33 цилиндра 1, снижается сила, тормозящая ударник при холостом ходе. Эффект снижения силы торможения увеличивается при наличии повышенного давления воздуха в выточках, поскольку он при этом выполняет функции воздушной смазки. Повышенное давление в выточках поддерживается благодаря соединению их глухими каналами круглого сечения 66 (см. фиг.14), либо паза 67 (см. фиг.15), либо лыски (см. фиг.16), вскрытыми со стороны камеры 5. Отмеченный эффект воздушной смазки способствует более интенсивному разгону ударника, а следовательно, сокращению времени холостого хода, что, в свою очередь, повышает частоту ударов ударника. Аналогичный эффект воздушной смазки скажется при выполнении выточек 40 на поверхности сквозного канала 3 ударника 2 (см. фиг.4), а также волнистых выточек 37 на трубке 6 (см. фиг.2, 3), либо других по форме сечения, либо винтовых выточек 62 одинакового направления (см. фиг.12), либо винтовых выточек 64 различного направления (см. фиг.13). Повышенное давление воздуха в выточках будет поддерживаться воздухом либо со стороны камеры 5 до открытия канала 22 ударником 2, либо со стороны камеры 4 после закрытия им канала 22, то есть со стороны камеры, разобщенной с атмосферой.
При последующем перемещении ударник 2 перекроет выпускной канал 22, вследствие чего давление воздуха, отсеченного в камерах 4 и 20, и воздуха, поступающего в них из камеры 19 через впускной кольцевой дроссельный канал 10, начнет повышаться.
После открытия ударником 2 выпускного канала 22 со стороны камеры 5 холостого хода давление в ней начнет снижаться до атмосферного, поскольку проходные сечения канала 22 в цилиндре 1 и щелевого канала 24 в воздухоотбойном кольце 23 существенно больше проходного сечения дросселя 8 в трубке 6.
Отметим, что эффект воздушной смазки со стороны наружной боковой поверхности ударника 2 и поверхности 33 цилиндра 1 понизится, так как понизится давление воздуха либо в волнистых выточках 34 (см. фиг.1, 3, 14, 15, 16), либо выточках 43, 46, 49, 52, 55 (см. фиг.5, 6, 7, 8, 9), либо в выточках 58, 60 (см. фиг.10, 11).
К концу холостого хода значительная часть воздуха вытесняется ударником 2 через перепускной канал 21 в аккумуляционную камеру 20, вследствие чего давление воздуха в камере 4 возрастает медленно и вызывает резкое торможение ударника, благодаря чему увеличивается его ход, что способствует более интенсивному его разгону и повышению энергии единичного удара при рабочем ходе.
Достигнув крайнего расчетного положения, ударник останавливается и сразу же начинает ускоренное движение в сторону хвостовика 26 инструмента 27, совершая рабочий ход.
При рабочем ходе ударника имеет место эффект воздушной смазки со стороны выточек 40 на поверхности сквозного канала 3 ударника 2 (см. фиг.4), а также волнистых выточек 37 на трубке 6 (см. фиг.2, 3), либо других по форме сечения, либо винтовых выточек 62 одинакового направления (см. фиг.12), либо винтовых выточек 64 различного направления (см. фиг.13).
Так же, как и при холостом ходе, повышенное давление воздуха в выточках будет поддерживаться со стороны камеры, которая будет разобщена с атмосферой, то есть либо со стороны камеры 4 до открытия канала 22 ударником 2, либо со стороны камеры 5 после закрытия им канала 22. При перекрытом выпускном канале 22 ударником 2 повышенное давление воздуха в выточках, контактирующих поверхностей 12 на трубке 6 и сквозном канале 3 в ударнике, поддерживается, как и при холостом ходе со стороны обеих камер 4 и 5.
При последующем движении ударника 2 он перекрывает канал 22 со стороны камеры 5 и открывает его со стороны камеры 4. При этом давление воздуха в камере 5 начинает повышаться за счет сжатия отсеченного в ней воздуха и воздуха, поступающего через впускной дроссельный канал 8 трубки 6.
Давление воздуха после открытия канала со стороны камер 4 и 20 начинает понижаться и в течение времени до соударения ударника и хвостовика давление воздуха в них понизится до величины атмосферного. Этому способствуют значительные проходные сечения канала 22 и 21 в сравнении с проходным сечением кольцевого впускного дроссельного канала 10.
Благодаря объему аккумуляционной камеры 20 давление воздуха по пути ударника при рабочем ходе со стороны камеры 4 будет выше, а следовательно, более высокая скорость перемещения и соударения, что способствует повышению как частоты, так и энергии единичного удара.
При рабочем ходе, после закрытия канала 22, объемы волнистых выточек 35 на боковой поверхности ударника 2 (см. фиг.1, 3, 14, 15, 16), либо объемы выточек, образованных дугами окружностей 43 (см. фиг.5), либо объемы выточек, образованных дугами элипсов 46 (см. фиг.6), либо сторонами прямоугольников 49 (см. фиг.7), либо сторонами трапеций 52 (см. фиг.8), либо сторонами треугольников 55 (см. фиг.9), либо винтовыми выточками 58 одинакового направления (см. рис.10), либо винтовыми выточками 60 разного направления см. фиг.11) при сообщении выточек глухим каналом 66 в стенке ударника 2 (см. фиг.14), либо пазом 67 (см. фиг.16) вскрытыми со стороны камеры 5 холостого хода выполняют функции дополнительных объемов камеры. Отмеченное позволяет существенно уменьшить противодавление воздуха в камере 5 холостого хода, что способствует меньшему торможению ударника и поддержанию более высокой скорости соударения ударника 2 с хвостовиком 26 инструмента 27, а следовательно, повышению частоты и энергии единичного удара.
Кроме отмеченного, выступы 36 на боковой поверхности ударника (см. фиг.1, 3, 14, 15) и перешейки 45, 48, 51, 54, 57, 59, 61 на боковой поверхности ударника (см. фиг.5, 6, 7, 8, 9, 10, 11) существенно снижают площади контактных поверхностей ударника 2 с поверхностью 33 цилиндра 1, благодаря чему повышается эффект воздушной смазки, уменьшаются силы трения ударника перед ударом, повышаются частота и энергия единичного удара.
При последующем движении ударник наносит удар по хвостовику инструмента и описанный процесс повторяется с той разницей, что начало холостого хода осуществляется при участии импульса отскока и сокращении времени холостого хода.
Дополнительный положительный эффект при выполнении кольцевых выточек либо на боковой поверхности ударника, либо на поверхности сквозного осевого канала в ударнике, либо на боковой поверхности трубки будет иметь место при очистке и смазке поверхности 33 цилиндра. Эффект очистки и смазки контактирующих поверхностей получит усиление при выполнении либо винтовых выточек, разделенных перешейками одного направления, либо винтовых выточек, разделенных перешейками разных направлений, поскольку взаимодействие контактирующих поверхностей перешейков и поверхности 33 цилиндра будет осуществляться под острым углом, а следовательно, с меньшим сопротивлением перемещению ударника относительно поверхности 33 цилиндра, а также поверхностей 12 и 35 трубки относительно поверхности 40 сквозного осевого канала в ударнике.
Дополнительный положительный эффект при выполнении кольцевых выточек и винтовых выточек с перешейками имеет место при отсутствии перетечек и увеличении времени выпуска, что предопределяет сокращение непроизводительного расхода воздуха и снижение звуковой мощности выпуска отработавшего воздуха из камеры холостого хода.
Дополнительный положительный эффект при выполнение различных по форме выточек и перешейков имеет место при переходе от прямоугольной формы впадин к трапецеидальной, треугольной и далее к формам, образованным дугами окружности, эллипса и волнообразной форме, что предопределяет уменьшение количества концентраторов напряжений, а следовательно, повышение прочности и ресурса как ударника, так и трубки.
Формула изобретения
1. Пневматический молот с дроссельным воздухораспределением, включающий сетевую камеру устройств включения подачи сжатого воздуха в сетевую камеру, полый цилиндр, размещенный в нем ударник с центральным каналом, разделяющим полость цилиндра на камеры холостого и рабочего ходов, пропущенную через центральный канал ударника трубку, соединяющую сетевую камеру с камерой холостого хода через постоянно открытый впускной дроссельный канал, установленную на одном торце цилиндра со стороны камеры рабочего хода крышку с буртиком и центральным сквозным отверстием для проведения через нее трубки, постоянно открытый впускной в камеру рабочего хода дроссельный канал, соединяющий сетевую камеру с камерой рабочего хода, сообщенную с последней аккумуляционную камеру посредством перепускных каналов, выпускные каналы, выполненные в боковой стенке цилиндра, и рабочий инструмент с хвостовиком, установленным в другом торце цилиндра, стакан, своим днищем, установленный на буртике крышки, кольцевую аккумуляционую камеру, образованную стенкой стакана и внешней боковой поверхностью цилиндра, перепускные каналы, выполненные в стенке на уровне камеры рабочего хода в виде радиальных каналов, трубку, выполненную с возможностью осевого и радиального перемещения относительно центрального сквозного отверстия крышки, постоянно открытый впускной в камеру рабочего хода дроссельный канал, выполненный в виде кольцевого канала с возможностью изменения формы его поперечного сечения, образованного поверхностями трубки и центрального сквозного отверстия в крышке, отличающийся тем, что поверхности, взаимодействующие между собой, снабжены кольцевыми выточками, размещенными на участках посадочных поверхностей ударника и трубки и так, что длины участков выточек по образующим выполнены меньшими длины участков образующих посадочных поверхностей ударника как со стороны цилиндра, так и со стороны трубки.
2. Пневматический молот по п.1, отличающийся тем, что кольцевые выточки либо на наружной поверхности ударника со стороны цилиндра, либо на внутренней поверхности сквозного канала со стороны трубки выполнены в виде сопряженных дуг окружностей либо одинакового, либо различных диаметров.
3. Пневматический молот по п.1, отличающийся тем, что кольцевые выточки либо на наружной поверхности ударника со стороны цилиндра, либо на внутренней поверхности сквозного канала со стороны трубки выполнены с раздельными кольцевыми перешейками с сечением в виде либо полуокружностей, либо полуэллипсов, либо прямоугольников, либо трапеций, либо треугольников равносторонних, либо треугольников разносторонних.
4. Пневматический молот по п.1, отличающийся тем, что кольцевые выточки либо на наружной поверхности ударника со стороны цилиндра, либо на внутренней поверхности сквозного канала со стороны трубки выполнены под углом к образующей поверхности либо с односторонней, либо с разносторонней направленностью винтовой линии и так, чтобы длина участка выточек была меньше посадочной длины сквозного канала ударника.
5. Пневматический молот по п.1, отличающийся тем, что кольцевые выточки на трубке со стороны внутренней поверхности сквозного канала ударника выполнены в виде сопряженных дуг окружностей либо одинакового, либо различных диаметров.
6. Пневматический молот по п.1, отличающийся тем, что кольцевые выточки на трубке со стороны внутренней поверхности сквозного канала ударника выполнены разделенными кольцевыми перешейками с сечением в виде полуокружностей, либо полуэллипсов, либо прямоугольников, либо трапеций, либо треугольников равносторонних, либо треугольников разносторонних.
7. Пневматический молот по п.1, отличающийся тем, что кольцевые выточки на трубке со стороны внутренней поверхности сквозного канала ударника выполнены под углом к образующей поверхности либо односторонней, либо разносторонней направленностью винтовой линии и так, чтобы длина участка выточек была меньше посадочной длины сквозного канала ударника.
8. Пневматический молот по п.1, отличающийся тем, что кольцевые выточки сообщены между собой глухим каналом в теле ударника, вскрытым со стороны цилиндра и камеры холостого хода.
9. Пневматический молот по п.1, отличающийся тем, что кольцевые выточки сообщены между собой глухим каналом в виде либо паза, либо лыски, вскрытыми со стороны камеры холостого хода.
РИСУНКИ
MM4A – Досрочное прекращение действия патента СССР или патента Российской Федерации на изобретение из-за неуплаты в установленный срок пошлины за поддержание патента в силе
Дата прекращения действия патента: 06.08.2006
Извещение опубликовано: 20.06.2007 БИ: 17/2007
|
|